Instrument/Dash Lights

Tiny
AXIS
  • MEMBER
  • 107 POSTS
Before you change anything else, check for the fuse located under the dash on the driver side.
Was this
answer
helpful?
Yes
No
-1
Thursday, December 27th, 2018 AT 7:23 PM (Merged)
Tiny
RUNNINLA8
  • MEMBER
  • 2 POSTS
Every time we change the fuse it blows again. Any other suggestions?
Was this
answer
helpful?
Yes
No
+1
Thursday, December 27th, 2018 AT 7:23 PM (Merged)
Tiny
KHLOW2008
  • MECHANIC
  • 41,814 POSTS
The dash lights are connected to the taillights. A short in system has occurred and you need to locate the source.

If there is any impact damages, check around the area for damagd wire harnesses that might be grounded.

Check for bad bulbs or sockets.
Was this
answer
helpful?
Yes
No
Thursday, December 27th, 2018 AT 7:23 PM (Merged)
Tiny
RANCE HUMPHREY
  • MEMBER
  • 2 POSTS
  • 1998 HONDA CIVIC
  • 200,000 MILES
Dash board lights dont work and fuse pops when trying to replace.
Was this
answer
helpful?
Yes
No
Thursday, December 27th, 2018 AT 7:24 PM (Merged)
Tiny
DRCRANKNWRENCH
  • MECHANIC
  • 3,380 POSTS
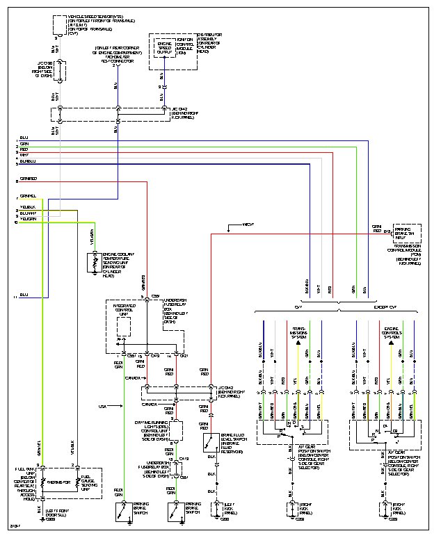
I am giving you the wiring diagrams for the instrument panels. They are in 2 parts. Use them to look for short or bad ground.
Was this
answer
helpful?
Yes
No
Thursday, December 27th, 2018 AT 7:24 PM (Merged)
Tiny
RANCE HUMPHREY
  • MEMBER
  • 2 POSTS
  • 1998 HONDA CIVIC
  • 200,000 MILES
Dash board lights dont work
Was this
answer
helpful?
Yes
No
Thursday, December 27th, 2018 AT 7:24 PM (Merged)
Tiny
JOHNAH
  • MEMBER
  • 1 POST
  • 1991 HONDA CIVIC
  • 4 CYL
  • FWD
  • AUTOMATIC
  • 20,400 MILES
Dash lights and taillights are out. Rear turn signals and 4-way flasher works. Checked no. 8 fuse and fuses in main fuse box in engine compartment look good. Any other suggestions?

Thanks
John
Was this
answer
helpful?
Yes
No
Thursday, December 27th, 2018 AT 7:24 PM (Merged)
Tiny
KHLOW2008
  • MECHANIC
  • 41,814 POSTS
Hi John,

Test the light switch. When light is switched on, voltage must be present Light switch connecter terminal # 1 ( Red/Green ) wire and Fuse # 8 in fusebox. You need a test lamp to test by backprobing the terminals.
Was this
answer
helpful?
Yes
No
Thursday, December 27th, 2018 AT 7:24 PM (Merged)
Tiny
LVILLALBA
  • MEMBER
  • 1 POST
  • 1998 HONDA CIVIC
  • 4 CYL
  • 2WD
  • AUTOMATIC
  • 103,000 MILES
My dash board lights went out.I cant see the speed im driving while driving at night. How do I fix this? The light that shows gear and engine light goes on when starting. But the white light for viewing dashboard is out.
Was this
answer
helpful?
Yes
No
Thursday, December 27th, 2018 AT 7:24 PM (Merged)
Tiny
KHLOW2008
  • MECHANIC
  • 41,814 POSTS
Hi lvillalba,

You need to check if the taillights are working, if not, you have a blown fuse or faulty switch.

If taillights are working, you need to check the bulkbs or dash lights brightness conttrol switch.
Is the dash lights brightness control adjusted to minimum?
Was this
answer
helpful?
Yes
No
Thursday, December 27th, 2018 AT 7:24 PM (Merged)
Tiny
AOSCAR
  • MEMBER
  • 2 POSTS
  • HONDA CIVIC
I have a 1992 Honda Civic DX with 195,000 miles on it.

The lights on my dash and behind my speedometer etc. Would go out and come back on randomly. Now they both died along with my interior light but the fuses look fine to me. Nothing I do seems to get them to come back on. All of the smaller lights are working just not the main backlighting ones.
Was this
answer
helpful?
Yes
No
Thursday, December 27th, 2018 AT 7:29 PM (Merged)
Tiny
FISHERMAN
  • MECHANIC
  • 937 POSTS
Check the connector behind the dashboard.
Was this
answer
helpful?
Yes
No
Thursday, December 27th, 2018 AT 7:29 PM (Merged)
Tiny
P4P
  • MEMBER
  • 3 POSTS
  • 1997 HONDA CIVIC
  • 4 CYL
  • FWD
  • AUTOMATIC
  • 150,000 MILES
My 1997 honda civic ex the dashlight is kind of dim even at its brightest setting, and I notice you cant really the oil and battery meaters the speed is ok but you cant see it so good either at night ofcourse, what can be the problem?
Was this
answer
helpful?
Yes
No
Thursday, December 27th, 2018 AT 7:29 PM (Merged)
Tiny
F4I_GUY
  • MECHANIC
  • 3,302 POSTS
I would check to make sure the dash light dimmer is operating properly first. You can try to bypass the dimmer completely to see if that helps bright up your cluster. If it doesn't, check for low voltage or a weak ground to your cluster.
Was this
answer
helpful?
Yes
No
Thursday, December 27th, 2018 AT 7:29 PM (Merged)

Please login or register to post a reply.