Monday, August 18th, 2008 AT 12:02 AM
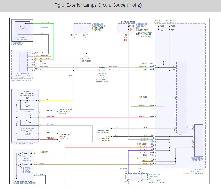
During a complete stop and a turn signal is activated, there is a slight sound o clicks, and I don't mean the turn signals clicks. What should I do?





















