HVAC blend door actuator location?

2011 DODGE RAM
150,000 MILES • 7.2L • V8 • 4WD • AUTOMATIC
Avatar
MARVIN BERGMAN
  • MEMBER
  • 1 POST
Where is the blend door actuator located for the heater on the drivers side on the truck listed above 1500?
Aug 1, 2020 at 4:00 AM
Advertisement
Avatar
JACOBANDNICKOLAS
  • CAR REPAIR CONTRIBUTOR
  • 110,190 POSTS
Hi,

Pic 1 below shows the locations of both. The second pic gives a general location.

The directions for removal are in pic 1 and the install are in pic 3.

Here is a link that shows in general how one is replaced. I'm adding it simply because it is more descriptive.

https://www.2carpros.com/articles/replace-blend-door-motor

Let me know if this helps or if you have other questions.

Take care,
Joe

Aug 1, 2020 at 11:20 PM
Advertisement
Avatar
MARVIN BERGMAN
  • MEMBER
  • 1 POST
So is the blend actuator on my truck is behind the center dash panel or behind the glove box?
Aug 2, 2020 at 10:47 AM
Avatar
JACOBANDNICKOLAS
  • CAR REPAIR CONTRIBUTOR
  • 110,190 POSTS
The one for the left side of the vehicle (driver's side), will be behind the glove box and to the left toward the rear of the HVAC box. The passenger side actuator will be toward the front of the same HVAC box. The directions indicate that the glove box needs removed. If you need help with that, let me know.

Joe
Aug 2, 2020 at 8:48 PM
Avatar
2CP-ARCHIVES
  • MEMBER
  • 4,540 POSTS
how difficult will it be to change the a/c actuator
Apr 23, 2021 at 10:19 AM (Merged)
Avatar
HMAC300
  • CAR REPAIR CONTRIBUTOR
  • 48,601 POSTS
there are 3 pic enclosed to help you change the blend door actuators out. Check out the diagrams (Below). Let us know what happens and please upload pictures or videos of the problem.
Apr 23, 2021 at 10:19 AM (Merged)
Avatar
JSHIPPS
  • MEMBER
  • 2 POSTS
Air conditioning works and is cold initially but after driving for a bit it quits blowing through the vents. After truck is off and then when restarted the A/C will work properly again, but then repeat same after driving for a bit.
Apr 23, 2021 at 10:20 AM (Merged)
Avatar
JACOBANDNICKOLAS
  • CAR REPAIR CONTRIBUTOR
  • 110,190 POSTS
Welcome to 2CarPros.

When you say it stops blowing through the vents, do you mean the blower motor stops working or does the air flow directions change. For example, does it stop in from the vents and then move to the floor?

If it is changing to the floor, chances are the mode door actuator is bad. This actuator is what controls the air flow door. There are two of them. One is for the vents and floor, and the other is for defrost.

If it is changing between the vents and floor, the actuator is most likely the problem. Here are the directions for replacement. The two pics attached correlate with the directions. The second set of directions, starting with number 6 are related to the defroster actuator. So, if it is changing to defrost, that is the most likely cause.

PANEL/FLOOR DOOR ACTUATOR

1. Disconnect and isolate the negative battery cable.
2. Remove the instrument panel from the vehicle See: Dashboard / Instrument Panel > Removal and Replacement > Instrument Panel - Removal .
3. Remove the screws (1) that secure the panel/floor door actuator (2) to the back of the HVAC housing (3).
4. Remove the panel/floor door actuator from the HVAC housing and disconnect the HVAC wire harness connector (4) from the actuator.
5. Remove the panel/floor door actuator from the vehicle.
DEFROST DOOR ACTUATOR

6. Disconnect and isolate the negative battery cable.
7. Remove the instrument panel from the vehicle See: Dashboard / Instrument Panel > Removal and Replacement > Instrument Panel - Removal .
8. Remove the screws (1) that secure the defrost door actuator (2) to the back of the HVAC housing (3).
9. Remove the defrost door actuator from the HVAC housing and disconnect the HVAC wire harness connector (4) from the actuator.
10. Remove the defrost door actuator from the vehicle.

Check out the diagrams (Below). Please let us know what happens.
Apr 23, 2021 at 10:20 AM (Merged)
Avatar
JSHIPPS
  • MEMBER
  • 2 POSTS
Yes, it changes to the floor so this sounds like it's the issue. Thank you. If taken to mechanic shop is this a real expensive fix?
Apr 23, 2021 at 10:20 AM (Merged)
Avatar
JACOBANDNICKOLAS
  • CAR REPAIR CONTRIBUTOR
  • 110,190 POSTS
Welcome back:

The part isn't too much, but it is somewhat labor intense. It calls for around four hours labor. If you want to try it yourself, let me know and I'll help you.

Let me know,

Joe
Apr 23, 2021 at 10:20 AM (Merged)
Avatar
RGR_RAM2500
  • MEMBER
  • 1 POST
The airflow in my truck only comes out of the front ducts. It will not come out of the defrost or floor heat ducts no matter what mode is selected on the selector switch. I get good air flow in all fan speeds and the heat/cold switch works fine. I get hot and cold air normally, but I cannot get the flow to change from the front vents to anywhere else.
Apr 23, 2021 at 10:20 AM (Merged)
Avatar
JACOBANDNICKOLAS
  • CAR REPAIR CONTRIBUTOR
  • 110,190 POSTS
Hi,

It sounds like an issue related to the mode door actuator. On this vehicle, there is one that directs air to the vents on the dash and on the floor. There is another mode actuator specific to the defroster.

If you look at pic 1 below, I circled the vent/floor actuator and highlighted the defroster actuator.

What I would first do is remove one at a time and see if the actuator responds when you change the mode you want. If it doesn't, then check for power to the actuator. If there is power, the actuator is likely bad. If there is no power, then we need to work backward. A bad ground doesn't seem to be the issue because that would also be affecting the air temp actuator, and you said that works.

Here is a link you may find helpful:

https://www.2carpros.com/articles/how-to-check-wiring

Do this and let me know what you find. Also, let me know if this is automatic or manual temp control and if you have dual climate control or single.

I will watch for your reply or let me know if you have other questions.

Take care,
Joe
Apr 23, 2021 at 10:20 AM (Merged)
Avatar
LAZYIKE
  • MEMBER
  • 1 POST
The A/C blows good and cold on the drivers side but warm air on the passengers side. Is there something that is not closing off properly inside the dash? How do you get in there? Had this problem before but Dodge fixed it under warranty.
Apr 23, 2021 at 10:20 AM (Merged)
Avatar
HMAC300
  • CAR REPAIR CONTRIBUTOR
  • 48,601 POSTS
you have a blend door that is not working. it could be a cable that operates it or the door doesn't work i'll include the a diagram that may help you out.


https://images.2carpros.com/forum/automotive_pictures/406719_blend_door_1.jpg

Apr 23, 2021 at 10:20 AM (Merged)
Avatar
GRANTI
  • MEMBER
  • 2 POSTS
AC/heater control does not respond when dialed to different settings, ie; floor, vents, defrost etc. No matter where you turn the selector the air blows
out of the vents only?
Apr 23, 2021 at 10:20 AM (Merged)
Avatar
BMRFIXIT
  • CAR REPAIR CONTRIBUTOR
  • 19,053 POSTS
In this year I believe its all controlled by the HVAC module and have actuator that move doors need of scanner is more likely to diagnose the correct faulty actuator


https://images.2carpros.com/forum/automotive_pictures/99387_Graphic1_540.jpg

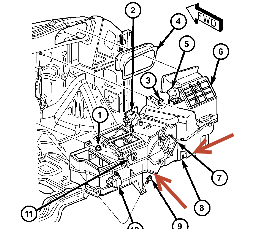
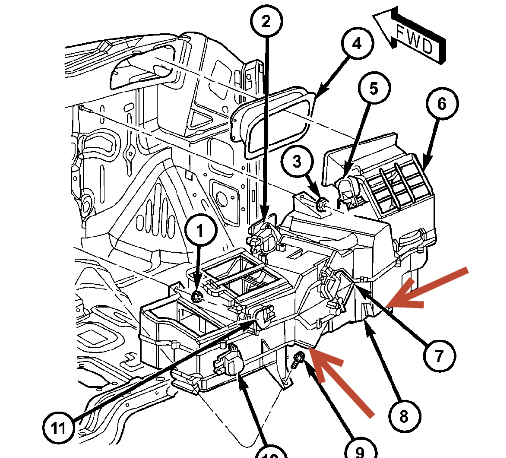
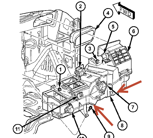
MODE DOOR ACTUATOR DESCRIPTION The mode door actuator is a reversible, 12-volt Direct Current (DC), servo motor (Fig. 17 ). The single mode door actuator is located on the driver side end of the heater-A/C housing unit, close to the top of the distribution housing. The mode door actuator is mechanically connected to the mode door. The mode door actuator is interchangeable with the actuators for the blend air door(s) and the recirculation air door. Each actuator is contained within an identical black molded plastic housing with an integral wire connector receptacle. Two integral mounting tabs allow the actuator to be secured with two screws to the heater-A/C unit housing. Each actuator also has an identical output shaft with splines that connects it to the linkage that drives the mode door. The mode door actuator does not require mechanical indexing to the mode door linkage, as it is electronically calibrated by the heater-A/C control module. The mode door actuator cannot be adjusted or repaired and, if damaged or faulty, it must be replaced.
Apr 23, 2021 at 10:20 AM (Merged)
Avatar
DBONE2828
  • MEMBER
  • 1 POST
I have a problem of cold air only coming out of the drivers side vents in my truck. I thought the problem was in all vents but of course never checked the ones on the passenger side. A passenger pointed out that they were working, and well at that. So the vents on the passenger side blow nice and hot while the vents blowing at me on the drivers side are cold. What can the problem be?
Apr 23, 2021 at 10:20 AM (Merged)
Avatar
JDL
  • CAR REPAIR CONTRIBUTOR
  • 16,098 POSTS
Welcome to the forum, thanks for the donation. I'd have to check the driver side blend door actuator. You might also check for any hvac codes.


https://images.2carpros.com/forum/automotive_pictures/170934_pickup_hvac_1_1.jpg


https://images.2carpros.com/forum/automotive_pictures/170934_pickup_hvac_2_1.jpg

Apr 23, 2021 at 10:20 AM (Merged)
Avatar
RDOE
  • MEMBER
  • 1 POST
I have a Dodge Ram 1500 and when the air conditioner is running I get a lot of water comming out of either side of the floor vents when I turn. is their a condensation line which could have broken or come detached to cause this and how can it be corrected
Apr 23, 2021 at 10:20 AM (Merged)
Avatar
HMAC300
  • CAR REPAIR CONTRIBUTOR
  • 48,601 POSTS
yes there is a line to drain the a//c and it 's eitehr broken or disconnected. look at pic and crawl unde truck as it may be blocked as well, it won't be to easy to see but it will be toward front of firewall in that area
Apr 23, 2021 at 10:20 AM (Merged)
Avatar
TAEVANS
  • MEMBER
  • 5 POSTS
What might cause my A/C to blow out a minimum amount of air pressure whether it is set on low or high. It is cold air coming out.
Apr 23, 2021 at 10:22 AM (Merged)
Avatar
RASMATAZ
  • CAR REPAIR CONTRIBUTOR
  • 75,992 POSTS
Could be the air blend door mode actuator problem. Here is a guide to help you see what you are in for when doing the job and diagrams below to show you how to replace the actuator in your car:

https://www.2carpros.com/articles/replace-blend-door-motor

Mode door actuator.
The single mode door actuator is located on the driver side end of the heater-A/C housing unit, close to the top of the distribution housing.

Check out the diagrams (below). Please let us know what happens.

Cheers
Apr 23, 2021 at 10:22 AM (Merged)
Avatar
KRISTENLEE
  • MEMBER
  • 0 POST
I had this problem as well. The dealer replaced the mode actuator for $230.00. all fixed
Apr 23, 2021 at 10:22 AM (Merged)
Avatar
CFORTNEY
  • MEMBER
  • 2 POSTS
When I start truck it does not get hot, but after some time. It does get warm after about 10-15 minutes. I replaced thermostat. Both lines are hot to and from heater core. Outside vent door opens to outside cold air when I start truck and turn heat on. Not sure what to look for now. Don't have a vacuum hose diagram or vent box diagram to now where to start looking. Thanks for any responses.
Apr 23, 2021 at 10:22 AM (Merged)
Avatar
JACOBANDNICKOLAS
  • CAR REPAIR CONTRIBUTOR
  • 110,190 POSTS
Hi

I suspect the blend air door actuator isn't working properly. The actuator itself may be bad or you may have a door hanging up.

The actuator is electric. Here is a link that explains how in general one is replaced and common symptoms. Take a look through it.

https://www.2carpros.com/articles/replace-blend-door-motor

Here are the directions specific to your vehicle for replacement. The attached pics correlate with the directions.

The single zone heating and air conditioning system is equipped with a single blend door actuator. The dual zone system has two blend door actuators, one for the driver side blend air door and one for the passenger side blend air door. The same service procedures can be used for each of these actuators.


1. Disconnect and isolate the battery negative cable.
2. Remove the instrument panel assembly.

Fig. 14 HVAC Housing - Dual Zone Shown (Typical - Single Zone)

Pic 1

3. Disconnect the HVAC wire harness connector for the blend door actuator from the actuator connector receptacle..
4. Remove the screws that secure the blend door actuator to the distribution housing.
5. Remove the blend door actuator from the distribution housing.

INSTALLATION
1. Position the blend door actuator into the heater/air conditioner housing. If necessary rotate the actuator slightly to align the splines on the actuator output shaft with those in the blend air door linkage.
2. Install and tighten the three screws that secure the blend door actuator to the distribution housing. Tighten the screws to 2 Nm (17 in. lbs.).
3. Reconnect the HVAC wire harness connector for the blend door actuator to the actuator connector receptacle.
4. Install the instrument panel assembly.
5. Reconnect the battery negative cable.
6. Perform the heater-A/C control calibration procedure.

Let me know if this helps or if you have other questions.

Take care,
Joe
Apr 23, 2021 at 10:22 AM (Merged)
Avatar
CFORTNEY
  • MEMBER
  • 2 POSTS
Hi Joe,

Thanks so much for your response. I went ahead and replaced the thermostat on truck but cannot really tell a difference. I have checked the hoses to and from heater core and they are hot. I am a bit confused on door names. I have checked to make sure the door that allows outside air does open and close but do notice when i start truck up and turn heat on the door moves to allow cold air in. So i am not sure if that is the correct way it should be thought it should move over to allow inside air thru. I have taken fan out to make sure there is nothing in it or any fins are broken . I was able to slightly clean the cooler fins off a bit with my hand but not sure if there is a door that should be there or not. i do have a dual climate system and they all seem to work correctly when i change them from cool to hot. just still seem that the air is not getting to the heater core like it should be. thank you for your help with this.
Apr 23, 2021 at 10:22 AM (Merged)
Avatar
JACOBANDNICKOLAS
  • CAR REPAIR CONTRIBUTOR
  • 110,190 POSTS
If both heater core hoses are hot, then the blend air door actuator is bad. It is responsible for the air temperature coming into the cab.

Here is a link that shows how one is replaced:

https://www.2carpros.com/articles/replace-blend-door-motor

________________________________________________________________________

Here are the directions specific to your vehicle for replacement. The attached pic correlates with the directions.

_______________________________________________________________________

2002 Dodge or Ram Truck RAM 1500 Truck 4WD V8-5.9L VIN Z
Blend Door Actuator Replacement
Vehicle Heating and Air Conditioning Air Door Actuator / Motor Service and Repair Procedures Blend Door Actuator Replacement
BLEND DOOR ACTUATOR REPLACEMENT
REMOVAL
The single zone heating and air conditioning system is equipped with a single blend door actuator. The dual zone system has two blend door actuators, one for the driver side blend air door and one for the passenger side blend air door. The same service procedures can be used for each of these actuators.

WARNING: ON VEHICLES EQUIPPED WITH AIRBAGS, DISABLE THE AIRBAG SYSTEM BEFORE ATTEMPTING ANY STEERING WHEEL, STEERING COLUMN, OR INSTRUMENT PANEL COMPONENT DIAGNOSIS OR SERVICE. DISCONNECT AND ISOLATE THE BATTERY NEGATIVE (GROUND) CABLE, THEN WAIT TWO MINUTES FOR THE AIRBAG SYSTEM CAPACITOR TO DISCHARGE BEFORE PERFORMING FURTHER DIAGNOSIS OR SERVICE. THIS IS THE ONLY SURE WAY TO DISABLE THE AIRBAG SYSTEM. FAILURE TO TAKE THE PROPER PRECAUTIONS COULD RESULT IN ACCIDENTAL AIRBAG DEPLOYMENT AND POSSIBLE PERSONAL INJURY.

1. Disconnect and isolate the battery negative cable.
2. Remove the instrument panel assembly.

Fig. 14 HVAC Housing - Dual Zone Shown (Typical - Single Zone)

Pic 1

3. Disconnect the HVAC wire harness connector for the blend door actuator from the actuator connector receptacle..
4. Remove the screws that secure the blend door actuator to the distribution housing.
5. Remove the blend door actuator from the distribution housing.

INSTALLATION
1. Position the blend door actuator into the heater/air conditioner housing. If necessary rotate the actuator slightly to align the splines on the actuator output shaft with those in the blend air door linkage.
2. Install and tighten the three screws that secure the blend door actuator to the distribution housing. Tighten the screws to 2 Nm (17 in. lbs.).
3. Reconnect the HVAC wire harness connector for the blend door actuator to the actuator connector receptacle.
4. Install the instrument panel assembly.
5. Reconnect the battery negative cable.
6. Perform the heater-A/C control calibration procedure.

__________________________________________________________________-

Let me know if this helps or if you have other questions or need help.

Joe
Apr 23, 2021 at 10:22 AM (Merged)
Avatar
RICHARD63
  • MEMBER
  • 1 POST
The fan blows, but very little are is coming out of the vents. Van sounds louder than normal. Is there a blockage somewhere and how to I get to it.
Apr 23, 2021 at 10:22 AM (Merged)
Avatar
HMAC300
  • CAR REPAIR CONTRIBUTOR
  • 48,601 POSTS
check for a vacuum leak first, start at engine and work back to heater control then vacuum motors. your mode door may be stuck in one position blocking air exits. see pic
Apr 23, 2021 at 10:22 AM (Merged)
Avatar
AMCKEY
  • MEMBER
  • 9 POSTS
need location/digram of havc blend door,cabin pollen filter ,ac temp sensor,hac control module .ac blows out warm air only ac system checked out good but something is blocking cool air.replaced havc control switch
Apr 23, 2021 at 10:22 AM (Merged)
Avatar
RASMATAZ
  • CAR REPAIR CONTRIBUTOR
  • 75,992 POSTS
Hi amckey, Welcome to 2carpros and TY for the donation Lets start by checking the air blend door/actuator


https://images.2carpros.com/forum/automotive_pictures/12900_b1_9.gif


https://images.2carpros.com/forum/automotive_pictures/12900_b2_20.jpg

Air temperature sensor:


https://images.2carpros.com/forum/automotive_pictures/12900_b3_11.jpg

Not listed on having a pollen filter in Mit1 or Alldata
Apr 23, 2021 at 10:22 AM (Merged)
Avatar
JUSTIN WARD
  • MEMBER
  • 1 POST
I just bought the truck listed above 1500 single cab as a work truck from a friend. The A/C use to work in it, but when he was working on something under the top dash (can't remember what) the cable came unattached roughly in the middle of the dash above the stereo. Anyone know what I should be looking for to reattach it?
Apr 23, 2021 at 10:23 AM (Merged)
Avatar
JACOBANDNICKOLAS
  • CAR REPAIR CONTRIBUTOR
  • 110,190 POSTS
Hi,

I need to know what is happening. When you say cable, are you referring to an electrical wire or simply a cable that is used to move things?

Also, when you say the A/C doesn't work, do you mean the airflow direction is wrong or the A/C compressor isn't engaging?

Sorry for the questions, but the blend air door actuator (which controls the air temperature entering the vehicle) is electric, so that wouldn't be a cable. The actuator that is responsible for airflow direction (defrost, floor, mid) is actuated by engine vacuum. That is why I need to know what you are dealing with so I know how to help.

If you look at pics 1 and 2, they show the actuators I'm referring to. If possible, take a pic of the cable you are referring to so I have a better understanding. It may help.

Let me know.

God bless,
Joe
Apr 23, 2021 at 10:23 AM (Merged)
Avatar
KARIM ALEEM
  • MEMBER
  • 1 POST
When I turn on the AC it blows very cold. The problem comes when I drive for about ten minutes, if I accelerate or just driving along it begins to blow hot air. The hot air is preceded by the sound of a closing vent flap. The coolant level is within normal limits.
Apr 23, 2021 at 10:23 AM (Merged)
Avatar
JACOBANDNICKOLAS
  • CAR REPAIR CONTRIBUTOR
  • 110,190 POSTS
This sounds like the temperature blend door actuator needs to be replaced. Here is a guide that will show you step buy step how to do the job and with diagrams below to show the location for your car:

https://www.2carpros.com/articles/replace-blend-door-motor

Check out the diagrams (below). Please let us know what happens.

Cheers
Apr 23, 2021 at 10:23 AM (Merged)
Avatar
JAMESD80
  • MEMBER
  • 1 POST
The heater is blowing just barely warm air and not hot blend door?
Apr 23, 2021 at 10:23 AM (Merged)
Avatar
STRAILER
  • CAR REPAIR CONTRIBUTOR
  • 54,270 POSTS
Your truck does not have a heater control valve it has a temperature control actuator that does the same thing. Here is a guide to help you see what you are in for when doing the job.

https://www.2carpros.com/articles/replace-blend-door-motor

Also check for vacuum at the HVAC check this guide that shows what to look for.

https://www.2carpros.com/articles/air-vents-stay-in-the-defrost-position

and

https://www.2carpros.com/articles/car-heater-not-working

Here is the location for your truck (below)

Let us know what happens and please upload pictures or videos of the problem.

Cheers, Ken
Apr 23, 2021 at 10:23 AM (Merged)
Avatar
MALUCH
  • MEMBER
  • 1 POST
Possible blend door actuator replacement?
Jun 23, 2021 at 9:33 AM (Merged)
Avatar
STEVE W.
  • CAR REPAIR CONTRIBUTOR
  • 15,151 POSTS
The AC fan or the actual interior AC is not cooling on the passenger side?

If you mean you are getting cold air on the drivers side but not the passenger side the most likely culprit would be the blend door that controls the air temperature. They are known for losing the foam off the front and not closing properly. That would be number three in the image. To actually test is you need a scan tool with bi-directional control.
I would be very sure it is the blend door as replacing it requires removing the dash to get to the actuator on the top of the case.

Jun 23, 2021 at 9:33 AM (Merged)
Avatar
18RAM2500
  • MEMBER
  • 10 POSTS
The passenger side defrost door must not be closing quite all the way. If I’m on anything except defrost, there’s an annoying whistling coming from there. Is that an actuator or something else and how do I access whatever I need to repair/replace?
Jun 17, 2022 at 7:30 AM
Avatar
KASEKENNY
  • CAR REPAIR CONTRIBUTOR
  • 18,907 POSTS
I am thinking you have an issue with the actuator or the door itself.

Do you have a dual zone or single zone temperature control?

If you have a single zone, then I suspect you have an issue with the rod that is connecting the blend doors to the actuator. Basically, they use the same box for dual and single zone, but connect the doors on a single zone with a rod that you can see in the picture below.

Also, you could just have a door issue as these crack and fail all the time.

Here is a site that sells repair kits with metal doors so that this does not happen again if this turns out to be the issue.

https://www.blenddoorusa.com/

Unfortunately, the noise on all settings except defrost typically means the fresh air door is not sealing but let's start with this and go from there.

Thanks
Jun 17, 2022 at 1:59 PM
Repair Safety Notice: This information is for general instructional purposes only. Vehicle repair can be dangerous. Verify all information, follow manufacturer service procedures, use proper tools and safety equipment, and consult a qualified repair shop when needed.