Fuel pump relay?

Tiny
STEVE W.
  • MECHANIC
  • 15,688 POSTS
Okay, so you got it to at least run? Or was that before? If you can get it to run but it's bogged down and stalls out. I think you can use a bore scope and remove the PCV connection to the upper intake to look inside. What you don't want to see is any fuel. GM put the pressure regulator inside the intake. Older system + new fuel pump may have ruptured the regulator. Because of its location it can dump a lot of gas inside the intake very quickly. Another test for it would be to get a pressure gauge and install it on the return line. Now trigger the pump. It should shoot up to 55-65 psi. Turn off the pump. The pressure should hold for a long time because you have a good pump, and the return line is blocked. If the pressure drops quickly, you have a leak. Now if it has a bad regulator and you also have the old spider injector. Get the new replacement unit that has the individual injectors and the updated lines if you're so inclined. They are a great addition to a runner, mine picked up almost 1 mpg adding that unit. I really can't think of anything else that would dump fuel in there that way.
Was this
answer
helpful?
Yes
No
+1
Tuesday, May 30th, 2023 AT 3:00 PM
Tiny
BRIAN333
  • MEMBER
  • 99 POSTS
Thank you very much. Yes, the running happened earlier, before I replaced positive battery cable, and I was bypassing the fuel relay. Since changing positive battery cable, my relay started working correctly, however I can’t get said fuel to ignite lol, it would when I bypassed the relay. I wonder if putting in a new negative side of battery cables would change my dilemma, I have taken the three grounds off and cleaned them and it looks fine at the battery, but I changed the positive side because of what I’d consider minor corrosion. The positive battery cable has an electrical connector that kind of looks like a fusible link but different. What does that connect to? Wondering if that could be part of this issue considering the half going back to the battery is brand new.
Was this
answer
helpful?
Yes
No
Tuesday, May 30th, 2023 AT 3:47 PM
Tiny
BRIAN333
  • MEMBER
  • 99 POSTS
Code 1361 added to the mix, it’s popped up a couple times recently and doesn’t instantly reappear, but it is now.
Was this
answer
helpful?
Yes
No
Tuesday, May 30th, 2023 AT 5:54 PM
Tiny
STEVE W.
  • MECHANIC
  • 15,688 POSTS
Test ground by running a jumper cable in parallel to the current ground. One clamp on ground post one on engine block. If it suddenly works you have a bad cable. If not, you didn't spend money. OOOhh P1361 - Low voltage to ignition system! That could stop it from firing and burning the fuel. This might help

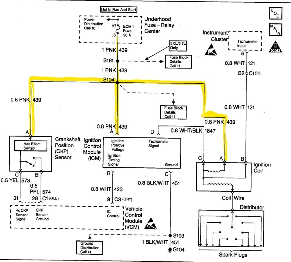
The enhanced ignition system provides the timing input to the Vehicle Control Module (VCM) with a crank sensor. The VCM uses this reference pulse in order to determine the individual ignition spark timing for each cylinder.

Once the VCM calculates the ignition timing, the ignition coil module on the Ignition Control (IC) circuit receives the timing signal. Each timing pulse received by the ignition coil module, on the IC circuit, triggers the coil module in order to operate the ignition coil. The secondary ignition voltage is induced, and then the secondary ignition voltage is sent to the distributor for distribution to each spark plug. This DTC is a type A DTC.

The IC signal voltage ranges from about 0.5 volt to 4.5 volts.

CONDITIONS FOR SETTING THE DTC
The engine speed is below 3000 RPM, and the voltage on the ignition control circuit is below about 0.04 volt.

DIAGNOSTIC AIDS
A poor connection, a rubbed through wire in the insulation, or a wire broken inside the insulation will cause an intermittent.

Check for the following conditions:

1. Poor connection
2. Damaged harness Inspect the VCM harness connectors for the following conditions

Backed out terminals GR 9 and Bk 18.
Improper mating.
Broken locks.
Improperly formed or damaged terminals.
Poor terminal to wire connection.
Damage harness.

3. Intermittent test - If connections and harness check OK, monitor a digital voltmeter connected between VCM terminal GR 9 and BK 18 while moving related connectors and wiring harness.

If the failure is induced, the voltage reading will change. This may help to isolate the location of the malfunction.

TEST DESCRIPTION
The numbers below refer to the step numbers in the diagnostic table above

2. If the engine starts at this point, the DTC 1361 is intermittent.
3. This check determines if the IC signal from the VCM is available at the ignition coil module.
9. The remaining tests begin to check that the ignition coil module circuitry is OK. If the ignition coil module loses its voltage source, the secondary voltage will not be produced, and a DTC P1361 will set.

I would check for voltage at the coil, ICM and crank sensor using a test light. A meter will show voltage if even one strand of wire is OK. Another thing will be to check the ground from the ICM and coil. The ICM grounds through pin C the coil grounds through the body. OH on the ICM, apply some compound to it, those have a very bad habit of frying from heat. It's why the one in my 2002 was mounted to its own heat sink.
Was this
answer
helpful?
Yes
No
+1
Tuesday, May 30th, 2023 AT 7:16 PM
Tiny
BRIAN333
  • MEMBER
  • 99 POSTS
Wow, very impressive reading something written by someone that knows it inside and out and then becomes inspired with a possible answer, lol, most impressive indeed. I’m definitely going to have to re-read in the morning and look forward to trying this out. I’ve always felt there was some kind of ground issue or something similar since the day it died suddenly while driving. I’ll give you and update tomorrow, thank you for your commitment and all your help.
Was this
answer
helpful?
Yes
No
Tuesday, May 30th, 2023 AT 9:33 PM
Tiny
STEVE W.
  • MECHANIC
  • 15,688 POSTS
Borrowed some of that from service info. It's stuff you learn but I don't type as clearly as they do.
Was this
answer
helpful?
Yes
No
+1
Wednesday, May 31st, 2023 AT 1:46 PM
Tiny
BRIAN333
  • MEMBER
  • 99 POSTS
I understand, I have to re-read before sending any of this also because it might make sense to me, but others have no idea what I’m talking about sometimes. I was impressed because I think you can tell the tone of someone through text and that one sounded, I'm, hopeful, lol. Anyway, I’m fixing to go look at it and I’ll let you know.
Was this
answer
helpful?
Yes
No
Wednesday, May 31st, 2023 AT 4:26 PM
Tiny
BRIAN333
  • MEMBER
  • 99 POSTS
Okay, I have a question, where is this GR 9(G9), I’m assuming it’s part of the PCM and I don’t have a green, also, my black 18 is pink.
Was this
answer
helpful?
Yes
No
Wednesday, May 31st, 2023 AT 5:21 PM
Tiny
BRIAN333
  • MEMBER
  • 99 POSTS
The PCM is labeled black, clear/white, red, blue.
Was this
answer
helpful?
Yes
No
Wednesday, May 31st, 2023 AT 5:24 PM
Tiny
STEVE W.
  • MECHANIC
  • 15,688 POSTS
G9 isn't likely the problem, if it was you would get a different error. You want to check the voltages at the other three. Then the ground on the ICM. That would be more likely.
Was this
answer
helpful?
Yes
No
+1
Wednesday, May 31st, 2023 AT 5:55 PM
Tiny
BRIAN333
  • MEMBER
  • 99 POSTS
Thank you man, I am grateful for your patience.
Was this
answer
helpful?
Yes
No
Wednesday, May 31st, 2023 AT 8:49 PM
Tiny
BRIAN333
  • MEMBER
  • 99 POSTS
Quick question, should the fuel pump be constantly cycling on/off for approximately 2seconds with the key in the on position?
Was this
answer
helpful?
Yes
No
Thursday, June 1st, 2023 AT 1:02 PM
Tiny
BRIAN333
  • MEMBER
  • 99 POSTS
Here’s my voltage tests with one lead on battery positive and pins in the negative wires
Was this
answer
helpful?
Yes
No
Thursday, June 1st, 2023 AT 1:24 PM
Tiny
BRIAN333
  • MEMBER
  • 99 POSTS
So, I put my original ignition control module in and ran the same tests and results were:

ICM
Key off 12.75
Key on 12.75
Cranking 10.8

Coil (pink/bk)
Key off 12.75
Key on 5.5
Cranking 1- 1.15
Was this
answer
helpful?
Yes
No
Thursday, June 1st, 2023 AT 8:34 PM
Tiny
BRIAN333
  • MEMBER
  • 99 POSTS
One last piece of the puzzle I’d like to add, I believe I have found a short that is associated with fuse #9 ECM/BATT and I did so using this method:
https://youtu.be/9wLrTjeb9TY
Was this
answer
helpful?
Yes
No
Friday, June 2nd, 2023 AT 12:22 PM
Tiny
BRIAN333
  • MEMBER
  • 99 POSTS
I haven’t found the short yet, I just figured this out and wanted to pass it along. Thank you
Was this
answer
helpful?
Yes
No
Friday, June 2nd, 2023 AT 12:23 PM
Tiny
BRIAN333
  • MEMBER
  • 99 POSTS
I checked the fuel pump relay with a test light and it is receiving the signal to do what it’s doing, on two seconds, off for 3-4, then on for 2 seconds again.
Was this
answer
helpful?
Yes
No
Friday, June 2nd, 2023 AT 5:02 PM
Tiny
BRIAN333
  • MEMBER
  • 99 POSTS
Replaced ignition switch and it almost wanted to start. Unfortunately I am still getting the fuel pump cycling on and off while the key is on. I’m going to try and do some more ground cleaning, haven’t been able to get the two on the rear of the cylinder head but that was before, I am re-energized on this, the little progress helped. Hope your okay man, haven’t heard from you in a while, hopefully it was just your days off.
Was this
answer
helpful?
Yes
No
Monday, June 5th, 2023 AT 5:57 PM
Tiny
BRIAN333
  • MEMBER
  • 99 POSTS
Hey man, I know I’m a pain in the rear and I don’t mind and completely understand if you’re over this because we are not on anything near the same level or any other reason man, no worries. If at all possible, what do my results from those reading tell you?
Was this
answer
helpful?
Yes
No
Thursday, June 8th, 2023 AT 12:13 AM

Please login or register to post a reply.