No starter operation - not cranking over?

Tiny
JENNSAM00
  • MEMBER
  • 3 POSTS
The battery is good, and I have someone otw with a voltage meter to test the other stuff in my charging system. Do you know what my alternator, starter and solenoid should read in the meter?
Was this
answer
helpful?
Yes
No
Thursday, December 31st, 2020 AT 8:34 AM (Merged)
Tiny
JACOBANDNICKOLAS
  • MECHANIC
  • 110,194 POSTS
Hi and thanks for using 2CarPros.com.

We need to start at the beginning. Often times, the battery terminals are corroded or loose enough to provide power to lights, gauges, but when you put the load of the starter on it, the connection is lost. Go through this link first. Since things do not change when trying to jump start, this is my first suspect.

https://www.2carpros.com/articles/everything-goes-dead-when-engine-is-cranked

If that is checks good, then we need to determine if there is power to the smaller wire on the starter solenoid when you turn the key to the start position. Follow this link.

https://www.2carpros.com/articles/starter-not-working-repair

You mentioned that the battery is good, so I will not suggest a load test.

If you find there is power to the starter (solenoid) as mentioned in the aforementioned link, then the starter is bad. If there is no power, check fuses (under hood/ignition fuses and starter fuse. Also switch the starter relay with a different one from the box that has the same part number (to see if it makes a difference).

You mentioned concerns related to the alternator. Here is a link that shows how to check one. It is very easy to do, but the engine has to run. Please keep in mind, a bad alternator will not stop the engine from starting. (Your battery is good and you tried a jump) Also, you mentioned that it says check charging system. That is normal if the engine is not running because the alternator cannot charge without the engine turning it.

https://www.2carpros.com/articles/how-to-check-a-car-alternator

Let me know if any of this helps or if you have other questions.

Take care,
Joe
Was this
answer
helpful?
Yes
No
Thursday, December 31st, 2020 AT 8:34 AM (Merged)
Tiny
JENNSAM00
  • MEMBER
  • 3 POSTS
I ended up getting it to start. The problem was the solenoid was loose! My husband saw a spark come out from under the truck when I started it and he thought maybe a bare wire was touching metal, so he got under there and checked all the wires out and discovered it was not getting a good connection because it was loose. Have not had any problems with it since. Except the idle seems to be off. It kind of chokes (loses power then gets it back) when I take off sometimes. Do you think it could be the fuel filter? If so, how do I change it?
Was this
answer
helpful?
Yes
No
Thursday, December 31st, 2020 AT 8:34 AM (Merged)
Tiny
JACOBANDNICKOLAS
  • MECHANIC
  • 110,194 POSTS
Hi and welcome back.

Ia m glad you got the starting issue repaired. As far as the fuel filter, here are the directions.

Exploded View

Removal and Installation

WARNING:
- Do not smoke or carry lighted tobacco or open flame of any type when working on or near any fuel-related component. Highly flammable mixtures are always present and may be ignited. Failure to follow these instructions may result in personal injury.
- Fuel in the fuel system remains under high pressure even when the engine is not running. Before servicing or disconnecting any of the fuel lines or fuel system components, the fuel system pressure must be relieved to prevent accidental spraying of fuel which can cause a fire hazard. Failure to follow these instructions may result in personal injury.

CAUTION:
- Fuel injection equipment is manufactured to very precise tolerances and fine clearances. It is therefore essential that absolute cleanliness is observed when working with these components. Always install blanking plugs to any open orifices or tubes.
- When reusing liquid or vapor tube connectors, make sure to use compressed air to remove any foreign material from the connector retaining clip area before separating from the tube.

NOTE: During the repair or replacement of fuel-related components, all liquid and vapor fuel openings shall be capped, taped or otherwise appropriately protected to prevent the ingress of dirt or other contamination. All caps, tape and other protective materials shall be removed prior to installation.

1. With the vehicle in NEUTRAL, position it on a hoist.
2. Release the fuel system pressure.
3. Disconnect the battery ground cable.

4. Remove the bolts and the fuel filter heat shield.
- To install, tighten to 20 Nm (15 lb-ft).

5. Remove the nuts and the fuel filter shield.
- To install, tighten to 6 Nm (53 lb-in).

6. Disconnect the fuel supply tubes quick connect couplings.
7. Remove the fuel filter.
8. To install, reverse the removal procedure.

Let me know if this helps or if you have other questions.

Take care,
Joe
Was this
answer
helpful?
Yes
No
Thursday, December 31st, 2020 AT 8:34 AM (Merged)
Tiny
JIM FOSTER2
  • MEMBER
  • 2 POSTS
  • 2006 FORD EXPLORER
  • V6
  • 4WD
  • AUTOMATIC
  • 156,000 MILES
Runs great. Has been hesitating at first crank but would start easily. Today stopped cranking. It had been started and used about 6 times during the day. After 4 the stop the starter would not crank. All accessories still operate. Besides starter is there a possible issue related to security system?
Was this
answer
helpful?
Yes
No
Thursday, December 31st, 2020 AT 8:34 AM (Merged)
Tiny
DANNY L
  • MECHANIC
  • 5,648 POSTS
Hello, I'm Danny.

Is the security light on or flashing on the dashboard? Here is a tutorial showing how to reset the anti-theft system:

https://www.2carpros.com/articles/how-to-reset-a-security-system

After reading tutorial scroll the page at the bottom to find Ford.Before I suggest having the starter tested is the battery fully charged? Let me know and we'll go from there.Hope this all helps and thanks for using 2CarPros.
Was this
answer
helpful?
Yes
No
Thursday, December 31st, 2020 AT 8:34 AM (Merged)
Tiny
STEVE W.
  • MECHANIC
  • 15,694 POSTS
When you say it doesn't crank is it doing nothing? Not even a click? You say it hesitated at first start before, that makes me think of either a bad connection or failing starter as the vibration and heat would tend to scrub the connection some and maybe make it connect better. If you turn the lights on and try to start it do the lights dim at all?

If the security light is on try Danny's suggestion first.
Was this
answer
helpful?
Yes
No
+1
Thursday, December 31st, 2020 AT 8:34 AM (Merged)
Tiny
JIM FOSTER2
  • MEMBER
  • 2 POSTS
There is not a click. Almost the same as if the battery was not connected. Most times when I turn the key the first starter effort sounds like a hard effort followed by a quick starter cranking and the engine starts. I will need to check the light dimming and security light question. Thanks
Was this
answer
helpful?
Yes
No
Thursday, December 31st, 2020 AT 8:34 AM (Merged)
Tiny
STEVE W.
  • MECHANIC
  • 15,694 POSTS
Okay, that description sounds like a bad connection, Take a close look at the battery connections to the starter and the grounds to the body and block. If you have a multi-meter you can do a voltage drop test at those connections without removing them and see if they are the issue. Start by putting the meter on the battery positive post itself, then measure for voltage to the cable connector, then to the connector on the starter and the post on the starter to that connection. If there is a bad connection or a bad cable you will find a voltage higher than about .25 volts when probing the connections. Do the same on the negative cable. That way you don't need to remove parts that are Okay.

Video examples of the process.
https://www.youtube.com/watch?v=3xjLtg3FLoA&disable_polymer=1
https://www.youtube.com/watch?v=APLic9F7ZsA&disable_polymer=1

In the diagram I drew the points to test with the meter. 1-1 2-2 and so on.
Was this
answer
helpful?
Yes
No
Thursday, December 31st, 2020 AT 8:34 AM (Merged)
Tiny
DANNY L
  • MECHANIC
  • 5,648 POSTS
Hello again.

It sounds like you might also be having an issue with the starter motor solenoid.It might be defective and not allowing your truck to start properly.Here are a few few tutorials to view about the operation of the starter,the starter motor solenoid, and removal:

https://www.2carpros.com/articles/how-a-starter-and-solenoid-works

https://www.2carpros.com/articles/starter-not-working-repair

https://www.2carpros.com/articles/how-to-replace-a-starter-motor

Between the last post by Steve and my post here she should have enough to test to figure this issue out.Keep us updated and let us know what you find out.We're here to help and let us also know if you have any further questions about this issue.Thanks again for using 2CarPros.

Danny-
Was this
answer
helpful?
Yes
No
Thursday, December 31st, 2020 AT 8:34 AM (Merged)
Tiny
KARENLOWERY
  • MEMBER
  • 4 POSTS
  • 2005 FORD EXPLORER
  • 6 CYL
  • 4WD
  • AUTOMATIC
  • 200,000 MILES
About a month ago got water in my gas but put some gas treatment in and it was fine. Well now I'm going down the road and it just started stalling out and now wont crank. Not battery or fuel pump. What could it be
Was this
answer
helpful?
Yes
No
Thursday, December 31st, 2020 AT 8:34 AM (Merged)
Tiny
CARADIODOC
  • MECHANIC
  • 34,489 POSTS
You're describing two different problems, and you didn't say how the battery was tested and proven to be okay. What does "started stalling out" mean? If the starter doesn't engage, what sounds are you hearing? What happens to the brightness of the head lights or interior lights when you try to crank the engine? Measure the battery voltage and holler back with that number. If it's good and fully-charged, it will be 12.6 volts.
Was this
answer
helpful?
Yes
No
Thursday, December 31st, 2020 AT 8:34 AM (Merged)
Tiny
KARENLOWERY
  • MEMBER
  • 4 POSTS
The starter is engaging. The fuel pump is turning on cause I can hear it do so. The battery is ok cause it says so on the voltage gauge. Stalling out means it acts like its not getting gas
Was this
answer
helpful?
Yes
No
Thursday, December 31st, 2020 AT 8:34 AM (Merged)
Tiny
CARADIODOC
  • MECHANIC
  • 34,489 POSTS
Dandy. First of all, forget the battery gauge on the dash. That is nowhere accurate enough for doing any type of diagnostics. They are notoriously inaccurate and their only real value is to the person who regularly drives the vehicle and will recognize when it indicates something different than what it normally does. That's also why they don't have numbers on the entire scale. The difference between a good, fully-charged battery and one that's good but totally discharged is only 0.4 volts. You'll never see that minute change in the gauge reading. To get the accurate "state-of-charge" reading, you need an inexpensive digital voltmeter, and the reading has to be taken right at the posts on the battery. If you don't have a voltmeter, you can find them at Walmart, Sears, Radio Shack, and any hardware or auto parts store. Harbor Freight Tools has a perfectly fine one that is usually on sale for less than eight bucks.

Second, since the starter is cranking the engine, the battery state-of-charge is not an issue. The confusion here is you originally said it "won't crank". A lot of people confuse that terminology to mean the engine fails to start and run. "Cranking" and "turning over" mean the starter is spinning the engine. Whether it starts and runs is a separate issue. "Cranking" is a leftover term from the days of hand cranks to start engines.

The water in the tank is almost certainly not related to this sad story. It has been run through the engine by now, and any problem it was going to cause would have occurred long before now.

The first thing you have to do is determine if you have spark. Next is to determine if the fuel pump is running during engine cranking but this is more involved. The one or two-second hum you hear when you turn the ignition switch on tells us the pump is operational, but it takes a different set of circumstances to turn it on again when the engine is being cranked. If you do not have spark, it is pretty likely the pump isn't running either at that time, but that is only an additional symptom or clue, not the circuit that needs to be diagnosed.

You listed two different symptoms for the running problem so please clear that up first before I wear my fingerprints off on this keyboard. "Stalling out" and "acts like its not getting gas" implies the engine is running but poorly. At first you said, "it just started stalling out and now wont crank" which I think you meant the engine won't start up or run at all.
Was this
answer
helpful?
Yes
No
Thursday, December 31st, 2020 AT 8:34 AM (Merged)
Tiny
KARENLOWERY
  • MEMBER
  • 4 POSTS
Yes sir, I'm sorry I am female and don't have a clue what I'm talking about. Staling out for me means it got kinda sluggish then died. I tried to start it back up and it it started for me for a split second as long as I pushed on the gas pedal but died quickly I'm sorry for confusions
Was this
answer
helpful?
Yes
No
Thursday, December 31st, 2020 AT 8:35 AM (Merged)
Tiny
CARADIODOC
  • MECHANIC
  • 34,489 POSTS
Your problem is not related to being female. It's that very few people, guys included, know much anymore about the machines we trust to get us back home. For the record, three of my top students over a nine-year period were girls. The guys had a lot of respect for them as do I.

I still am skeptical that water in the tank is related to the current problem, but now it does sound like you have a fuel supply issue. That doesn't necessarily mean a fuel pump problem. It sounds more like the Engine Computer is not commanding the correct amount of fuel for proper engine operation, and that is usually based on sensor readings. One thing you can check yourself is the fresh air tube between the mass air flow sensor and the throttle body. That tube is typically three or four inches in diameter, hard plastic usually with lots of ribs around it, and it may extend to an air filter box. Between the sensor and throttle body there can't be any leaks from cracks or loose hose clamps. If any air sneaks in there that doesn't go through the mass air flow sensor, it won't get measured and the computer won't know about it so it won't command the corresponding amount of fuel to go with it.

The next thing is to check for diagnostic fault codes. On a vehicle as new as yours, only Chrysler makes it possible to read them yourself. For all others you need a scanner or code reader. The people at most auto parts stores will read them for you for free but they usually can only read codes stored in the Engine Computer, not the dozens of other computers. It's very important to understand, (which many parts salesmen don't), that those fault codes never ever say to replace a part or that one is defective. They only indicate the circuit or system that needs further diagnosis or the unacceptable operating condition. There are well over 2,000 potential fault codes, and about half of them refer to something that could adversely affect emissions. Those are the ones that must turn on the Check Engine light. A lot of people, especially mechanics, think the Check Engine light has to be on for there to be fault codes to read, but that is not true.

If there are no fault codes to get you started in the diagnosis, then you need a full scanner to view live data. That usually means going to a mechanic. He can watch the readings the Engine Computer is seeing from its sensors and is responding to. Experienced engine performance specialists can usually see where to start looking based on those numbers.
Was this
answer
helpful?
Yes
No
Thursday, December 31st, 2020 AT 8:35 AM (Merged)
Tiny
KARENLOWERY
  • MEMBER
  • 4 POSTS
The fuel pump turns on but its not getting any gas at all at the fuel pump check valve could the fuel filter be clogged
Was this
answer
helpful?
Yes
No
Thursday, December 31st, 2020 AT 8:35 AM (Merged)
Tiny
CARADIODOC
  • MECHANIC
  • 34,489 POSTS
Don't know why this happened, but I'm sorry I missed your reply.

Don't suspect the fuel filter. They don't become totally blocked all of a sudden. The symptoms of a plugged filter are very different and can include engine stalling when coasting down from highway speed, among other things.

Where is this check valve you're referring to? Have you actually tested the fuel pressure with a gauge? That is the only accurate way to know what's going on. It will show how much pressure develops just from turning on the ignition switch, whether that pressure increases during engine cranking, and if it bleeds down right away or holds for at least a few hours.

Many auto parts stores rent or borrow tools now. They will have a fuel pressure gauge you can use.
Was this
answer
helpful?
Yes
No
Thursday, December 31st, 2020 AT 8:35 AM (Merged)
Tiny
ROGGLE
  • MEMBER
  • 1 POST
  • 2006 FORD EXPLORER
  • 80,000 MILES
2006 Ford Explorer. Ran errands, came home. Went to go back out again 30 min later, nothing. No dash lights. Tried to jump it, got dash lights and it seems electronics came on. Tried to turn over but just can't. Need to go to work tomorrow! Any advice?
Was this
answer
helpful?
Yes
No
Thursday, December 31st, 2020 AT 8:35 AM (Merged)
Tiny
HMAC300
  • MECHANIC
  • 48,601 POSTS
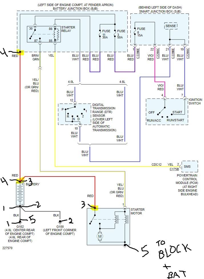
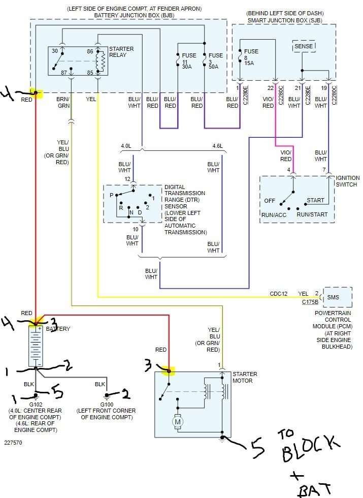
Check fuse 11 &3 undrhood by battery and fuse 8 under dash. Also check starter relay underhood by fuses. Anyo fhtose will rprevent truck from starting. Then check blue/white wire going to start relay and see if igniition switch is sending power to start. If not it's either ignition switch or nuetral switch. There are also two brown to red fusible links at battery junction box, check to make sure they are still good if they burn out power to certain areas of vehicle will be effected.
Was this
answer
helpful?
Yes
No
+2
Thursday, December 31st, 2020 AT 8:35 AM (Merged)

Please login or register to post a reply.