Thursday, April 2nd, 2020 AT 10:33 AM
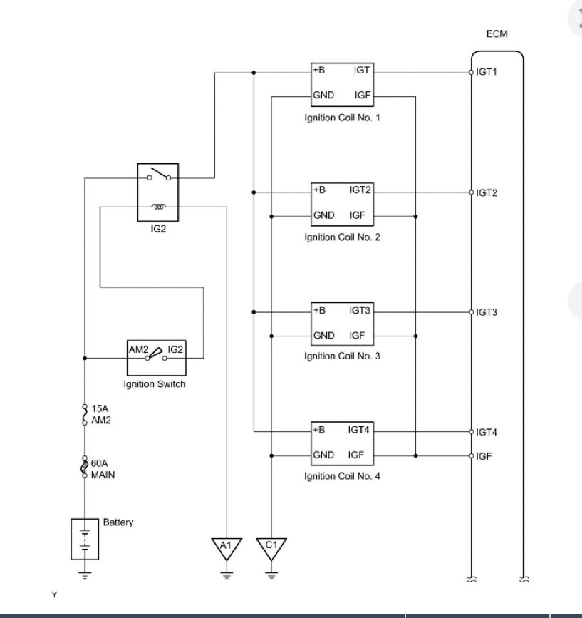
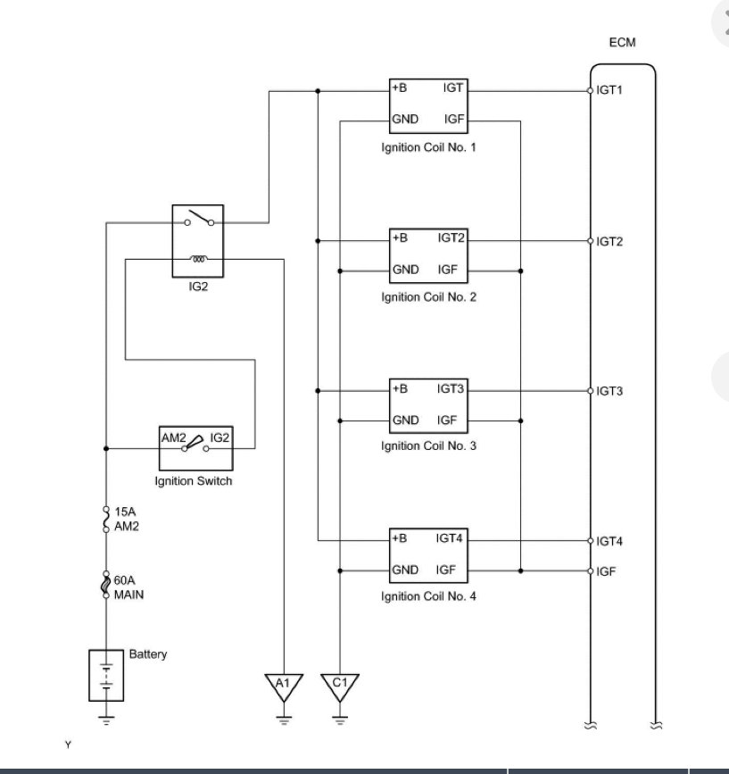
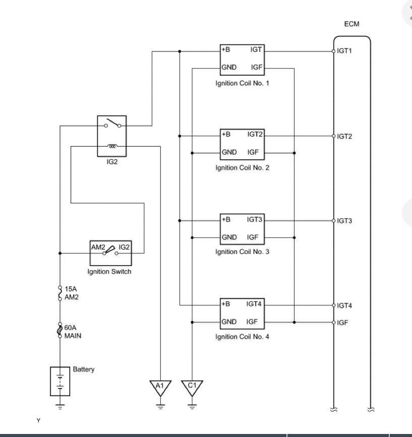
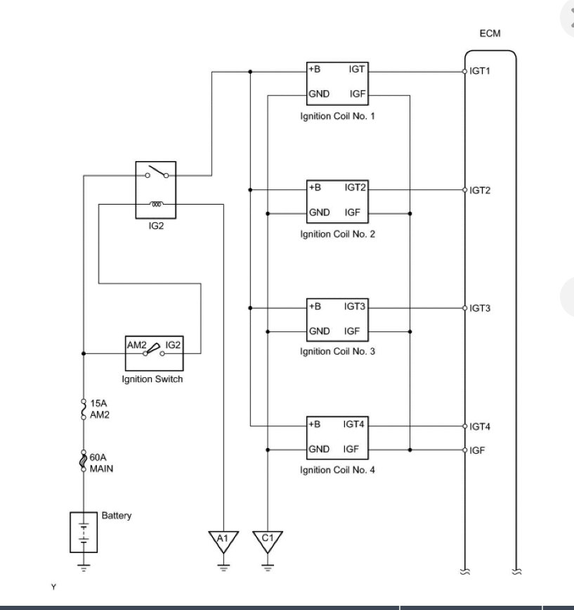
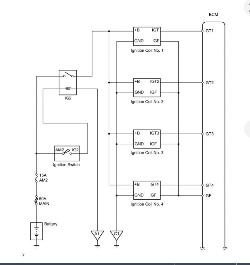
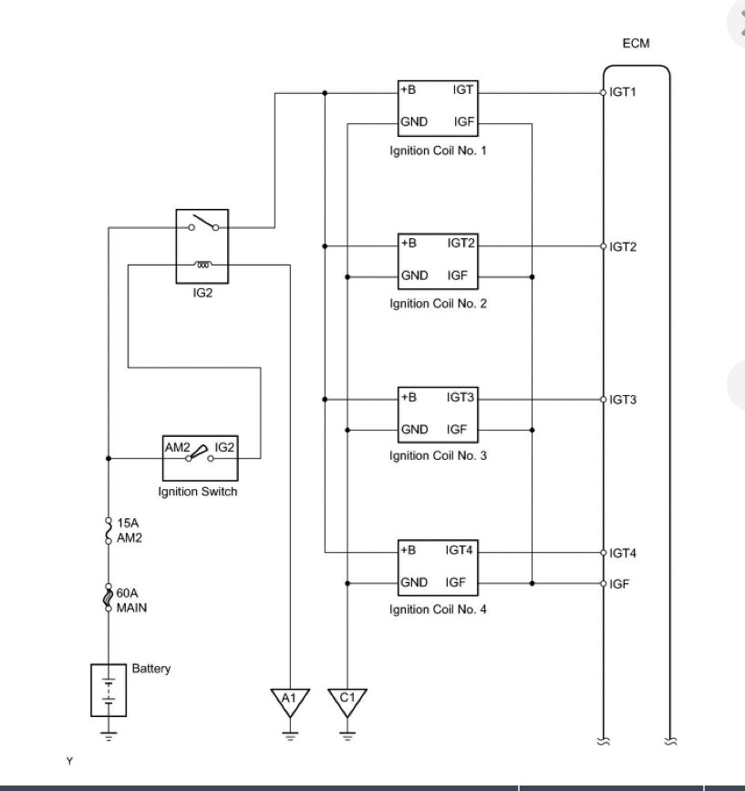
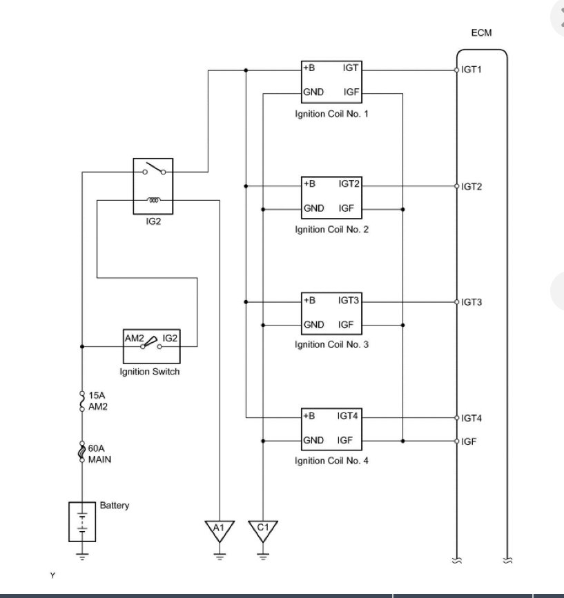
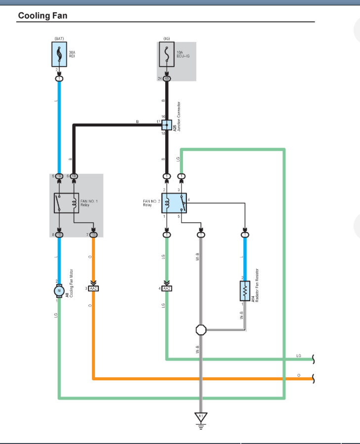
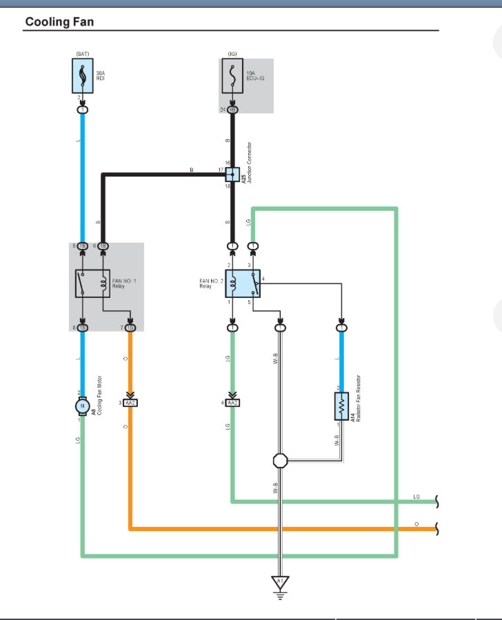
Car listed above has an 2nz engine wont start after radiator fan relay short circuit on alternator and ignition wires. The dashboard blacked out, after checking and cleaning the fuses the dash came to power.






