AC Not Blowing Cold Air

Tiny
2005NEON
  • MEMBER
  • 2005 DODGE NEON
  • 4 CYL
  • FWD
  • AUTOMATIC
  • 67,000 MILES
I am having a problem with the air conditioning, it is not blowing cold air. I am going to check the fuse for the A/C but I am unsure which fuse it is. The compressor isn't going on and it is not able to defog my front wind shield. Any input would be gladly appreciated. Thanks
Friday, April 18th, 2008 AT 7:19 PM

3 Replies

Tiny
BMRFIXIT
  • MECHANIC
  • 19,053 POSTS
It is fuse #22 the goes to the compressor relay. Here is a guide to help you check it and the location.

https://www.2carpros.com/articles/how-to-check-a-car-fuse

If the fuse is okay check the relay

https://www.2carpros.com/articles/how-to-check-an-electrical-relay-and-wiring-control-circuit

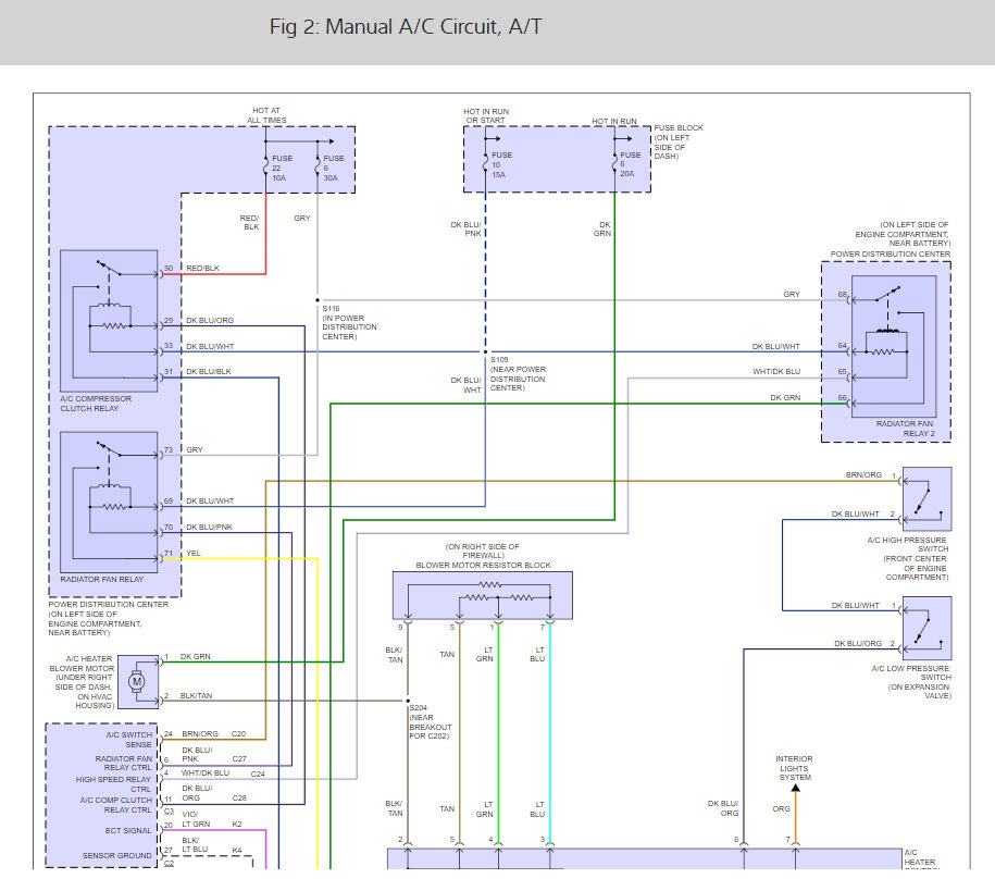
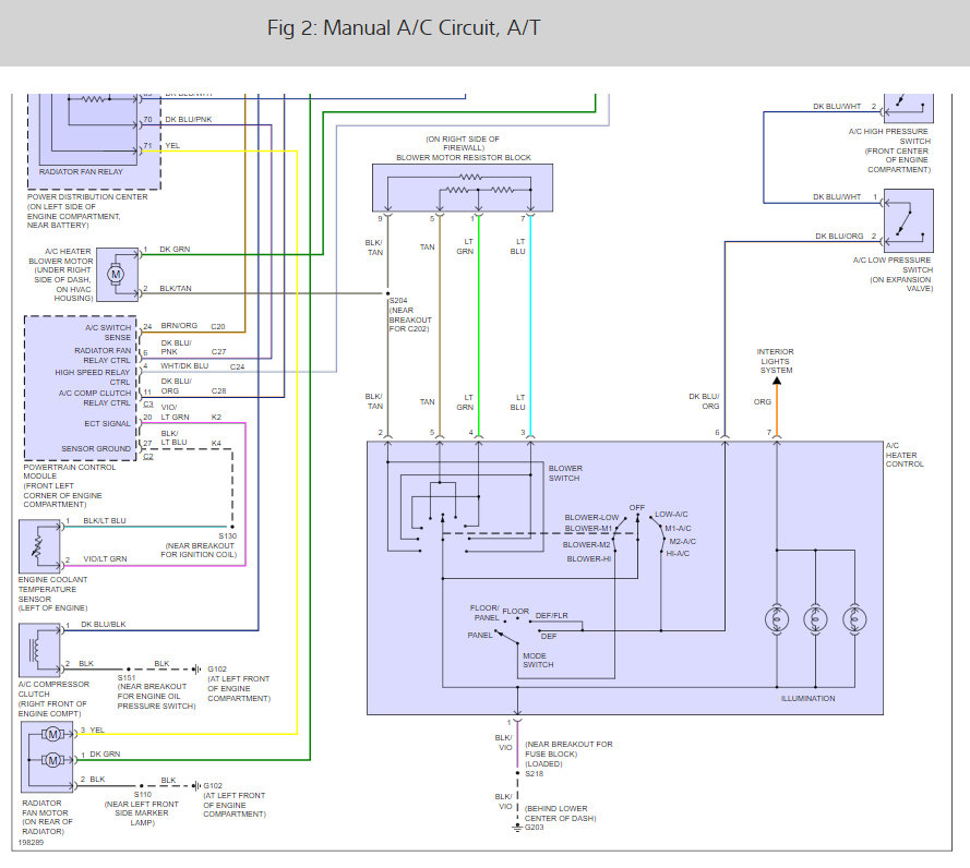
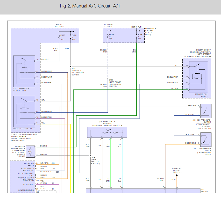
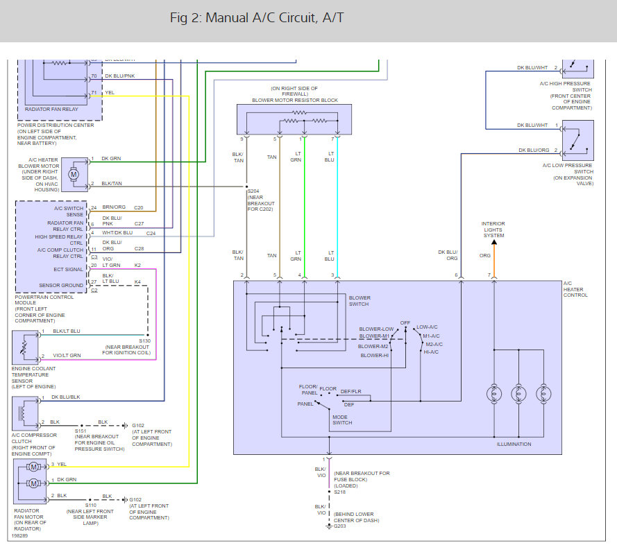
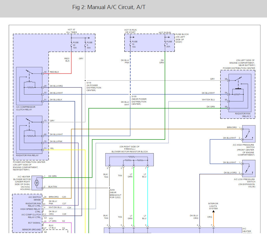
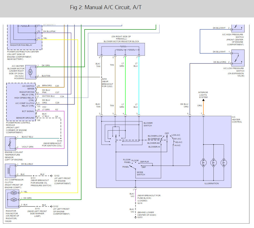
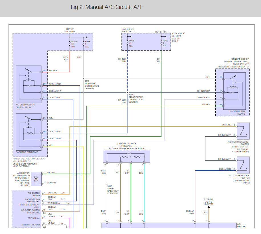
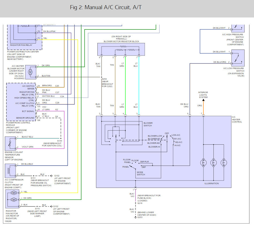
Here is the wiring diagrams so you can see how the system works. Check out the diagrams (Below). Please let us know what you find. We are interested to see what it is.

Cheers,
Was this
answer
helpful?
Yes
No
+1
Friday, April 18th, 2008 AT 9:44 PM
Tiny
CQA9
  • MEMBER
  • 3 POSTS
Theres a simple way to check your compressor.
The low pressure cut out. Look on your firewall, follow the smaller alluminum tube of your A/C to the fire wall, there will be a black conecter pluged into a aluminum box on the fire wall where that line attaches to it. Unplug the connector, and insert a jumper wire into the plug. Your compressor will cycle on. If not, dont panic, now loog at your compressor, theres another 2 prong plug(the smaller plug on top where lines are mounted)This is your high pressure cut off. Jumper this plug also. If compressor kicks on with high pressure jumpered, you ground wire going from high pressure cut of to fuse box is broken.
To fix this, splice a piec of wire in. If you look at the fuse box under hood, youll see a pice of flex loom going into it. Access the wires inside it. Will be the brown/orange wire. Connect a wire from there to the plug on high pressure switch to that same wire(you can cut wire 1" from plug and just splice onto it.
TAH DAH, you just fixed your bad wire. Now make sure you have a good charge(45psi for 134a). If that dosent work, let me no. We'll get you fixed up.

And from the sounds of things, I think your just low on freon. Freon in general never degrades or loses pressure over time, once it's in the system, it's there for life. However, Neons are an exception. For some unknown reason, over time neons lose a little charge. Im assuming there is a natural amount that leaks from fittings on compressor, just a poor design I suppose. Anyhow, you can buy freon at most stores with a hose/guage already attached. And since the High and Low side fittings are differnt sizes, it will only hook up one way, so you cant mess up.
Was this
answer
helpful?
Yes
No
+2
Sunday, June 22nd, 2008 AT 2:55 PM
Tiny
SMOSER
  • MEMBER
  • 1 POST
Hi I just tried charging the system and that did not help then I used the guide to check the relay and BAM found the problem. All set for $14.00 ya! I love this site.
Was this
answer
helpful?
Yes
No
+4
Wednesday, June 22nd, 2016 AT 9:31 AM

Please login or register to post a reply.