Engine cranks but does not start?

Tiny
SBRACKENS
  • MEMBER
  • 2011 FORD FOCUS
  • 6 CYL
  • AUTOMATIC
  • 200,000 MILES
Fuel pump went, got new.
Still no start, now starter sticking and will crank only, got three new relay fuses,
new ignition switch, still crank only,
Took relay fuses out used paper clip it started, put relays back in, crank only.
Friday, July 29th, 2022 AT 2:44 PM

30 Replies

Tiny
JACOBANDNICKOLAS
  • MECHANIC
  • 110,194 POSTS
Hi,

Did you use the paper clip to jump the relay and engage the starter?

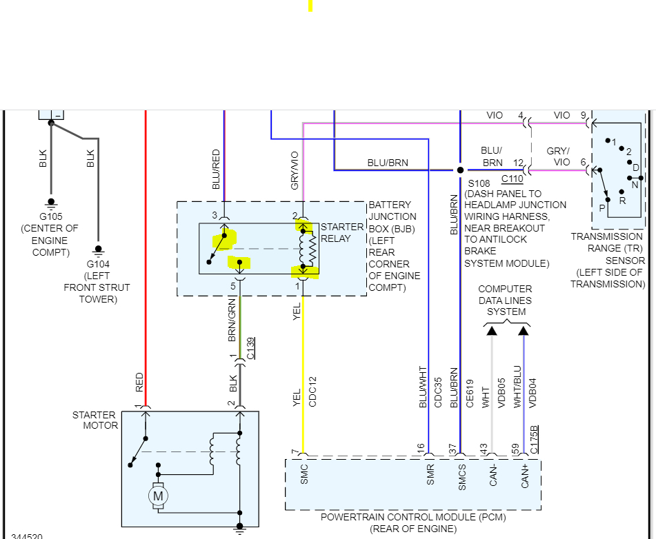
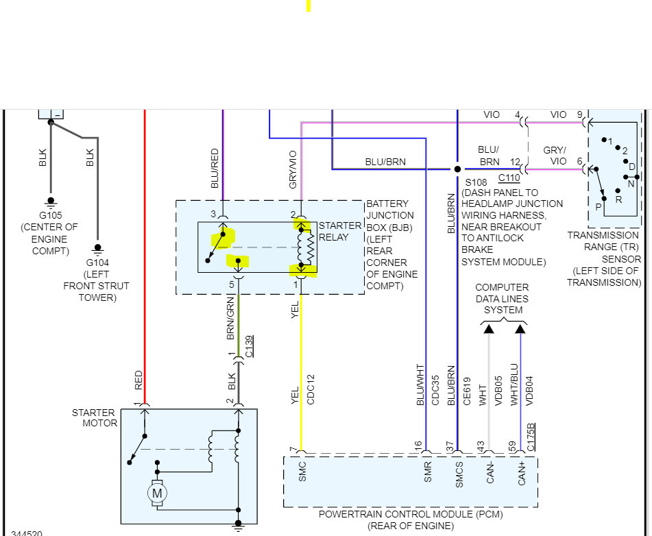
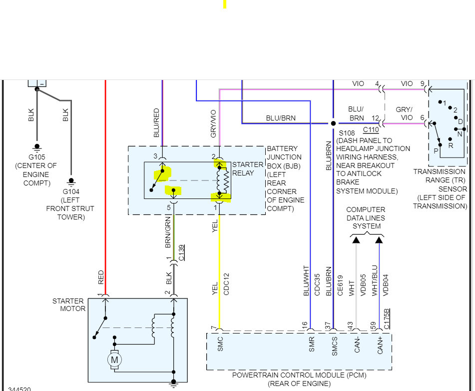
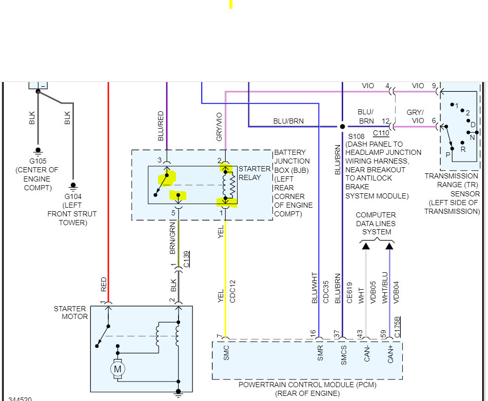
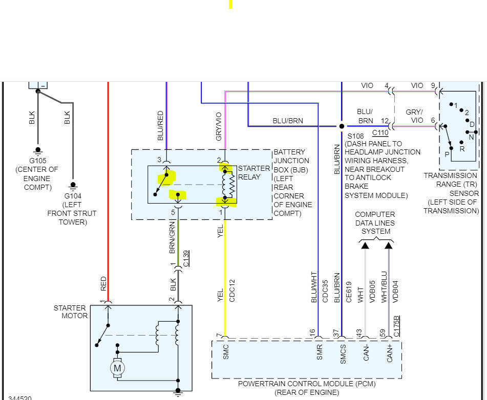
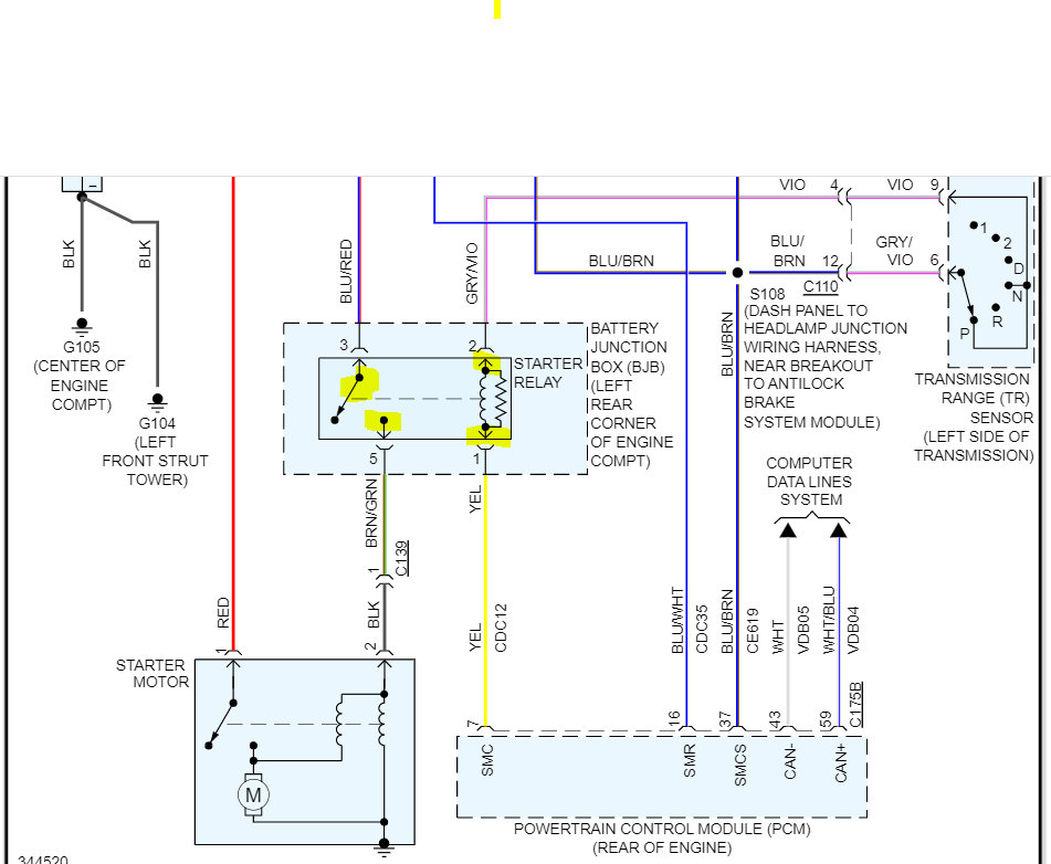
Do me a favor and take a look at the wiring schematic below. I need you to check the fuses I highlighted. In addition to checking the fuse, confirm there is power to and from them. Here is a link to help:

https://www.2carpros.com/articles/how-to-check-a-car-fuse

Also, you indicated you got three new relay fuses. Do you mean both the relay and fuses were replaced? If not, switch the relay with a different one having the same part number and see if that makes a difference. If there isn't one, here is a link that explains how to test a relay:
https://www.2carpros.com/articles/how-to-check-an-electrical-relay-and-wiring-control-circuit

One other thought. Try starting it in neutral to see if that makes a difference.

Let me know what you find. Also, when looking at the schematic, let me know which pins were jumped with the paper clip.

Take care,

Joe

See pics below. Note: I had to cut the schematic in half to make it readable. I did overlap the two so you can follow from one to the next.
Was this
answer
helpful?
Yes
No
+2
Friday, July 29th, 2022 AT 10:09 PM
Tiny
SBRACKENS
  • MEMBER
  • 26 POSTS
Thank you so very much for your response, I'm going to show this to the ones working on my car, I will be back in touch.
Thank you!
Was this
answer
helpful?
Yes
No
Monday, August 8th, 2022 AT 10:13 PM
Tiny
JACOBANDNICKOLAS
  • MECHANIC
  • 110,194 POSTS
Hi,

No problem whatsoever. I hope it helps. I will watch for the results.

Take care,

Joe
Was this
answer
helpful?
Yes
No
+2
Tuesday, August 9th, 2022 AT 12:20 AM
Tiny
SBRACKENS
  • MEMBER
  • 26 POSTS
Hi Joe,

Thanks so much again. Finally, all this has been done, not sure yet, but still doing same, was told computer is bad, I should be able to get before Monday or on Monday, I will keep you posted. Your info helped a lot as well!

Thanks Joe!
Was this
answer
helpful?
Yes
No
Friday, August 12th, 2022 AT 4:56 PM
Tiny
SBRACKENS
  • MEMBER
  • 26 POSTS
Hey Joe,

I got computer, now theft light is on and won't even crank.
I got a new ignition switch also?
Was this
answer
helpful?
Yes
No
Sunday, August 14th, 2022 AT 8:29 AM
Tiny
JACOBANDNICKOLAS
  • MECHANIC
  • 110,194 POSTS
Hi,

It sounds like we need to program things. Which computer did they replace? Also, confirm if this is a 3.0L or the 3.5L V6.

Take care,

Joe
Was this
answer
helpful?
Yes
No
+1
Sunday, August 14th, 2022 AT 7:30 PM
Tiny
SBRACKENS
  • MEMBER
  • 26 POSTS
Hi Joe,
Thank you again!

I have 2.0L 4 cylinder.

I got a used ECU.
And the one they sent has hc after number on top line
Mine is ARB after numbers,
Now not even crank
And theft light on (it stays on, don't blink)
If I buy a new one, will it already be programmed, and will my car start?
If I have nothing else wrong?
Thank you, Joe
I appreciate you!
Was this
answer
helpful?
Yes
No
Saturday, August 20th, 2022 AT 1:51 AM
Tiny
JACOBANDNICKOLAS
  • MECHANIC
  • 110,194 POSTS
Hi,

The idea that the part number is different is a concern, but I question if that is causing the no-start condition. The new ECU is programmed to recognize the key in the vehicle it came from.

What I would recommend is this. Check online for remanufactured ones that are "plug and play". Basically, they program it for your vehicle and then it just requires installation.

Let me know your thoughts.

Joe
Was this
answer
helpful?
Yes
No
+1
Saturday, August 20th, 2022 AT 8:50 PM
Tiny
SBRACKENS
  • MEMBER
  • 26 POSTS
Hi Joe,

Dang-it
My computer just arrived today, got from flagship, Programmed and updated, plug, play,
Nothing,
In theft mode they said?
Was this
answer
helpful?
Yes
No
Saturday, September 3rd, 2022 AT 2:30 PM
Tiny
SBRACKENS
  • MEMBER
  • 26 POSTS
My bad, it says mykey is active.
Was this
answer
helpful?
Yes
No
Saturday, September 3rd, 2022 AT 2:43 PM
Tiny
JACOBANDNICKOLAS
  • MECHANIC
  • 110,194 POSTS
Hi,

Is it working properly now? I'm not sure if you are still having key issues or not. If it says the key is active, it recognizes it.

Let me know.

Joe
Was this
answer
helpful?
Yes
No
Saturday, September 3rd, 2022 AT 10:45 PM
Tiny
SBRACKENS
  • MEMBER
  • 26 POSTS
Sorry, the locksmith had come, made keys.
Accepted now.
Still no start.
Also, he had the computer thing you hook up, he said it's a fuel problem.
So, that was the first thing I had done.
New fuel pump.
Was this
answer
helpful?
Yes
No
Tuesday, September 6th, 2022 AT 2:50 PM
Tiny
JACOBANDNICKOLAS
  • MECHANIC
  • 110,194 POSTS
Hi,

It sounds like he had a scan tool. By chance, did he tell you what codes he found?

Let's try something. Using starting fluid, see if it starts for a couple of seconds and then stalls. If it does, then we know it's a fuel-related issue. If there is no change, it would likely be ignition related. If that is the case, we need to check for ignition spark at the plugs.

Here is a link that explains how that is done:

https://www.2carpros.com/articles/how-to-check-for-ignition-spark

Try this and let me know what happens. Also, let me know if you hear the fuel pump turn on briefly when the key is first turned on.

Take care,

Joe

Was this
answer
helpful?
Yes
No
+1
Tuesday, September 6th, 2022 AT 6:30 PM
Tiny
SBRACKENS
  • MEMBER
  • 26 POSTS
Thank you so very much!
I shall return! Thank you!
Was this
answer
helpful?
Yes
No
Tuesday, September 6th, 2022 AT 7:51 PM
Tiny
SBRACKENS
  • MEMBER
  • 26 POSTS
Oh, no didn't give codes, yes, the fuel pump kicks on.
Thank you
Was this
answer
helpful?
Yes
No
Tuesday, September 6th, 2022 AT 7:52 PM
Tiny
JACOBANDNICKOLAS
  • MECHANIC
  • 110,194 POSTS
Hi,

Check for ignition spark. A faulty crankshaft position will prevent spark and in some cases, not set a code. Take a look through this link for a more detailed description of the symptoms that can result from a faulty sensor.

https://www.2carpros.com/articles/symptoms-of-a-bad-crankshaft-sensor

Let me know what you find.

Take care,

Joe
Was this
answer
helpful?
Yes
No
Tuesday, September 6th, 2022 AT 9:23 PM
Tiny
SBRACKENS
  • MEMBER
  • 26 POSTS
Hi Joe.
Was this
answer
helpful?
Yes
No
Friday, September 9th, 2022 AT 8:38 PM
Tiny
JACOBANDNICKOLAS
  • MECHANIC
  • 110,194 POSTS
Hi,

I was unable to read the first code. The next two can be caused by a few things. Are you certain the relay is good and has power to and from it?

Take a look at the two pics below. They are the definitions of the codes. Based on what I see, we are not getting power via the relay.

Let me know your thoughts.

Joe

See pics below.
Was this
answer
helpful?
Yes
No
+1
Saturday, September 10th, 2022 AT 7:18 PM
Tiny
SBRACKENS
  • MEMBER
  • 26 POSTS
Thank you, will show the guys when they can get back to me.
We all appreciate you greatly.
Was this
answer
helpful?
Yes
No
Sunday, September 11th, 2022 AT 3:58 AM
Tiny
JACOBANDNICKOLAS
  • MECHANIC
  • 110,194 POSTS
Hi,

You are very welcome. Let me know what is found or if I can help in any way.

Take care,

Joe
Was this
answer
helpful?
Yes
No
+2
Sunday, September 11th, 2022 AT 5:27 PM

Please login or register to post a reply.