Engine cranks but does not start, codes P0170 and P0172

Tiny
AMBI.SKYE
  • MEMBER
  • 1999 HONDA ACCORD
  • 1.4L
  • 4 CYL
  • 2WD
  • AUTOMATIC
  • 300,000 MILES
Contradictory codes are coming up for P0170 and P0172.
The air intake manifold hose needs to be replaced as I found a crack in it. There is no fuel in the line, but the fuel pimp does come on when the key is turned. The car turns over with no problems but will not start.
Monday, May 9th, 2022 AT 6:08 AM

22 Replies

Tiny
JACOBANDNICKOLAS
  • MECHANIC
  • 110,194 POSTS
Hi,

I looked at the code definitions. The P0172 indicates a lean mixture and the P0170 indicates the fuel trims are outside the range of specification set by the manufacturer.

If you hear the pump, it doesn't mean it's good. Also, it's possible that the fuel filter is clogged.

I need you to try something. See if the engine starts for a couple of seconds using starting fluid. If it does, then we know it is a fuel-related issue. At that point, I need you to check the fuel pressure.

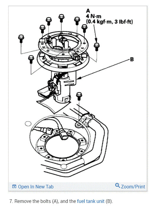
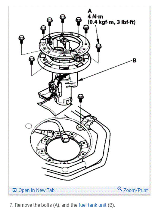
The fuel filter, which could be clogged, is an integral component of the fuel pump assembly. So, if pressure is low, we will need to remove the pump. See pic below

Let me know if it starts with starting fluid.

Take care,

Joe

See pic below.
Was this
answer
helpful?
Yes
No
Monday, May 9th, 2022 AT 7:31 PM
Tiny
AMBI.SKYE
  • MEMBER
  • 21 POSTS
Hey Joe F!

Thank you for your reply!
Since I posted the question, I have replaced the air intake hose. I tried initially a couple weeks ago to start with starting fluid, and it wouldn't start. I tried it again two days ago when I replaced the hose and unfortunately, it still wouldn't start even using starter fluid. I have a scanner and I'll probably go check and see if any other codes pop up now. Not really sure where to go from here though.
Was this
answer
helpful?
Yes
No
Thursday, May 12th, 2022 AT 10:45 AM
Tiny
JACOBANDNICKOLAS
  • MECHANIC
  • 110,194 POSTS
Hi,

Make sure you check for spark at the spark plugs. Using starting fluid should have made a difference if it was fuel related. However, the idea that you have lean fuel mixtures and no fuel in the line tells me either the pump is bad, there is a restriction, or a filter is clogged.

Here is a link that explains how to check for an ignition spark:

https://www.2carpros.com/articles/how-to-check-for-ignition-spark

Let me know.

Take care,

Joe
Was this
answer
helpful?
Yes
No
Thursday, May 12th, 2022 AT 7:51 PM
Tiny
AMBI.SKYE
  • MEMBER
  • 21 POSTS
Hey Joe,

Checked, definitely has healthy spark.
I also checked the release valve (I'm not sure of the technical proper name for it) on the fuel line again, there's nothing in there. There is over half a tank of gas.
Was this
answer
helpful?
Yes
No
Saturday, May 14th, 2022 AT 3:00 PM
Tiny
JACOBANDNICKOLAS
  • MECHANIC
  • 110,194 POSTS
Hi,

Although you hear the fuel pump turn on, it likely has failed. Even if you had a partially plugged fuel filter, you would see some fuel.

At this point, I would suggest replacing the pump. Please note that I am suggesting this based on the idea you hear it turn on. If it didn't, it could be a fuse, a relay, or a wiring issue. Also, since you had a lean fuel mixture code, the pump was likely going bad for some time.

If you look below, I attached the directions for replacing the pump. The fuel tank does not need to be removed. Open the trunk and remove the floor (removable). Once that is out, you will see an access port for the fuel pump that can be removed to replace it.

Additionally, here is a link you may find helpful. It explains in general how one is replaced.

https://www.2carpros.com/articles/how-to-replace-an-electric-fuel-pump

I think this is the issue. Let me know if I can help in any way. Also, let me know if this takes care of the issue.

Take care,

Joe

See pics below.

Was this
answer
helpful?
Yes
No
Saturday, May 14th, 2022 AT 8:22 PM
Tiny
AMBI.SKYE
  • MEMBER
  • 21 POSTS
Hey Joe,

I replaced the fuel pump today. Thank you for the information and the diagrams.
Unfortunately the car still won't start.
One of the fuel lines seemed completely dry, the other had fuel in it.
I'll attach a photo to show which was which, incase that means anything.

After replacing and priming the pump I wouldn't start. I checked for leaks, thankfully there were none as best I can tell. I checked both lines again before closing the access port, now both have fuel in them.

I checked the release valve on the fuel line by the motor for fuel, still nothing there.
Was this
answer
helpful?
Yes
No
Monday, May 16th, 2022 AT 6:33 PM
Tiny
JACOBANDNICKOLAS
  • MECHANIC
  • 110,194 POSTS
Hi,

Do you have fuel in both the supply and return? If that is the case, there must be fuel at the fuel rail (Schrader valve) you check. If there isn't pressure and the lines have fuel, it makes no sense.

Is it possible for you to take a pic of where you are checking for fuel and upload it for me to see?

Thanks,

Joe
Was this
answer
helpful?
Yes
No
Monday, May 16th, 2022 AT 7:43 PM
Tiny
AMBI.SKYE
  • MEMBER
  • 21 POSTS
Yes, I think it is called the fuel pulsation damper. I'll attach a photo below.
Was this
answer
helpful?
Yes
No
Tuesday, May 17th, 2022 AT 4:02 PM
Tiny
JACOBANDNICKOLAS
  • MECHANIC
  • 110,194 POSTS
Hi,

You're correct. That is the damper. This isn't making sense. How could the fuel travel through the supply line and then through the return at the pump and not go through the damper?

I'm a bit perplexed. I would like to try something, but it requires you to be very careful. If you loosen the damper to release pressure and cover it with a dry rag, cycle the key on and then off quickly to see if the rag gets wet with fuel. Also, disconnect the regulator when you do this.

Note that fuel should shoot from the component, so make sure it is securely covered with a rag and only cycle the key very quickly.

Let me know if you get fuel.

Joe
Was this
answer
helpful?
Yes
No
Wednesday, May 18th, 2022 AT 6:16 PM
Tiny
AMBI.SKYE
  • MEMBER
  • 21 POSTS
I'm assuming you mean the fuel pressure regulator.

Unfortunately, the car is not parked at my house. I'm going to head down there and a few minutes to try this out and I'll let you know the results.

Is it possible that there is a clog somewhere or that it's the fuel pressure regulator itself possibly?
Was this
answer
helpful?
Yes
No
Wednesday, May 18th, 2022 AT 6:37 PM
Tiny
JACOBANDNICKOLAS
  • MECHANIC
  • 110,194 POSTS
The regulator wouldn't stop the fuel, so that's why I'm confused. It can certainly cause other issues. I actually suggested removing the vacuum hose to the regulator because I was wondering if there was fuel in it. That would indicate a faulty diaphragm and it could pump fuel through the vacuum hose into the intake.

Let me know. If there is no fuel at the damper, I am going to see if one of the other techs has any ideas.

Take care,

Joe
Was this
answer
helpful?
Yes
No
Wednesday, May 18th, 2022 AT 8:21 PM
Tiny
AMBI.SKYE
  • MEMBER
  • 21 POSTS
I couldn't get the hose off unfortunately. I checked the O ring on the pressure regulator, it is fine and there is fuel there. There is definitely fuel in the damper also!

A mechanic person I know told me that you can push on the screw on the top of the dampner, and it will spray fuel if there is any in the line. I just checked while I had the damper off and that is NOT the case.
Was this
answer
helpful?
Yes
No
Wednesday, May 18th, 2022 AT 8:50 PM
Tiny
AMBI.SKYE
  • MEMBER
  • 21 POSTS
So, there is fuel in the system that's good to know. What else could be causing those codes? I'm going to get a code reader of my own so I can rescan the vehicle again.
Was this
answer
helpful?
Yes
No
Wednesday, May 18th, 2022 AT 8:53 PM
Tiny
JACOBANDNICKOLAS
  • MECHANIC
  • 110,194 POSTS
Hi,

It could be the regulator itself. It could be drawing fuel directly through the vacuum hose. Are you able to get a small pair of pliers in there to gently twist the vacuum hose so it breaks loose and can be removed?

Let me know.

Joe
Was this
answer
helpful?
Yes
No
Wednesday, May 18th, 2022 AT 9:48 PM
Tiny
AMBI.SKYE
  • MEMBER
  • 21 POSTS
Hose ripped while romoving it.
Was this
answer
helpful?
Yes
No
Sunday, May 22nd, 2022 AT 5:22 PM
Tiny
JACOBANDNICKOLAS
  • MECHANIC
  • 110,194 POSTS
Hi,

That will need to be replaced. When you did get it off, was there any evidence of fuel in the hose?

Let me know.

Joe
Was this
answer
helpful?
Yes
No
Sunday, May 22nd, 2022 AT 8:13 PM
Tiny
AMBI.SKYE
  • MEMBER
  • 21 POSTS
No, nothing came out of it at all when it was torn.
I cut the hose evenly and placed it back on after checking for cracks. I'm attaching a photo of the line I am talking about. Please let me know if this is the correct one!
Was this
answer
helpful?
Yes
No
Sunday, May 22nd, 2022 AT 9:43 PM
Tiny
JACOBANDNICKOLAS
  • MECHANIC
  • 110,194 POSTS
Hi,

Yes, that does appear correct. Do me a favor. Allow the engine to idle and remove that hose and confirm there is a vacuum present.

Let me know.

Joe
Was this
answer
helpful?
Yes
No
Monday, May 23rd, 2022 AT 7:11 PM
Tiny
AMBI.SKYE
  • MEMBER
  • 21 POSTS
The car isn't running. It hasn't been running this whole time. It turns over and tries really hard to start but doesn't quite make it.
Someone suggested checking for compression, so I've got a compression reader and another code scanner. Going back over today to try and test it for compression.
Was this
answer
helpful?
Yes
No
Tuesday, May 24th, 2022 AT 5:09 PM
Tiny
JACOBANDNICKOLAS
  • MECHANIC
  • 110,194 POSTS
Hi,

With 300,000 on the engine, it could be compression. However, that usually starts slowly and not all at once.

Regardless, it doesn't hurt to test. Here is a link you may find helpful:

https://www.2carpros.com/articles/how-to-test-engine-compression

Let me know what you find. I'm interested in knowing.

Joe
Was this
answer
helpful?
Yes
No
Tuesday, May 24th, 2022 AT 7:52 PM

Please login or register to post a reply.