Thursday, December 17th, 2009 AT 9:52 PM
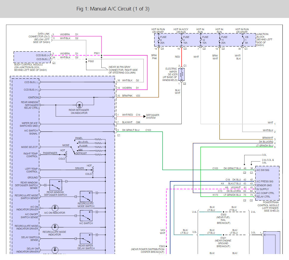
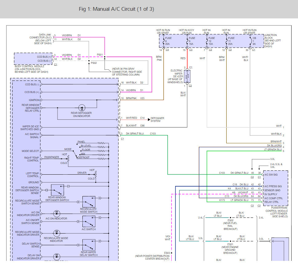
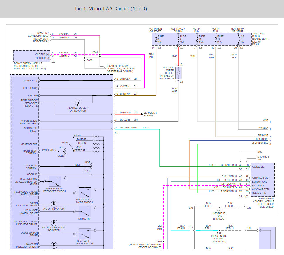
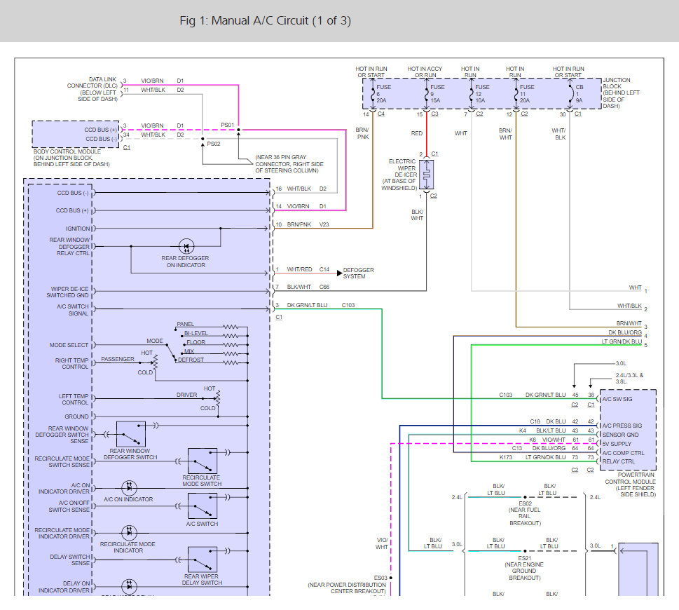
2002 Chrysler Voyager - heat works while driving and blows hot but when sitting idle at a light, the heat starts to blow cool. Once I start up again or put car in neutral and give it a little gas, heat starts coming back. Any ideas? It has nothing to do with if I have the outside air vent open or closed - same results. Same thing is happening with my 2000 Sebring. Both vehicles have over 100,000 miles on them. Thanks












