Air conditioner not working?

Tiny
LOGHOG74
  • MEMBER
  • 2 POSTS
Our 98 T & C had the same problem. While we had it at our local mechanic for a seperate issue they fixed the blinking light problem as well. They said Chrysler told them what to do to stop the blinking lights. I am not sure what was done but I can try to find out for you. In the meantime check the TSB's (Technical Service Bulletins) or call Chrysler corporate customer service. I'm pretty sure it's a quick fix because they didn't even charge us to do it but you will probably need an OBD II scanner to fix it but again, not sure. Good Luck
Was this
answer
helpful?
Yes
No
-2
Friday, September 11th, 2020 AT 3:53 PM (Merged)
Tiny
CRACKERJACKS
  • MEMBER
  • 1 POST
  • 1996 CHRYSLER TOWN AND COUNTRY
A/C not blowing cool air, somewhat warm but not hot. Mechanic topped off freon and still same. A/C will not turn on immediately upon starting either. Two lights are flashing relating to the wipers, there are 3 lined up vertically and the top two are the ones flashing approximately 5 minutes after starting before they stop. Not sure if this is related. Possible relay problem?

Also, read on another post with similar problem on a clunk sound when driving slow over a bump, 5-15mph, on the front end. Any solution to this assuming its a common problem with this vehicle. Submitter had mentioned something about a possible control arm bushing.
Was this
answer
helpful?
Yes
No
Friday, September 11th, 2020 AT 3:53 PM (Merged)
Tiny
TOPHER441970
  • MEMBER
  • 8 POSTS
Pressure switch could be bad for the AC, I have seen this before. EASY to replace.

I'm willing to bet it is your sway bar bushings where they are bolted to the crossmember, these are always the culprit in chrysler minivans.
Was this
answer
helpful?
Yes
No
Friday, September 11th, 2020 AT 3:53 PM (Merged)
Tiny
NOTSOQUIET
  • MEMBER
  • 1 POST
As far as the clunk goes, my 96 did the same thing and it was the sway arm bushings that I had to have replaced. Now no more clunk.
Was this
answer
helpful?
Yes
No
Friday, September 11th, 2020 AT 3:53 PM (Merged)
Tiny
ALEX T
  • MEMBER
  • 6 POSTS
  • 1996 CHRYSLER TOWN AND COUNTRY
  • 3.8L
  • 6 CYL
  • 2WD
  • AUTOMATIC
  • 136,000 MILES
The clutch is not engaging. Disconnected the clip which seems to go to the compressor and checked with volt meter and there is no voltage present. I measured the resistance of the coil and found a value, so I connected a cable with a fuse and fed 12 VDC and the clutch worked and I had cold air for a few minutes, until I observed that the fan was not working and I chose to disconnect the cable for fear that the pressure would increase. What could be happening? I checked the clutch fuse (15 Amp) and the clutch relay (with external 12 VDC) and they are okay. What condition is missing for the clutch to work, just by turning on the cold air button? Thank you
Was this
answer
helpful?
Yes
No
Friday, September 11th, 2020 AT 3:53 PM (Merged)
Tiny
ASEMASTER6371
  • MECHANIC
  • 52,796 POSTS
Good afternoon,

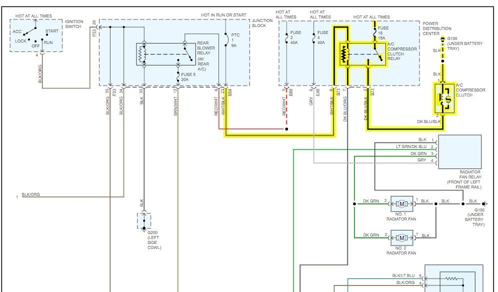
I attached a wiring diagram for you. We need to do some testing at the relay to see why it is not engaging.

https://www.2carpros.com/articles/car-air-conditioner-not-working-or-is-weak

https://www.2carpros.com/articles/how-to-check-an-electrical-relay-and-wiring-control-circuit

Roy
Was this
answer
helpful?
Yes
No
+1
Friday, September 11th, 2020 AT 3:53 PM (Merged)
Tiny
ALEX T
  • MEMBER
  • 6 POSTS
Thanks for your answer. I have 12VDC at the base of the relay, I checked between them and with respect to the negative of the battery. The weird thing is that when I connect the relay, I don't feel/hear the coil activate, like when I feel it when I testing it with an external 12VDC source (I also externally tested the state change from NO to NC). Is it possible to "lose" the voltage when connecting this 78 ohm resistor relay? Another question, shouldn't the fan work, as soon as I press down the cold air button? I replaced the relay with a new one and the same thing happens. The coil is not activated.
Thank you
Was this
answer
helpful?
Yes
No
Friday, September 11th, 2020 AT 3:53 PM (Merged)
Tiny
ASEMASTER6371
  • MECHANIC
  • 52,796 POSTS
Okay, with the key on, there should be 2 wires that have power. Check the terminals for this voltage. They both come from the fuse block as in the diagram I sent you.

Roy
Was this
answer
helpful?
Yes
No
+1
Friday, September 11th, 2020 AT 3:53 PM (Merged)
Tiny
ALEX T
  • MEMBER
  • 6 POSTS
In the photo that is blocked with my hand, I am measuring the upper terminal of the relay base. Thank you
Was this
answer
helpful?
Yes
No
Friday, September 11th, 2020 AT 3:53 PM (Merged)
Tiny
ASEMASTER6371
  • MECHANIC
  • 52,796 POSTS
No, black lead to good body ground. Then probe the terminals and make sure you have 2 terminals that have power.

Roy
Was this
answer
helpful?
Yes
No
+1
Friday, September 11th, 2020 AT 3:53 PM (Merged)
Tiny
ALEX T
  • MEMBER
  • 6 POSTS
I checked voltage with respect to two different body ground and the result is the same. I checked for resistance at a point that I believed there would be continuity. Thanks for the support.
Was this
answer
helpful?
Yes
No
Friday, September 11th, 2020 AT 3:53 PM (Merged)
Tiny
ASEMASTER6371
  • MECHANIC
  • 52,796 POSTS
Do not worry about resistance.

Okay, can you see the color of the wires for the terminals? One of the wires with no power goes to the ECM for a ground and the other goes to the A/C clutch.

Use you ohm meter and test the wire from the compressor to the terminals in the relay. When you find that wire, jump the wire from one of the powers to that wire. The compressor should come on.

Roy
Was this
answer
helpful?
Yes
No
+1
Friday, September 11th, 2020 AT 3:53 PM (Merged)
Tiny
KOBY
  • MEMBER
  • 28 POSTS
  • 1996 CHRYSLER TOWN AND COUNTRY
  • 6 CYL
  • 2WD
  • AUTOMATIC
  • 138,000 MILES
I have a 1996 Chrysler Town & Country 3.8 LXI with 138,000 mile. The AC blows warm to hot air all the time. Do I need to recharge it or is it another problem. My belt runs fine and doesn't wear abnormally so I don't think it is the AC pump. If it does need a recharge which one do I need to get and how do I do it safely?
Was this
answer
helpful?
Yes
No
Friday, September 11th, 2020 AT 3:53 PM (Merged)
Tiny
MMPRINCE4000
  • MECHANIC
  • 8,548 POSTS
You will have to get the AC freon level checked.

If you are not familiar with AC systems, have it done at an AC shop. The compressor could be bad, the AC clutch is may not be working and you have a leak somewhere.

Freon is R134a, and while you may be able to recharge it yourself, the freon will soon leak out and you will be back to square one.
Was this
answer
helpful?
Yes
No
Friday, September 11th, 2020 AT 3:53 PM (Merged)
Tiny
ALEX T
  • MEMBER
  • 6 POSTS
Okay, I did that test yesterday, but I was not very specific when I explained it in my first story; the compressor works, but it exceeded the pressure (I think I add extra of gas in it) and a green liquid came out of the head (maybe the previous owner added it to detect leaks), that's why I stopped the compressor. Replace a couple of o'rings and I left it ready to be able to detect why it does not activate automatically. In the last voltage measurement I made, I felt that the relay coil was already activated. I insist should they turn on the fans when I turn on the cold air conditioning?

Thank you for all of your help.
Was this
answer
helpful?
Yes
No
Friday, September 11th, 2020 AT 3:53 PM (Merged)
Tiny
ASEMASTER6371
  • MECHANIC
  • 52,796 POSTS
The fans will come on when the high side gets to around 150-200 pounds.

The fact you overcharged it is no good.

You need to recover the freon and start from the beginning. Evacuate it for 45 minutes and charge it with exactly the amount needed.

https://www.2carpros.com/articles/re-charge-an-air-conditioner-system

Roy
Was this
answer
helpful?
Yes
No
+1
Friday, September 11th, 2020 AT 3:53 PM (Merged)
Tiny
ALEX T
  • MEMBER
  • 6 POSTS
Okay, just yesterday with the help of a friend who has the equipment, we evacuated and added enough again; When the over pressure happened, it was the only time I saw the fans turn on. My problem is that the cold air conditioning does work not automatically. In your skill what other factors could prevent this from being achieved? Why automatically the voltage does not come to energize the A/C clutch?

Thanks again
Was this
answer
helpful?
Yes
No
Friday, September 11th, 2020 AT 3:53 PM (Merged)
Tiny
ASEMASTER6371
  • MECHANIC
  • 52,796 POSTS
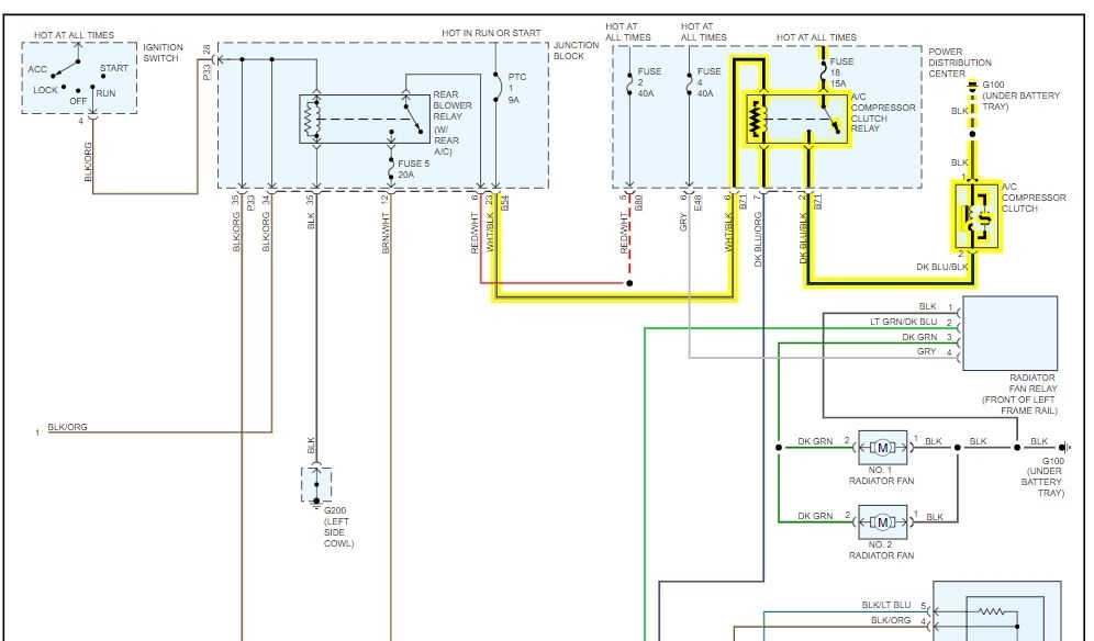
The pressure switch needs to be checked. Did you check the voltage to the switch?

I attached the diagram of the pressure switch. Check for the reference voltage to the switch.

Roy
Was this
answer
helpful?
Yes
No
Friday, September 11th, 2020 AT 3:53 PM (Merged)

Please login or register to post a reply.

Related Air Conditioner Not Working Content