None of the three bulbs of the third brake light are working (in reverse or when pressing brake pedal)?

Tiny
BARCELR
  • MEMBER
  • 2015 GMC SIERRA
  • 6.2L
  • V8
  • 4WD
  • AUTOMATIC
  • 91,000 MILES
I own the truck listed above 1500 SLT. CHMSL (third brake light) are not working, which tells me it is likely not the bulbs. I checked the fuse, and it is not blown. What are the next steps I should take to determine the cause?

Monday, July 11th, 2022 AT 5:24 PM

6 Replies

Tiny
JACOBANDNICKOLAS
  • MECHANIC
  • 110,176 POSTS
Hi,

The CHMSL gets power via its own relay and fuse. I attached a pic below showing the wiring. Is this the fuse you checked? It is located in the under-hood fuse box.

If you checked it and the fuse is good, confirm there is power to and from it when the brake pedal is pressed. Here is a link you may find helpful:

https://www.2carpros.com/articles/how-to-check-a-car-fuse

Let me know. Also, confirm there is power to and from the fuse.

Take care,

Joe

See pic below.
Was this
answer
helpful?
Yes
No
Monday, July 11th, 2022 AT 10:30 PM
Tiny
BARCELR
  • MEMBER
  • 4 POSTS
Thanks for the reply. That is indeed the fuse I checked. When pulling it out of the fuse box, the fuse works fine (passes circuit test). However, it fails when it is tested while placed in the fuse box. No current is registered when the brake pedal is pressed or when it is not pressed (truck battery is on).
Was this
answer
helpful?
Yes
No
Tuesday, July 12th, 2022 AT 4:41 PM
Tiny
BARCELR
  • MEMBER
  • 4 POSTS
Also, I noticed that many of the fuses I tested earlier in the day (which showed a good circuit - test light came on), are now not showing a good circuit (test light not coming on). I’m now unable to find a good circuit in any of the fuses like I was earlier.
Was this
answer
helpful?
Yes
No
Tuesday, July 12th, 2022 AT 7:04 PM
Tiny
JACOBANDNICKOLAS
  • MECHANIC
  • 110,176 POSTS
Hi,

Hang in there. We'll figure this out.

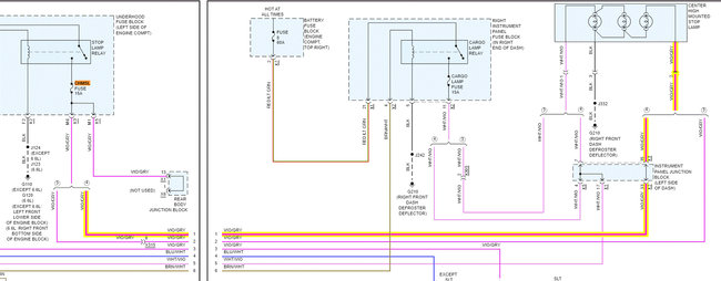
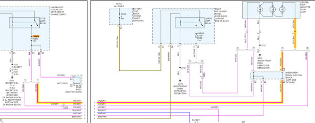
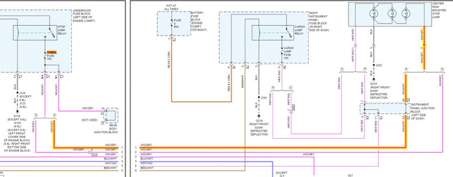
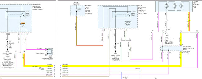
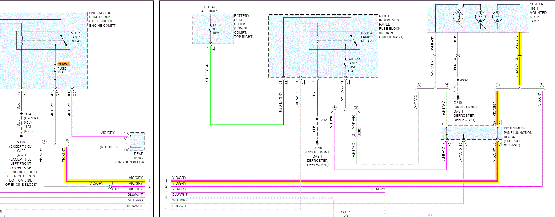
I worked backward through the wiring schematics. Believe it or not, the wiring schematic for the exterior lighting is six pages long. Ugh!!!

Okay, here is what I need you to do. I need you to remove the brake light relay. The relay is a simple 4-pin relay. Where the relay plugs in, I need you to test each of the 4 pins for power. Two of them should have power and two won't. If that is the case, then either we have a ground issue, or the relay is bad.

To test ground, check for continuity in the two pins that don't have power.

Here is how this works. The relay has a primary and secondary side. When you press the brakes, a coil signal (low voltage) is sent from the body control module (BCM) to the primary side of the coil. When this happens, a ground is provided through the primary side automatically in this case, the primary side is completed and an electromagnetic coil energizes, causing the secondary side of the relay (a switch) to close and send power to the light.

The primary side gets power as mentioned, from the BCM. The secondary originates in the under-hood fuse box. It is fuse 2 and a 175-amp fuse. If that failed, that may explain why you lost power to other fuses.

So, if with the relay out you do have power to two of the four pins, we are golden and the likely problem is the relay, but still could be a ground. If you have power to both, and you have continuity to ground, the relay is the issue. If no ground, that is where we go next.

If there is no power, check the main fuse I mentioned in the under-hood fuse box.

Just FYI: when you turn the relay over, you will see numbers 85, 86, 87, and 30. Pin 86 should be the low voltage signal from the BCM. Pin 85 is the ground for the primary side. Pin 30 should be the power supply to the secondary side. And pin 87 is what sends power to the light.

Pin 30 should have 12v always and pin 86 will only have power with the brake depressed.

Here is a link that may be easier to understand. I likely made this confusing. Sorry. LOL The link also explains how to test the relay circuit.

https://www.2carpros.com/articles/how-to-check-an-electrical-relay-and-wiring-control-circuit

I attached three pics below, so you see where the power comes from and where it goes. Note, I had to cut out approximately four pages to reach the end of each side. LOL The last pic is the BCM.

Take care and let me know what you find.

Joe

See pics below.

Was this
answer
helpful?
Yes
No
Tuesday, July 12th, 2022 AT 7:56 PM
Tiny
BARCELR
  • MEMBER
  • 4 POSTS
I’m thinking the problem must be the main fuse box under the hood. None of the relay pins had power. None of the fuses in the main fuse box light up when I test them. How can I make sure the fuse box needs to be replaced?
Was this
answer
helpful?
Yes
No
Tuesday, July 12th, 2022 AT 9:51 PM
Tiny
JACOBANDNICKOLAS
  • MECHANIC
  • 110,176 POSTS
Hi,

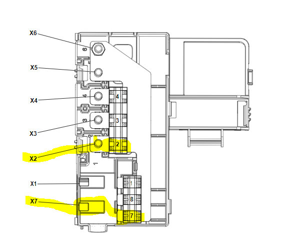
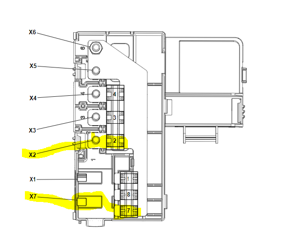
If nothing in the under-hood fuse box has power, did you check the battery fuse box which is mounted at the top of the battery?

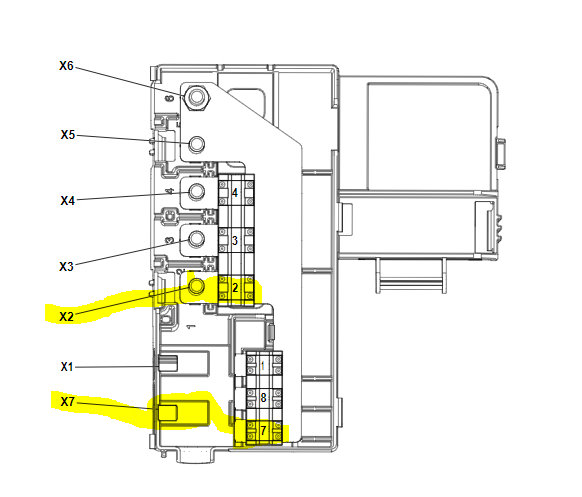
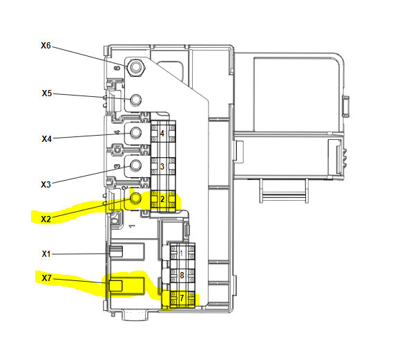
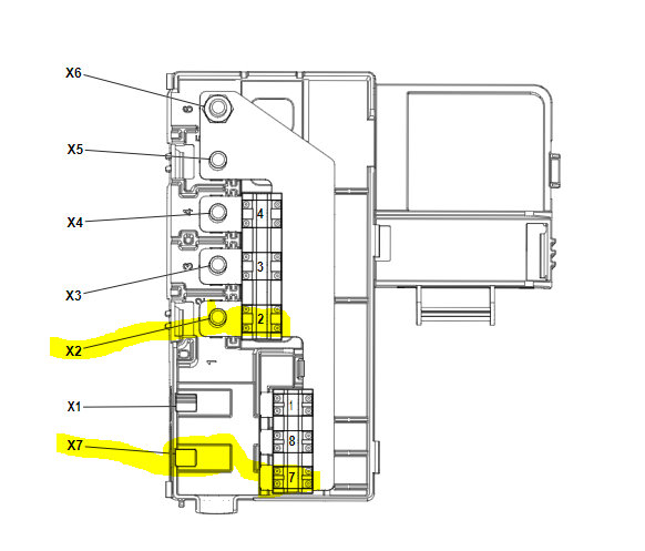
See pic 1 below. That is the battery fuse box which is powered directly from the battery. From there, power gets distributed to different locations. If you have no power at the under-hood fuse box, check to make sure fuse 2 (X2 in pic 2) is good and has power at both ends. Fuse 7 (X7 in pic 2) powers the right instrument panel fuse box.

Let me know.

Joe

See pics below.
Was this
answer
helpful?
Yes
No
-1
Tuesday, July 12th, 2022 AT 10:44 PM

Please login or register to post a reply.