Wednesday, January 14th, 2015 AT 10:03 PM
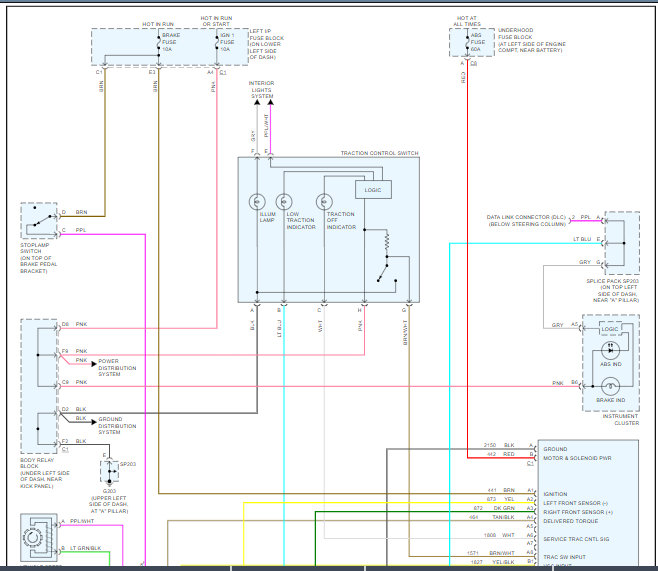
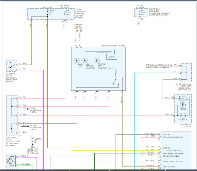
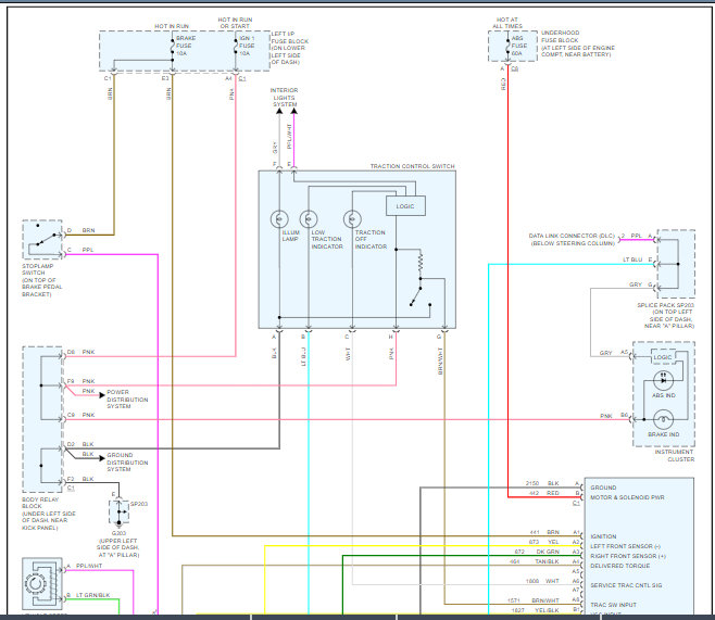
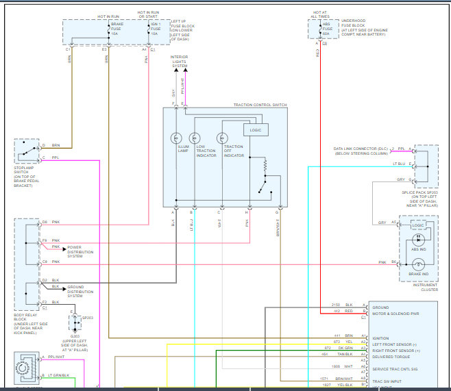
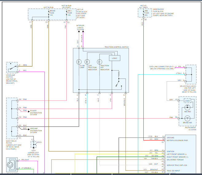
I replace heater core by R and R the dash, now I found that brake lights don't work, I found no power to brake switch then I chase the harness found other end of brake switch connector hanging, it wasn't hook on anywhere. Please help me out, I been looking for 3 days already still can't find place to plug in. Note: The harness has 4 or 5 wires in it, and about 3 feet long one end connector go to the brake switch and the other end connector go to somewhere. Thank you very much.




