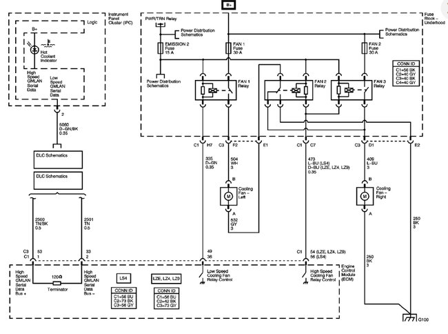
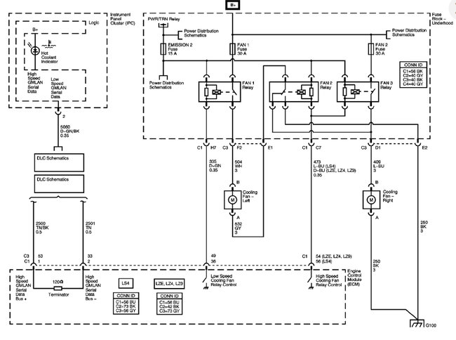
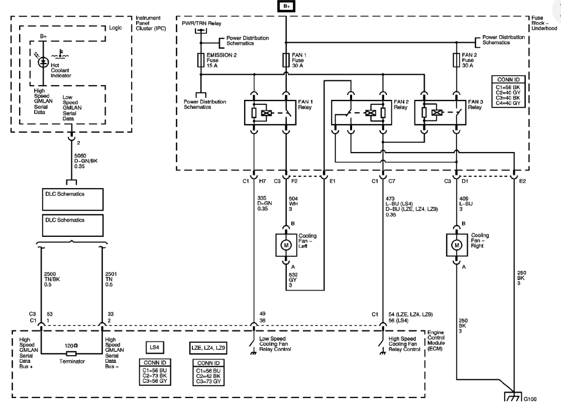
It over heats at low speed and idling but not all the time. The temp. Gauge normal operating range is about 40% of the dial, when it is about to overheat the gauge either spikes or steadily progresses to the red line. The progression to the red line is never the same but occurs at low or reduced speeds. After reaching the red line, the fan remains or until the temperature goes below the red line. The heater in recent operations has taken some time to throw heat, I recently noticed since the temperature in my region has been in single digits at night.
Monday, October 19th, 2009 AT 7:20 PM




