Tuesday, September 10th, 2019 AT 5:18 PM
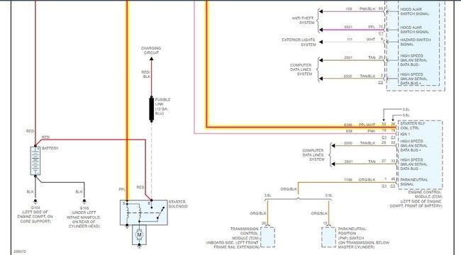
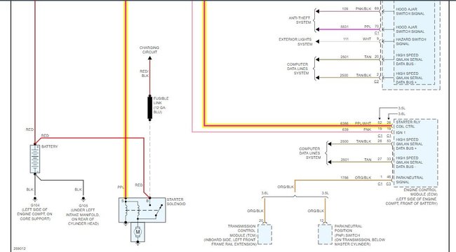
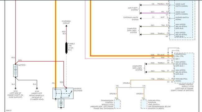
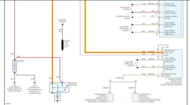
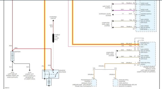
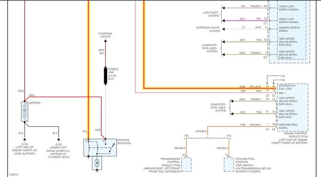
My car was having problems to where it would start to stall while driving and the service traction and engine power reduced light came on. It would cool down and then start up again but after a few minutes it would have issues again. I took it to a garage and they said it could be the engine fuse box. And also in a few forums people have described the same issue and said once, they changed the fuse box it would work fine. So, I bought a fuse box from eBay, it was used, thinking I could test the theory. I replaced the box but now the engine wont crank. The lights come on and dash lights also but not starting. And now the power steering light is on along with service traction and no traction light. Could I have bought a bad fuse box or could it be something different. Again, before it was changed it out the car started. Now nothing.










