Car stalls when hot

Tiny
SUPERSABRE
  • MEMBER
  • 1998 CHEVROLET LUMINA
  • 3.1L
  • V8
  • 2WD
  • AUTOMATIC
  • 186,000 MILES
Starts fine runs good when cool. When hot it sputters and stalls.
Tuesday, June 12th, 2018 AT 11:51 AM

48 Replies

Tiny
KEN L
  • MASTER CERTIFIED MECHANIC
  • 54,247 POSTS
Hello,

This sounds like you have a engine coolant temperature sensor that is not working right or a vacuum leak but we should run the codes to see what is going on first.

https://www.2carpros.com/articles/checking-a-service-engine-soon-or-check-engine-light-on-or-flashing

and

https://www.2carpros.com/articles/how-to-use-an-engine-vacuum-gauge

and

https://www.2carpros.com/articles/coolant-temperature-sensor-cts-replacement

Please run down these guides and report back.

Cheers, Ken

Was this
answer
helpful?
Yes
No
Monday, June 18th, 2018 AT 10:49 AM
Tiny
STEVE W.
  • MECHANIC
  • 15,300 POSTS
Do you mean it runs okay while the engine is cool and shuts down when it warms up or that it runs fine when it is cool outside but shuts down when the temperature rises?

If it is the first one I would suspect a failing crankshaft position sensor. A common pattern of failure is that they will work okay while cold but as they heat up they fail and the engine shuts down.

If it is the second situation I would check the fuel pressure to see if it is putting out enough pressure to avoid vapor locking. The sputter and stall would coincide with the lack of fuel.

https://www.2carpros.com/articles/how-to-check-fuel-system-pressure-and-regulator

Will it start back up immediately or do you have to wait for it to cool down?

Was this
answer
helpful?
Yes
No
Monday, June 18th, 2018 AT 8:29 PM
Tiny
SUPERSABRE
  • MEMBER
  • 31 POSTS
Starts fine but when it reaches normal temperature of 195F that is when it sounds like backfire and stalls. Could it be catalytic converter and/or muffler? No check engine light.
Thank you for answer.
Was this
answer
helpful?
Yes
No
Friday, July 13th, 2018 AT 1:06 PM
Tiny
SUPERSABRE
  • MEMBER
  • 31 POSTS
Must cool down before I can start it again then runs good until it hits normal temperature.
Was this
answer
helpful?
Yes
No
Saturday, July 14th, 2018 AT 9:56 AM
Tiny
STEVE W.
  • MECHANIC
  • 15,300 POSTS
That usually will not be exhaust. With a bad/plugged converter it will not rev up regardless of operating temperature. It would start and idle but as soon as you step on the throttle it will lose power. It also would not change when it got to a certain temperature.

The description sounds like a temperature sensitive crankshaft position sensor. As it warms up it starts to fail. Common failure mode right up until they fail completely. The easy way to test it would be to run it until it stalls and then spray a bit of starting spray into the intake and try to start it. If it is the crank sensor it will be losing spark and will not run. If it is a fuel problem it will run on the fluid. My bet is it will not run. Crank sensors also do not tend to set a code unless they are erratic like a bad wire or low signal.
Was this
answer
helpful?
Yes
No
Saturday, July 14th, 2018 AT 10:21 AM
Tiny
SUPERSABRE
  • MEMBER
  • 31 POSTS
Thanks so much for your help. I will have it checked out at shop.
Was this
answer
helpful?
Yes
No
Wednesday, July 18th, 2018 AT 10:07 AM
Tiny
KEN L
  • MASTER CERTIFIED MECHANIC
  • 54,247 POSTS
Please let us know what you find. We are interested to see what it is.

Cheers, Ken
Was this
answer
helpful?
Yes
No
Wednesday, July 18th, 2018 AT 10:18 AM
Tiny
SUPERSABRE
  • MEMBER
  • 31 POSTS
I am going to chance it and buy a sensor first and have mechanic put it in, but which one?

Can you tell me? Engine M 3.1L. A, B or C in image. Thank you.
Was this
answer
helpful?
Yes
No
Thursday, July 19th, 2018 AT 10:41 PM
Tiny
STEVE W.
  • MECHANIC
  • 15,300 POSTS
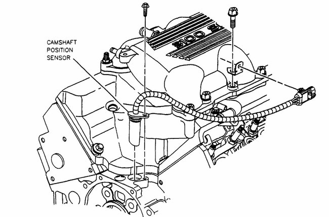
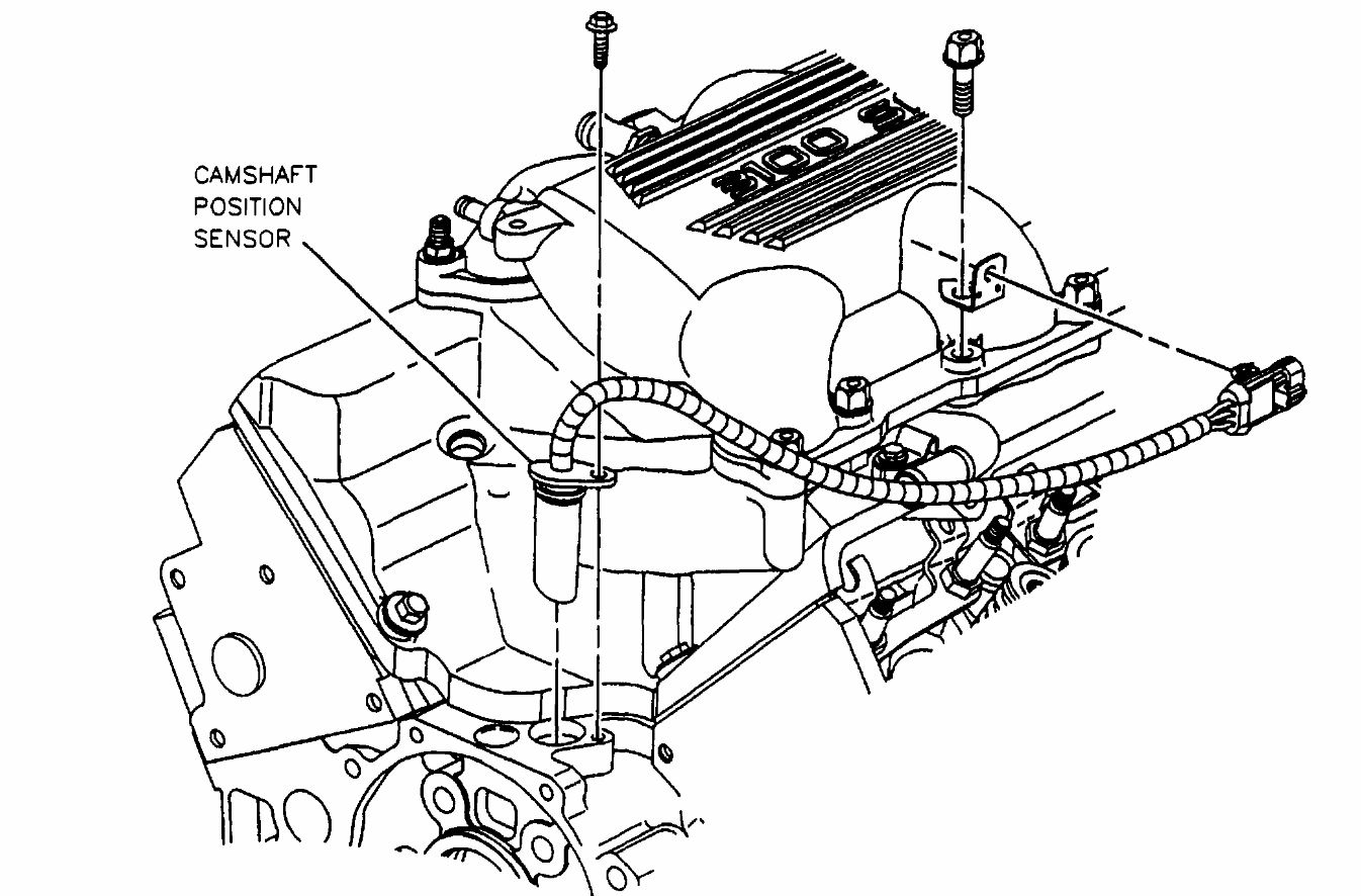
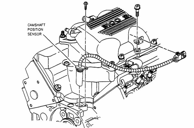
A is the camshaft position sensor.
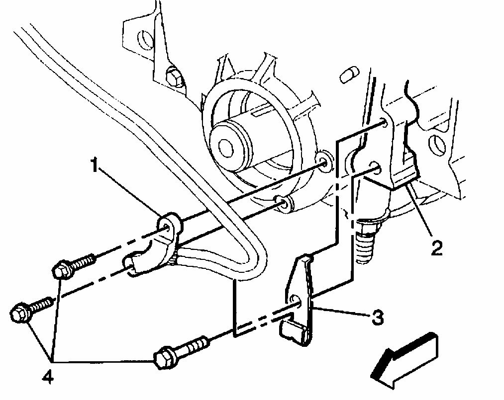
B is the 3X crankshaft position sensor
C is the 24X crankshaft position sensor.

To answer the question, B&C are the common culprits. To narrow it down. Go get a can of "canned air", "computer duster" or whatever the name you use for the stuff in the pictures.
Part A is mounted in the engine just to the side of the intake manifold. As shown in the third image
Part B is mounted into the side of the engine facing the firewall as shown in image 4.
Part C is mounted at the front of the engine behind the crankshaft pulley as shown in the last image.
My first suspect would be Part C followed by Part B as both of those control the ignition.

So put on a glove and start the engine as it warms up and starts to sputter you will take the canned air, flip it upside down and spray the Part C sensor located behind the crankshaft pulley. If it starts to run better or if it stalls and you spray it and it starts up without cooling down you found the bad sensor.
Repeat the test on the other two sensors. Be careful as the material coming out of the can can instantly freeze your skin/eyes whatever. But it is a fast and lower cost test for an item that is heat sensitive.
Was this
answer
helpful?
Yes
No
Thursday, July 19th, 2018 AT 11:47 PM
Tiny
SUPERSABRE
  • MEMBER
  • 31 POSTS
Thanks once again for all your help. I will try it next month and I will tell you what happens.
Was this
answer
helpful?
Yes
No
Saturday, July 21st, 2018 AT 1:35 PM
Tiny
KEN L
  • MASTER CERTIFIED MECHANIC
  • 54,247 POSTS
Please do. ;)
Was this
answer
helpful?
Yes
No
Saturday, July 21st, 2018 AT 1:46 PM
Tiny
SUPERSABRE
  • MEMBER
  • 31 POSTS
I have not forgotten to tell you what is wrong. I will not be able to get cleaner until August 6.
Need ride to wally world.
Was this
answer
helpful?
Yes
No
Wednesday, August 1st, 2018 AT 7:25 PM
Tiny
STEVE W.
  • MECHANIC
  • 15,300 POSTS
No problem, we will be here.
Was this
answer
helpful?
Yes
No
Wednesday, August 1st, 2018 AT 8:01 PM
Tiny
SUPERSABRE
  • MEMBER
  • 31 POSTS
Finally got to it on September seventh I got part. Replaced IAC got it to 195F it ran good, no problem.

Next test would be to drive it around for a while. It took so long is because I am 69 and

live in Arizona and it is hot out there!
Was this
answer
helpful?
Yes
No
Saturday, September 8th, 2018 AT 6:04 AM
Tiny
KEN L
  • MASTER CERTIFIED MECHANIC
  • 54,247 POSTS
Glad you could get it fixed, that kind of problem can be tough. Please use 2CarPros anytime we are here to help. Hope it cools down for ya ;)

Cheers, Ken
Was this
answer
helpful?
Yes
No
Saturday, September 8th, 2018 AT 11:59 AM
Tiny
STEVE W.
  • MECHANIC
  • 15,300 POSTS
Strange it was the IAC, unless it was shorting when hot. I could see it being the ECT sensor.
Either way, if it is repaired that is a win.
Was this
answer
helpful?
Yes
No
Saturday, September 8th, 2018 AT 6:34 PM
Tiny
SUPERSABRE
  • MEMBER
  • 31 POSTS
Ran good when hot. Only thing I got a $14.00 IAC verses ACDelco for $84.00. What is the difference?
Pricey one will last longer? Thanks again for all the help.
Was this
answer
helpful?
Yes
No
Wednesday, September 12th, 2018 AT 9:56 AM
Tiny
STEVE W.
  • MECHANIC
  • 15,300 POSTS
Hard to say with parts these days. I generally use OEM parts simply to avoid issues. But have seen failures in both low cost and OEM parts. Sort of a toss up these days.

If you run into any other issues just come on back, we will be here.
Thank you for using 2CarPros.
Was this
answer
helpful?
Yes
No
Wednesday, September 12th, 2018 AT 3:34 PM
Tiny
SUPERSABRE
  • MEMBER
  • 31 POSTS
I have a drain on battery. I will check relays, fuses, etc, with meter between negative
cable. But like to make sure on how to turn off interior lights when door is open
to check fuses on panel. Do I trip the door latch to shut interior lights off?
Was this
answer
helpful?
Yes
No
Monday, September 24th, 2018 AT 2:06 PM
Tiny
SUPERSABRE
  • MEMBER
  • 31 POSTS
Thanks for all your help.
Was this
answer
helpful?
Yes
No
Monday, September 24th, 2018 AT 2:06 PM

Please login or register to post a reply.