Car will not start it ran perfectly yesterday?

Tiny
GRACEM8676
  • MEMBER
  • 3 POSTS
No, the lights come on only if you turn on the headlights using the headlight switch but when applying the foot to the brakes the brake lights do not come on. So the parking lights but not the brake lights.
Was this
answer
helpful?
Yes
No
Wednesday, July 29th, 2020 AT 12:20 PM (Merged)
Tiny
JACOBANDNICKOLAS
  • MECHANIC
  • 110,192 POSTS
If the brake lights don't come on, first check fuses. The first one to check is the BCM 2 fuse in the under hood fuse box. I attached a picture of both the fuse box under the hood as well as the legend. (pictures 1 and 2) If you look at picture 1, you will see the BCM 2 fuse on the upper right side of the picture. Locate it in the fuse box on your car and check it.

Here are a couple links that will help:

https://www.2carpros.com/articles/how-to-check-a-car-fuse

https://www.2carpros.com/articles/how-to-use-a-test-light-circuit-tester

If that fuse is good, check fuses 8 and 9 under the dash. See Picture 3 and 4.

Let me know what you find.

Joe

Was this
answer
helpful?
Yes
No
Wednesday, July 29th, 2020 AT 12:20 PM (Merged)
Tiny
HEMINGWAY419
  • MEMBER
  • 3 POSTS
  • 2008 CHEVROLET COBALT
  • 2.3L
  • 4 CYL
  • 2WD
  • AUTOMATIC
  • 87,000 MILES
Ran fine yesterday and got in this morning and would not start. All lights and heat and radio still work but does not turn over.
Was this
answer
helpful?
Yes
No
Wednesday, July 29th, 2020 AT 12:21 PM (Merged)
Tiny
STEVE W.
  • MECHANIC
  • 15,681 POSTS
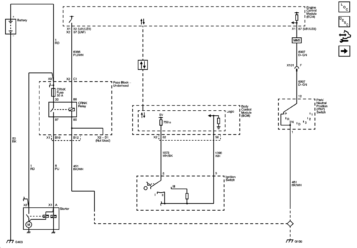
Do you hear anything when you try to start it? Any clicks or sounds? If nothing I would look at the battery connections at both feeds, there is one that feeds the fuse box, if the lights and such are OK that one should be OK. However there is another feed wire to the starter itself from the battery. It could be corroded or even broken. Result = no start.

Also check the Crank fuse and relay in the under hood fuse box. Either one can cause a no crank issue. Verify that the trans is in Park, then move it to neutral and try to start it there as well. That would indicate a bad shift range sensor or connector.
Was this
answer
helpful?
Yes
No
Wednesday, July 29th, 2020 AT 12:21 PM (Merged)
Tiny
HEMINGWAY419
  • MEMBER
  • 3 POSTS
Thank you it was a battery teeminal
Was this
answer
helpful?
Yes
No
Wednesday, July 29th, 2020 AT 12:21 PM (Merged)
Tiny
STEVE W.
  • MECHANIC
  • 15,681 POSTS
Great to hear you found it. Was it the terminal to battery or the cable to clamp area? I have seen those cables fail right at the crimp before.
Was this
answer
helpful?
Yes
No
Wednesday, July 29th, 2020 AT 12:21 PM (Merged)
Tiny
HEMINGWAY419
  • MEMBER
  • 3 POSTS
The terminal.
Was this
answer
helpful?
Yes
No
Wednesday, July 29th, 2020 AT 12:21 PM (Merged)
Tiny
DEEJUSISHERE
  • MEMBER
  • 1 POST
  • 2008 CHEVROLET COBALT
  • 2.2L
  • 4 CYL
  • 2WD
  • AUTOMATIC
  • 140,000 MILES
Turned car off and there was an error on the pump, so when I went to turn it back on, the car shook a bit and said "Engine Power Reduced". I quickly turned the car off and went inside and was able to pump gas from the pump I was at.

After filling the tank, the car started perfectly fine with no issues at all. Drove it all the way home, no problem. Decided to get the codes read so I would be able to find out what was wrong at least so went to Advanced to take care of it. After reading codes the only one that came up was "accelerator idle position not learned". After that I tried to start the car and it wouldn't even click. Weirdly enough the radio, A/C and everything else worked perfectly, but the car wouldn't even try to crank.

Guy from Advanced was really nice and helped troubleshoot it with me. Tested the battery and it was fine, tried switching jumpers(I think that's what they're called, in the fuse box, the one that sends power to the starter) with ones we knew were working, and still nothing. We even tried hitting the starter to see if we could get it to work.

Has anyone run into this issue before? Are there more things we could try before I have it towed to a shop? Thanks for the help!
Was this
answer
helpful?
Yes
No
Wednesday, July 29th, 2020 AT 12:21 PM (Merged)
Tiny
AUSTIN PORTER
  • MEMBER
  • 2 POSTS
I am having the same problem I go to turn the key to start it in I hear clicking coming from the fuse box and from the engine but it’s not cranking I had trouble with this a week ago and got it started by turning the key really fast to start it but it’s not wanting to start again I turn it off and on several times with no problem before but now nothing
Was this
answer
helpful?
Yes
No
Wednesday, July 29th, 2020 AT 12:21 PM (Merged)
Tiny
KEN L
  • MASTER CERTIFIED MECHANIC
  • 55,322 POSTS
Hello,

This is common when the throttle bore needs to be serviced. here is a guide to help you fix the issue. Disconnect the battery before you begin.

https://www.2carpros.com/articles/reduced-power-limp-mode

Please run down this guide and report back.
Was this
answer
helpful?
Yes
No
Wednesday, July 29th, 2020 AT 12:21 PM (Merged)
Tiny
STEVE W.
  • MECHANIC
  • 15,681 POSTS
Austin, Read the first part of my reply. Check the battery connections and the cables. Clicking and no starts are very common with a bad battery or bad cables.
If you have a voltmeter you can test the voltage in the battery with the engine off. You need at least 12 volts at the terminals, 12.6-12.8 is a fully charged battery. Any lower and you will have problems.
Was this
answer
helpful?
Yes
No
Wednesday, July 29th, 2020 AT 12:21 PM (Merged)

Please login or register to post a reply.