Engine does not crank?

Tiny
JORGE166
  • MEMBER
  • 2004 DODGE DAKOTA
  • 3.7L
  • V6
  • 2WD
  • AUTOMATIC
  • 217,000 MILES
I bought this car from a parking authority auction, so I needed to have a key made. The locksmith said that because of the year and trim (the most basic model, doesn't even have power locks or windows) the key didn’t need a chip. Once he made the key the car would crank but not start so he said maybe I would need to change the starter and went on his way. I changed the starter but now the car doesn't crank at all, and I wonder if it’s because the key does need a chip and or that it needs a chip and because I tried to start it without one it went into theft mode. The car has a new battery and starter so I’m not sure what else it could be.
Thursday, August 10th, 2023 AT 7:18 AM

16 Replies

Tiny
JACOBANDNICKOLAS
  • MECHANIC
  • 110,194 POSTS
Hi,

He was correct as far as it may or may not have an immobilizer. The easiest thing to check is the key itself. If it has the immobilizer, it would have a gray molded cap, but we don't that that key.

Are there any lights on the dash that indicate a security issue? Let me know.

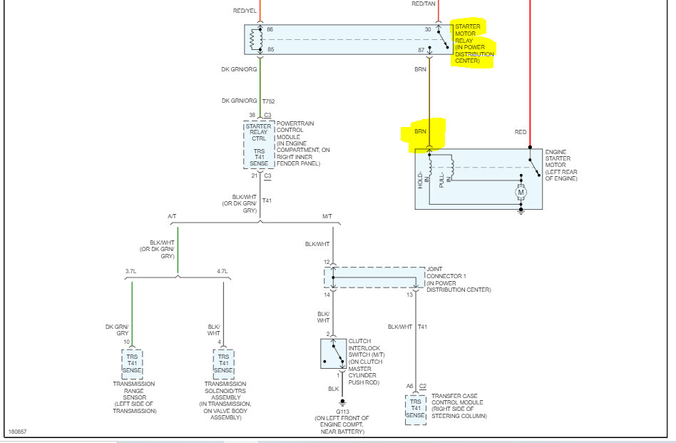
Now, it's odd that the new starter won't crank, but the old one did. If it was turning the engine, I'm not sure why he would recommend you replace it. Regardless, I attached a wiring schematic below of the starter circuit. First, we need to determine why the new starter won't engage. The security would prevent the engine from starting, but not the starter from engaging.

First, see if the engine will crank if you place the shifter in neutral. If there is no change, I need you to next check fuses. In the power distribution box under the hood, locate fuses E and 16. Confirm they are good and there is power to and from them. Here is a link you may find helpful:

https://www.2carpros.com/articles/how-to-check-a-car-fuse

If they are good, check fuse 12 at the junction box at the left end of the dash. Note: That fuse will only have power when the key is in the start position.

If all power sources are good, locate the starter relay in the under-hood fuse box. If there is a different one in the box with the same part number, switch them. If there isn't, here is a link that explains how to test a relay and circuit:

https://www.2carpros.com/articles/how-to-check-an-electrical-relay-and-wiring-control-circuit

If that checks good, we have one last test. You will need a helper for this. At the starter motor, there will be a brown wire. Have a helper turn the key to the start position while you check if power is present at that wire on the starter motor.

Let me know what you find or if you have questions.

Take care,

Joe

See pics below.
Was this
answer
helpful?
Yes
No
Thursday, August 10th, 2023 AT 7:43 PM
Tiny
JORGE166
  • MEMBER
  • 15 POSTS
So, I ended up finding out that the car does not have an immobilizer, but it does have an aftermarket theft system or security system that disables the starter.
Was this
answer
helpful?
Yes
No
Friday, August 11th, 2023 AT 3:21 AM
Tiny
JORGE166
  • MEMBER
  • 15 POSTS
I don’t know how to bypass it, I tried removing the wires that was going from the starter to that system and the wire that was going from the ignition switch to that system and connecting them to make a direct connection but when then the starter doesn't engage.
Was this
answer
helpful?
Yes
No
Friday, August 11th, 2023 AT 3:24 AM
Tiny
JACOBANDNICKOLAS
  • MECHANIC
  • 110,194 POSTS
Hi,

Oh boy. Is there a brand name on it or anything we could use to find an original schematic for it? Also, and don't laugh, I've seen these where you had a button that needed to be pushed for the vehicle to start. What is the button in the pic below? I copied it from one of your pics. It looks like there is a light symbol on it, but I'm not sure.

Update: I did more research. That is a silencer antitheft system. Check to see if the wire from the ignition (should be either yellow or red with a yellow tracer. That wire goes to the relay to trigger the starter. I suspect it has been cut and run through that system. Also, the item that I thought was a button plugs in and out. When it's removed, the starter will not work. It should when it's plugged in but I know that isn't the case.

See if there is a model number anywhere. What will need to be done is one at a time, you need to follow the harness from that system to where it spliced into another wire and cut and reconnect the original wiring harness and eliminate that unit. That should be simple because the wires should be the same colors. For example, red to red, blue to blue and so on. Let me know if there is a model number on it and I'll see if I can find out any more information,

Let me know.

Joe

See pic below. Note: Try following the wires from the system and see if you can determine where they go and what color wires they are spliced into.
Was this
answer
helpful?
Yes
No
Friday, August 11th, 2023 AT 9:44 PM
Tiny
JORGE166
  • MEMBER
  • 15 POSTS
Okay, so, I managed to get rid of the system and I connected the wires that had been spliced, back together so everything is back to a direct connection but now the problem I’m having is that the cars start sounds like I wants to crank but it’s not able to. The black wire that is the ground for the start gets hot after a few tries of trying to crank the car, as well as the red wire and also the starter itself gets hot. The starter is new so it’s not like the starter being old is the problem and also before I had switched the starter(because I thought the old starter was the problem) the car would crank without fail but it just wouldn't start but now after I installed the new starter isn’t even cranking and I don’t think it’s because I installed it incorrectly because I’ve replaced several starters before on other of my cars and everything has been fine. It’s like if the starter isn’t getting enough power to do its job but again I’m not 100% sure.
Was this
answer
helpful?
Yes
No
Saturday, August 12th, 2023 AT 2:47 PM
Tiny
JACOBANDNICKOLAS
  • MECHANIC
  • 110,194 POSTS
Hi,

If it cranked with the old starter but not with the new one, and now the battery cables are getting hot when the new starter engages, it sounds like you got a bad starter motor. It may be drawing too much amperage.

Do you still have the old one to reinstall and try? Could you record what is happening and upload it for me to hear? Does the starter turn the engine?

Let me know.

Joe
Was this
answer
helpful?
Yes
No
Saturday, August 12th, 2023 AT 8:27 PM
Tiny
JORGE166
  • MEMBER
  • 15 POSTS
I installed the old starter back in already to see if the problem was the new start but even with the old starter it was doing what you hear in the video. I stopped cranking once I initially changed the starter, after that it wouldn’t crank with the new one or old one.
Was this
answer
helpful?
Yes
No
Saturday, August 12th, 2023 AT 8:43 PM
Tiny
JACOBANDNICKOLAS
  • MECHANIC
  • 110,194 POSTS
Hi,

I don't want to ask this, but have you heard the engine run yet? What I hear is the starter engaging but not being able to turn the engine. If you place a socket and breaker bar on the crankshaft pulley, are you able to turn the engine by hand?

Let me know.

Joe
Was this
answer
helpful?
Yes
No
Sunday, August 13th, 2023 AT 8:57 PM
Tiny
JORGE166
  • MEMBER
  • 15 POSTS
I haven’t heard the engine run and I’m not able to do that test because I don’t have a breaker bar. But do you really think the engine could be locked up? Because before I had changed the starter the engine would crank easily and even now if I turned the key in rapid successions the engine would turn over once. That’s why I believe it’s an electrical issue.
Was this
answer
helpful?
Yes
No
Monday, August 14th, 2023 AT 5:11 AM
Tiny
JACOBANDNICKOLAS
  • MECHANIC
  • 110,194 POSTS
Hi,

Chances are it isn't, but nothing else is making sense at this point. I listened to the video again, and I hear the starter kicking in against the flex plate, but it doesn't turn.

Since this happened with two different starters, I need you to try something different. Remove the spark plugs and see if it cranks. That way there won't be any compression and it should turn easily.

Try this and let me know.

Joe
Was this
answer
helpful?
Yes
No
Monday, August 14th, 2023 AT 10:15 PM
Tiny
JORGE166
  • MEMBER
  • 15 POSTS
Okay, so I ended up taking out the spark plugs, and the same thing keeps happening. All the spark plugs were dry except for one that had a bit of oil on it and also on another one it was like destroyed.
Was this
answer
helpful?
Yes
No
Wednesday, August 16th, 2023 AT 4:08 PM
Tiny
JORGE166
  • MEMBER
  • 15 POSTS
It makes this noise now. If I continuously keep trying to crank the engine and I’m not sure if this is progress or not because it’s still not cranking normally how it once was.
Was this
answer
helpful?
Yes
No
Wednesday, August 16th, 2023 AT 4:25 PM
Tiny
JACOBANDNICKOLAS
  • MECHANIC
  • 110,194 POSTS
Hi,

It sounds like a weak battery. The spark plug is a big concern. I need you to turn it by hand to see if it is tight. With the spark plugs removed, it should turn somewhat easily. Something may have happened in the cylinder that spark plug came from causing it to crank slowly or be partially locked.

Let me know if you can do that.

Take care,

Joe
Was this
answer
helpful?
Yes
No
Wednesday, August 16th, 2023 AT 9:24 PM
Tiny
JORGE166
  • MEMBER
  • 15 POSTS
Okay. So, I bought a breaker bar and everything to turn the engine by hand and I was able to turn it fairly easily in both directions. So, I guess that means that my engine isn’t locked thankfully. But what else could be the issue that prevents it from cranking let alone starting.
Was this
answer
helpful?
Yes
No
Friday, August 18th, 2023 AT 2:48 PM
Tiny
JORGE166
  • MEMBER
  • 15 POSTS
So, it does this now, it’s as if something is stuck and keeps it from continuing to turn.
Was this
answer
helpful?
Yes
No
Friday, August 18th, 2023 AT 4:29 PM
Tiny
JACOBANDNICKOLAS
  • MECHANIC
  • 110,194 POSTS
Hi,

Something is locking it. Do me a favor. Remove the serpentine belt and see if it does the same thing. I doubt it, but there could be one of the belt-driven accessories stopping it.

Let me know. Also, we need to check the cylinder that had the broken spark plug. I don't want to ask, but could you see if the parts store has and will lend you a borescope? Also, when it locks like that, are you able to turn it by hand in the same direction?

Let me know.

Joe
Was this
answer
helpful?
Yes
No
Friday, August 18th, 2023 AT 10:13 PM

Please login or register to post a reply.