Engine will not turn over?

Tiny
BLKSHEEP42
  • MEMBER
  • 1997 DODGE DAKOTA
My sons Truck will not turn over. I thought it be a dead battery but it wasn't. When I tried to start it I noticed that the interior light a dash lights were all working indicating a strong battery. I got nothing when I turned the key. Usually a clicking sound or a slow start, Nothing. What do I need to look for or where do I start?
Wednesday, January 7th, 2009 AT 7:41 AM

1 Reply

Tiny
KASEKENNY
  • MECHANIC
  • 18,907 POSTS
More than likely this is a starter or relay issue that is not even activating the starter.

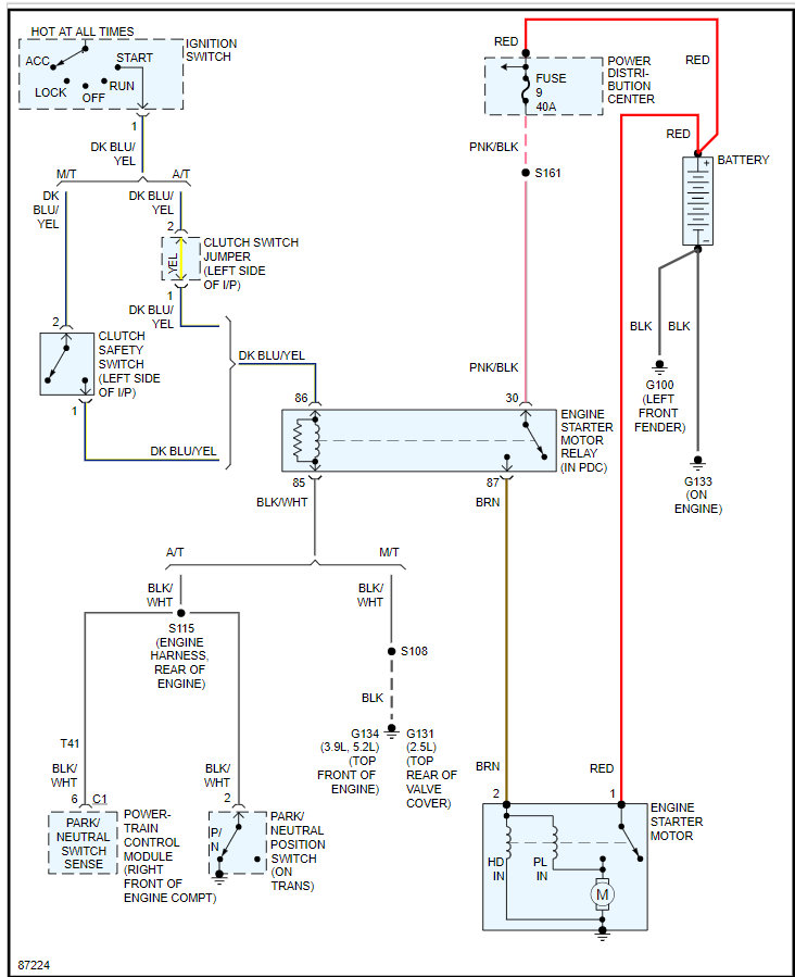
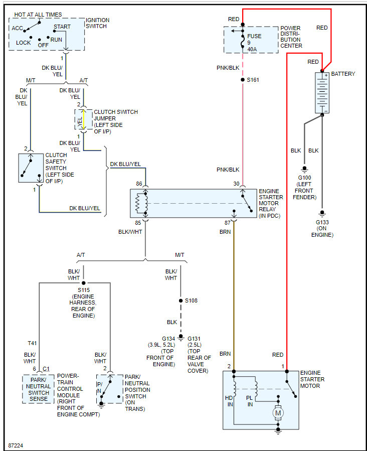
This means we need to start with testing the relay and starter by jumping the relay and seeing if the starter comes on. We need to jump pin 30 to 87 of the relay and see if the starter comes on.

https://www.2carpros.com/articles/starter-not-working-repair

https://www.2carpros.com/articles/how-to-check-an-electrical-relay-and-wiring-control-circuit

If it does then this is most likely a starter issue or the starter relay is not be grounded to turn the relay on.

However, we need to check pin 85 of the relay to find out if the PCM is grounding the relay. If not then more then likely the park/neutral switch has failed and this is going to prevent the relay from grounding the relay.

Please run through this material and see the wiring diagram below for more information. Let us know if you have questions on this. Thanks
Was this
answer
helpful?
Yes
No
Tuesday, July 27th, 2021 AT 1:52 PM

Please login or register to post a reply.