It sounds like it's about to start but doesn't

Tiny
MICKEYJ
  • MEMBER
  • 1997 BUICK SKYLARK
I have a 1997 buick skylark, it sounds like it's about to start but doesn't. An auto repair shop did a free check on it and they said it needs a new fuel pump. How can I be sure that's what it is for sure and if it is then is it something I can replace myself? That place said they wanted $650. But I saw the fuel pump was only like 260 at auto zone.
Saturday, October 11th, 2008 AT 1:14 PM

1 Reply

Tiny
SQM
  • MECHANIC
  • 6,383 POSTS
Hello,

There are few things you can check to make sure the issue is the fuel pump.
First of when you turn the key to the on position, can you hear the fuel pump come on?
An inoperative fuel pump can be due to a bad relay, faulty wiring, or a bad pump.
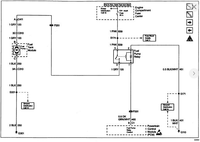
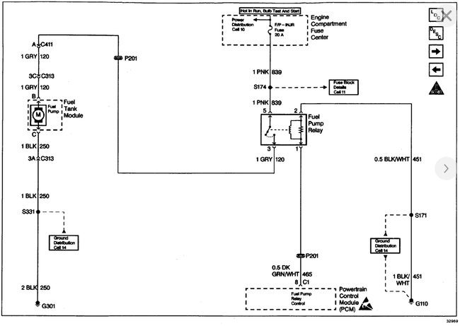
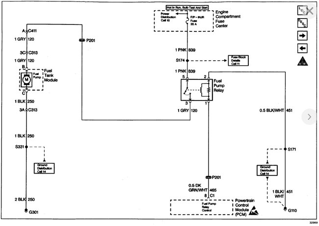
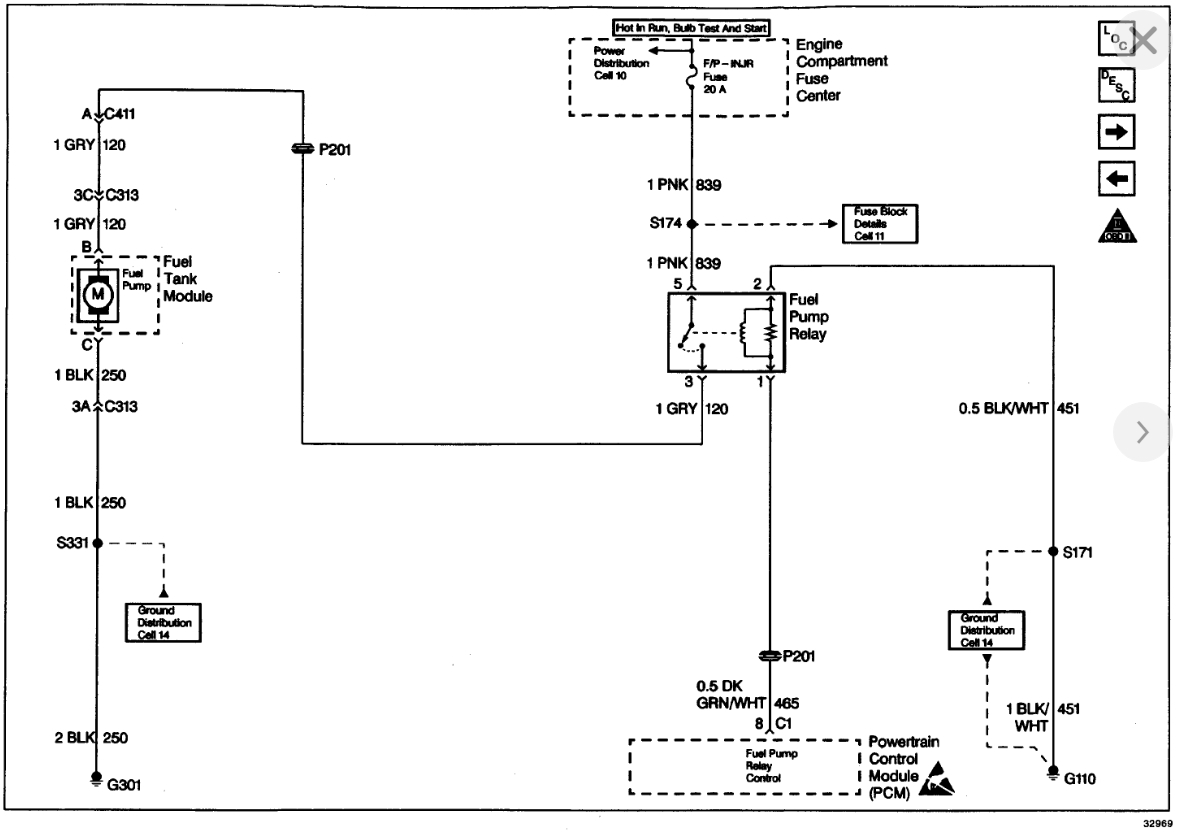
The fuel pump relay is located in the relay center under the hood (see diagram).
Check for any corrosion or burnt pin(s).
This relay can also be tested.

https://www.2carpros.com/articles/how-to-check-an-electrical-relay-and-wiring-control-circuit

If the relay is good, then check to see if there is power to the fuel pump harness. With the key to the on position there should be power to the fuel pump connector.

https://www.2carpros.com/articles/how-to-check-wiring

If there is power to the pump but it is not turning on, then the issue is a bad pump and needs to be replaced.
In order to replace the fuel pump, the fuel tank needs to be removed. As the fuel pump is mounted inside the tank.

https://www.2carpros.com/articles/how-to-replace-an-electric-fuel-pump

As for the price the shop quoted, they included the labor charge along with the fuel pump cost, that is why it is higher than the pump you found.

I have attached diagrams for your reference.

Please let me know if you have any questions.
Thank you.
Was this
answer
helpful?
Yes
No
Thursday, November 4th, 2021 AT 9:38 PM

Please login or register to post a reply.