I have recently noticed my brake lights have been not working?

Tiny
COWTIT
  • MEMBER
  • 2004 DODGE RAM
  • 5.7L
  • V8
  • 4WD
  • AUTOMATIC
  • 101,350 MILES
I have recently noticed my brake lights have been not working. I have read some post and hear people having problems when this happens. Just wondering where I should start to diagnose this problem? Brake switch I assume?
Monday, April 18th, 2016 AT 9:35 AM

59 Replies

Tiny
KASEKENNY
  • MECHANIC
  • 18,907 POSTS
If all the brake lights are out then yes, the switch is most likely the issue.

I attached below the process on how to test the switch and how to replace it as I am sure this is going to be your issue.

Here is a video on a different vehicle but they are all pretty similar so it should give a good idea on how to get it replaced:

https://www.youtube.com/watch?v=RBCDVfzNQGk

Please let us know what you find with this. Thanks
Was this
answer
helpful?
Yes
No
-1
Wednesday, March 3rd, 2021 AT 6:55 AM
Tiny
SCOT91
  • MEMBER
  • 3 POSTS
  • 2004 DODGE RAM
  • 5.7L
  • V8
  • 4WD
  • AUTOMATIC
  • 180,000 MILES
When I turn my head lights on my brake lights will not work. When I turn the head lights off they work. Now all of a sudden the drivers side tail light wont even come on. I have replaced the bulbs, both circuit boards on the tail lights also checked all the fuses. I cannot seem to find the problem.
Was this
answer
helpful?
Yes
No
-1
Wednesday, March 17th, 2021 AT 6:22 PM (Merged)
Tiny
CARADIODOC
  • MECHANIC
  • 34,467 POSTS
Your first two sentences are the classic symptom of a broken ground wire. Start with a visual inspection of those wires. If we need to go further, do you know how to use a digital voltmeter?
Was this
answer
helpful?
Yes
No
+1
Wednesday, March 17th, 2021 AT 6:22 PM (Merged)
Tiny
STEVE W.
  • MECHANIC
  • 15,679 POSTS
First thing to check is if you are getting power to the rear tail light. Pull it open and with the lights on check for power at pin one (white/yellow stripe wire) in the connector. If you have power check the connector inside to see if the actual connector is loose on the pin on the circuit board.
Since all of those lights share a ground it is likely to be a power feed issue. From the park lamp relay. If it is turning on (should be if all the other park/tail lights work) then it is in the wiring to the left tail light, either the pin is loose or the wire is bad.

Now for the brake lights, the only common items between the headlights and the brake lights (if nobody has played with the wiring) are the forward control module and the IPM.

To see if it may be the problem, check at the brake light switch for power on one terminal and not the other. Then turn on the lights. If the power goes away now it is the IPM or forward control module,
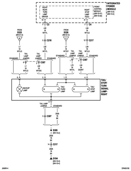
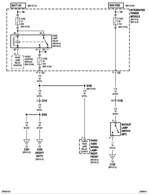
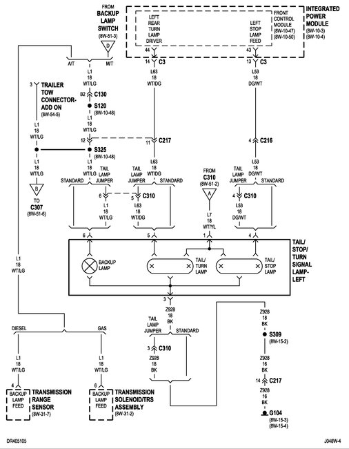
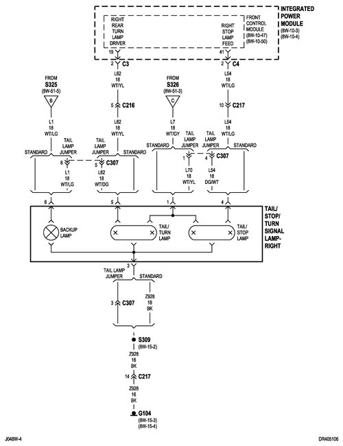
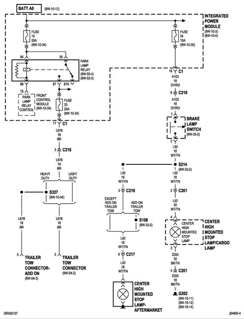
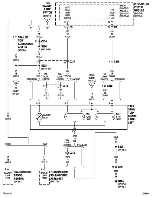
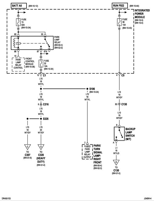
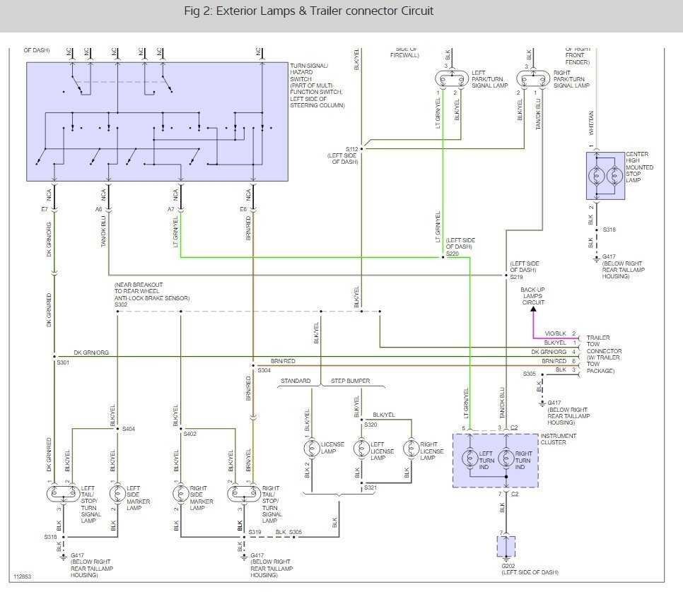
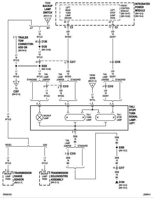
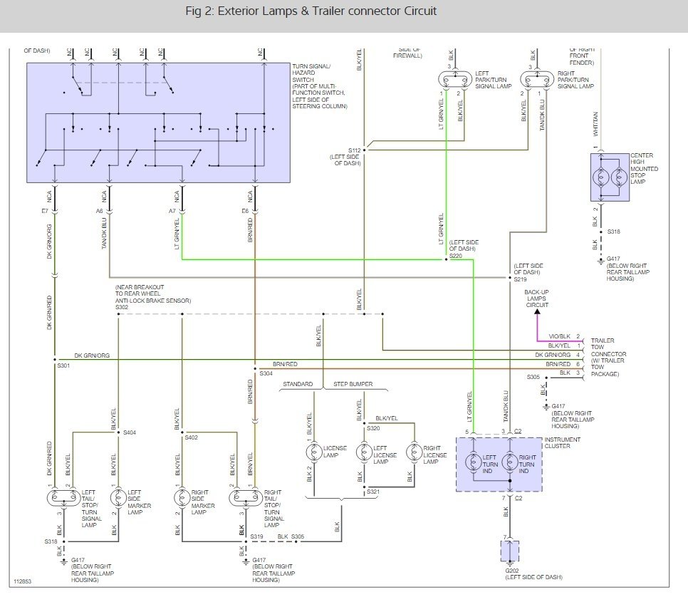
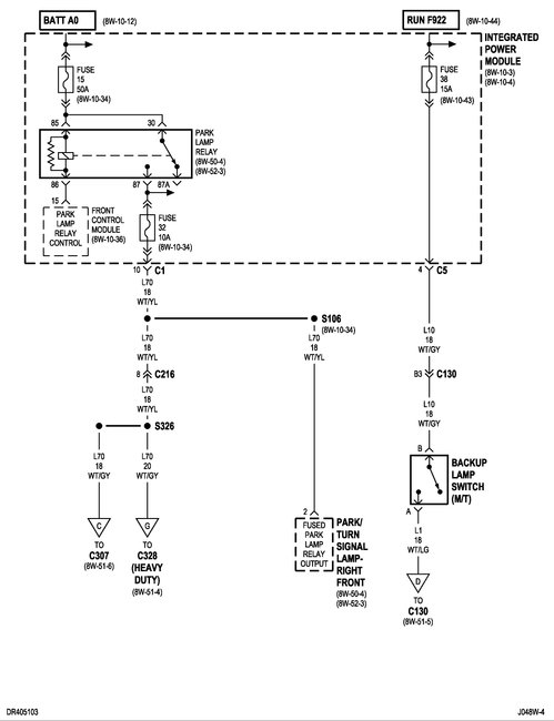
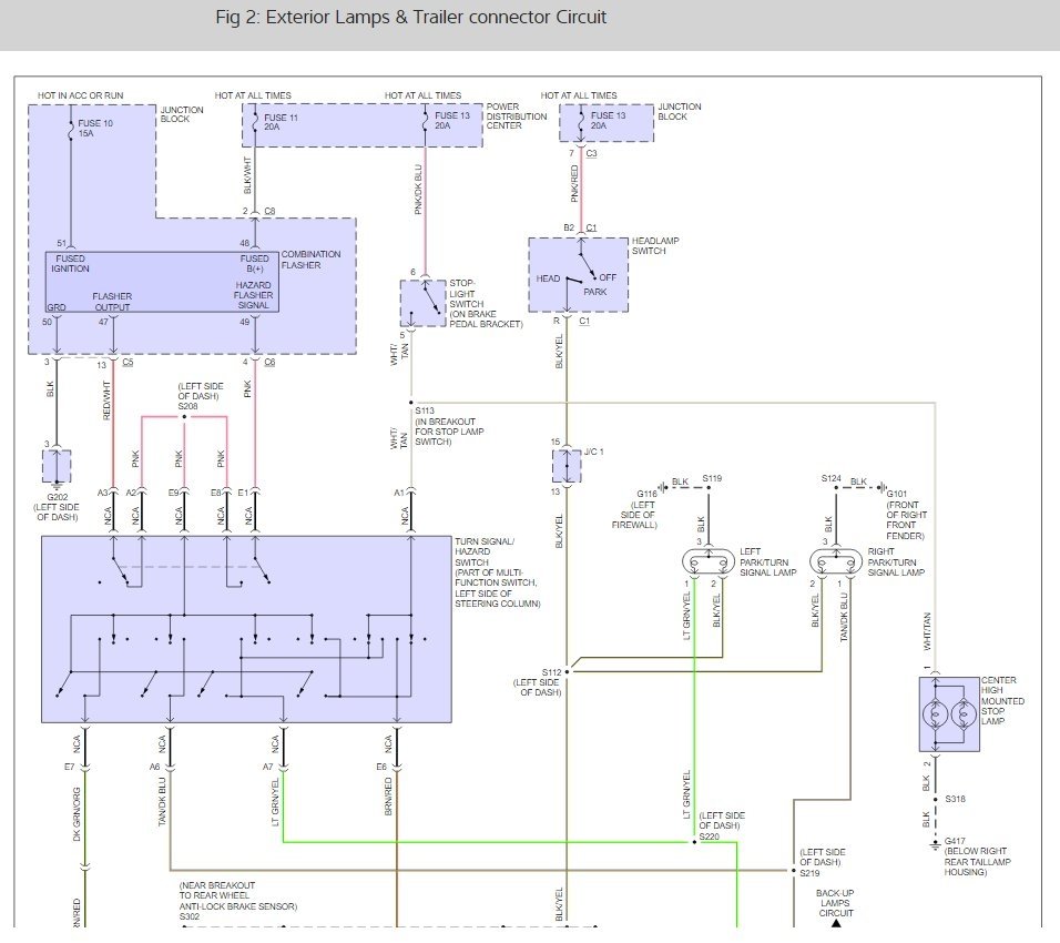
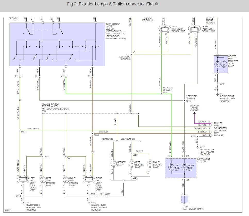
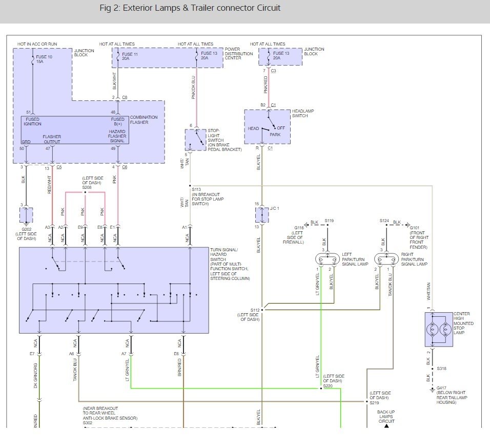
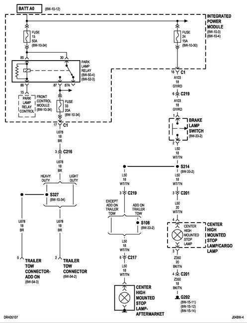
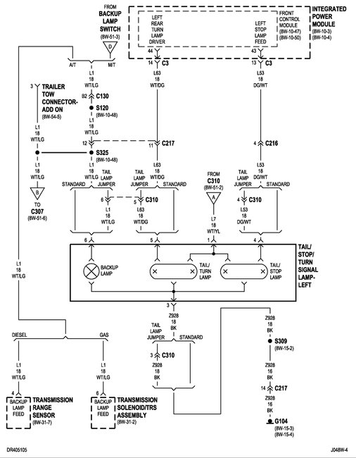
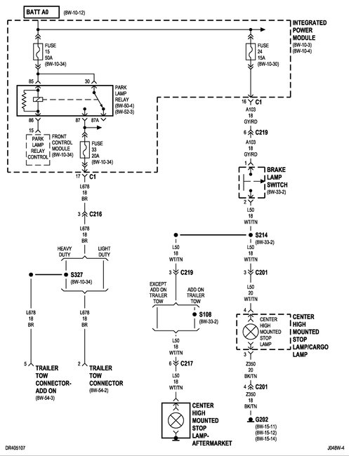
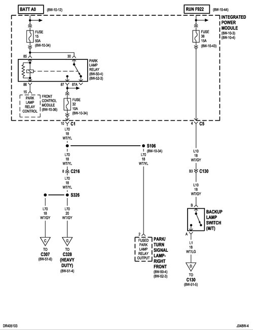
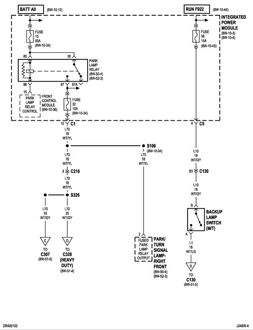
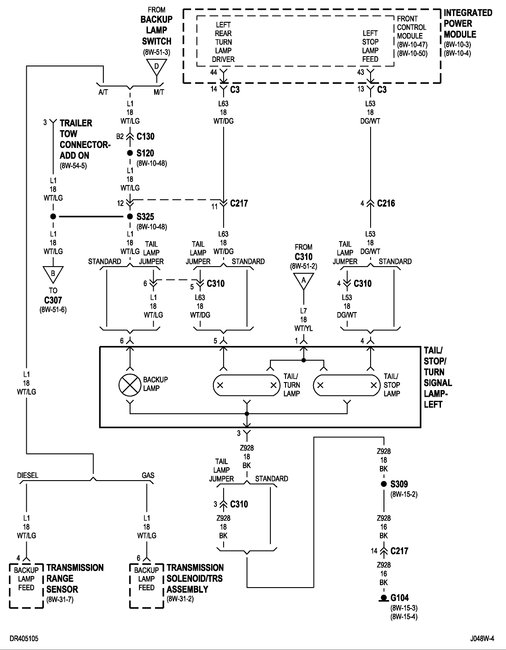
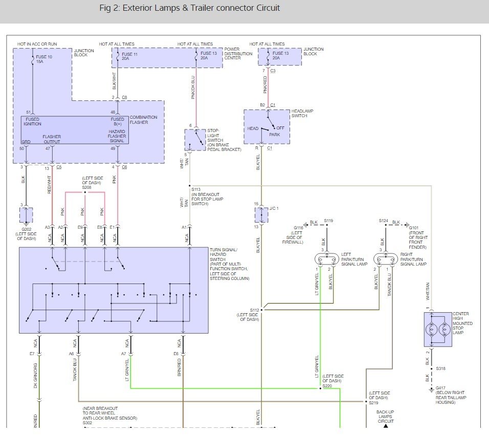
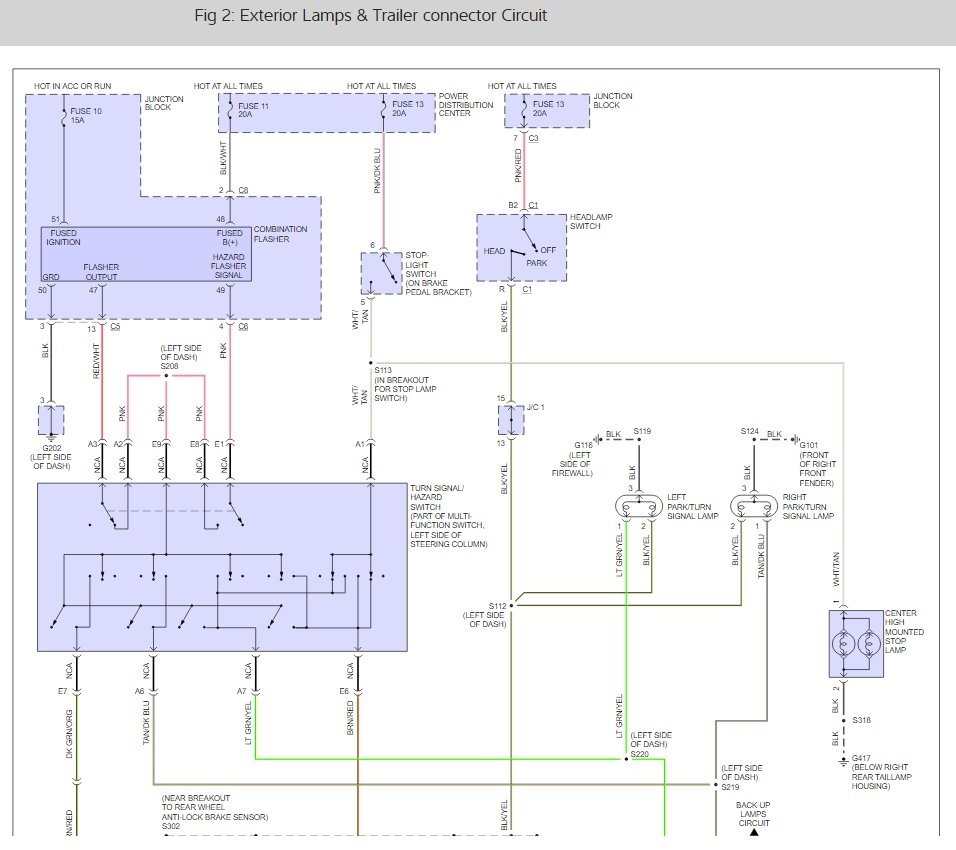
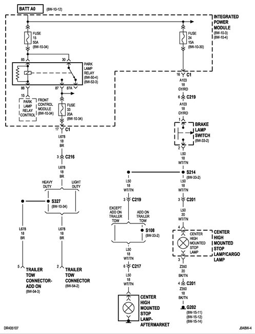
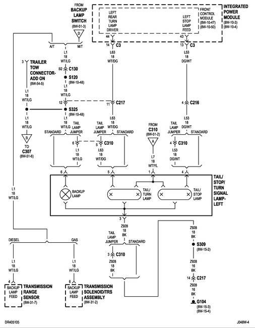
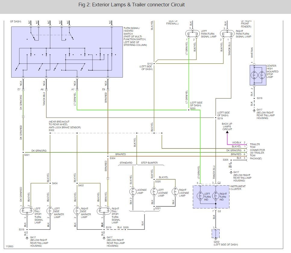
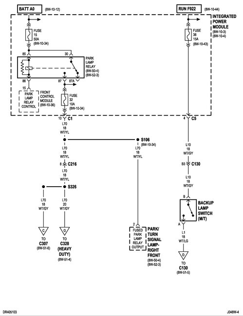
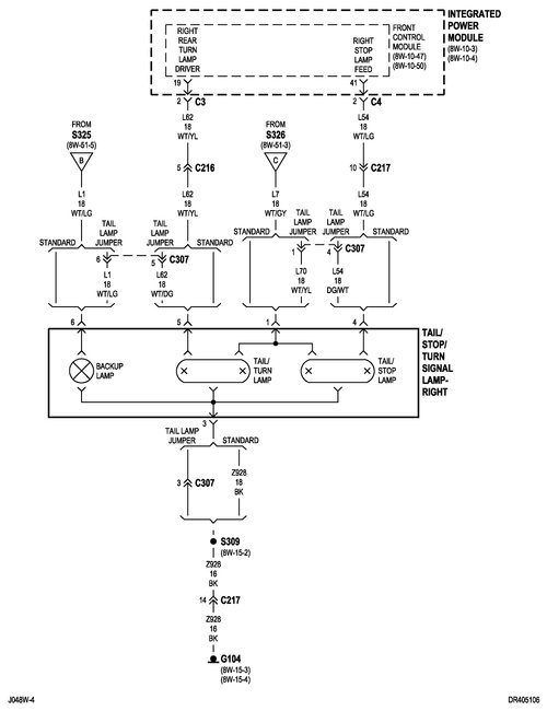
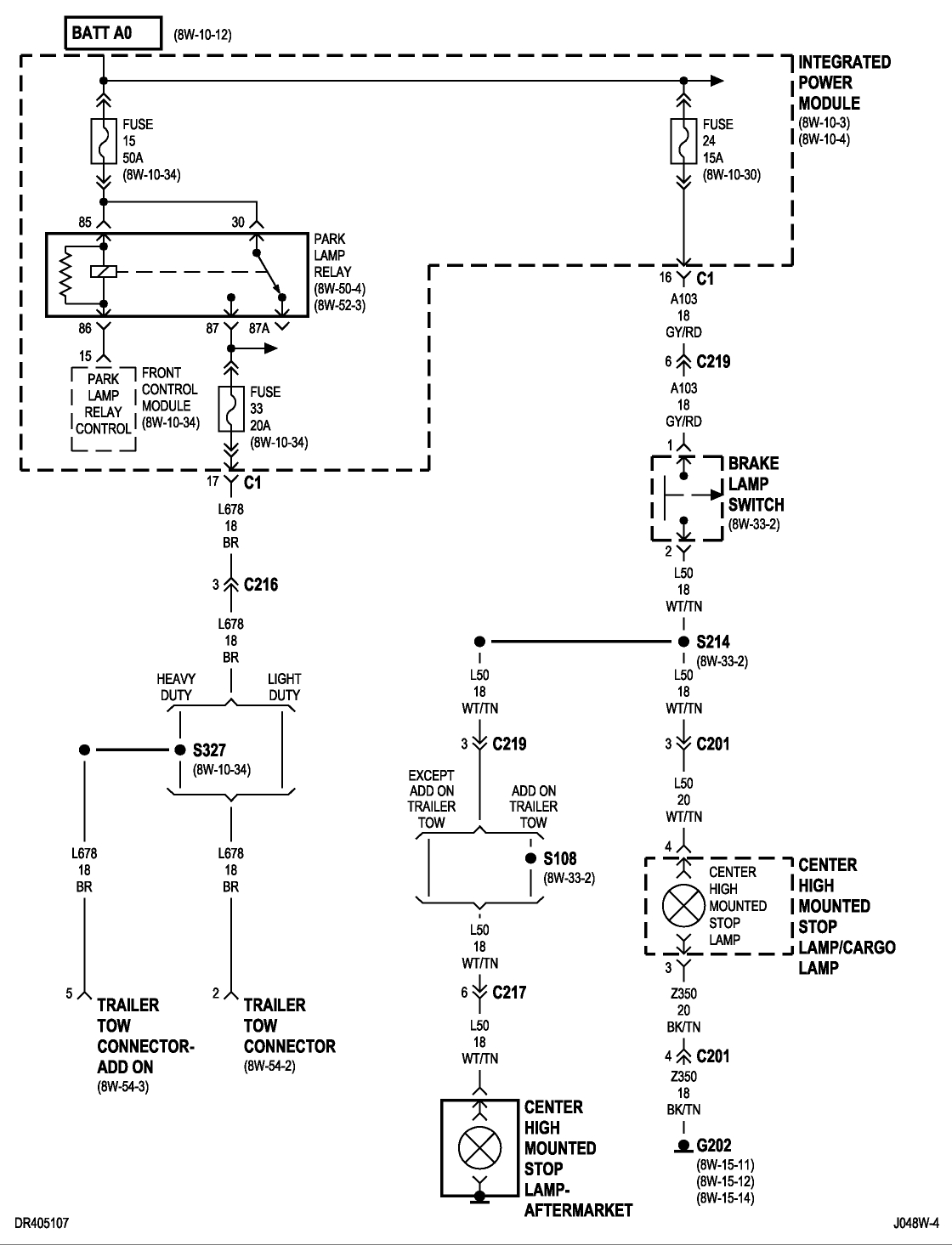
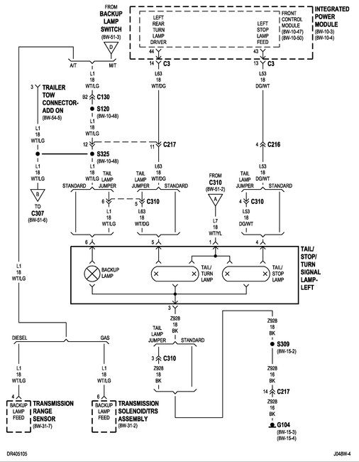
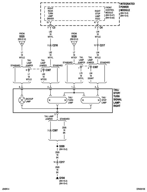
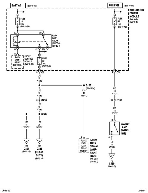
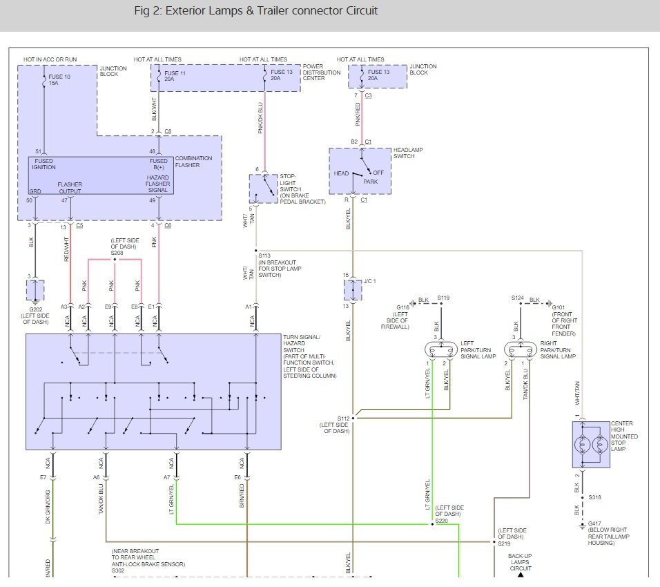
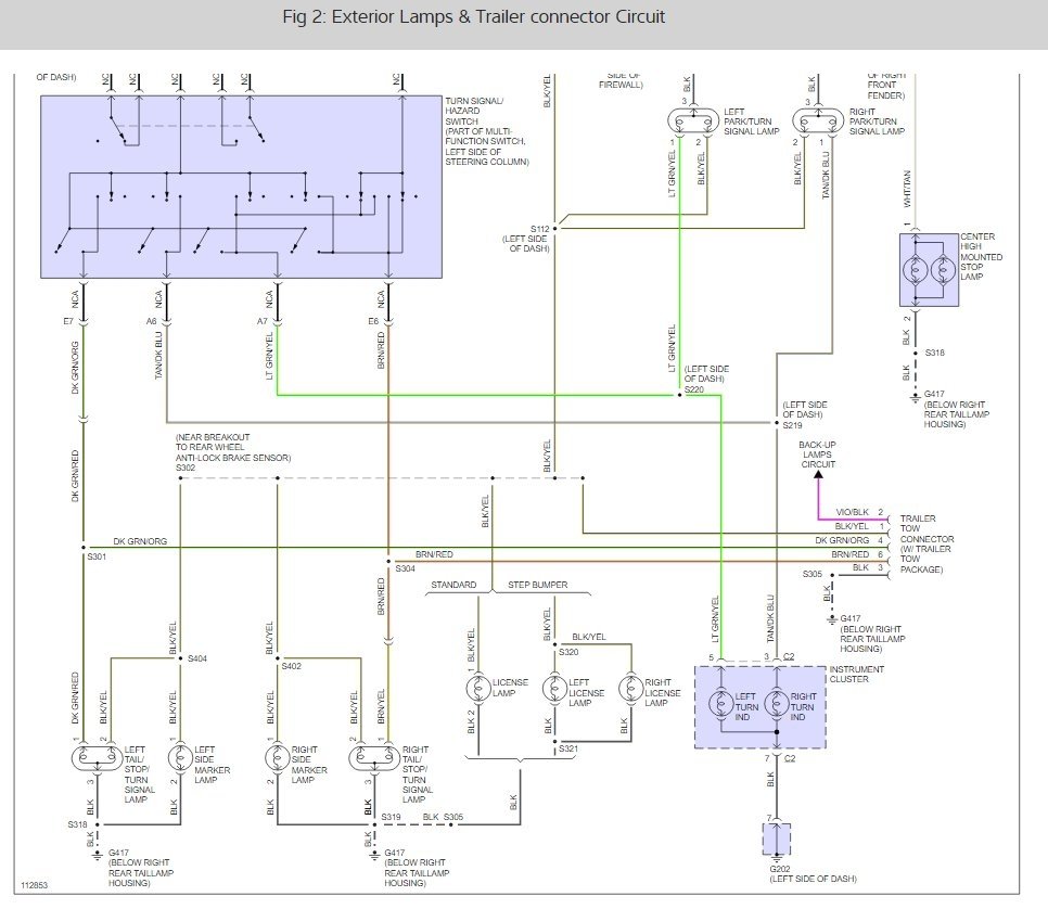
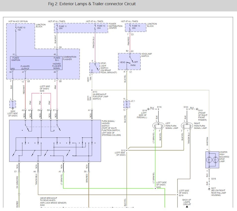
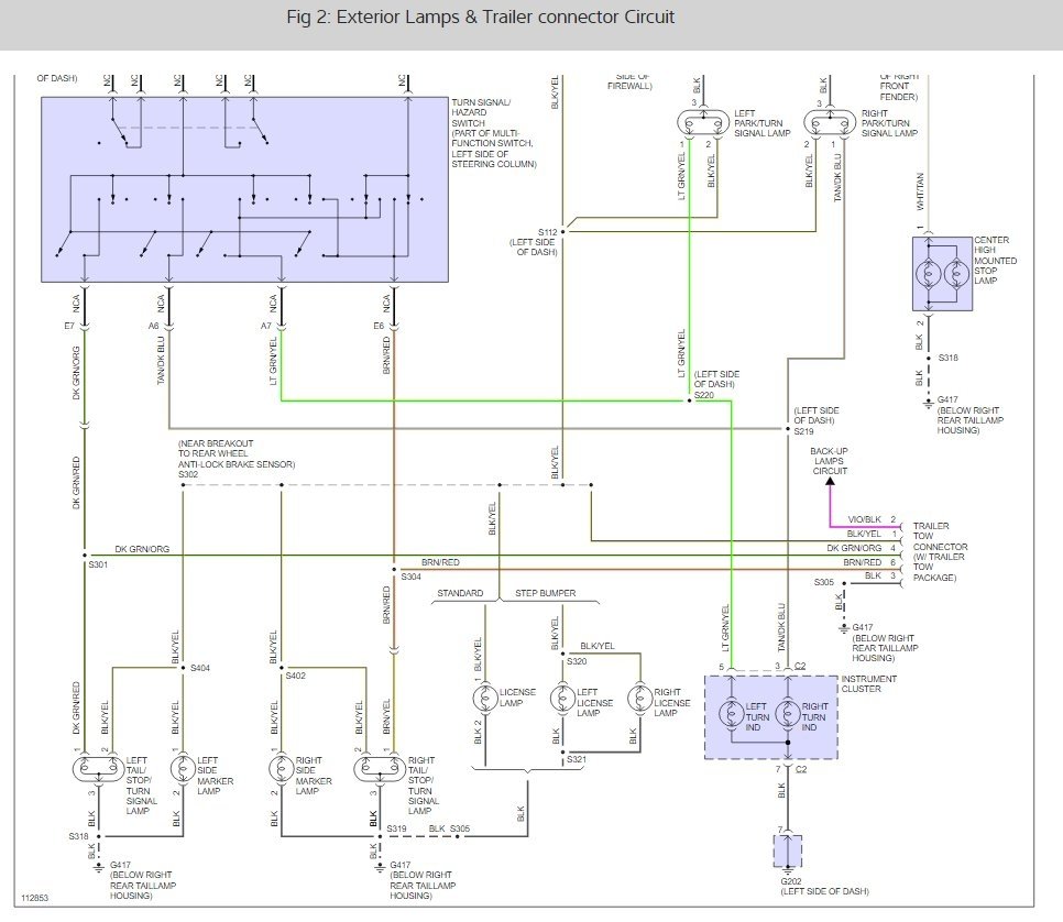
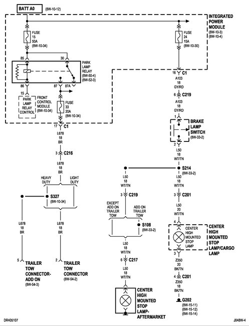
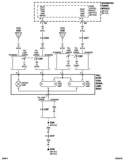
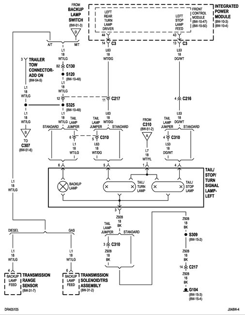
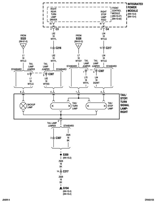
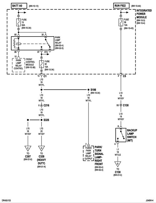
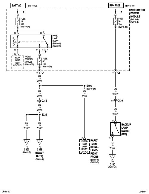
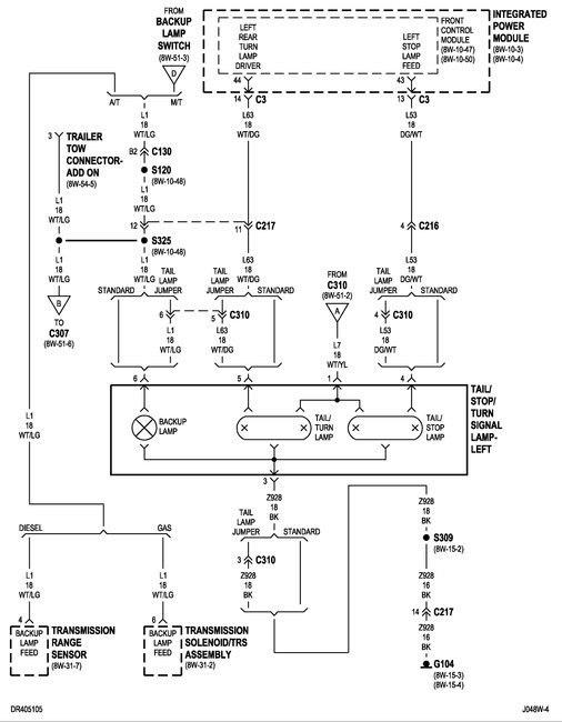
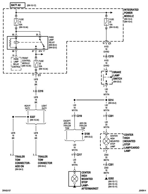
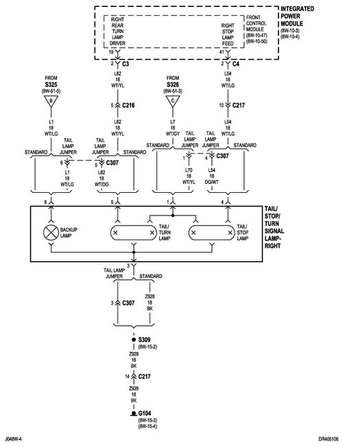
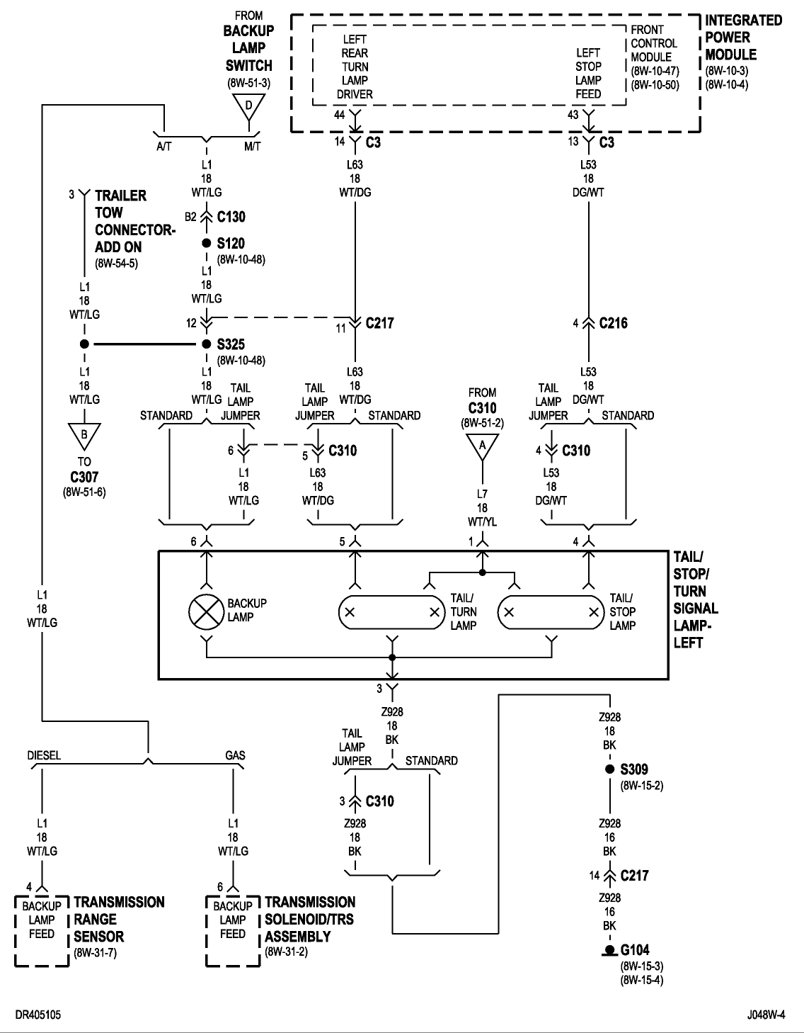
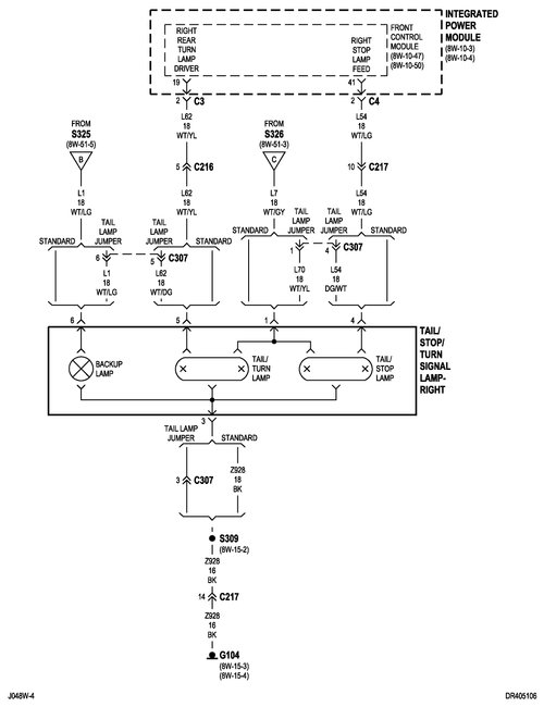
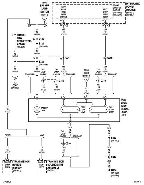
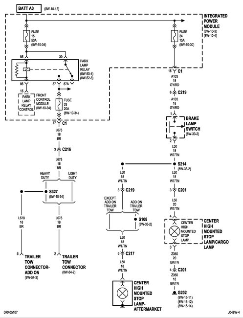
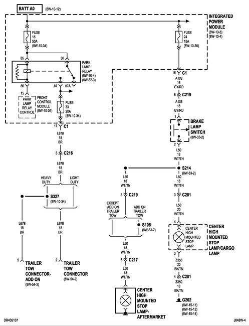
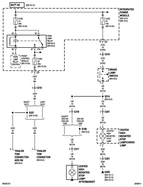
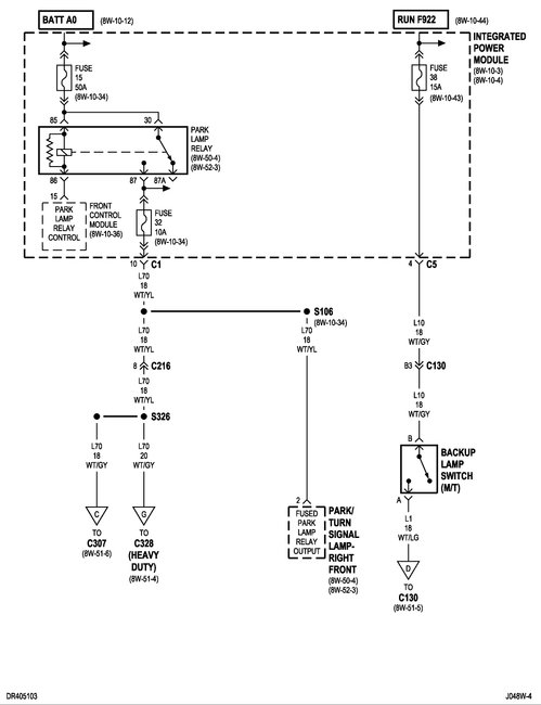
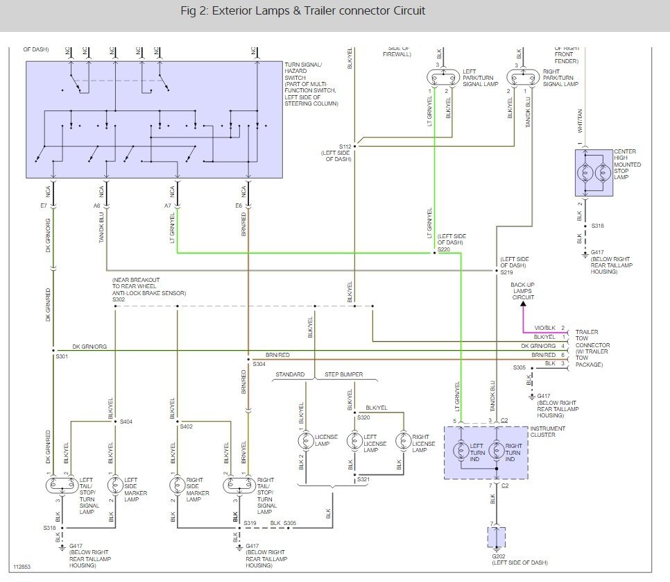
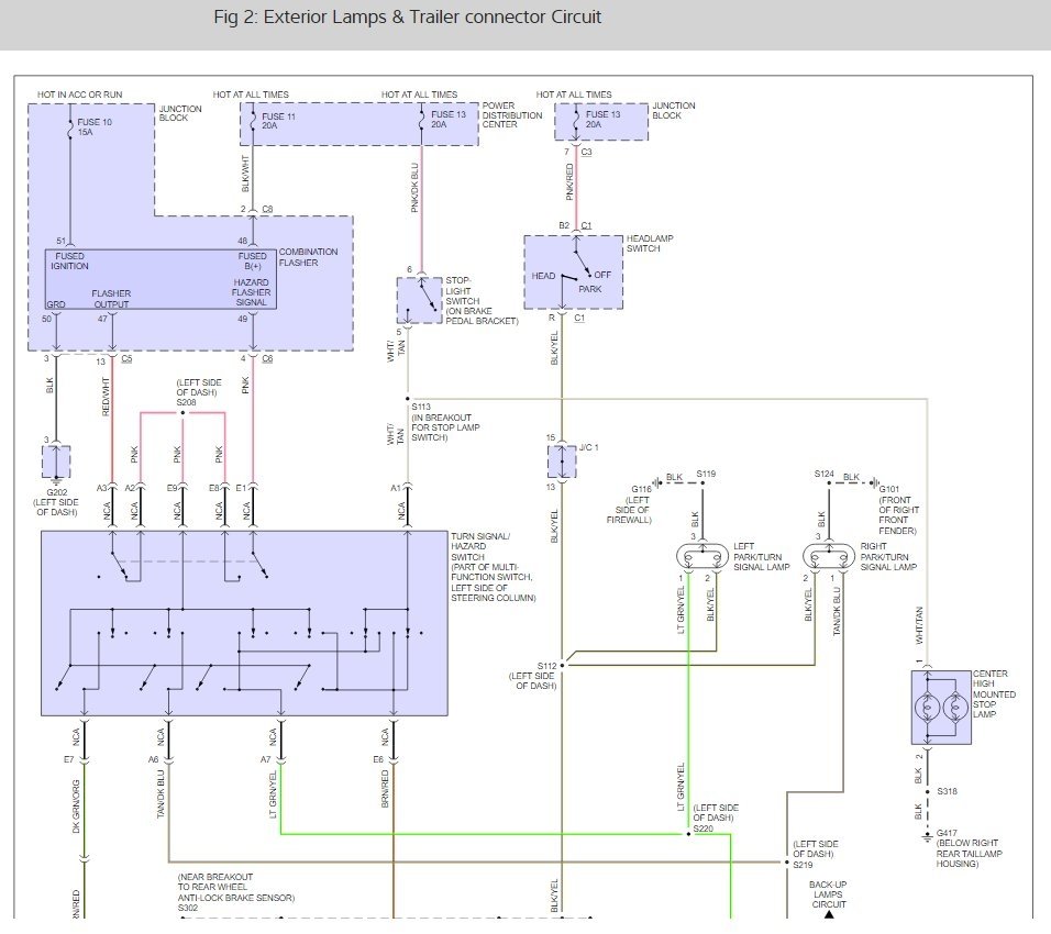
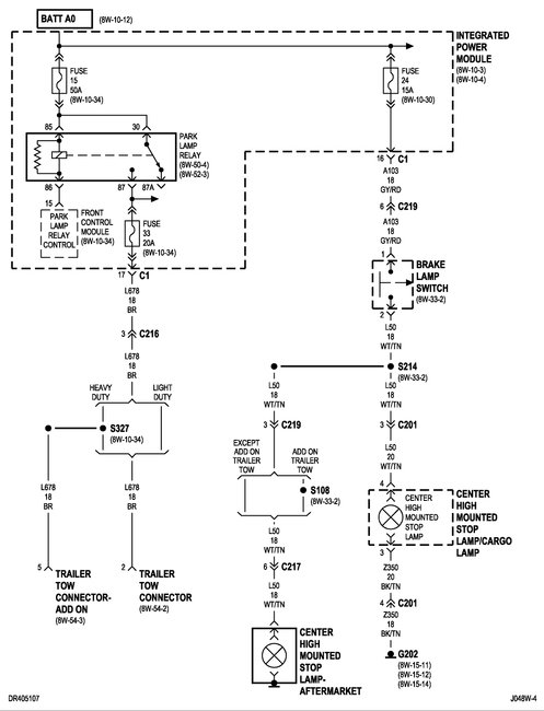
Below are the wiring schematics to give you the wire colors to test.
Was this
answer
helpful?
Yes
No
+5
Wednesday, March 17th, 2021 AT 6:22 PM (Merged)
Tiny
SCOT91
  • MEMBER
  • 3 POSTS
I do have a voltmeter but im not familiar On using them. I do have a test light. But I took my test light and checked the pins on the connector on the tail light on the side it isnt working. The only thing isnt making my test light come on is the brake light. I had the key on the off position and tried the 4 way blinkers and they wouldnt work. Only way they would come on is if I turned the key to the on position. And what is the IPM?
Was this
answer
helpful?
Yes
No
Wednesday, March 17th, 2021 AT 6:22 PM (Merged)
Tiny
SCOT91
  • MEMBER
  • 3 POSTS
Ok on the side that wasnt working its working now I wiggled the connector and they started to work. On the passenger side taillight the middle bulb is bright and the top bulb is kinda dull. The drivers side looks normal. What would cause that? But I have no Brake lights now even when the lights are off.
Was this
answer
helpful?
Yes
No
Wednesday, March 17th, 2021 AT 6:22 PM (Merged)
Tiny
TURTLE1980
  • MEMBER
  • 6 POSTS
  • 2002 DODGE RAM
  • 4.9L
  • V8
  • 2WD
  • AUTOMATIC
  • 272,188 MILES
My truck listed above is a 1500. I checked the bulbs and all fuses. They were all still good. However, when I checked them same fuses with a test light I am not getting power to them in my fuse box. So I took the fuses back out and then touched the metal prongs in the fuse slot with my test light and got nothing. What could be the cause of me not getting power to those certain fuses?
Was this
answer
helpful?
Yes
No
Wednesday, March 17th, 2021 AT 6:22 PM (Merged)
Tiny
STEVE W.
  • MECHANIC
  • 15,679 POSTS
Here is a guide on the meter.
https://www.2carpros.com/articles/how-to-use-a-voltmeter

IPM is the integrated power module. Basically the fuse box and it's controls.

Wiggling the connector tells me you have either a weak connector pin or the wire is broken inside the connector. Both cause the same symptom. I would get a replacement pigtail and install it. That would repair both failure types at once.

4 ways not having power unless the key is on suggests the you may have an issue in the IPM, possibly a blown fuse or bad fuse connector.

Was this
answer
helpful?
Yes
No
+1
Wednesday, March 17th, 2021 AT 6:22 PM (Merged)
Tiny
KASEKENNY
  • MECHANIC
  • 18,907 POSTS
I am not sure which fuses you are checking because the brake lights are controlled through the front control module. However, they are powered through a lighting fuse but so are the parking lights so if the brake lights/tail lights are the only thing not working then the fuse is okay. So let's check the front parking lights as well. If they are not working then you have an issue with the relay.

So, if you are not getting power to the fuse then the relay that is feeding these fuses is not okay.

Here is a guide that will help with testing the park lamp relay:

https://www.2carpros.com/articles/how-to-check-an-electrical-relay-and-wiring-control-circuit

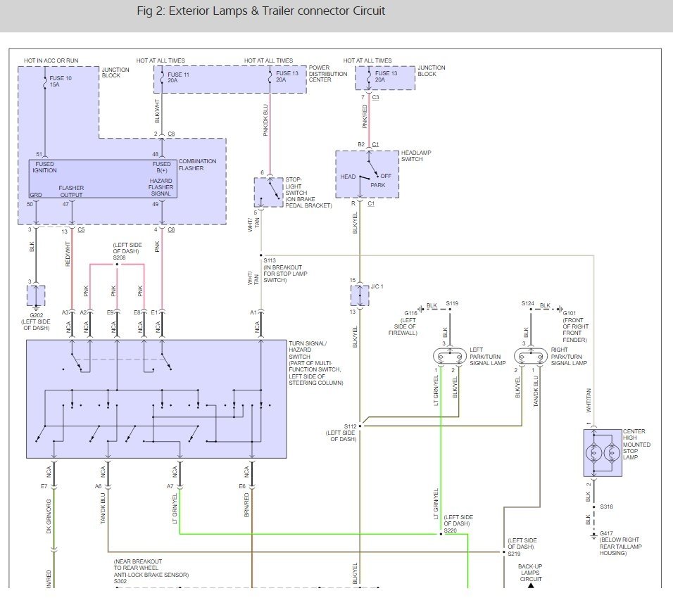
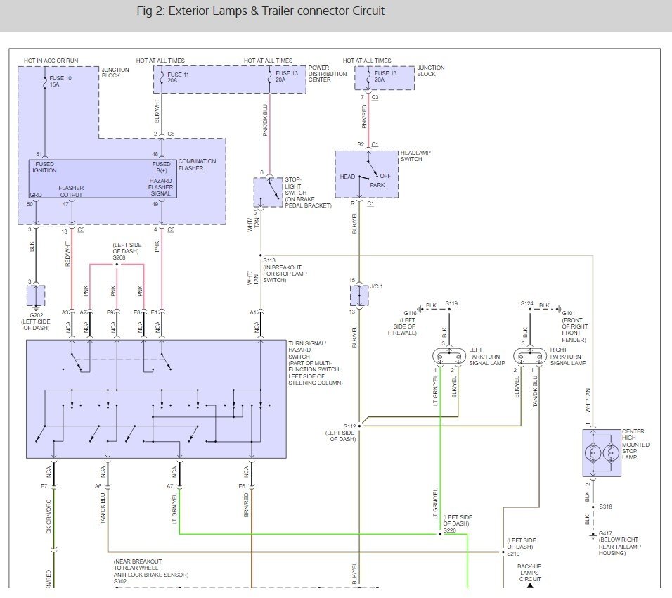
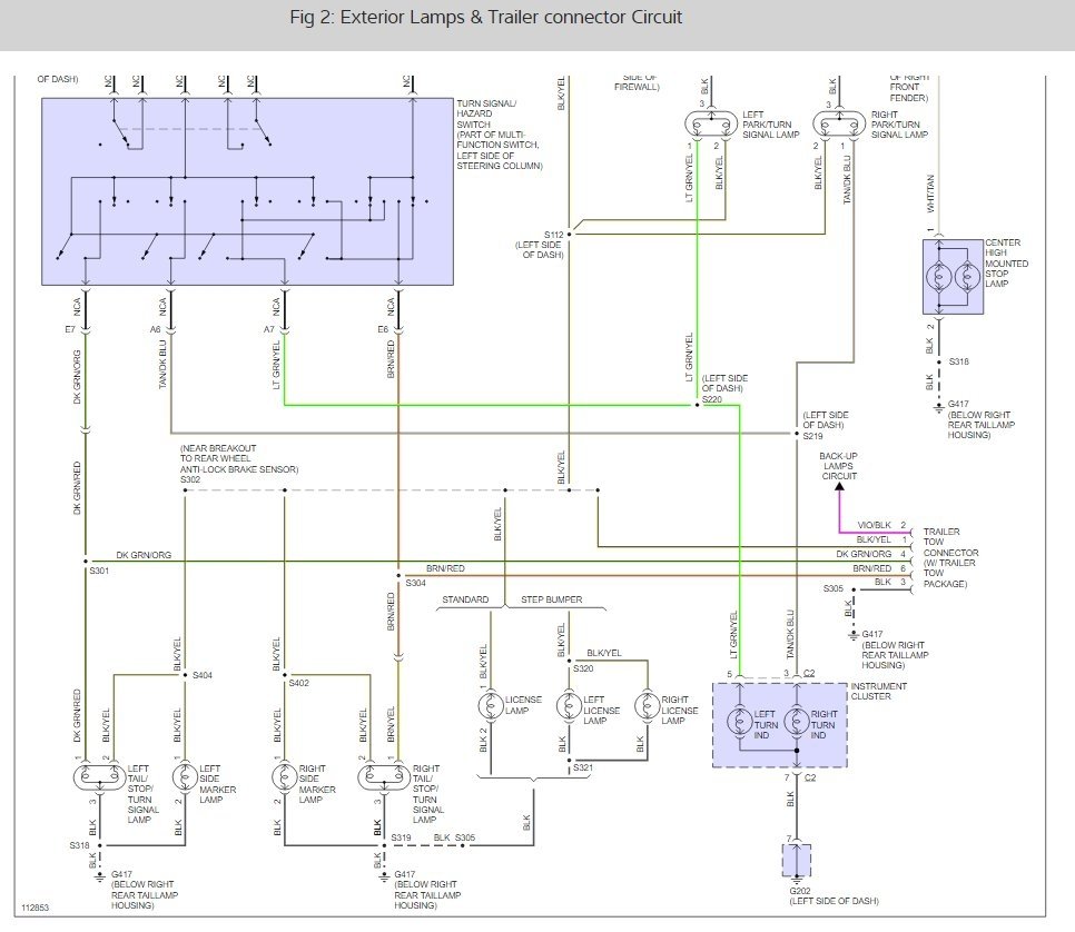
Below is the wiring diagrams that you will need to do this. Please run through this material and let me know what you find. Thanks
Was this
answer
helpful?
Yes
No
Wednesday, March 17th, 2021 AT 6:22 PM (Merged)
Tiny
HARBORMARINE
  • MEMBER
  • 1 POST
  • 2000 DODGE RAM
  • V8
  • 130,000 MILES
My brake lights are not working. I changed the bulbs and that is not the problem. All other tail lights work?
Was this
answer
helpful?
Yes
No
Wednesday, March 17th, 2021 AT 6:22 PM (Merged)
Tiny
JDL
  • MECHANIC
  • 16,098 POSTS
Does the high-mount brake lite work? If not check voltage to and from the brake switch. Brake switch should be activated by brake pedal arm. Pink wire is hot all the time. White wire goes hot when brake switch is activated.
Was this
answer
helpful?
Yes
No
Wednesday, March 17th, 2021 AT 6:22 PM (Merged)
Tiny
MADCOWSCARNIVAL
  • MEMBER
  • 5 POSTS
  • 1999 DODGE RAM
Electrical problem 6 cyl Four Wheel Drive Automatic 130000 miles

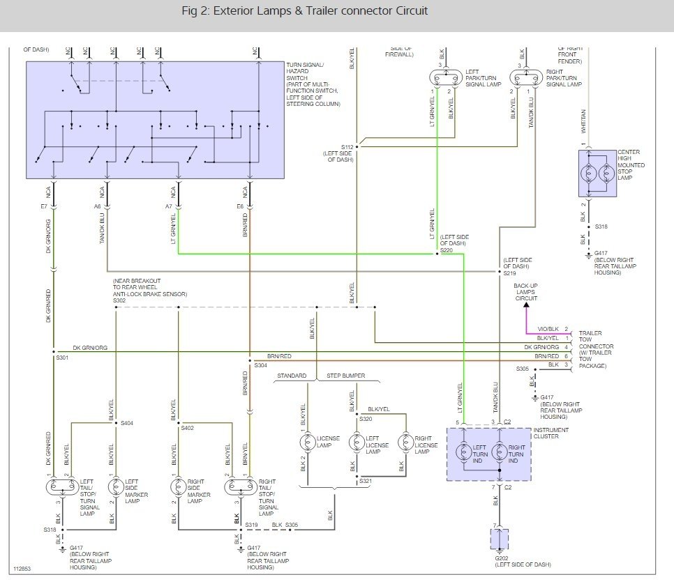
My brake lights quit working a few days ago. All other lights on the truck work. The cruise control works. The bulbs have been tested, they work, the brake controller (aftermarket) has been tested, it works. The brake switch was replaced twice. After that, I diagnosed the leads into the switch. There is NO constant hot into the switch (I believe there should be - pink wire w/ blue(I think) tracer). There is no power coming into the switch at all. I believe dodge sends the brake switch HOT through a multi function switch. Is there a diagram available for this that can be posted? Can the multi function switch be tested? It is a $110 part so I do not want to replace without being sure. The Chilton manual wiring schematics are worthless and very incomplete.

In addition the wiring schematic from the multi function switch to the fog lights would be appreciated, those have not functioned for several years. The lead that grounds out when activated, does not fully ground out (minimal voltage remains).

Vehicle, more specifically that above is a 1999 Ram 2500 Diesel. It is a half year vehicle in that it uses a brake switch from a 2000 Ram.
Was this
answer
helpful?
Yes
No
Wednesday, March 17th, 2021 AT 6:22 PM (Merged)
Tiny
JDL
  • MECHANIC
  • 16,098 POSTS
That is ignition feed, pink wire/dark blue tracer, to the brake switch, goes hot when you turn on the key, there is also a fuse, this info says fuse c 20 amp. If there is a junction where that feed comes from, other than the ignition switch.

Here are a couple of guides and diagrams (below) that will help you get the problem fixed.

https://www.2carpros.com/articles/how-to-check-a-car-fuse

and

https://www.2carpros.com/articles/how-to-use-a-test-light-circuit-tester

Please run some tests and get back to us we are interested to see what it is.
Was this
answer
helpful?
Yes
No
+1
Wednesday, March 17th, 2021 AT 6:22 PM (Merged)
Tiny
MADCOWSCARNIVAL
  • MEMBER
  • 5 POSTS
Thanks but I need the internals of the switch and before the switch so I can check the power in and jump the switch as a test. Also, am I viewing the pictures the wrong way?

This is exactly what I'm looking for.
Was this
answer
helpful?
Yes
No
Wednesday, March 17th, 2021 AT 6:22 PM (Merged)
Tiny
JDL
  • MECHANIC
  • 16,098 POSTS
Hello again, after my morning coffee, I think the brake lights should work, even with the key off. I looked at a couple of databases on the diesel. I think that circuit should be hot all the time. The ignition switch shouldn't have anything to do with it.

The wiring diagram me and you both looked at, does show that fuse circuit goes hot, with the key on.
Was this
answer
helpful?
Yes
No
-1
Wednesday, March 17th, 2021 AT 6:22 PM (Merged)
Tiny
MADCOWSCARNIVAL
  • MEMBER
  • 5 POSTS
Jdl, thanks. I will take a close look at the most recent diagram. It definitely should be hot at all times (coming into the brake light switch). I don't think its necessarily the ignition switch that's a problem, I've seen several places that the lead runs through the multi-function switch, that's what I want to jump. However, it goes through another box between the multi-function switch and brake switch. That's what I need to figure out.
Was this
answer
helpful?
Yes
No
-1
Wednesday, March 17th, 2021 AT 6:22 PM (Merged)
Tiny
JDL
  • MECHANIC
  • 16,098 POSTS


https://www.2carpros.com/forum/automotive_pictures/170934_better_diagram_1.jpg



Is that any better? The diagram I was looking at, I increased the magnification, before I copied, then posted. That fuse is located in the power distribution center.
Was this
answer
helpful?
Yes
No
Wednesday, March 17th, 2021 AT 6:22 PM (Merged)
Tiny
MADCOWSCARNIVAL
  • MEMBER
  • 5 POSTS
Jdl,

Could you also post that same schematic for a 2000 Dodge (blown up in two parts). Some, not all of the wire colors correspond to what I have. The stop switch is most definately from a 2000 dodge though as my truck is some mid-year hybrid.

Also, if you can, where do you get these diagrams? If it is from a technical service manual, I'll happily get one of my own.
Was this
answer
helpful?
Yes
No
Wednesday, March 17th, 2021 AT 6:22 PM (Merged)
Tiny
JDL
  • MECHANIC
  • 16,098 POSTS


https://www.2carpros.com/forum/automotive_pictures/170934_better_better_diagram_1.jpg



I'm not sure that will help much. I was looking at a power distribution wiring diagram. There's more than one page. When I magnify a diagram, I have less of the diagram on the screen. I can only copy what the screen shows.

If your county has a large local library, they should have automotive databases, if you live in a county that they serve, some of their databases, you can access from your home computer, for free.

The database I was looking at, ebscohost database. A lot of libraries carry this database. They also carry Mitchel, but, you have to go to the library to access Mitchel.
Was this
answer
helpful?
Yes
No
-2
Wednesday, March 17th, 2021 AT 6:22 PM (Merged)
Tiny
DRLEHR
  • MEMBER
  • 3 POSTS
I had that problem with my 2002 diesel 2500. Only the rear tail lights quit. Well The guy at sand lake repair store changed a fues and a relay under the hood. Cost me 45 bucks and it worked ok.

Not sure what fuse or relay. But it was all under the hood not in the cab.

I think the fuse was a 40 because I bought a spare and it is still there as an extra. Not quite a blade style. But a funny colored fues resembeling monopoly houses stacked ontop of each other (green) with a clear window to see the fused metal on the inside.

Sorry Im not technical about this but it fixed my problem.

Damon.
Was this
answer
helpful?
Yes
No
Wednesday, March 17th, 2021 AT 6:22 PM (Merged)

Please login or register to post a reply.