The blower fan is not working why?

Tiny
OLD SCHOOL CLINT
  • MEMBER
  • 1 POST
  • 2001 CHEVROLET SILVERADO
  • V8
  • 4WD
  • AUTOMATIC
  • 200,000 MILES
My truck's A/C system has a 5 point switch from 1-5 on blower speed. Blower speeds 1 and 5 stopped functioning but 2-4 worked. I dealt with it. Now 2, 3 and 4 are not working. I hear the compressor kicking in and I believe the trouble is the blower motor or a relay or maybe even the switch in the dash. I do not know where the relay is or how to get to the blower. I have restored and repaired A/C in trucks up to 1987 but after 1987 I am not familiar with these systems. Any information about this problem would be helpful.
Was this
answer
helpful?
Yes
No
Friday, April 30th, 2021 AT 2:23 PM (Merged)
Tiny
ASEMASTER6371
  • MECHANIC
  • 52,796 POSTS
Good morning,

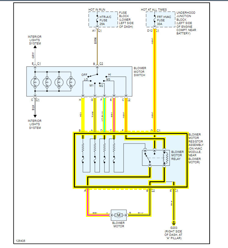
The blower resistor is the most common reason for this.

I attached the location and procedure for you to view of the repair.

I also attached a wiring diagram of the system for you to view. Verify power to the resistor.

https://www.2carpros.com/articles/how-to-check-wiring

Roy

REMOVAL PROCEDURE

imageOpen In New TabZoom/Print

1. Disconnect the electrical connection at the blower motor.
2. Disconnect the electrical connection from the blower motor resistor.

imageOpen In New TabZoom/Print

3. Remove the blower motor resistor retaining screws.

imageOpen In New TabZoom/Print

4. Remove the blower motor resistor.
Was this
answer
helpful?
Yes
No
Friday, April 30th, 2021 AT 2:23 PM (Merged)
Tiny
MAUDE ISADORE
  • MEMBER
  • 1 POST
  • 1998 CHEVROLET SILVERADO
  • 5.7L
  • V8
  • 4WD
  • AUTOMATIC
  • 96,000 MILES
Fan motor started intermittently going on and off but only for a second but then stopped working all together. Checked 25amp fuse by drivers door=Good Larger block fuse under the hood, I did nothing with as I was told if it was bad nothing would have worked at all. Changed resistor on passenger side. Changed Relay on passenger side. Hooked wired from the battery. Changed the heater blower switch and fan blew on all four speeds for the first half of the day but then started working on just low and high and then stopped working all together? What is next?
Was this
answer
helpful?
Yes
No
Friday, April 30th, 2021 AT 2:24 PM (Merged)
Tiny
ASEMASTER6371
  • MECHANIC
  • 52,796 POSTS
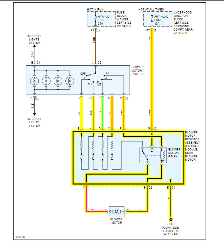
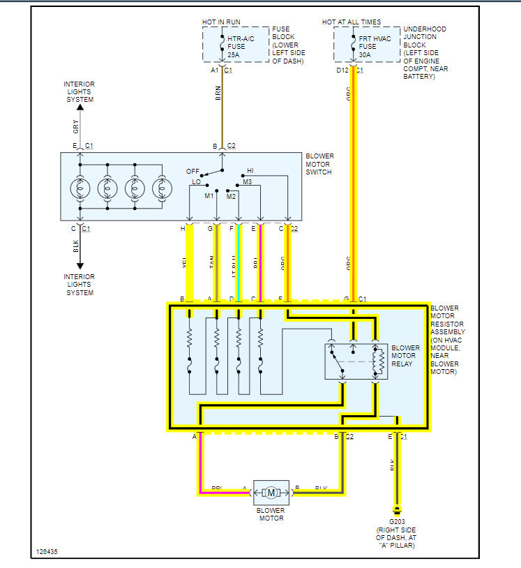
I attached a diagram of the system for you below. Check for voltage to the blower motor when it does not work to see if the blower motor is the issue.

https://www.2carpros.com/articles/low-or-no-air-flow-from-vents

https://www.2carpros.com/articles/how-to-check-wiring

https://www.2carpros.com/articles/how-to-use-a-voltmeter

Roy
Was this
answer
helpful?
Yes
No
Friday, April 30th, 2021 AT 2:24 PM (Merged)
Tiny
DRYAN1
  • MEMBER
  • 1 POST
  • 1995 CHEVROLET SILVERADO
  • 5.7L
  • V8
  • 2WD
  • AUTOMATIC
  • 265,000 MILES
Blower motor quit and it started gradually stopping and then is just stopped completely. I changed the motor, resistor, relay, checked the fuses. My wipers are intermittent, my abs light stays on, and the cruise quit. Is the problem with the ignition switch?
Was this
answer
helpful?
Yes
No
Friday, April 30th, 2021 AT 2:24 PM (Merged)
Tiny
RENEE L
  • ADMIN
  • 1,260 POSTS
Here is a link to an article form this site that features written instructions, pictures and a video explaining how to check the blower yourself.

https://www.2carpros.com/articles/blower-fan-motor-works-on-high-speed-only
Was this
answer
helpful?
Yes
No
Friday, April 30th, 2021 AT 2:25 PM (Merged)
Tiny
BRAD LAWSON
  • MEMBER
  • 1 POST
  • 2002 CHEVROLET SILVERADO
  • 5.3L
  • V8
  • 4WD
  • AUTOMATIC
  • 232,000 MILES
The heater would sound like it was blowing good but not much air came out. It was better in vent than on defrost. Now it won't blow air at all.
Was this
answer
helpful?
Yes
No
Friday, April 30th, 2021 AT 4:18 PM (Merged)
Tiny
KEN L
  • MASTER CERTIFIED MECHANIC
  • 55,141 POSTS
Hello,

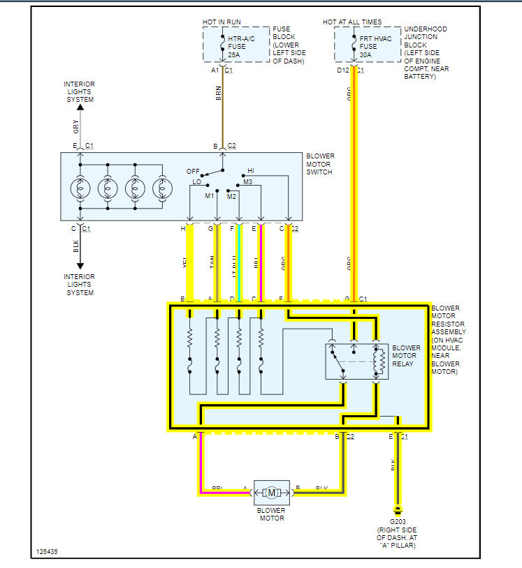
It sounds like you have a blower motor that is out. but to confirm the issue lets use a test light to see if the blower motor is getting power. Here are two guides to help us see what's going on with the blower motor wiring diagrams so you can see how the system works:

https://www.2carpros.com/articles/how-to-use-a-test-light-circuit-tester

and

https://www.2carpros.com/articles/blower-fan-motor-works-on-high-speed-only

Check out the diagrams (below). Please let us know what you find. We are interested to see what it is.
Was this
answer
helpful?
Yes
No
Friday, April 30th, 2021 AT 4:18 PM (Merged)
Tiny
JWELZBACHER
  • MEMBER
  • 2 POSTS
  • 2000 CHEVROLET SILVERADO
  • 4.3L
  • 6 CYL
  • 2WD
  • MANUAL
  • 280,000 MILES
I have a part truck so I took it out of it to replace. It still didn’t work. I took my controls my relay an my blower to part truck an hooked it all up everything works fine. I rehooked everything back up in my truck still doesn’t work. I put a meter on it in my truck an I am getting power all the way to blower but it want kick on for whatever reason. Any ideas?
Was this
answer
helpful?
Yes
No
Tuesday, May 25th, 2021 AT 11:46 AM (Merged)
Tiny
ASEMASTER6371
  • MECHANIC
  • 52,796 POSTS
Good afternoon,

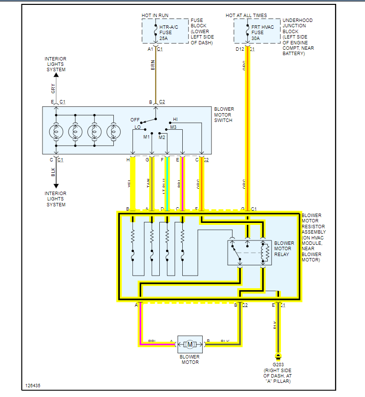
This sounds like the blower motor resistor that is the issue.

https://www.2carpros.com/articles/how-to-check-wiring

I attached the procedure for you of replacing the resistor.

https://www.2carpros.com/articles/low-or-no-air-flow-from-vents

Roy
Was this
answer
helpful?
Yes
No
Tuesday, May 25th, 2021 AT 11:46 AM (Merged)

Please login or register to post a reply.