Heater will not blow hot air

Tiny
HINSON
  • MEMBER
  • 2002 DODGE RAM
  • V8
  • 2WD
  • AUTOMATIC
  • 117,000 MILES
Sometimes you can hear a door pop open then it will work but that's not a lot.
Tuesday, December 3rd, 2019 AT 2:20 PM

4 Replies

Tiny
DANNY L
  • MECHANIC
  • 5,648 POSTS
Hello, I'm Danny.

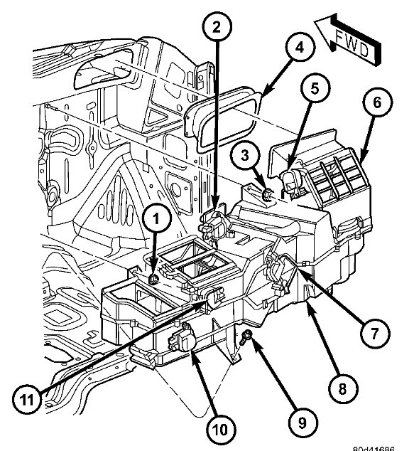
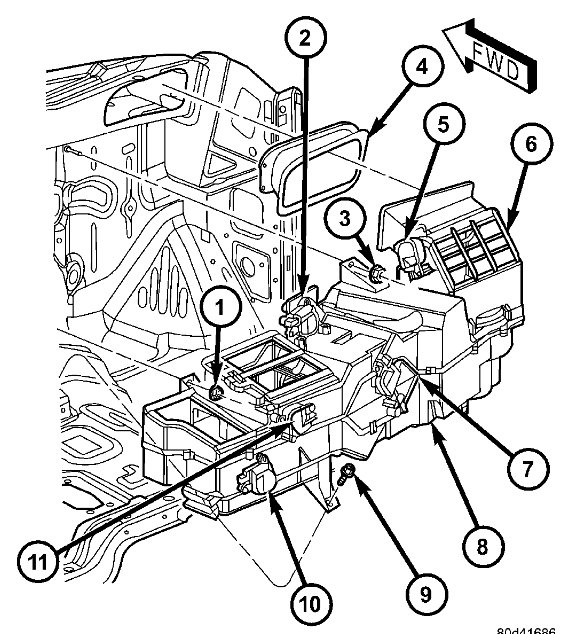
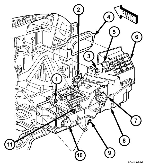
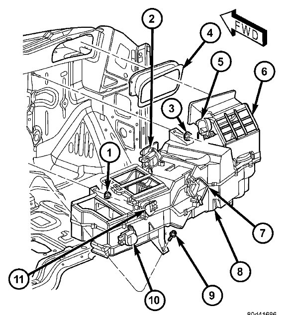
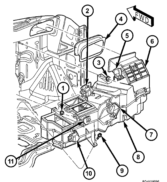
Yes, it sounds like you are having trouble with the blend door actuators.They are small electric motors that open/close a flap to direct air through the specific vents.Here is a tutorial showing how to replace:

https://www.2carpros.com/articles/replace-blend-door-motor

I've attached step-by-step instructions below for replacement and also their location.There is a driver and passenger side actuator.Hope this helps and thanks for using 2CarPros.
Was this
answer
helpful?
Yes
No
Friday, April 23rd, 2021 AT 10:54 AM
Tiny
HINSON
  • MEMBER
  • 3 POSTS
There's not a clicking sound in the dash when the trucks running or I turn any of the controls. The actuators look like they turn like they are supposed to. How do you recalibrate the system?
Was this
answer
helpful?
Yes
No
Friday, April 23rd, 2021 AT 10:54 AM
Tiny
HINSON
  • MEMBER
  • 3 POSTS
How to get air out of vacuum lines of heater by jacking up?
Was this
answer
helpful?
Yes
No
Friday, April 23rd, 2021 AT 10:54 AM
Tiny
KEN L
  • MASTER CERTIFIED MECHANIC
  • 55,488 POSTS
Yes, jacking the front or rear the the truck up and can force the air pocket out of the heater core. here are two guides to help:

https://www.2carpros.com/articles/jack-up-and-lift-your-car-safely

and

https://www.2carpros.com/articles/car-heater-not-working

Please run down these guides and report back.

Was this
answer
helpful?
Yes
No
Friday, April 23rd, 2021 AT 10:54 AM

Please login or register to post a reply.