Monday, March 29th, 2021 AT 12:33 PM
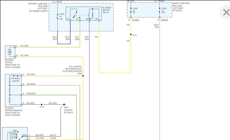
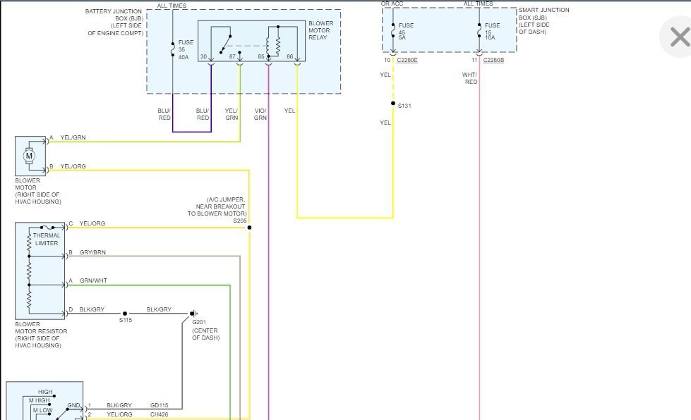
All of a sudden my A/C clutch will not engage. Low side pressure reads about 37-38 PSI. Fuses and relays are good. Clutch engages if I take the relay out and jump it there. High side pressure switch is good. I'm not sure what else could be the issue or what to check next.













