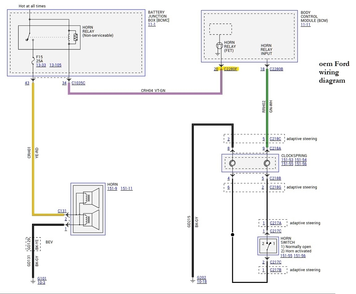
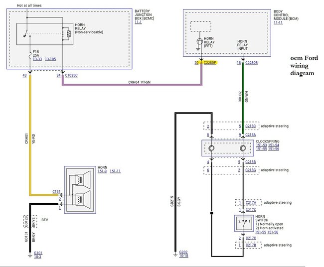
I bought my truck almost a year ago and I can say so far it hasn’t given me any problems. The only thing is that the horn is does not work. I will have to pass inspection soon and I need help.
I tested for the horns fuse and it was working just fine. I thought maybe the fuse was fried or something. Here is the interesting part. I reset my entire display system and surprisingly the horn started to work again. Maybe 3-5 minutes passed by and I tried to use the horn again but it stopped working again. Could it be an electrical issue?
I tested for the horns fuse and it was working just fine. I thought maybe the fuse was fried or something. Here is the interesting part. I reset my entire display system and surprisingly the horn started to work again. Maybe 3-5 minutes passed by and I tried to use the horn again but it stopped working again. Could it be an electrical issue?
Jan 7, 2026 at 12:21 AM



