No crank no start

Tiny
ROBERTO GONZALEZ
  • MEMBER
  • 2008 MAZDA TRIBUTE HYBRID
  • 4 CYL
  • 2WD
  • AUTOMATIC
  • 200,000 MILES
Tried jump start method but battery seems to be good (not sure how to check the big other bigger battery though ). Got a couple codes on the scanner one being TPS throttle body positioning sensor, others where as far as I can tell not serious as far as a reason for the vehicle not to start. Never really had or dealt with a Hybrid car and not sure even where to start. Has anyone had this issue?
Saturday, March 23rd, 2019 AT 6:01 PM

1 Reply

Tiny
JACOBANDNICKOLAS
  • MECHANIC
  • 110,194 POSTS
Welcome to 2CarPros.

There are a few things that can cause a no crank condition. First, see if it will start in neutral. Also, make sure the battery terminals are clean and tight. Check If you are sure the battery is good, follow this link to see if there is a problem with the starter or if the problem is before the starter.

https://www.2carpros.com/articles/everything-goes-dead-when-engine-is-cranked

https://www.2carpros.com/articles/starter-not-working-repair

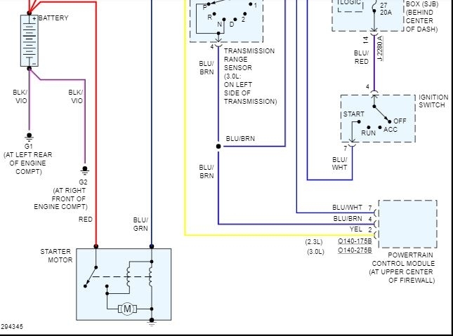
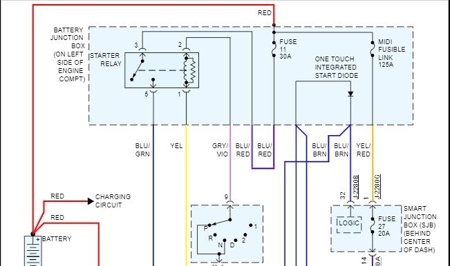
If there is power to the starter, replace it. Next, if there is no power, you need to check fuses and the starter relay. I attached two pictures of the starting system. They are pic 5 and 6. The schematic shows where the relay is as well as the fuses that need checked. Here are a few links you may find helpful:

https://www.2carpros.com/articles/how-to-check-an-electrical-relay-and-wiring-control-circuit

https://www.2carpros.com/articles/how-a-car-fuse-works

https://www.2carpros.com/articles/how-to-check-a-car-fuse

https://www.2carpros.com/articles/how-to-use-a-test-light-circuit-tester

https://www.2carpros.com/articles/how-to-use-a-voltmeter

https://www.2carpros.com/articles/how-to-check-wiring

If none of that helps, then pin point testing needs to be done.

Here are the specific directions for this condition. It is involved. The attached pictures are the actual diagnostic flow chart.

_________________________

PINPOINT TEST 1: THE ENGINE DOES NOT CRANK

Normal Operation

Constant power is supplied to the starter relay on circuit (L/R). When the key is placed in the START position, with the vehicle in PARK or NEUTRAL (automatic transaxle) or clutch depressed, clutch cutoff switch (manual transaxle), the PCM provides power to the starter relay on circuit (GY/V). The PCM provides ground to the starter relay coil on circuit (Y) to the starter relay. When the coil of the relay is energized, it sends power to the starter motor on circuit (BR/G).

Possible Causes
- Battery
- Ignition switch
- Starter relay
- Anti-theft system
- Wiring, terminals or connectors
- Powertrain control module (PCM)

Diagnostic Procedure / see attached pics.

__________________________________

I realize this is a lot. However, there are many different things that can cause this problem. I hope this helps. Let me know if you have questions or need help.

Take care,
Joe
Was this
answer
helpful?
Yes
No
Saturday, March 23rd, 2019 AT 9:53 PM

Please login or register to post a reply.