Engine Wont turn over?

Tiny
SLY74745
  • MEMBER
  • 2006 JEEP LIBERTY
  • 76,000 MILES
My 2006 jeep liberty, wont turn over, it has power to lights and all the switches work, put a new starter in, put a screw driver to starter and it turned over but would not start. Battery is good, 13.41 volts on the amp meter. Put it in neutral and park. Back and put new starter on, and still wont turn over, light and all the gauges work including locks and alarm, put a screw driver to starter, it turned over but still wont start, battery has 13.12 amps on the amp meter so battery is good. Put it in neutral and park back and forth, still nothing.
Monday, January 2nd, 2012 AT 8:49 PM

37 Replies

Tiny
SUMOSUMO
  • MEMBER
  • 1 POST
I had the same terrible time with my liberty. No start lights and radio and acc work fine battery and starter fine but no crank the ignition actuator pin is broke in the steering column to verify no power going to your starter relay check fuse 28 with a voltmeter if fuse is good you should have 12v at the fuse when someone put the key to start you should get 12 volts.

If no remove the steering column cover 2 torx screws on bottom. Now check the red wire at the ignition switch hot all the time 12v now check the light blue / red wire at the ignition switch when you put the key to start position you should get 12v at the light blue /red wire if No your ignition actuator is the issue.

Remove the multi function switch on top remove the 2 torx screws and just move it to the side. Noe remove the 1 torx screw to free the ignition switch. Now remove the key cylinder put key in the RUN position and press the tab on the bottom on the cylinder and pull the lock out.

Now remove 2 torx screws on the plate on bottom. Just be careful you don't lose the spring that is inside of the plate. Now you can pull the ignition actuator and ignition switch out. Remove the harness from the ignition switch. Now just pull apart the actuator from the switch. You are going to need T-10 And T -20 security torx bits. Reverse process to install if your not sure just take some pics as you go.

Good Luck
Was this
answer
helpful?
Yes
No
+15
Sunday, March 13th, 2016 AT 7:09 AM
Tiny
KEN L
  • MASTER CERTIFIED MECHANIC
  • 55,420 POSTS
Hello,

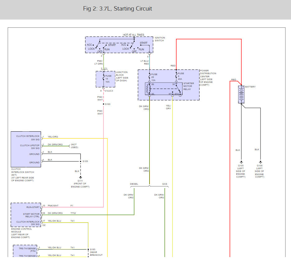
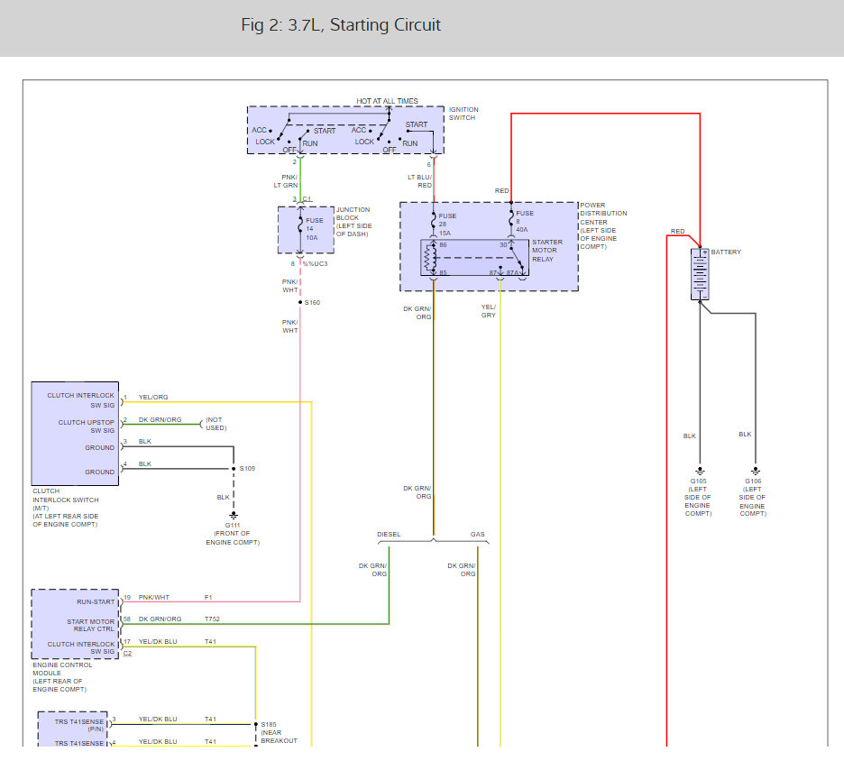
It sounds like you have a starter lay that is not working here's a guide to help you confirm the failure.

https://www.2carpros.com/articles/how-to-check-an-electrical-relay-and-wiring-control-circuit

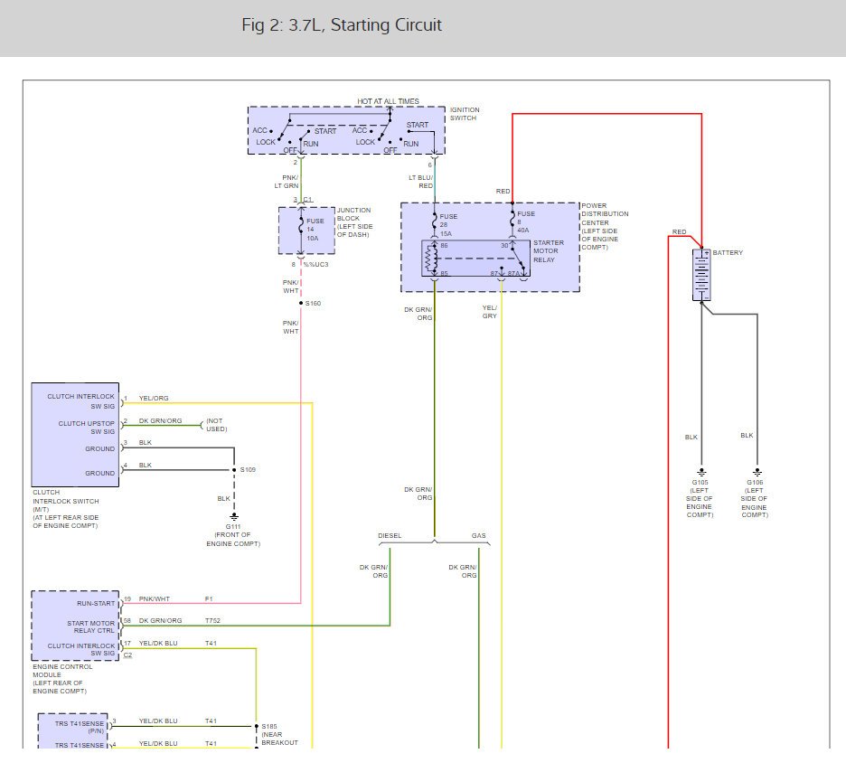
Here is the wiring diagrams and fuse and relay locations for your car.

Check out the diagrams (Below)

Let us know what happens and please upload pictures or videos of the problem.

Cheers, Ken
Was this
answer
helpful?
Yes
No
+5
Thursday, December 21st, 2017 AT 12:55 PM
Tiny
DG1012
  • MEMBER
  • 1 POST
  • 2005 JEEP LIBERTY
  • 150,000 MILES
My daughter can drive the jeep for an hour or so and kill it, get back in it in 15 min or less and it will turn over but wont start. Let it set for 15 or so and it starts and runs fine!
Was this
answer
helpful?
Yes
No
+3
Thursday, December 21st, 2017 AT 12:55 PM (Merged)
Tiny
RASMATAZ
  • MECHANIC
  • 75,992 POSTS
When you turn the key to the on position without cranking the engine over can you hear the fuel pump run in the tank for 5 seconds?

https://www.2carpros.com/articles/car-cranks-but-wont-start

Please run down this guide and report back.
Was this
answer
helpful?
Yes
No
-2
Thursday, December 21st, 2017 AT 12:55 PM (Merged)
Tiny
MKRAUSE
  • MEMBER
  • 5 POSTS
  • 2008 JEEP LIBERTY
  • 65,000 MILES
Opened the locked Jeep with the remote, got in, turned the key, all the lights in the dash went on but the engine did not turn over. Currently, the remote(s) do not work. Headlights, turn signals, horn, power windows all work. Battery cables cleaned. Still the engine will not turn over. Had it towed to garage and the mechanic confirmed all the above and is stumped. Help please.
Was this
answer
helpful?
Yes
No
-1
Thursday, December 21st, 2017 AT 12:56 PM (Merged)
Tiny
RASMATAZ
  • MECHANIC
  • 75,992 POSTS
You sure its not coming from the security system? When you turn key to cranking position do you hear the stater motor engaging the engine or nothing at all?
Was this
answer
helpful?
Yes
No
+4
Thursday, December 21st, 2017 AT 12:56 PM (Merged)
Tiny
MKRAUSE
  • MEMBER
  • 5 POSTS
When turning the key there is a "clicking" noise.
Was this
answer
helpful?
Yes
No
+13
Thursday, December 21st, 2017 AT 12:56 PM (Merged)
Tiny
MKRAUSE
  • MEMBER
  • 5 POSTS
Not sure about the security system. How would I check? The switch under the steering column?
Was this
answer
helpful?
Yes
No
+1
Thursday, December 21st, 2017 AT 12:56 PM (Merged)
Tiny
RASMATAZ
  • MECHANIC
  • 75,992 POSTS
Double check the battery and connections -check the stater relay and starter motor and also the ignition switch-
Was this
answer
helpful?
Yes
No
+3
Thursday, December 21st, 2017 AT 12:56 PM (Merged)
Tiny
MKRAUSE
  • MEMBER
  • 5 POSTS
I will let the mechanic know this check list. I found an explaination of the security system that is not covered as well in the "Jeep manual" on this site. It would be nice if it was not a major issue! Thank you for all the suggestions in a timely manner!
Was this
answer
helpful?
Yes
No
+1
Thursday, December 21st, 2017 AT 12:56 PM (Merged)
Tiny
MKRAUSE
  • MEMBER
  • 5 POSTS
UPDATE: Mechanic decided to disconnect the battery and go home last evening. Connected battery this morning, turned the key and it started! Remotes work! Mechanic drove the Jeep for a test drive, could not find any problems. Explaination? Computer reset? Got my ride back and only a bill for towing! Thank you for your assistance!
Was this
answer
helpful?
Yes
No
+7
Thursday, December 21st, 2017 AT 12:56 PM (Merged)
Tiny
DEONHALLS
  • MEMBER
  • 1 POST
  • 2002 JEEP LIBERTY
  • 11,594 MILES
I have change the spark plugs, I can here the fuel pump turn on. It acts like it wants to start, but it wont catch.
Was this
answer
helpful?
Yes
No
Thursday, December 21st, 2017 AT 12:56 PM (Merged)
Tiny
RASMATAZ
  • MECHANIC
  • 75,992 POSTS
Go to this link for more information: https://www.2carpros.com/articles/car-cranks-but-wont-start
Was this
answer
helpful?
Yes
No
-1
Thursday, December 21st, 2017 AT 12:56 PM (Merged)
Tiny
2CP-ARCHIVES
  • MEMBER
  • 4,540 POSTS
  • 2002 JEEP LIBERTY
Will not start no spark?

Cranks but will not start replaced crank position sensor but still will not start.
Was this
answer
helpful?
Yes
No
Thursday, December 21st, 2017 AT 12:56 PM (Merged)
Tiny
HMAC300
  • MECHANIC
  • 48,601 POSTS
Scan for codes and check fuel pressure first.
Was this
answer
helpful?
Yes
No
+1
Thursday, December 21st, 2017 AT 12:56 PM (Merged)
Tiny
ELK43
  • MEMBER
  • 2 POSTS
  • 2004 JEEP LIBERTY
  • 102,000 MILES
Was setting at a stop sing jeep started to run ruff like it wanted to stall check engine light begain to blink on and off. Steped on the gas and jeep ran fine to about 300 yards motor started to run ruff and banging. Motor dose not crank over now.
Was this
answer
helpful?
Yes
No
Thursday, December 21st, 2017 AT 12:56 PM (Merged)
Tiny
HMAC300
  • MECHANIC
  • 48,601 POSTS
You might have froze the motor up if it were banging. Or soemthing is locking it up. Check your battery state and starter. You might also check to see if any oil is in it or not.
Was this
answer
helpful?
Yes
No
+1
Thursday, December 21st, 2017 AT 12:56 PM (Merged)
Tiny
ELK43
  • MEMBER
  • 2 POSTS
Oil is good, was just changed. When I turn the key, motor will click. When stopped at stop sign lost RPM, then ran normal when stepped on gas.
Was this
answer
helpful?
Yes
No
Thursday, December 21st, 2017 AT 12:56 PM (Merged)
Tiny
HMAC300
  • MECHANIC
  • 48,601 POSTS
Scan for codes, check fuel pressure clean throttle plate on both sides with choke cleaner. Check your starter for being bad, tap it on the body with a hammer an if it starts you need another starter.
Was this
answer
helpful?
Yes
No
-1
Thursday, December 21st, 2017 AT 12:56 PM (Merged)
Tiny
CJ MEDEVAC
  • MECHANIC
  • 11,005 POSTS
You say all is good, was just changed?

Did you actually pull the dipstick and look?

I'm not trying to be smart, it's just that things do happen! A rock could have knocked a hole in your pan, or Joe Goofus could've been on his cell phone, instead of paying attention, when he was working on changing your oil.

You might want to test your battery and charging system also, what is your battery voltage now? Investigate this link... Just throwing out other options!

https://www.2carpros.com/questions/2002-jeep-liberty-instrument-cluster-goin-on-off-now-quite-vehicle-still-mov

Return soon with your results, or a big ole smile!

The Medic
Was this
answer
helpful?
Yes
No
+1
Thursday, December 21st, 2017 AT 12:56 PM (Merged)

Please login or register to post a reply.