My headlights are not working?

Tiny
JFITZ
  • MEMBER
  • 2004 BUICK CENTURY
  • 144,000 MILES
Changed low beam bulbs worked for an hour, now have high beam only?
Saturday, January 7th, 2012 AT 9:59 PM

25 Replies

Tiny
KASEKENNY
  • MECHANIC
  • 18,907 POSTS
Are both bulbs burning out? If so, we need to inspect the grounds for proper connection and check the voltage at the bulb.

Here are some guides that will help with this as we may have just a bulb issue or some other wiring problem that we need to investigate:

https://www.2carpros.com/articles/how-to-replace-a-headlight-bulb

https://www.2carpros.com/articles/one-headlight-is-dim-or-dull

If all that checks out, I would replace the multifunction switch as these bulbs are grounded through the switch. Take a look at the wiring diagram and you will be able to follow the power flow from the fuse through the bulbs to the switch and finally to ground.

https://www.2carpros.com/articles/how-to-check-wiring

I included the process to replace the switch if this proves out.

Let us know what questions you have and we can go from there.
Was this
answer
helpful?
Yes
No
Thursday, May 20th, 2021 AT 9:20 AM
Tiny
BOUNDSCHRIS
  • MEMBER
  • 1 POST
  • 2003 BUICK CENTURY
  • 6 CYL
  • FWD
  • AUTOMATIC
  • 130,000 MILES
My headlights (both) on my 2003 Buick Century will not turn on, I do have all other lights, and I have already changed both lamps, and fuses, now what?
Was this
answer
helpful?
Yes
No
+1
Friday, May 21st, 2021 AT 3:21 PM (Merged)
Tiny
JDL
  • MECHANIC
  • 16,098 POSTS
Did you check for voltage at the headlamps, use a voltage tester. Voltage to the headlamps is hot all the time. The control for on and off, high/low beam are on the ground circuit. Could be dimmer or headlamp switch, wiring circuits.
Was this
answer
helpful?
Yes
No
-1
Friday, May 21st, 2021 AT 3:21 PM (Merged)
Tiny
BOB EDBERG
  • MEMBER
  • 1 POST
  • 2003 BUICK CENTURY
Low beams don't work. I have replaced the lamps but still, nothing. Any suggestions?
Was this
answer
helpful?
Yes
No
-1
Friday, May 21st, 2021 AT 3:21 PM (Merged)
Tiny
BMRFIXIT
  • MECHANIC
  • 19,053 POSTS
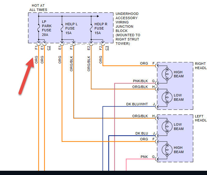
Check headlight relay behind glove box
check fuses


https://www.2carpros.com/forum/automotive_pictures/99387_Graphic1_634.jpg


i
Was this
answer
helpful?
Yes
No
+2
Friday, May 21st, 2021 AT 3:21 PM (Merged)
Tiny
LADYSCIENTIST
  • MEMBER
  • 2 POSTS
  • 2003 BUICK CENTURY
  • 6 CYL
  • FWD
  • AUTOMATIC
  • 100,000 MILES
This has been an issue for a few years, but within the past month, it has gotten severe. My headlights go out at night. It doesn't matter if I am using dims or brights. I will just be driving along at night and off they go. The only thing that turns them back on is hitting the bright switch. It's rather disturbing. I just had a baby and I don't want to get in a wreck with him because of this issue. Any ideas?
Was this
answer
helpful?
Yes
No
+1
Friday, May 21st, 2021 AT 3:21 PM (Merged)
Tiny
JAMES W.
  • MECHANIC
  • 2,394 POSTS
Do have "auto on" headlights that come on when the engine is started or just a pull switch? Please advise, Jim
Was this
answer
helpful?
Yes
No
+3
Friday, May 21st, 2021 AT 3:21 PM (Merged)
Tiny
LADYSCIENTIST
  • MEMBER
  • 2 POSTS
Yes they are automatic lights that come on by themselves.
Was this
answer
helpful?
Yes
No
Friday, May 21st, 2021 AT 3:21 PM (Merged)
Tiny
JAMES W.
  • MECHANIC
  • 2,394 POSTS
Under the driver's side of the dash is whats called a BCM, body control module, I would change this unit. You will know if you have unplugged the right one 'cause your headlights won't come on when you start the car. Hope this helps and thanks for your donation, Jim
Was this
answer
helpful?
Yes
No
+3
Friday, May 21st, 2021 AT 3:21 PM (Merged)
Tiny
FIREBUG75
  • MEMBER
  • 1 POST
  • 2002 BUICK CENTURY
  • 6 CYL
  • FWD
  • AUTOMATIC
  • 145,000 MILES
On this car I've been having with just the left hand low beam headlight not working all other lights in this assembly works, and all of the lights on the right hand side works. Is there a relay that may be bad or is it the assembly?
Was this
answer
helpful?
Yes
No
Friday, May 21st, 2021 AT 3:22 PM (Merged)
Tiny
ASEMASTER6371
  • MECHANIC
  • 52,796 POSTS
Good afternoon,

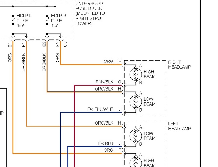
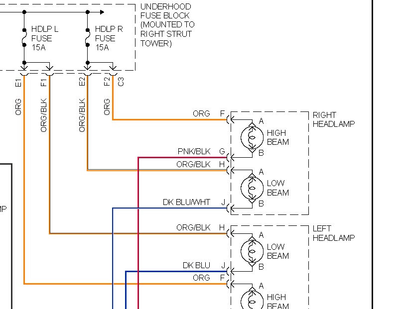
I attached the wiring diagram for you to view. Check the fuses for the headlights in the diagram with a test light. They should have power with the key on to each bulb on both the high beam and the low beam.

https://www.2carpros.com/articles/how-to-check-wiring

https://www.2carpros.com/articles/how-to-check-a-car-fuse

Beyond that, you may have a bad dimmer switch which is part of the multifunction switch as it controls the ground to make the bulbs work.

https://www.2carpros.com/articles/how-a-headlight-switch-works

Roy

Removal Procedure

1. Verify that the lever is in the center of the OFF position.
2. Disconnect the negative battery cable. Refer to Battery Negative Cable Disconnect/Connect Procedure in Starting and Charging.
3. Disable the SIR system. Refer to Disabling the SIR System in Restraint Systems.
4. Remove the steering wheel. Refer to Steering Wheel Replacement.
5. Remove the steering column trim covers. Refer to Steering Column Trim Covers Replacement - On Vehicle.
6. Remove the wire harness straps (2) from the wire harness assembly (1) on the steering column.
7. Disconnect the multifunction, turn signal, and hazard switch assembly connector from the SIR coil assembly connector.

8. Slide the multifunction, turn signal and hazard switch assembly connectors (2) out of the steering column bulkhead connector (1).

9. Remove the multifunction, turn signal and hazard switch assembly screws (1) from the multifunction, turn signal and hazard switch assembly (2).
10. Remove the multifunction, turn signal and hazard switch assembly (2) from the steering column tilt head assembly.
Was this
answer
helpful?
Yes
No
Friday, May 21st, 2021 AT 3:22 PM (Merged)
Tiny
MCSHARPE
  • MEMBER
  • 1 POST
  • 1999 BUICK CENTURY
Hi. My headlights do not turn on either automatically or via pulling out the pull-switch on the dash. Hi-beams work, but only if I pull and hold the turn-signal switch. Was told by dealership that the problem was in the turn-signal switch. Do you agree? How difficult is that switch to change? Any special tools? Thanks!
Was this
answer
helpful?
Yes
No
Friday, May 21st, 2021 AT 3:22 PM (Merged)
Tiny
SCOTTY DEE
  • MECHANIC
  • 592 POSTS
It's a Multi-Function Switch. They have a pretty high rate of failure. It's a decent chore, you have to pull the steering wheel off, and gain access to the steering column wiring harness, but not to bad if you have all the right tools!
Was this
answer
helpful?
Yes
No
+1
Friday, May 21st, 2021 AT 3:22 PM (Merged)
Tiny
POTTORFF
  • MEMBER
  • 2 POSTS
  • 1999 BUICK CENTURY
  • 4.3L
  • 6 CYL
  • 2WD
  • AUTOMATIC
  • 100,000 MILES
The headlights won't turn on. If you hold dimmer switch lever back, the bright lights will come on until I release the switch lever the they go back out. The emergency brakes is in its fully raised position. So it's not that, but that's what it acts like. Parking lights come on. What needs done to fix it?
Was this
answer
helpful?
Yes
No
+1
Friday, May 21st, 2021 AT 3:22 PM (Merged)
Tiny
KASEKENNY
  • MECHANIC
  • 18,907 POSTS
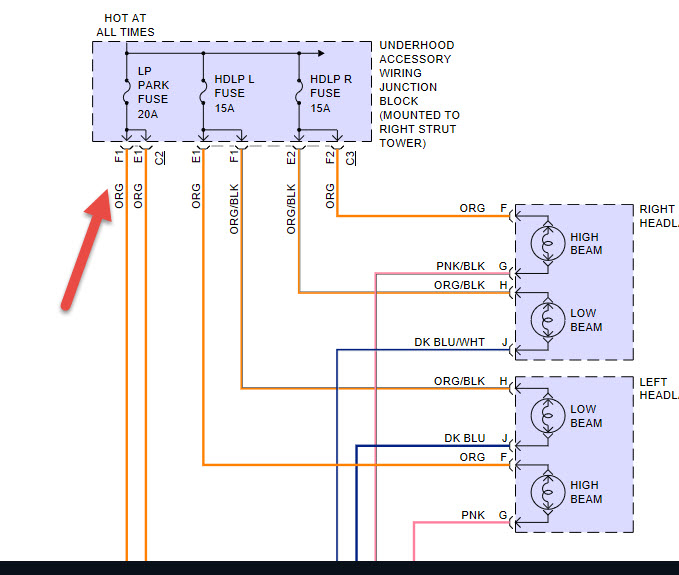
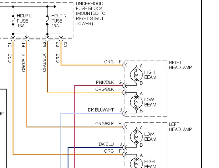
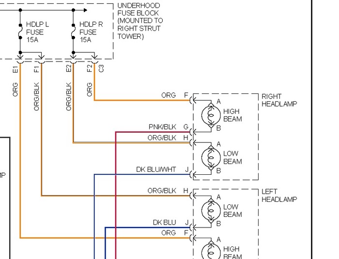
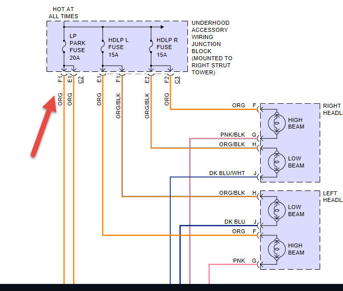
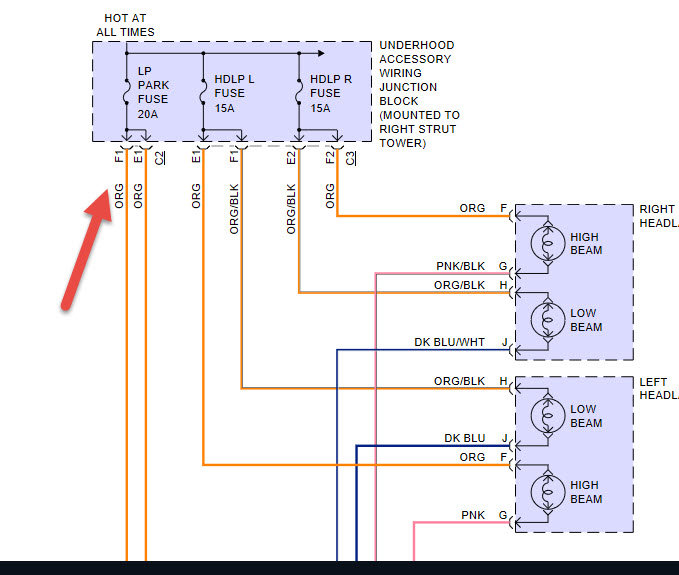
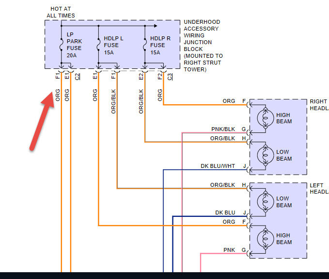
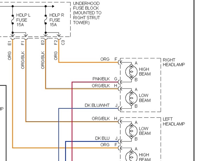
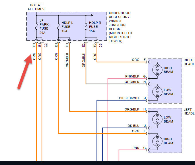
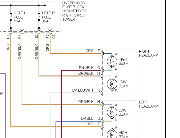
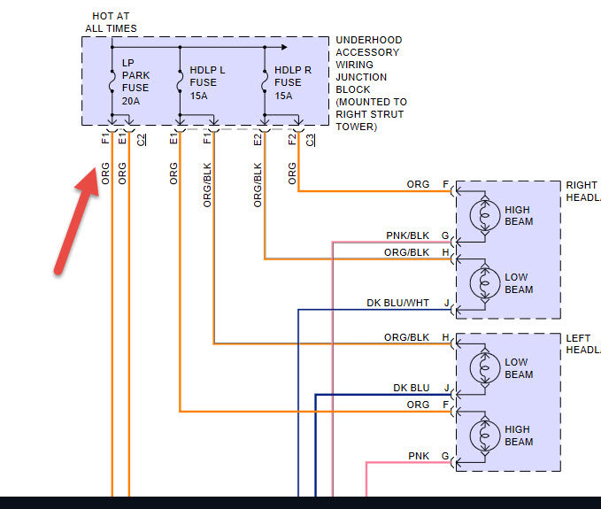
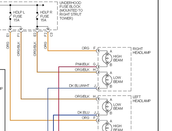
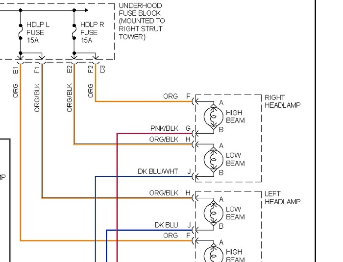
We need start with checking the voltage coming out of the switch or at the underhood junction block. We need to check the dark blue wire and see if there is voltage at the junction block. If there is then the junction block is the issue. As you can see the switch sends voltage to the junction block and then it sends it to each low beam.

My thought is the switch is the issue so I attached the info below on replacing this. Let me know what questions you have.
Was this
answer
helpful?
Yes
No
+1
Friday, May 21st, 2021 AT 3:22 PM (Merged)
Tiny
POTTORFF
  • MEMBER
  • 2 POSTS
Thanks for your advice. I'm just going to run headlights from a alternative power source through a toggle switch. What or where would you hook up power to?
Was this
answer
helpful?
Yes
No
Friday, May 21st, 2021 AT 3:22 PM (Merged)
Tiny
KASEKENNY
  • MECHANIC
  • 18,907 POSTS
You can use any source that has 12 volts but if it were me, I would go straight from the battery with a 20 amp inline fuse. This way you have created your own circuit separate from all other systems so if there is an issue with it then it is an easy fix and you know only the headlights are effected.

The issue running it from another fuse or circuit, you may get back feeding or issues with other systems if there is an issue. Simplest way is normally the best way in these cases.
Was this
answer
helpful?
Yes
No
Friday, May 21st, 2021 AT 3:22 PM (Merged)
Tiny
KEVIN CHRISTIE II
  • MEMBER
  • 1 POST
  • 1999 BUICK CENTURY
  • 6 CYL
  • 120,000 MILES
I cannot get my head lights to turn on or my day time lights. I am trying to find where the fuse is for both of these.
Was this
answer
helpful?
Yes
No
Friday, May 21st, 2021 AT 3:22 PM (Merged)
Tiny
HMAC300
  • MECHANIC
  • 48,601 POSTS
Check all the fuses in picture even parking light fuse.
Was this
answer
helpful?
Yes
No
Friday, May 21st, 2021 AT 3:22 PM (Merged)
Tiny
STEVE W.
  • MECHANIC
  • 15,694 POSTS
Add the DRL fuse to that. It is in the fuse block on the right side of the dash.
Was this
answer
helpful?
Yes
No
Friday, May 21st, 2021 AT 3:22 PM (Merged)

Please login or register to post a reply.