Will not start

Tiny
LUANASTROUP
  • MEMBER
  • 2004 PONTIAC AZTEK
  • 3.4L
  • V6
  • 2WD
  • AUTOMATIC
  • 195,000 MILES
We had the starter tested and it is good, the battery is good. We changed the ignition switch, we checked the relays. I'm not sure what else it could be!
Thank you for your help!
Saturday, February 9th, 2019 AT 2:28 PM

5 Replies

Tiny
JACOBANDNICKOLAS
  • MECHANIC
  • 110,192 POSTS
Hi and thanks for using 2CarPros.

First, when you turn the key to the start position, does the starter engage? I need to know that. If it doesn't, here is a link that shows how to check a starter. I am adding this so you can confirm there is no power to the solenoid on the starter. Follow these directions and let me know the results.

https://www.2carpros.com/articles/starter-not-working-repair

If the starter does engage and turn the engine but it refuses to start, take a look through this link.

https://www.2carpros.com/articles/car-cranks-but-wont-start

Let me know if any of this helps. Also, I need to know if the starter is or isn't engaging. I would also like to know the procedure used when checking the starter.

Joe
Was this
answer
helpful?
Yes
No
Saturday, February 9th, 2019 AT 7:25 PM
Tiny
LUANASTROUP
  • MEMBER
  • 11 POSTS
The starter isn’t engaging in the car, but when I took it to AutoZone to have it tested he said it was strong. Would I still need to test the solenoid if I had the starter tested there?
Was this
answer
helpful?
Yes
No
Saturday, February 9th, 2019 AT 7:32 PM
Tiny
JACOBANDNICKOLAS
  • MECHANIC
  • 110,192 POSTS
Welcome back:

Before you do that test, check these things. They are easier and may prove beneficial.

First, check to see if the starter will work if the vehicle is in neutral.

Second, confirm fuse 34 in the under hood fuse box is good. I attached pictures of a schematic, fuse box, and a legend. Fuse 34 is for the starter relay.

https://www.2carpros.com/articles/how-a-car-fuse-works

https://www.2carpros.com/articles/how-to-check-a-car-fuse

If the car still won't start in neutral and the fuse is good, switch the starter relay (number 57 in the fourth picture with another relay in the under hood fuse box that has the same part number. Chances are, most of them are the same. Picture 4 and 5 show the relay and its location. If you feel uncomfortable switching relays, here is a link that shows how to check one:

https://www.2carpros.com/articles/how-to-check-an-electrical-relay-and-wiring-control-circuit

If none of that helps, I need to know if power goes to the smaller wire on the solenoid when the key is in the start position. On the starter, you will see there is one heavy gauge wire that runs direct from the starter. That has power all the time. The smaller wire only gets 12 volts when the key is in the start position. That is what actuates the starter to work. I need to confirm if there is power there to further diagnose.

Let me know if I can help in anyway, and what you find when you test it. If you follow the directions in the link I attached, you should be fine. Here are a couple links you may find helpful:

https://www.2carpros.com/articles/how-to-use-a-test-light-circuit-tester

https://www.2carpros.com/articles/how-to-use-a-voltmeter

https://www.2carpros.com/articles/how-to-check-wiring

Let me know if any of this helps.

Take care,
Joe
Was this
answer
helpful?
Yes
No
+3
Saturday, February 9th, 2019 AT 9:18 PM
Tiny
LUANASTROUP
  • MEMBER
  • 11 POSTS
The car won’t start in neutral, but all the fuses and relays are good. But there is no power to the smaller wire! How do I fix that?
Was this
answer
helpful?
Yes
No
Sunday, February 10th, 2019 AT 6:46 AM
Tiny
JACOBANDNICKOLAS
  • MECHANIC
  • 110,192 POSTS
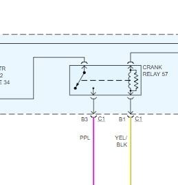
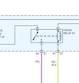
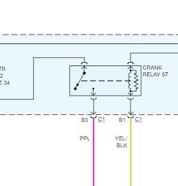
Okay, we need to work backwards now to see where power is lost. The first thing back is the starter relay. See if there is power to where the purple wired connects to the crank relay in the under hood fuse / relay box. See picture 1

If there is no power there, work back to the PCM start relay (yellow/black wire) see picture 2.

If there is no power there, we need to work back to the ignition switch. Check the yellow wire at the same relay. If no power is supplied there, we need to work back to the ignition switch and check if power is there. See picture 3.

If no power is present, reconfirm power fuses indicated in picture 4.

Everything being checked will require someone to turn the key to the start position except fuse checking.

We need to determine where power is being lost, and working backwards through the wiring is how it's done. Not a fun or easy job.

The last two pictures I attached are of the entire starting system. I had to break it into two picture, but I did overlap it so you can follow it. Hopefully, it will help show you why I am asking you to check the items in the order I suggesting.

Let me know what you find.

Joe
Was this
answer
helpful?
Yes
No
+2
Sunday, February 10th, 2019 AT 7:15 PM

Please login or register to post a reply.