High idle and revving?

Tiny
JSC21583
  • MEMBER
  • 2003 PONTIAC GRAND AM
  • 80 MILES
I have a 2003 Pontiac Grand Am 3.4 liter. Sometimes the engine starts revving high uncontrollably. It doesn't happen all the time, but when it does happen, it does it sometimes when I start the car, or when i'm driving down the road, or when i'm sitting at a stop light. I tried replacing the idle air control valve and the throttle positioning sensor, but it still does it. Any ideas?
Sunday, September 4th, 2011 AT 5:46 PM

46 Replies

Tiny
JDL
  • MECHANIC
  • 16,098 POSTS
Did you clean the throttle-body? Any applicable trouble codes? How high do the rpms go? Maybe a vacuum leak? If it happens at idle in park, block off the mouth of the throttle body, see if any effect on the idle, should be a big effect. If no effect, you have false air getting in there from somewhere. If everything checks out it sounds like the PCM is going bad.

This guide can help us fix it.

https://www.2carpros.com/articles/engine-idles-too-high

Please run down this guide and report back.

Was this
answer
helpful?
Yes
No
+3
Sunday, September 4th, 2011 AT 6:58 PM
Tiny
JSC21583
  • MEMBER
  • 4 POSTS
It's actually my fiance's car. Her dad said he cleaned the throttle body. I scanned the car with a OBD-II scanner and it said no trouble codes. Someone told me it could be a computer problem and I may need to have the computer reflashed (whatever that means?) I've listened to it while it was running at idle and I don't hear any vaccume leak but I could be wrong.
Was this
answer
helpful?
Yes
No
+2
Sunday, September 4th, 2011 AT 7:46 PM
Tiny
JDL
  • MECHANIC
  • 16,098 POSTS
Yeah, if the problem is intermittent, it can be a pain to track down. Can you put a scanner on it that shows live engine data?
Was this
answer
helpful?
Yes
No
+1
Sunday, September 4th, 2011 AT 8:05 PM
Tiny
JDL
  • MECHANIC
  • 16,098 POSTS
Are you losing engine coolant or engine oil? Might be an issue with lower intake gasket?
Was this
answer
helpful?
Yes
No
+7
Sunday, September 4th, 2011 AT 8:10 PM
Tiny
JSC21583
  • MEMBER
  • 4 POSTS
I think there might be a leak in the lower intake gasket because I found a little oily residue in the reservoir a while back. I have since flushed the coolant, but obviously that wouldn't solve the problem of the gasket leak. How would the lower intake gasket leaking affect the idling?
Was this
answer
helpful?
Yes
No
Sunday, September 4th, 2011 AT 8:20 PM
Tiny
JDL
  • MECHANIC
  • 16,098 POSTS
Put a scanner on it, that shows live engine data. Look at idle and idle required, they should be close to the same. You can also look to see if anything is being commanded ON, like the ac. Also, I'd have to look at sensor signals, to see if anything doesn't look right?
Was this
answer
helpful?
Yes
No
Wednesday, September 7th, 2011 AT 2:14 PM
Tiny
JSC21583
  • MEMBER
  • 4 POSTS
I hooked up a scanner to it last night, and it had 2 codes:

-EGR valve flow low input
-evaporative emission purge flow fault

Last night after her dad and I replaced the intake gaskets, she drove the car home and she had to hold the brake just to keep it from taking off on her. The car idles at between 1500 and 2500 RPMs and if you put it in drive and let off the brake, it'll get up to about 40-45 mph on its own. I followed behind her on the way home and she was riding the brake practically the whole time. At first it happened every so often, put lately its been happening more and more frequently. It seems like the last week or so, it happens almost every time she turns the car on. A few nights ago, she left to go to work, and she tried to start the car 3 times, and it started up, idled all crazy, and then it shut off on her. She couldn't keep it running. I don't wanna keep throwing money at it, but i'm running out of ideas.

Someone also told me it could be the mass air flow sensor?
At this point i'm shooting in the dark.
Was this
answer
helpful?
Yes
No
+2
Wednesday, September 7th, 2011 AT 2:40 PM
Tiny
KEN L
  • MASTER CERTIFIED MECHANIC
  • 55,440 POSTS
Hey JSC21583,

I would service the mass air flow sensor becasue this is what it does when it is dirty.

Also check the air intake boot for tears, this will fool the maf and cause stalling and low power.

Here is a guide to help you.

https://www.2carpros.com/articles/mass-air-flow-service

and

https://www.2carpros.com/articles/how-to-replace-a-mass-air-flow-sensor-maf

and

https://www.2carpros.com/articles/replace-an-air-intake-boot

Please let us know happens so it will help others.

Best, Ken

Was this
answer
helpful?
Yes
No
+5
Thursday, December 15th, 2016 AT 5:25 PM
Tiny
BIGDAN120
  • MEMBER
  • 6 POSTS
Ok I have had this issue for 3 years. Been Diaging it since. When the cooling fans turn on at 223 like there supposed to if you keep your foot in it sitting still for another Minuit at 2500 rpm it will take over by itself and run idle up to about 3500 by itself. If you turn off and restart it is fine until it gets back up in temp. Had a GM tech look at it in 35 years hes never seen one do this. And he sees no evidence of anything on scanner. Now he never had scanner plugged in while it did this. Theres no codes no air leaks fuel pressure is where it should be with no fluctuation at time of it. Throttle body cleaned new IAC New computer Checked for updates for it and its current. I think its electrical. Because when it did this once before the cooling fans relay started clicking fast like it was confused. Wiring to fans has been tested new cooling sensor and plug both cooling fans are fine
Was this
answer
helpful?
Yes
No
+1
Friday, September 15th, 2017 AT 1:33 PM
Tiny
KEN L
  • MASTER CERTIFIED MECHANIC
  • 55,440 POSTS
It sounds like the PCM is going out, I would try a used unit and plug it in to see if it fixes it.

Here is the location (below)

Please let us know what you find.

Cheers, Ken
Was this
answer
helpful?
Yes
No
+1
Saturday, September 16th, 2017 AT 7:59 PM
Tiny
BIGDAN120
  • MEMBER
  • 6 POSTS
New ECM last tear.
Was this
answer
helpful?
Yes
No
Thursday, September 21st, 2017 AT 11:59 AM
Tiny
BIGDAN120
  • MEMBER
  • 6 POSTS
And thats what was wrong, all fixed
Was this
answer
helpful?
Yes
No
-1
Thursday, September 21st, 2017 AT 12:00 PM
Tiny
KEN L
  • MASTER CERTIFIED MECHANIC
  • 55,440 POSTS
Nice work, we are here to help, please use 2CarPros anytime.
Was this
answer
helpful?
Yes
No
Friday, September 22nd, 2017 AT 9:50 AM
Tiny
NATHAN URIARTE-MEAVE
  • MEMBER
  • 1 POST
  • 2003 PONTIAC GRAND AM
  • 3.4L
  • V6
  • 2WD
  • AUTOMATIC
  • 80,000 MILES
Okay here’s the deal, the runs fine but every now and then, it’ll idle and rev really high up to 3,200 rpm's. There’s days where it doesn’t do it at all, and others I it’ll just happen at a stop light and start revving really high and of course, I have to push down on the brakes pretty dang snug until i’m ready to move. I have not performed any servicing since I have had the car, which is only about a week but i’d very love to. I check the oil, not bad, I also have been reading there is no transmission dipstick, so would I just perform a transmission oil change to see? And with this high revving? Would could it be, maybe a mass airflow sensor? Others have said throttle body. Would would you guys suggest I start with? Because I do want to keep this car at least for little while and I don’t mind servicing it myself unless it falls out of my knowledge. Please help stop these darn high revs!
Was this
answer
helpful?
Yes
No
Monday, October 19th, 2020 AT 12:46 PM (Merged)
Tiny
JACOBANDNICKOLAS
  • MECHANIC
  • 110,194 POSTS
Hi,

The high idle can be the result of a few things. Things such as an engine vacuum leak, faulty idle air control valve, dirty throttle plate and so on can cause it. Take a look through this link and see if it helps:

https://www.2carpros.com/articles/engine-idles-too-high

Also, here is a link to check for vacuum leaks:

https://www.2carpros.com/articles/how-to-use-an-engine-vacuum-gauge

Next, there is a component called an idle air control valve (IAC). The IAC is responsible for maintaining the engine idle speed. If it is dirty or not working properly, it can cause an erratic idle. Take a look through these links:

https://www.2carpros.com/articles/idle-air-control-valve-service

https://www.2carpros.com/articles/how-to-replace-an-idle-speed-control-motor-iac

If you find the IAC is the issue, here are the directions specific to your vehicle for replacement. The attached pics correlate with the directions.

____________________________

2003 Pontiac Grand AM V6-3.4L VIN E
Procedures
Vehicle Powertrain Management Fuel Delivery and Air Induction Idle Speed/Throttle Actuator - Electronic Service and Repair Procedures
PROCEDURES
IDLE AIR CONTROL (IAC) VALVE REPLACEMENT

REMOVAL PROCEDURE
1. Remove the throttle control cable bracket from the throttle body.
2. Remove the canister purge valve.

pic 1

3. Disconnect the idle air control (IAC) electrical connector.

pic 2

4. Remove the idle air control valve attaching screws.

pic 3

5. Remove the idle air control valve.

pic 4

6. Remove the idle air control valve O-ring.

INSTALLATION PROCEDURE

NOTE: The IAC valve may be damaged if installed with the cone (pintle) extended more than 28 mm (1-1/8 in). Measure the distance that the valve is extended before installing a new valve. The distance from the idle air control valve motor housing to the end of the idle air control valve pintle should be less than 28 mm (1-1/8 in). Manually compress the pintle until the extension is less than 28 mm (1-1/8 in).

pic 5

1. Install the new idle air control O-ring.

pic 6

2. Install the idle air control valve into the throttle body.

pic 7

3. Install the idle air control valve attaching screws.

NOTE: Refer to Fastener Notice in Service Precautions.

Tighten
Tighten the screws to 3 N.m (27 lb in).

pic 8

4. Connect the IAC electrical connector.
5. Install the canister purge valve.
6. Install the throttle control cable bracket.
7. The powertrain control module (PCM) will reset the idle air control valve whenever the ignition is turned ON, then OFF. Turn ON the ignition, then OFF.
8. Start the engine and allow the engine to reach operating temperature.

___________________

Let me know if this helps.

Joe
Was this
answer
helpful?
Yes
No
Monday, October 19th, 2020 AT 12:46 PM (Merged)
Tiny
GSTEPHENS
  • MEMBER
  • 1 POST
  • 2003 PONTIAC GRAND AM
  • 3.4L
  • 6 CYL
  • 2WD
  • AUTOMATIC
  • 186,000 MILES
My car listed above (GT model) runs high idle about 3,000 rpm's. Has anyone found the problem yet?
Was this
answer
helpful?
Yes
No
+1
Monday, October 19th, 2020 AT 12:46 PM (Merged)
Tiny
TOUGHDIVER
  • MECHANIC
  • 224 POSTS
Hello,

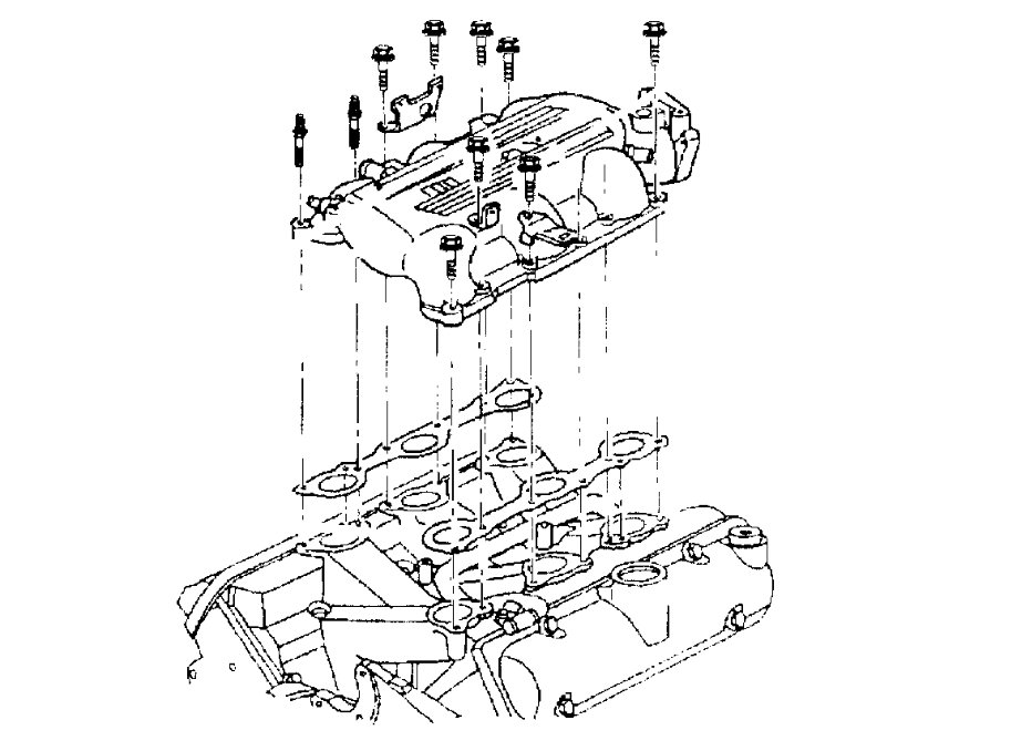
It could be the EGR valve is stuck open. Check the EGR valve pintle position for sticking open. And it could also be the lower intake manifold gaskets leaking manifold vacuum on the bottom side this it very hard to diagnose because the gaskets are like plastic and crack and break on the underside of the intake manifold and can be leaking between intakes ports. If you can get a data list reading on a scan tool check the manifold air pressure sensor for an high reading and the O2 sensors readings are low. I'm attaching repair guide and views of the intake manifold below. let us know if this information was helpful.

https://www.2carpros.com/articles/how-to-use-an-engine-vacuum-gauge

Thank you
Joe T.
Was this
answer
helpful?
Yes
No
Monday, October 19th, 2020 AT 12:46 PM (Merged)
Tiny
JACBETH42
  • MEMBER
  • 1 POST
  • 2003 PONTIAC GRAND AM
  • 6 CYL
  • FWD
  • AUTOMATIC
  • 68,000 MILES
When I start my car it seems to idle high, I put it in gear and it will move without me stepping on the gas. Once it is in gear it idles choppy. Is this normal. And yes. I am a woman.
Was this
answer
helpful?
Yes
No
Monday, October 19th, 2020 AT 12:46 PM (Merged)
Tiny
RASMATAZ
  • MECHANIC
  • 75,992 POSTS
No its not normal-could be the throttle body/plate needs cleaning. Too fast an idle speed. If an engine without computerized idle speed control is idling too fast and refuses to come down to a normal idle speed despite your best efforts to back off the carburetor idle speed screw or air bypass adjustment screw (fuel injection), air is getting past the throttle somewhere. Common leak paths include the carburetor and throttle body gaskets, carburetor insulator spacers, intake manifold gaskets, and of course, any of the engine's vacuum fittings, hoses and accessories. It is even possible that leaky O-rings around the fuel injectors are allowing air to leak past the seals. Another overlooked item can be a worn throttle shaft and a defective idle speed speed control motor/valve stuck in the extended (high idle speed) position/throttle position sensor.
Was this
answer
helpful?
Yes
No
+3
Monday, October 19th, 2020 AT 12:46 PM (Merged)
Tiny
BULLFROG86
  • MEMBER
  • 4 POSTS
  • 2002 PONTIAC GRAND AM
  • 123,000 MILES
Everytime I start my car it idles around 2000 rpm. I turn it off and restart it and it will drop back to normal but after 15 min of driving on highway I will come to stop and it will be idle high again.
Was this
answer
helpful?
Yes
No
Monday, October 19th, 2020 AT 12:47 PM (Merged)

Please login or register to post a reply.