Heater blower motor

Tiny
JEEP-LESS
  • MEMBER
  • 1999 JEEP GRAND CHEROKEE
  • 4.0L
  • 6 CYL
  • 4WD
  • AUTOMATIC
  • 168,000 MILES
The blower motor does not work/blow air. I have tried another electronic temperature control panel and a relay for the blower motor itself but to no avail. I removed the blower motor and tested it directly with 12v power and it moves like it should. Is there possibly a ground wire that has broken or might have come off? This problem does NOT blow fuses and the electrical system in this vehicle is solid, minus this issue.
Friday, February 20th, 2015 AT 7:38 AM

46 Replies

Tiny
DR LOOT
  • MECHANIC
  • 2,311 POSTS
Yes it is called the blower motor resistor (called the blower motor controller on schematics) most likely that is your problem but I'm sending you the diagnostics procedure just in case you need it

This guide cane help us fix it.

https://www.2carpros.com/articles/blower-fan-motor-works-on-high-speed-only

1999 Jeep Grand Cherokee 4.0L Eng Laredo
Vehicle Reference: HVAC SYSTEMS - AUTOMATIC
SYMPTOM DIAGNOSIS > BLOWER MOTOR INOPERATIVE

Possible causes: blower motor controller ground circuit open, Power Distribution Center (PDC) fuse No. 1 blown, defective blower motor. blower motor voltage supply circuit open/shorted to round, blower motor control circuit open/shorted to ground, blower motor controller defective, defective AZC module (no PWM signal), defective AZC module (PWM signal sent, blower high), blower motor control circuit shorted to blower motor ground circuit, or blower motor control circuit shorted to B+ (battery voltage).

Turn ignition off. Remove and inspect Power Distribution Center (PDC) fuse No. 1. If fuse is blown, replace fuse and check for a short circuit. If fuse is okay, go to next step.
Disconnect blower motor controller connector. Check connector and repair as necessary. Measure resistance between blower motor voltage supply circuit and ground. If resistance is less than 5 ohms, repair short circuit to ground. Calibrate HVAC system. See BODY VERIFICATION TEST VER-2A under PROGRAMMING. If resistance is greater than 5 ohms, go to next step.
Turn ignition off and disconnect blower motor. Using a known-good battery, apply voltage directly to blower motor. If blower motor runs properly, go to next step. If blower motor is inoperative, make sure blower motor is not obstructed. Repair or replace blower motor as necessary.
Disconnect blower motor controller. Check connector and repair as necessary. Measure resistance between ground and blower motor controller ground circuit. If resistance is less than 5 ohms, go to next step. If resistance is greater than 5 ohms, repair open ground circuit.
Turn ignition on (engine off). Ensure blower switch is off. Disconnect blower motor controller. Check connector and repair as necessary. Rotate mode selector switch to defrost position, turning front defroster on. Rotate blower switch to high (manual override). Check voltage at blower motor voltage supply circuit. If voltage is greater than 10.0 volts, go to next step. If voltage is less than 10.0 volts. repair open blower motor voltage supply circuit. Calibrate HVAC system. See BODY VERIFICATION TEST VER-2A under PROGRAMMING.
Turn ignition off and disconnect blower motor. Disconnect AZC module connector. Check connectors and repair as necessary. Measure resistance between blower motor control circuit and ground. If resistance is less than 5 ohms, repair short circuit to ground. Calibrate HVAC system. See BODY VERIFICATION TEST VER-2A under PROGRAMMING. If resistance is greater than 5 ohms, go to next step.
Disconnect blower motor controller connector. Disconnect AZC module connector. Check connectors and repair as necessary. Measure resistance of blower motor control circuit between blower motor controller and AZC module C2 connector. See WIRING DIAGRAMS . If resistance is greater than 5 ohms, repair open blower motor control circuit. If resistance is less than 5 ohms, go to next step.
Turn ignition off. Disconnect blower motor controller connector. Check connector and repair as necessary. Turn ignition on. Measure voltage between ground and blower motor control circuit at blower motor controller 3-pin connector. If voltage is greater than 0.5 volts, repair short to battery voltage in blower motor control circuit. Calibrate HVAC system. See BODY VERIFICATION TEST VER-2A under PROGRAMMING. If voltage is less than 0.5 volts, go to next step.
Turn ignition off. Disconnect blower motor controller connector. Disconnect Heater Ventilation A/C (HVAC) body harness connector (C202). Check connectors and repair as necessary. Measure resistance between blower motor control circuit and blower motor ground circuit. If resistance is less than 5 ohms, repair short to ground in blower motor control circuit. Calibrate HVAC system. See BODY VERIFICATION TEST VER-2A under PROGRAMMING. If resistance is greater than 5 ohms, go to next step.
Turn ignition on. Using DRB lab scope, select LIVE DAT, AUTO SET-UP, set the TIME DIVISION to 20MS/DIV. Set voltage range to RANGE±10.0 VOLTS. Backprobe blower motor control circuit at blower motor controller 3-pin connector with blower motor switch in LO (manual override) and mode select switch in defrost mode.

The voltage pattern should cycle from about 0.5 volts up to 5.0 volts in low speed fan position. If voltage pattern is cycling as specified, go to next step. If voltage pattern is not cycling as specified, replace defective AZC module.
With lab scope as in step 10) , backprobe blower motor control circuit at blower motor controller 3-pin connector with blower motor switch in HI (manual override) and mode select switch in defrost mode. The lab scope pattern should be flattened.

Now change the lab scope voltage setting to RANGE±2.0 VOLTS. The voltage pattern should cycle up to about 0.3 volts with blower motor in high fan speed. If voltage pattern is as specified, go to next step. If voltage pattern is not as specified, replace AZC module.
Disconnect blower motor. Check connector and repair as necessary. Turn ignition on. Place blower switch on HI and mode selector switch to defrost mode. Connect a test light across blower motor wiring harness 2-pin connector. If test light comes on brightly, test is complete. If test light does not come on brightly, replace blower motor controller.

Was this
answer
helpful?
Yes
No
Friday, February 20th, 2015 AT 8:48 AM
Tiny
JEEPGUY53
  • MEMBER
  • 21 POSTS
  • 1998 JEEP GRAND CHEROKEE
  • 5.2L
  • V8
  • 4WD
  • AUTOMATIC
  • 221,093,191 MILES
My heater worked before and now all of a sudden it does not (checked fuse) it was blown, changed and it just blows right away. Checked blower motor it does work. I took the dash apart to check into it further.I have the (auto climate control), so now I have climate control out, resister out, and blower motor out. I go to put a fuse in and it blows (10amp), I have checked the 3 wires for current all are good, red, black, brown/white. Please help.
Was this
answer
helpful?
Yes
No
Wednesday, December 9th, 2020 AT 3:09 PM (Merged)
Tiny
ASEMASTER6371
  • MECHANIC
  • 52,796 POSTS
Good afternoon.

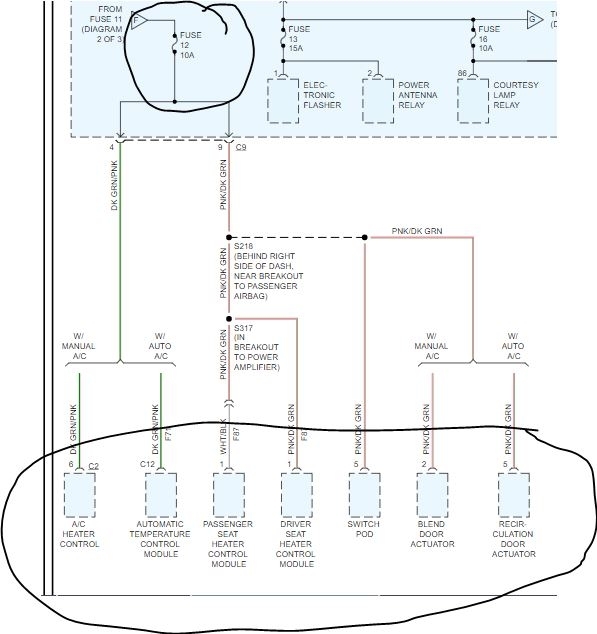
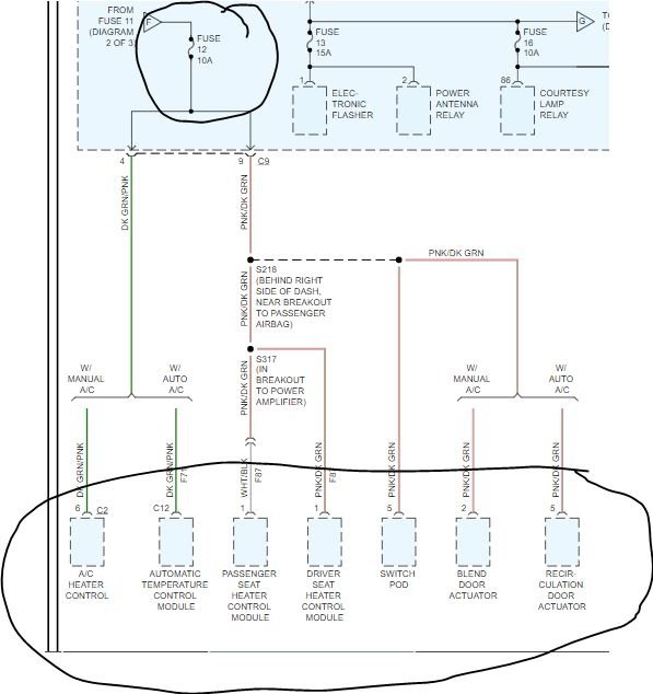
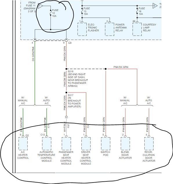
I attached a diagram for the fuse. It should be fuse 12 in the junction block which is 10 amp.

https://www.2carpros.com/articles/how-a-car-fuse-works

There are many components it controls. Disconnect all these components and see if the fuse still fails. If it does, it is a short in the harness. If it does not, plug one component in at a time until it fails. That will tell you the area of failure.

Roy
Was this
answer
helpful?
Yes
No
+1
Wednesday, December 9th, 2020 AT 3:09 PM (Merged)
Tiny
JEEPGUY53
  • MEMBER
  • 21 POSTS
Okay, so question, from your diagram, does the seat heaters work of that 10 amp fuse also?
Was this
answer
helpful?
Yes
No
Wednesday, December 9th, 2020 AT 3:09 PM (Merged)
Tiny
ASEMASTER6371
  • MECHANIC
  • 52,796 POSTS
Correct, It supplies power to the seat switch.

Roy
Was this
answer
helpful?
Yes
No
+1
Wednesday, December 9th, 2020 AT 3:09 PM (Merged)
Tiny
DENNIS MCHAFFIE
  • MEMBER
  • 1 POST
  • 1998 JEEP GRAND CHEROKEE
  • 4.0L
  • 6 CYL
  • 4WD
  • AUTOMATIC
  • 200,000 MILES
Replaced the climate controls, the fuses are good and the blower fan is not working. What do I check next?
Was this
answer
helpful?
Yes
No
Wednesday, December 9th, 2020 AT 3:09 PM (Merged)
Tiny
JIS001
  • MECHANIC
  • 3,412 POSTS
Check your blower motor resistor. Have seen the ground wire burn up at the connector. If it is burnt then replace the resistor and splice in a new connector.
Was this
answer
helpful?
Yes
No
+3
Wednesday, December 9th, 2020 AT 3:09 PM (Merged)
Tiny
JEEPGUY53
  • MEMBER
  • 21 POSTS
Okay, thank you. I will unplug them as I don't use them any ways and will get back to you with a reply.
Was this
answer
helpful?
Yes
No
Wednesday, December 9th, 2020 AT 3:09 PM (Merged)
Tiny
ASEMASTER6371
  • MECHANIC
  • 52,796 POSTS
Sounds like a plan.

Roy
Was this
answer
helpful?
Yes
No
+1
Wednesday, December 9th, 2020 AT 3:09 PM (Merged)
Tiny
JEEPGUY53
  • MEMBER
  • 21 POSTS
Hi Roy, I unplugged the seat heater switch at the switch, actually I unplugged the entire unit in the dash and it still blows the fuse.
Was this
answer
helpful?
Yes
No
Wednesday, December 9th, 2020 AT 3:09 PM (Merged)
Tiny
ASEMASTER6371
  • MECHANIC
  • 52,796 POSTS
There were several components that were covered by that fuse. You need to unplug all of them and then test.

Roy
Was this
answer
helpful?
Yes
No
+1
Wednesday, December 9th, 2020 AT 3:09 PM (Merged)
Tiny
JEEPGUY53
  • MEMBER
  • 21 POSTS
From your diagram the only thing that is not needed for the heater/blower is the heated seats, I unplugged the unit with these controls in the unit (heated seats, rear defrost, over drive, rear wiper) and it still blows the fuse.
Was this
answer
helpful?
Yes
No
Wednesday, December 9th, 2020 AT 3:09 PM (Merged)
Tiny
ASEMASTER6371
  • MECHANIC
  • 52,796 POSTS
Okay, that's good.

Then you have a short in the harness somewhere. Finding a short is never fun and time consuming opening the harness and following it.

https://www.2carpros.com/articles/how-to-check-wiring

It might be good to get some help on this issue.

Roy
Was this
answer
helpful?
Yes
No
+1
Wednesday, December 9th, 2020 AT 3:09 PM (Merged)
Tiny
JEEPGUY53
  • MEMBER
  • 21 POSTS
I started at the PCM under the hood and checked the wire to inside the vehicle and then checked the wires inside the vehicle (every wire shows current).
Was this
answer
helpful?
Yes
No
Wednesday, December 9th, 2020 AT 3:09 PM (Merged)
Tiny
ASEMASTER6371
  • MECHANIC
  • 52,796 POSTS
It takes a long time to unwrap harness. Did you unwrap the harness?

You are not checking current, you are looking for wiring damage. It would be wires touching together somewhere.

It will be between the control head and the blower motor, not the PCM.

Roy
Was this
answer
helpful?
Yes
No
+1
Wednesday, December 9th, 2020 AT 3:09 PM (Merged)
Tiny
JEEPGUY53
  • MEMBER
  • 21 POSTS
No I did not, I was just checking for current (electrical is not my strong point), lol. So are you saying a wire is damaged in that area and either grounding out or ground wire touching something live?
Was this
answer
helpful?
Yes
No
Wednesday, December 9th, 2020 AT 3:09 PM (Merged)
Tiny
ASEMASTER6371
  • MECHANIC
  • 52,796 POSTS
Correct.

Roy
Was this
answer
helpful?
Yes
No
+1
Wednesday, December 9th, 2020 AT 3:09 PM (Merged)
Tiny
JEEPGUY53
  • MEMBER
  • 21 POSTS
Okay, this is where I am confused as it worked fine before.
Was this
answer
helpful?
Yes
No
Wednesday, December 9th, 2020 AT 3:09 PM (Merged)
Tiny
CADJER34
  • MEMBER
  • 2 POSTS
  • 1993 JEEP GRAND CHEROKEE
My 1993 Grand Cherokee's heater blower motor quit working, so I assumed it was the motor. I replaced the blower motor, but it still didn't work. So I replaced the resistor, and still nothing. What should I check/do now? Thanks.
Was this
answer
helpful?
Yes
No
Wednesday, December 9th, 2020 AT 3:09 PM (Merged)
Tiny
FIXITMR
  • MECHANIC
  • 9,990 POSTS
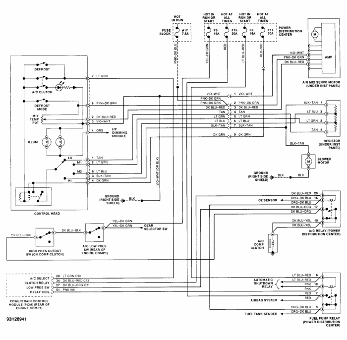
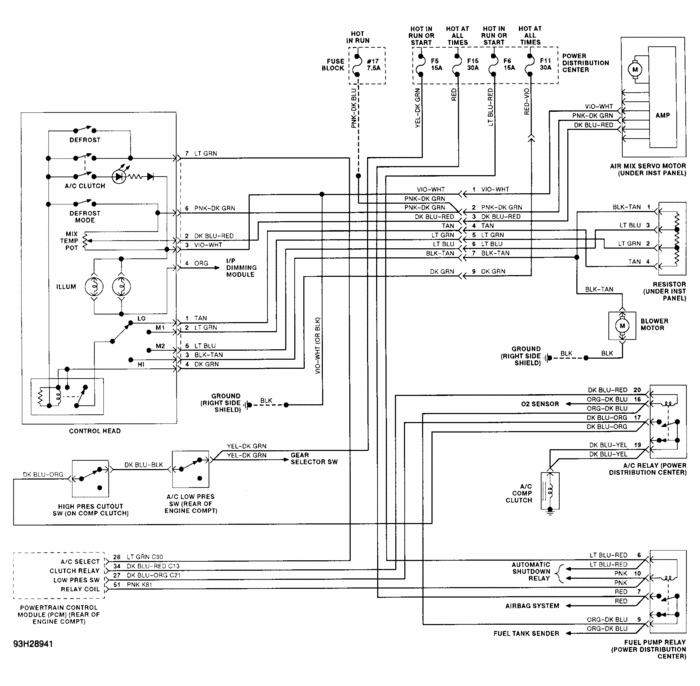
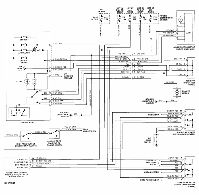
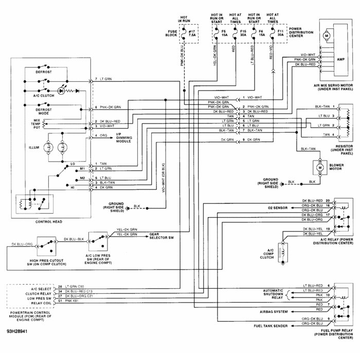
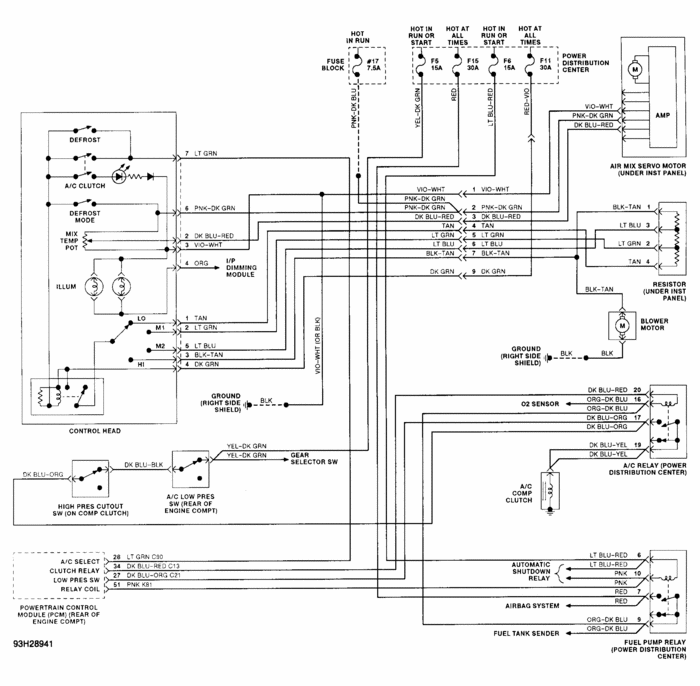
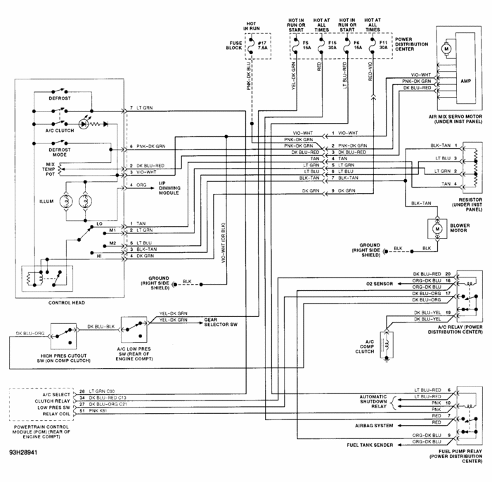
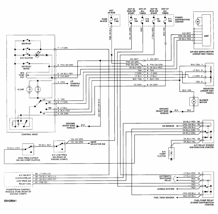
Here's diagram
Was this
answer
helpful?
Yes
No
-1
Wednesday, December 9th, 2020 AT 3:09 PM (Merged)

Please login or register to post a reply.