My blower motor wont turn off? Fuse location?

Tiny
RIDESAK
  • MEMBER
  • 1993 JEEP GRAND CHEROKEE
  • 140,000 MILES
I turn off the engine and take the key out but the blower keeps going. I need to pull the fuse in the power distribution center to make it stop. Please help.
Monday, October 17th, 2011 AT 10:19 PM

5 Replies

Tiny
CJ MEDEVAC
  • MECHANIC
  • 11,005 POSTS
See if there is a relay for the blower, and you find it.A simple "thump", while the fan is running (key off), may un-stick the relay.

This may verify the relay's contacts are sticking (if the fan stops running). Replace the relay if it was sticking. This ain't "perfect test" but it sometimes works.

The medic
Was this
answer
helpful?
Yes
No
Monday, October 17th, 2011 AT 10:56 PM
Tiny
RIDESAK
  • MEMBER
  • 3 POSTS
Would that be the air conditioning relay or the one closer to the blower fuse labeled Automatic shut down?
Was this
answer
helpful?
Yes
No
-1
Monday, October 17th, 2011 AT 11:23 PM
Tiny
CJ MEDEVAC
  • MECHANIC
  • 11,005 POSTS
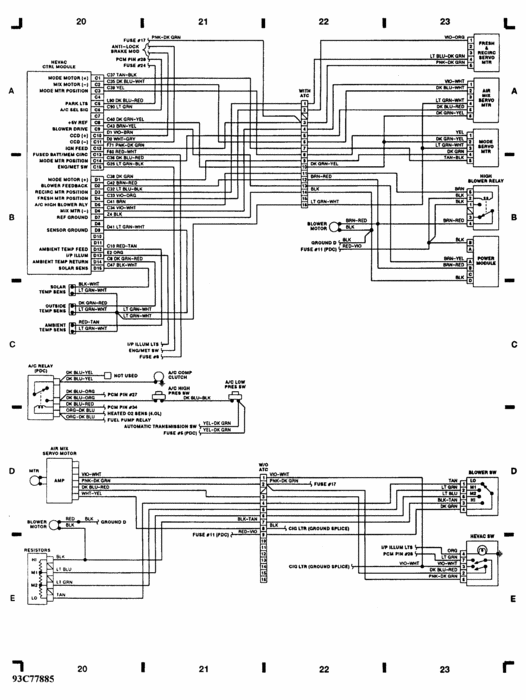
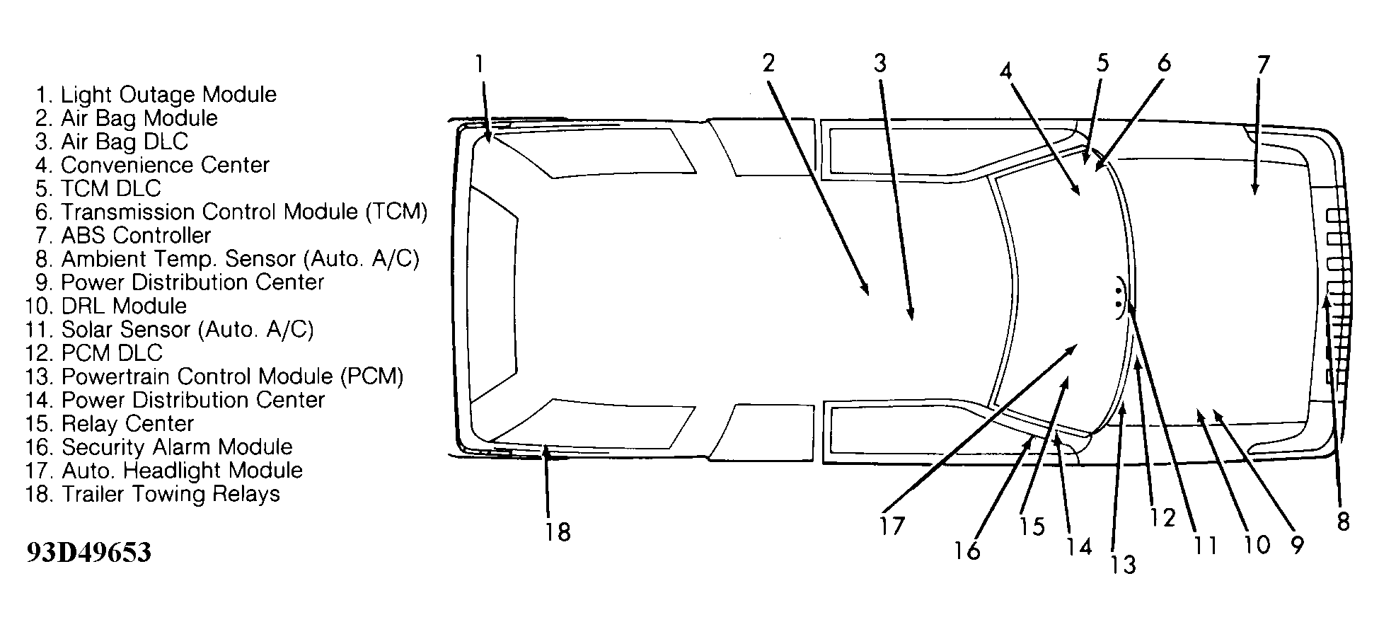
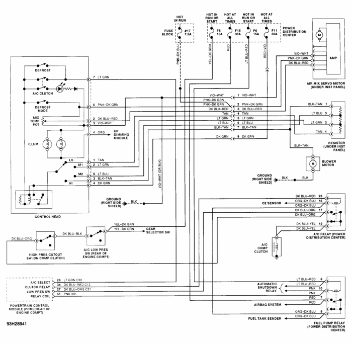
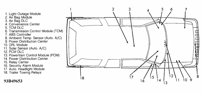
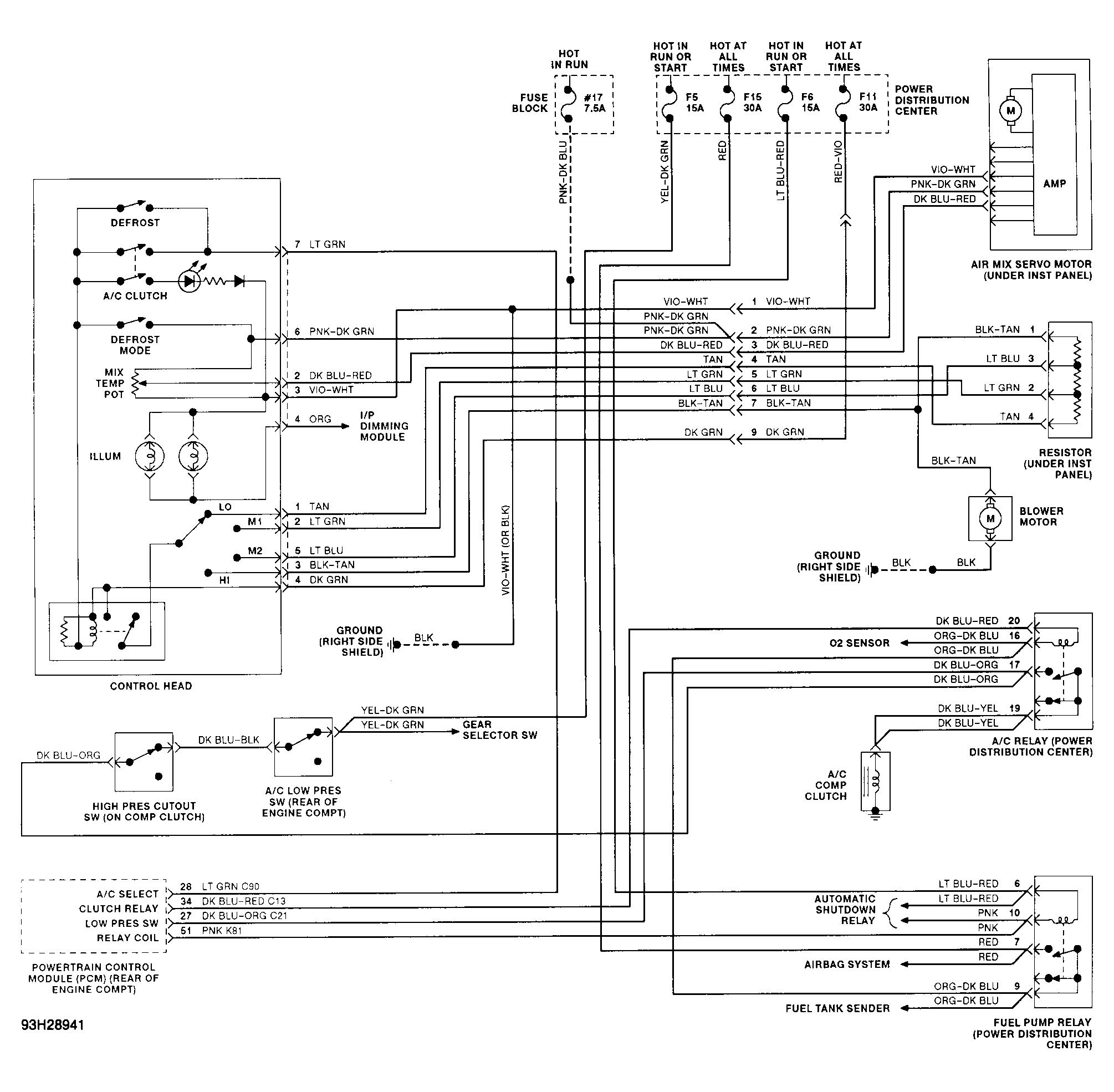
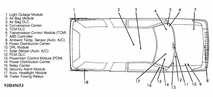
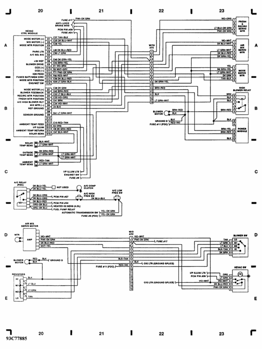
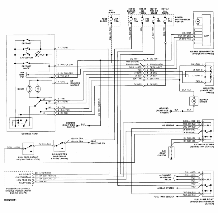
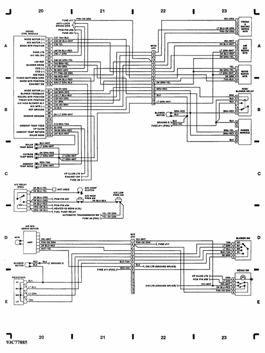
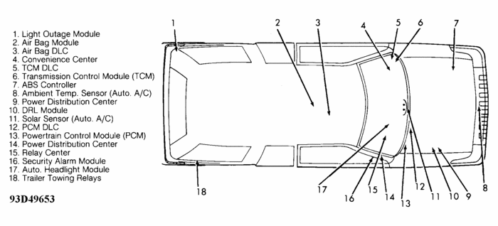
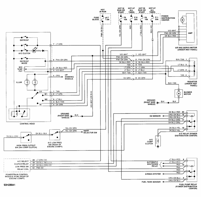
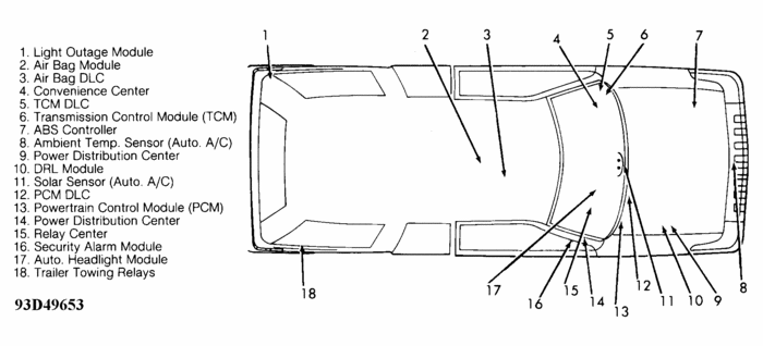
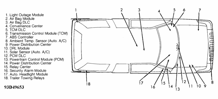
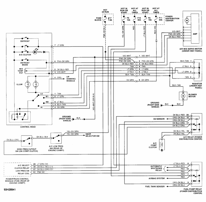
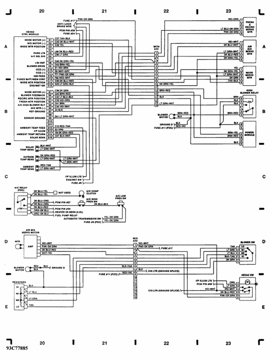
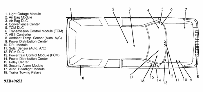
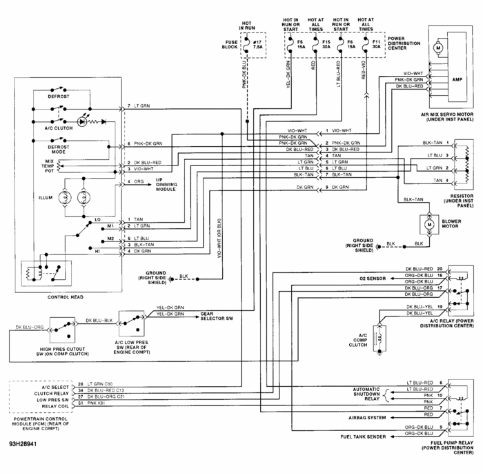
Grabbed some diagrams--these are for "manual" a/c---"plain jane" cherokee, engine unknown.I kinda did some guessing. Probably wrong. Give me more info, if these are not "you"

i looked at 5 total

one was glove box relays, none were hvac in there.I did not get it

i also grabbed the "power distribution box" diagram---one in it is labeled a/c sorta on the center of the box---under the hood (last diagram)

the other 2 are wire diagrams showing the system. Can't see 'em? Let me know.

Let me know if you need something else.I'll try!
Was this
answer
helpful?
Yes
No
+3
Tuesday, October 18th, 2011 AT 12:04 AM
Tiny
96GRANDOWNER
  • MEMBER
  • 1 POST
OK - This makes no sense, but I had the same issue and it was resolved by replacing the blower resister. I still can't figure out how the blower is getting power with the key off because of a bad resistor. I even asked the Jeep dealer mechanics (3 of them in the shop) and they were puzzled. I did swap the relay (on a cable behind the glovebox) with a similar one used for the courtesy lights with no change - so I went ahead with the $200 Mopar resistor and Ta Da - works perfect.
Was this
answer
helpful?
Yes
No
+8
Saturday, August 5th, 2017 AT 4:13 PM
Tiny
KEN L
  • MASTER CERTIFIED MECHANIC
  • 55,488 POSTS
Great addition to this thread! Please feel free to help out whenever you are on the site :)

Cheers, Ken
Was this
answer
helpful?
Yes
No
Monday, August 7th, 2017 AT 12:20 PM

Please login or register to post a reply.