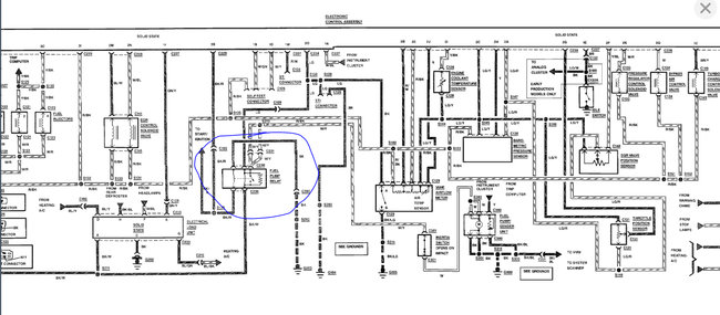
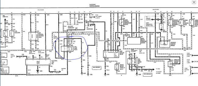
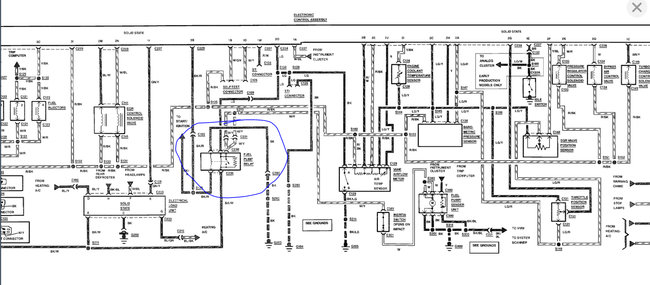
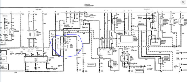
Thursday, August 19th, 2021 AT 10:36 PM
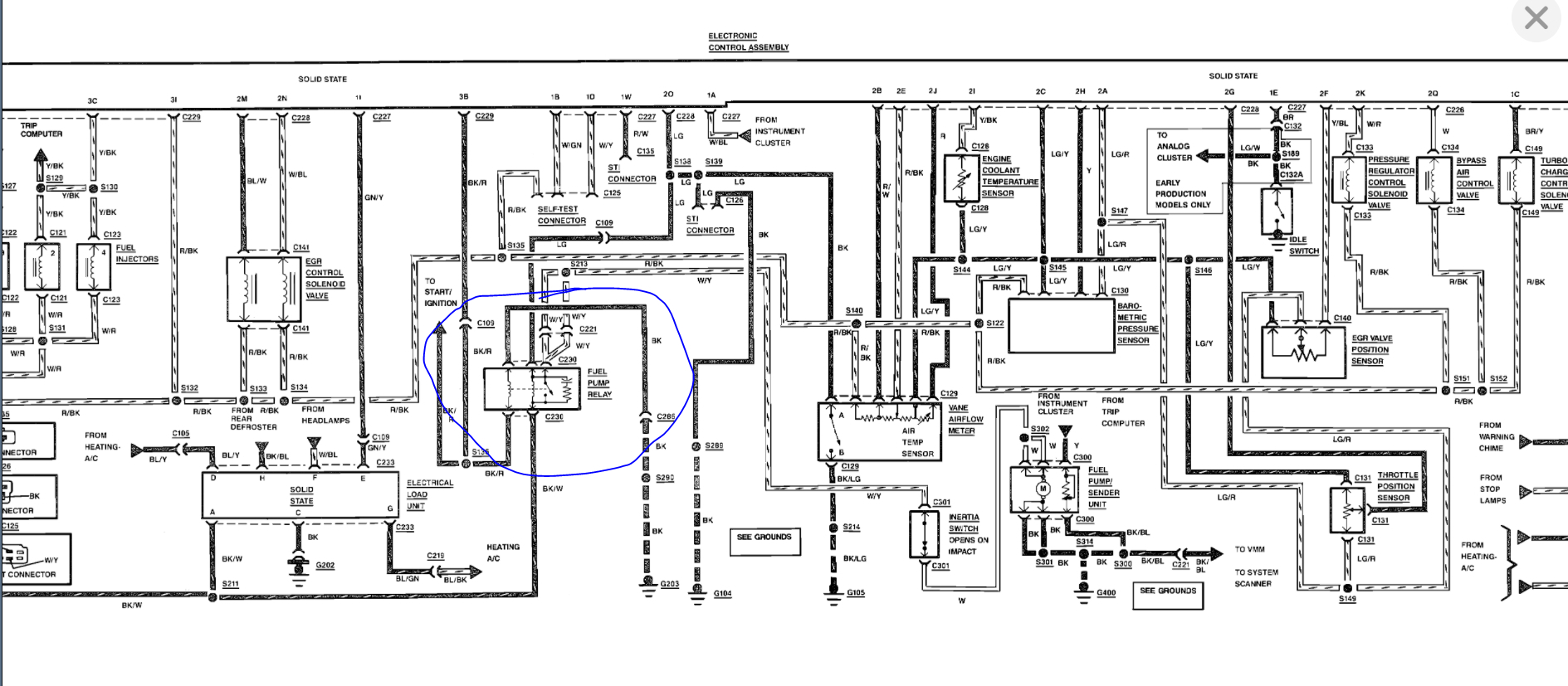
I replaced the fuel pump, tank filter, new plugs, wires cap, and rotor. It has about 47lbs fuel pressure. It has 12v at injector and has pulse. But still wont start. But if I spray start fluid it will run. Help please.









