Engine will not start up and run?

Tiny
7452EXPLORER
  • MEMBER
  • 1998 FORD EXPLORER
  • 4.0L
  • V6
  • 2WD
  • AUTOMATIC
  • 198,000 MILES
Changed fuel regulator, crank sensor, relays. Turns over gets spark, gets fuel, just will not start. Checked trouble codes nothing comes up. Check engine light on and check gauges light on. Please help.
Sunday, January 28th, 2018 AT 5:07 PM

60 Replies

Tiny
KEN L
  • MASTER CERTIFIED MECHANIC
  • 55,481 POSTS
If the check engine light is on then we should run the codes to see what comes up which should lead us to the problem.

https://www.2carpros.com/articles/checking-a-service-engine-soon-or-check-engine-light-on-or-flashing

Please run this test and get back to us.

Cheers, Ken
Was this
answer
helpful?
Yes
No
Tuesday, January 30th, 2018 AT 11:05 AM
Tiny
7452EXPLORER
  • MEMBER
  • 4 POSTS
I ran the diagnostics but no codes come up.
Was this
answer
helpful?
Yes
No
Friday, February 2nd, 2018 AT 9:55 PM
Tiny
KEN L
  • MASTER CERTIFIED MECHANIC
  • 55,481 POSTS
Sorry you said that in the post. Lets check the engine for compression to see if we have an engine.

Here is a guide to help us get started.

https://www.2carpros.com/articles/how-to-test-engine-compression

Please let us know what you find. We are interested to see what it is.

Was this
answer
helpful?
Yes
No
+1
Saturday, February 3rd, 2018 AT 10:20 AM
Tiny
7452EXPLORER
  • MEMBER
  • 4 POSTS
Thanks for your suggestions but I seem to think that my problem lies with the ECU. My question now is if I replace the ECU what steps will I need to take to make sure that the key is going to work since it is a PATS key?
Was this
answer
helpful?
Yes
No
Wednesday, February 21st, 2018 AT 4:27 PM
Tiny
KEN L
  • MASTER CERTIFIED MECHANIC
  • 55,481 POSTS
It will may need to be reprogrammed so everything works. There is an initiation process that sometimes needs to be done. If you try a used one it should work.
Was this
answer
helpful?
Yes
No
Wednesday, February 21st, 2018 AT 6:40 PM
Tiny
7452EXPLORER
  • MEMBER
  • 4 POSTS
If I get a used one from the salvage yard what steps need to be taken to make sure the key is going to work? Is there an instruction video or tutorial on doing this? I want to be sure how to correctly do this so I dont screw it up. Thank you very much.
Was this
answer
helpful?
Yes
No
Wednesday, February 21st, 2018 AT 11:21 PM
Tiny
KEN L
  • MASTER CERTIFIED MECHANIC
  • 55,481 POSTS
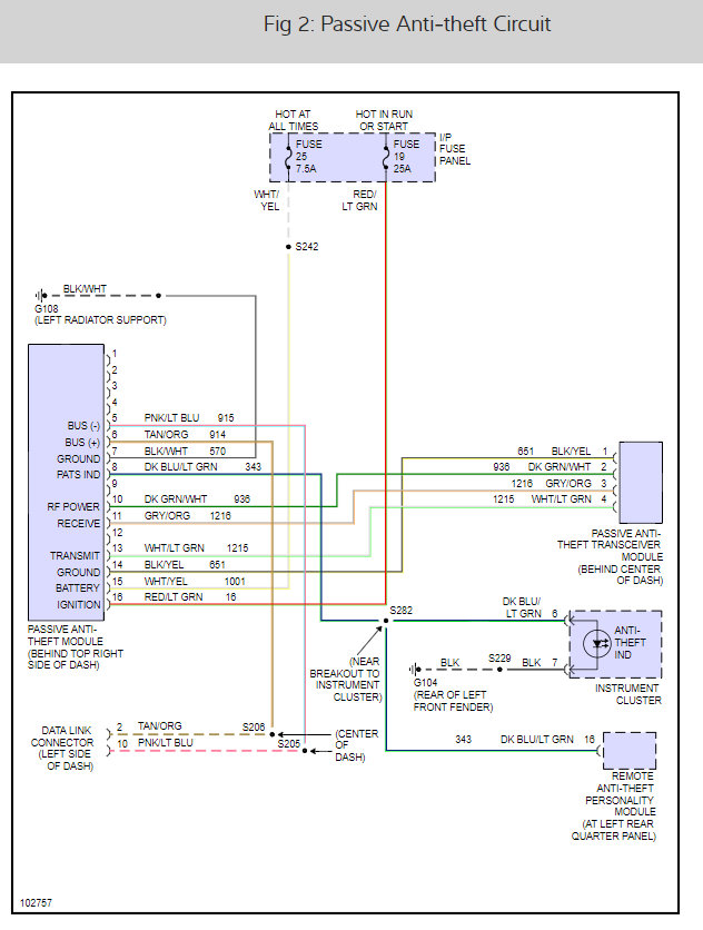
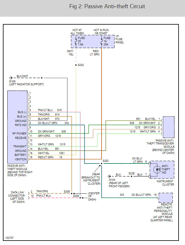
You should be fine because the PATS does only one function for the ECM. Here is a security system wiring diagram so you can see how the system works. (BELOW)
Was this
answer
helpful?
Yes
No
Thursday, February 22nd, 2018 AT 11:47 AM
Tiny
ENOCHAHORNE
  • MEMBER
  • 8 POSTS
  • 1998 FORD EXPLORER
  • 6 CYL
  • 4WD
  • AUTOMATIC
  • 162,000 MILES
Ok replaced the fuel pump. Engine turning over fine. Just want start. Pretty sure the fuel pressure is fine.I think I need a noid light to see if my injectors are pulsing. And if the noid light isnt blinking, what else might be the problem?
Was this
answer
helpful?
Yes
No
Wednesday, December 30th, 2020 AT 6:16 PM (Merged)
Tiny
JACOBANDNICKOLAS
  • MECHANIC
  • 110,194 POSTS
First make sure the pressure is good. If it is, then check for an injector pulse. If there isn't one, follow it back to the PCM. If there is no output there, chances are it is bad.
Was this
answer
helpful?
Yes
No
Wednesday, December 30th, 2020 AT 6:16 PM (Merged)
Tiny
NIKKI8994
  • MEMBER
  • 1 POST
  • 1998 FORD EXPLORER
  • 4.0L
  • V6
  • AWD
  • AUTOMATIC
  • 170,000 MILES
My truck overheated on the freeway and when I pulled over I checked the coolant and coolant reservoir and they were both empty. I bought coolant and put it in and 10mins after it had all poured out because there was a crack in the radiator. I fixed the radiator and put more coolant in and now it will turn over but won't start up.
Was this
answer
helpful?
Yes
No
Wednesday, December 30th, 2020 AT 6:16 PM (Merged)
Tiny
WRENCHTECH
  • MECHANIC
  • 20,761 POSTS
You may have gotten it too hot a blew a head gasket. You need to pressure test the cooling system with all the spark plugs removed to look for coolant in the cylinders.
Was this
answer
helpful?
Yes
No
+1
Wednesday, December 30th, 2020 AT 6:16 PM (Merged)
Tiny
JPLEASANTS
  • MEMBER
  • 3 POSTS
  • 1998 FORD EXPLORER
Electrical problem
1998 Ford Explorer 6 cyl Two Wheel Drive Automatic 103k miles

I have a 98 Explorer Sport with a 4.0 SOHC / automatic trans. The car has a bit over 103k miles, and has always ran great. Recently the car won't restart after driving. If I wait a few hours the car will start with no problem. It does idle really slow, about 4-6 hundred rpms. I have recently replaced the crankshaft position sensor, ignition coil, fuel filter, and the starter, but the problem still occurs. I have also checked all the fuses in the dash, and under the hood, and they are all good. Any suggestions?

The check engine light used to come on periodically before I changed out the sensor, now it never comes on. The spark plugs are also receiving power.
Was this
answer
helpful?
Yes
No
Wednesday, December 30th, 2020 AT 6:18 PM (Merged)
Tiny
KHLOW2008
  • MECHANIC
  • 41,814 POSTS
Hi jpleasants,

Thank you for the donation.

Since sparks are available, then you should check the fuel pressure.

When engine could not start, does turning the ignition ON operates the fuel pump?
Did you test the fuel pressure?
Was this
answer
helpful?
Yes
No
Wednesday, December 30th, 2020 AT 6:18 PM (Merged)
Tiny
JPLEASANTS
  • MEMBER
  • 3 POSTS
I'm pretty sure I heard the fuel system prime whenever I turned the key. I do not know how to check the fuel pressure.

I know it's getting gas, because I changed out the fuel filter, and it ran fine after that.
Was this
answer
helpful?
Yes
No
Wednesday, December 30th, 2020 AT 6:18 PM (Merged)
Tiny
KHLOW2008
  • MECHANIC
  • 41,814 POSTS
Under normal circumstances the fuel pump is working, but when engine could not be started, that is the time to check and confirm that the fuel pump is working.

To check the fuel pressure, you would need a pressure gauge attached to the fuel supply line.
Was this
answer
helpful?
Yes
No
Wednesday, December 30th, 2020 AT 6:18 PM (Merged)
Tiny
JPLEASANTS
  • MEMBER
  • 3 POSTS
Okay, I'll check the pressure next time it happens. I have no way of knowing when the car will fail again, since it's an unpredictable problem.

If there is pressure in the lines generated by the pump, what else could I troubleshoot?

Thanks again.
Was this
answer
helpful?
Yes
No
Wednesday, December 30th, 2020 AT 6:18 PM (Merged)
Tiny
KHLOW2008
  • MECHANIC
  • 41,814 POSTS
If sparks and fuel pressure are available, then you need to check if the injectors are working. A noid light would enable you to test if the injector circuits are firing.
Was this
answer
helpful?
Yes
No
Wednesday, December 30th, 2020 AT 6:18 PM (Merged)
Tiny
NATELANG
  • MEMBER
  • 3 POSTS
  • 1998 FORD EXPLORER
  • 6 CYL
  • AWD
  • AUTOMATIC
  • 136,000 MILES
I am haveing trouble getting the truck started. I have replaced the fuel cut off switch and it still will not start. I did replace the fuel pump a few months ago.(Used one) I have used a test light to test the plug that the cut off switch plugs into and the light is very dim. I am lost from here.

Thanks
NateLang
Was this
answer
helpful?
Yes
No
Wednesday, December 30th, 2020 AT 6:18 PM (Merged)
Tiny
JACOBANDNICKOLAS
  • MECHANIC
  • 110,194 POSTS
Is the fuel pump working? Have you checked pressure? When you say cut off switch, are you refering to the auto shut down (ASD)? Will the engine start for a few seconds with starting fluid?
Was this
answer
helpful?
Yes
No
Wednesday, December 30th, 2020 AT 6:18 PM (Merged)
Tiny
NATELANG
  • MEMBER
  • 3 POSTS
The switch that im talking about is the fuel inertia switch. The pump is not kicking on at all.
Was this
answer
helpful?
Yes
No
Wednesday, December 30th, 2020 AT 6:18 PM (Merged)

Please login or register to post a reply.