Engine will not crank - no starter operation?

Tiny
KIRKMAN
  • MEMBER
  • 5 POSTS
  • 2007 PONTIAC G6
  • 4 CYL
  • FWD
  • AUTOMATIC
  • 107,000 MILES
Car has intermittent starting problems. It started fine. A short stop at the store and it would not start again. Boosted and drive to auto store. Battery and alternator check out fine. Once again would not start. Clicking sounds but no start. After a while it starts on first try. Shut it off and no restart. Always clicking sounds. Only owned for a couple of days. Previous owner just replaced starter.
Was this
answer
helpful?
Yes
No
Monday, January 4th, 2021 AT 8:43 AM (Merged)
Tiny
LONGORIA214
  • MEMBER
  • 7 POSTS
Starter is not the issue.
Was this
answer
helpful?
Yes
No
-1
Monday, January 4th, 2021 AT 8:43 AM (Merged)
Tiny
KEN L
  • MASTER CERTIFIED MECHANIC
  • 55,281 POSTS
It still sounds like a battery or cable problem.

Here is a guide so we can load test the battery ourselves:

https://www.2carpros.com/articles/car-battery-load-test

Move the battery cables around mainly the positive one to see if you can get it to act up.

Please let us know what you find.

Cheers, Ken

Was this
answer
helpful?
Yes
No
-2
Monday, January 4th, 2021 AT 8:43 AM (Merged)
Tiny
KEN L
  • MASTER CERTIFIED MECHANIC
  • 55,281 POSTS
Have you replaced it, or just tested it at the parts store? If you are certain it is not the problem then the only other thing I can thing of is the ground strap between the engine and frame either is missing or loose.
Was this
answer
helpful?
Yes
No
Monday, January 4th, 2021 AT 8:43 AM (Merged)
Tiny
KIRKMAN
  • MEMBER
  • 5 POSTS
As noted in before, the Battery tested good. Since posting the question all relays and wiring has been checked and tests good. It seems to be an issue with the anti theft security program but we don't know exactly what or how to proceed
Was this
answer
helpful?
Yes
No
+1
Monday, January 4th, 2021 AT 8:43 AM (Merged)
Tiny
LONGORIA214
  • MEMBER
  • 7 POSTS
How do I program my ECM?
Was this
answer
helpful?
Yes
No
Monday, January 4th, 2021 AT 8:43 AM (Merged)
Tiny
STEVE W.
  • MECHANIC
  • 15,671 POSTS
Battery tests in most places like autozone or similar are wrong more often than they are correct.
However, the issue sounds more like a corroded cable or bad connection, especially as jump starting it worked and the other owner just replaced the starter. GM battery cables love to corrode inside the terminal ends, they will look fine and if you try to measure voltage on them they will test okay, but the starter draws a lot of current and the corrosion will not allow that to transfer so you get clicking and no cranking of the engine. Usually a good tug or flexing of the cable will show the truth and the connector just peels off the end.

The anti-theft system on that car wouldn't do that. It would flash the security light and you would get nothing else, no clicks or power up front.
Was this
answer
helpful?
Yes
No
+2
Monday, January 4th, 2021 AT 8:43 AM (Merged)
Tiny
SATURNTECH9
  • MECHANIC
  • 30,869 POSTS
Just to add to this one; what is going on that you want to program your ECM? That takes the dealer or someone that has the expensive scan tool that will program. When the buy the calibration files from the manufacturer. So when it will not start is the security light on solid or flashing with the key in the run position?
Was this
answer
helpful?
Yes
No
Monday, January 4th, 2021 AT 8:43 AM (Merged)
Tiny
KIRKMAN
  • MEMBER
  • 5 POSTS
It is showing the partial locked icon and has progressed to no clicks at all. However all lights are bright and battery test at autozone, as well as a family friend with equipment, all test good. The battery has been disconnected and reconnected. This friend tested every wire and relay he knew to test and all show good current.
Was this
answer
helpful?
Yes
No
Monday, January 4th, 2021 AT 8:43 AM (Merged)
Tiny
KEN L
  • MASTER CERTIFIED MECHANIC
  • 55,281 POSTS
It sounds like the security system is engaged. Remove the negative battery cable from the battery and touch it to the positive cable this will hard reboot the system by discharging the car's capacitors. Leave ti that way for 10 minutes. Reconnect the battery and then use the remove to unlock the car. This should reset the alarm.

Please let us know

Cheers, Ken
Was this
answer
helpful?
Yes
No
Monday, January 4th, 2021 AT 8:43 AM (Merged)
Tiny
KIRKMAN
  • MEMBER
  • 5 POSTS
I will try this and let you know. It will be a few days since we have gone out of town for the weekend (obviously with a different vehicle :-P)
Was this
answer
helpful?
Yes
No
Monday, January 4th, 2021 AT 8:43 AM (Merged)
Tiny
AMBER BERNAL SALWAY
  • MEMBER
  • 6 POSTS
  • 2007 PONTIAC G6
  • 3.5L
  • V6
  • 2WD
  • AUTOMATIC
  • 150,000 MILES
Car won’t crank at all. When hot my husband change the starter and when putting the new starter in my brother in law broke the pigtail and used some butt connectors in its place. Can this be my problem?
Was this
answer
helpful?
Yes
No
Monday, January 4th, 2021 AT 8:43 AM (Merged)
Tiny
K JENKINS
  • MEMBER
  • 2 POSTS
Kirkman, I know it's been a little while since you posted about your pontiac g6, but i'm having the same issue with my pontiac. Did you ever find out what was wrong with yours and why it wouldn't start? They've replaced the fuel pump and the fuel pump relay and a new fuse box was put in, but it's still randomly not starting. The engine turns over, but it just won't start sometimes. Then other times it's fine. I've found that if I tap or hit the fuse box, it starts up more often than not. If anyone has any suggestions. Please let me know!
Was this
answer
helpful?
Yes
No
Monday, January 4th, 2021 AT 8:43 AM (Merged)
Tiny
KASEKENNY
  • MECHANIC
  • 18,907 POSTS
Hi,

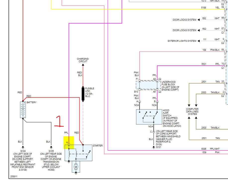
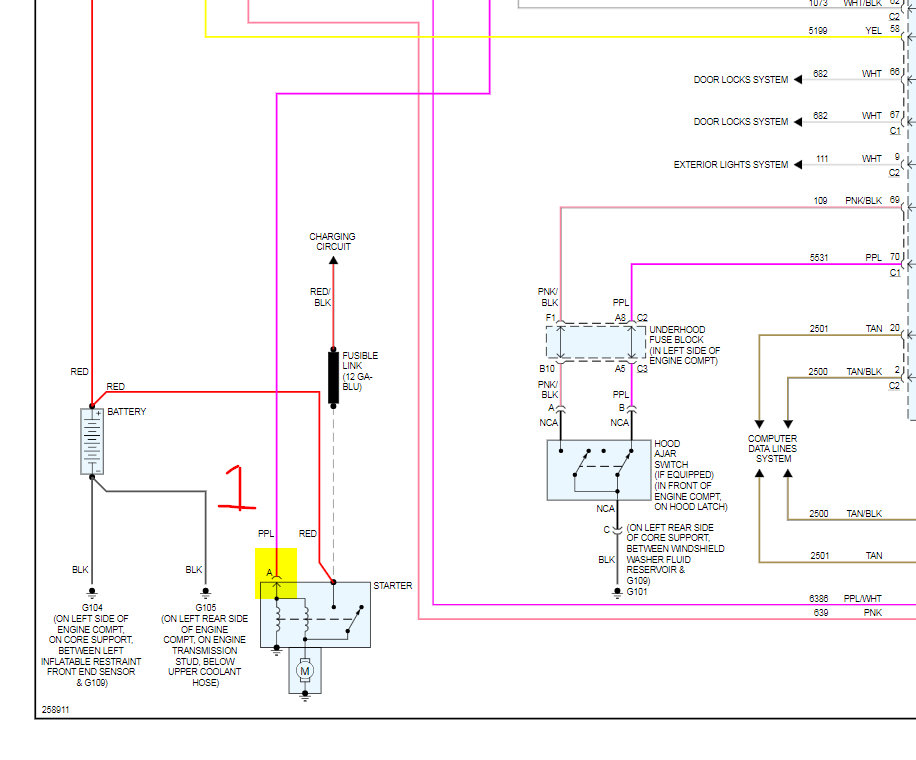
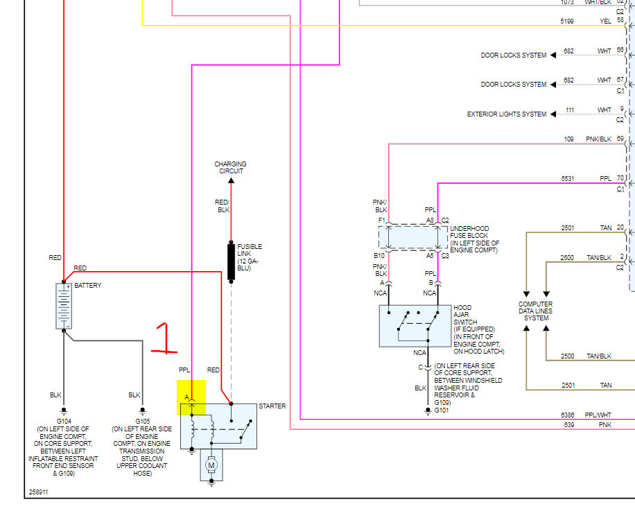
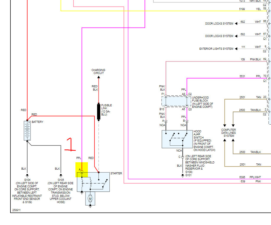
That depends. Does the starter have proper voltage on the B+ and signal wire. If you look at the wiring diagram, the red wire should have 12 volts. The pink wire should have voltage when you are cranking the engine. If you don't then you have a wiring issue and butt connectors should be removed first then retested. It is too common for these to fail and the crimp did not actually get the wire secured and so it is an open circuit.

Here is a guide that gives a little more detail:

https://www.2carpros.com/articles/starter-not-working-repair

Let me know what you find and we can go from there. Thanks
Was this
answer
helpful?
Yes
No
Monday, January 4th, 2021 AT 8:43 AM (Merged)
Tiny
KIRKMAN
  • MEMBER
  • 5 POSTS
It was a problem with the anti-theft system. Dealership reprogrammed and re-keyed it. (Pretty expensive but had only just gotten the car and got it at a good price so it was ok) There have been a host of other electrical problems on and off since then. Took it in last week for evaluation as engine light is on and it’s time for tags/ inspection. Costs are way higher than value of car so we’re done. Going to sell it or trade it get something else. It runs very well engine wise, transmission, etc. The electrical system in it is trash. In our research we found that to be true of those cars in general.
Was this
answer
helpful?
Yes
No
Monday, January 4th, 2021 AT 8:43 AM (Merged)
Tiny
AMBER BERNAL SALWAY
  • MEMBER
  • 6 POSTS
The car starts once it’s cooled off, which is every evening about 9:00 pm and first thing in the morning. I live in bullhead city Arizona averages 110 or more all summer months, that being said my issue seems to have something to do with heat. I’m assuming since I can drive to work at 6:50 am and still able to start my car at 10:00 am, now I get off at 3:00 pm drive home and shut my car off it Wont start again until it has cooled down. Strangest thing ever. It makes a faint click sound and all the dash lights come on like their supposed to. As far as my knowledge knows. Thought it could be security issues, got a new key reset it. Set of security alarm and was able to disarm by putting key in ignition. But it still wouldn’t crank or anything. Which led me to believe it is not the security system? Could I be wrong? Started having this problem before putting new starter in which described above, pigtail broke upon new starter instillation. Battery was no good two months later so got a new one. Check all fuses inside and out of car their good. Changed Run crank module, replace starter j fuse. I’m running out of money and most of all patience! Please help me please
And thank you all it’s greatly appreciated!
Was this
answer
helpful?
Yes
No
Monday, January 4th, 2021 AT 8:43 AM (Merged)
Tiny
K JENKINS
  • MEMBER
  • 2 POSTS
Thank you SO MUCH for getting back with me! This is a HUGE help! And yes, I agree with you on the electrical part! Terrible! There's been SO many common problems with this car. I'm not sure what they were doing when they made this, but they better NEVER make a mistake like this Again! :( It sucks when you purchase a car and get nothing but problems from it.
Was this
answer
helpful?
Yes
No
Monday, January 4th, 2021 AT 8:43 AM (Merged)
Tiny
KASEKENNY
  • MECHANIC
  • 18,907 POSTS
Okay. Just so we are on the same page, when you say all the fuses are okay, did you replace or swap the relays? You said a run crank module, did you mean the run/crank relay? There is a starter relay but that feeds power to the starter relay. Both the relays need to be replaced at this point. IF that does not cure it or it has been done, we need to check voltage at the starter.

It is safe to assume we are not getting voltage but we need to trace it back through the system. Once we confirm the starter has no voltage, you go to the under-hood fuse block and see if there is voltage on the yellow wire that is going into the run/crank relay. If not, I suspect we have an issue in the BCM.

Just so you understand what my thinking is, when you turn the key on the ignition switch sends voltage to the BCM which sends voltage to the fuse block on the run/crank relay, which sends power to the ECM and this tells the ECM that it is ok to start the engine. So it sends voltage to the fuse block again on the starter relay. This relay turns on and sends this voltage to the starter that turns the engine.

The fact that this doesn't start when it is hot, means that one of the circuit boards in either the BCM or ECM has failed and when it is hot, it expands and doesn't make the connection any more. Then when it cools down the metal contracts and makes the connection again. This may sound crazy but it happens more than you would think.

https://www.2carpros.com/articles/how-to-check-wiring

Let me know what you find at the starter and then at the yellow wire with the key on and we can go from there. Thanks
Was this
answer
helpful?
Yes
No
+1
Monday, January 4th, 2021 AT 8:43 AM (Merged)
Tiny
AMBER BERNAL SALWAY
  • MEMBER
  • 6 POSTS
So much informative information thank you very much, we are going to check these things one by one, is there a certain starting point? We will post the findings and results as soon as we know! Thank you again for the time and consideration of helping me.
Was this
answer
helpful?
Yes
No
Monday, January 4th, 2021 AT 8:43 AM (Merged)
Tiny
KASEKENNY
  • MECHANIC
  • 18,907 POSTS
Okay. Sorry if that was too much. Hopefully this helps simply it. Follow the screen shots below. Replace the relays first. Then start checking voltage at the number screen shots when the engine is cranking.

Depending on the results will determine the next step.
Was this
answer
helpful?
Yes
No
Monday, January 4th, 2021 AT 8:43 AM (Merged)

Please login or register to post a reply.