No starter operation engine will not crank over?

Tiny
TONYP505
  • MEMBER
  • 3 POSTS
OK so I checked the starter and no load there is of course 0.00 resistance. While cranking the motor it was 0.02 of a drop. The lights do dim a little bit what I would consider normal. This might sound stupid but since I replaced the timing chain when replacing the head. Could the chain be to tight and causing it to not want to turn over at normal speeds? I can hand turn the crank with a wrench and I don't feel a difference from the past before I did any work on it. When changing a belt. I tested both points on the starter. The wire between the battery and cylinoide. I also tested the ignition wire, still no loss. Can I run a obd2 tester on it? Or would it even give me any kind of code? I know on the calibers you are supposed to be able to turn the key over 3 times and it just says "Done" where normally it reads the mileage. Should I be getting a code there? Thank you for all your help so far on this problem.
Was this
answer
helpful?
Yes
No
Wednesday, December 30th, 2020 AT 5:51 PM (Merged)
Tiny
CARADIODOC
  • MECHANIC
  • 34,454 POSTS
Hi Tonyp. I'm sorry that I didn't see your reply. Did you get this figured out? Somewhere around 2006 to 2009 they stopped showing fault codes in the odometer. I guess they're starting to follow the other manufacturers and forgetting about ease of service in favor of, ... Uhm, ... Something else.
Was this
answer
helpful?
Yes
No
Wednesday, December 30th, 2020 AT 5:51 PM (Merged)
Tiny
VIVIANBALFOUR
  • MEMBER
  • 1 POST
  • 2007 DODGE CALIBER
  • 6 CYL
Turned key and nothing happened, no sound, had been sitting for 10 days
Was this
answer
helpful?
Yes
No
Wednesday, December 30th, 2020 AT 5:51 PM (Merged)
Tiny
RNDARROW
  • MEMBER
  • 15 POSTS
First thing check to see if the Battery is any good. Check to see if you have any lights coming on, such as headlight or dome light. Try charging it or replacing it. If you do have power to all accessories and no sound still, could be the starter cylinoid or the ignition switch.
Was this
answer
helpful?
Yes
No
-1
Wednesday, December 30th, 2020 AT 5:51 PM (Merged)
Tiny
MHPAUTOS
  • MECHANIC
  • 31,937 POSTS
Have you had any luck with this problem as yet? Are you still stuck and need further assistance?

Mark (mhpautos)
Was this
answer
helpful?
Yes
No
Wednesday, December 30th, 2020 AT 5:51 PM (Merged)
Tiny
BALMERMOTORCO
  • MEMBER
  • 1 POST
  • 2007 DODGE CALIBER
  • 2.4L
  • 4 CYL
  • 4WD
  • AUTOMATIC
  • 141,000 MILES
Drove in my garage and now it will not turn over at all. Lights are good checked battery okay.
Was this
answer
helpful?
Yes
No
Wednesday, December 30th, 2020 AT 5:51 PM (Merged)
Tiny
KASEKENNY
  • MECHANIC
  • 18,907 POSTS
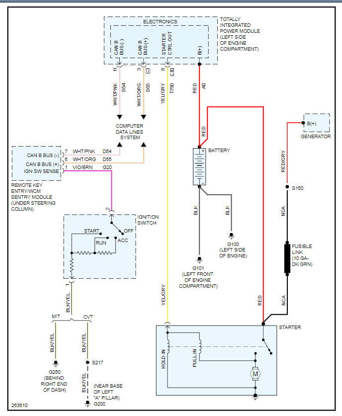
We need to check the starter for voltage on the red wire and then the yellow wire when cranking the engine. I suspect you will have voltage on the red wire and that should be there all the time.

The yellow wire should only have 12 volts when cranking the engine. If it does then the starter is the issue. If not then we have either a TIPM issue or sentry key system issue.

Also, we should check the codes just to see if there is something there that points us in the right direction.

https://www.2carpros.com/articles/checking-a-service-engine-soon-or-check-engine-light-on-or-flashing

Let us know this info and we can go from there. Thanks
Was this
answer
helpful?
Yes
No
Wednesday, December 30th, 2020 AT 5:51 PM (Merged)
Tiny
DODGEWOMAN
  • MEMBER
  • 1 POST
  • 2007 DODGE CALIBER
  • 56,500 MILES
My car won't start - check the battery & change the starter. When I stick the key in the ignition turn it nothing happen. What could it be?
Was this
answer
helpful?
Yes
No
Wednesday, December 30th, 2020 AT 5:51 PM (Merged)
Tiny
JACOBANDNICKOLAS
  • MECHANIC
  • 110,192 POSTS
Try this test. Have a helper turn the key to the start position while you check for power at the smaller wire on the starter. You should have 12v. If you do, there is still a problem with the starter. If there is no power, check the starter relay.
Was this
answer
helpful?
Yes
No
Wednesday, December 30th, 2020 AT 5:51 PM (Merged)
Tiny
MIKEWYRO
  • MEMBER
  • 2 POSTS
  • 2007 DODGE CALIBER
  • 2WD
  • AUTOMATIC
  • 83,000 MILES
The car will not start but battery is fine, will not turn over but all electric items are working, is the starter bad?
Was this
answer
helpful?
Yes
No
Wednesday, December 30th, 2020 AT 5:51 PM (Merged)
Tiny
RASMATAZ
  • MECHANIC
  • 75,992 POSTS
Cranks over and will not start or just won't crank at all?
Was this
answer
helpful?
Yes
No
+5
Wednesday, December 30th, 2020 AT 5:51 PM (Merged)
Tiny
MIKEWYRO
  • MEMBER
  • 2 POSTS
The car will not crank over at all. Do you think the battery is low on juice? Thanks, Mike
Was this
answer
helpful?
Yes
No
+1
Wednesday, December 30th, 2020 AT 5:51 PM (Merged)
Tiny
RASMATAZ
  • MECHANIC
  • 75,992 POSTS
Could be the battery and connections -get it tested and also could be the starter relay or the starter motor itself
Was this
answer
helpful?
Yes
No
+1
Wednesday, December 30th, 2020 AT 5:51 PM (Merged)

Please login or register to post a reply.