Engine will not crank over - Starter not working?

2012 DODGE CALIBER
82,153 MILES
Avatar
ANGEL48
  • MEMBER
  • 1 POST
when ignition is turned - car will not crank nor start - no clicking sound when ignition is turned on - could this be the ignition switch? I have had the starter checked, I checked all fuses, I have checked the oil and the gas. I have had to replace a wire that hooks up to the air conditioner; which was one problem at one point, but now with a new starter, a charged battery - my car will not start when the key is turned on.
Sep 30, 2013 at 10:32 AM
Advertisement
Repair Safety Notice: This information is for general instructional purposes only. Vehicle repair can be dangerous. Verify all information, follow manufacturer service procedures, use proper tools and safety equipment, and consult a qualified repair shop when needed.
Avatar
JACOBANDNICKOLAS
  • AUTOMOTIVE REPAIR CONTRIBUTOR
  • 110,190 POSTS
Hello,

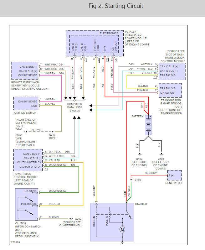
This sounds like the TIPM has failed. This guide to check and the relay location is in the diagram below with the starter wiring diagrams so you can see how it works. The TIPM will need to be programmed according to the instructions but I have heard guys replacing it and it self initializes. Check out the diagrams (Below). Please let us know if you need anything else to get the problem fixed.





Sep 30, 2013 at 4:53 PM
Avatar
TURBOJAY
  • MEMBER
  • 2 POSTS
Thanks for this post I had this issue and had to replace the TIPM . I love this site.
Jan 26, 2019 at 5:03 PM
Advertisement
Avatar
VLATTA
  • MEMBER
  • 1 POST
I replaced the alternator a couple of months ago, because it had gotten real bad, so while do that I made sure that the starter and the battery were fine too. So they're not the problem. My car's been having transmission issues, or so I've been told (has a hard time shifting up or down. I notice it most on cold days but that could be a coincidence) after changing out my alternator my check engine light turned off, but recently had my been coming off and on sporadically. I took it to AutoZone and they used two different code readers to read the codes, but nothing comes up. And while the guy was testing it, the car stalled on him too. He again said the alternator, starter, and battery are all fine.
I'm being told it has something to do with the fuel pump or the fuel injectors. Like I said, my car stalls randomly, sometimes when I'm driving 60 mph and it'll act like it's not getting gas and the power steering will turn off. All i know to do is try to start it until it will, pressing on the gas when I turn it over. But it's getting harder and harder to get it to start up. My dad said there may be a hole in the fuel pump, but I've tested over the past week whether just keeping it at 3/4 tank helps and it doesn't. It still stalled on me when I went into town. He also said something about it maybe being a crankshaft sensor, and he's sent me some links on it. I would just like more opinions on what it could be. What I could do. I live in my car, so it's pretty important for me to get it up and running. TIA (:
Edit: I thought I would also add that after i replaced the alternator,y battery started dying a lot quicker than I did before. Since I've had my car, I've let it idle a lot because I've lived in it a couple times now. And the battery will die with me sitting with it on in just 20 minutes now.
Dec 30, 2020 at 5:47 PM (Merged)
Avatar
JACOBANDNICKOLAS
  • AUTOMOTIVE REPAIR CONTRIBUTOR
  • 110,190 POSTS
Hi,

If the battery dies with the engine running after 20 minutes, the alternator isn't working. The first thing I want you to test is the alternator. Follow this link:

https://www.2carpros.com/articles/how-to-check-a-car-alternator

Here is a link that may help with the test:

https://www.2carpros.com/articles/how-to-use-a-voltmeter

Now, since the alt is new, if you are not seeing it charging, there may be a problem with the voltage regulator. This leads me to the next step.

If it isn't charging, remove the alternator and have it bench tested. If it works and tests good, the problem is the regulator which is integral in the power-train control module. Thus, the PCM needs replaced.

Let me know what you find.

Joe
Dec 30, 2020 at 5:47 PM (Merged)
Advertisement
Avatar
NOPICKNEEDED
  • MEMBER
  • 1 POST
no crank no start replaced battery with a new one replaced alternator with a new one and took out the starter had it check and the results showed it was good but the car still wont start or crank?
Dec 30, 2020 at 5:47 PM (Merged)
Avatar
JACOBANDNICKOLAS
  • AUTOMOTIVE REPAIR CONTRIBUTOR
  • 110,190 POSTS
Hi and thanks for using 2carpros.com

This type of problem can be related to many things. First, take a look through this link. It shows how to determine if the starter is getting power at the right places at the right times.

https://www.2carpros.com/articles/starter-not-working-repair

Perform that test. If there is no power to the smaller wire on the starter when the key is in the start position, you need to check the totally integrated power module (TIPM). These modules are pron to problems because there are so many connectors in the pins that attach to them. Often times a pin will break or corrode and no longer supply power.

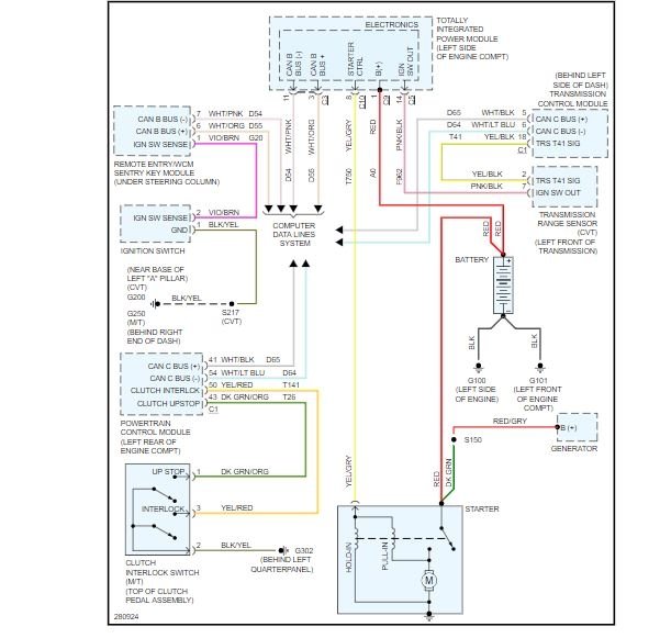
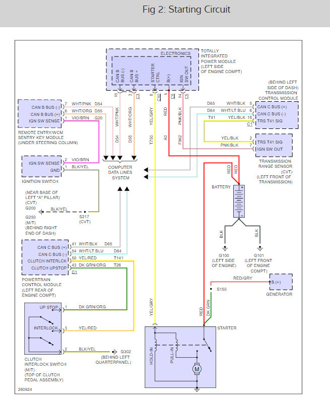
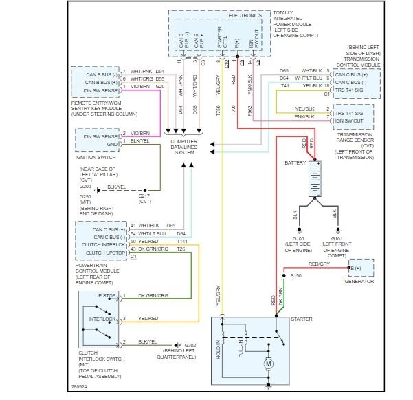
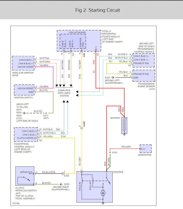
I attached a schematic for you to see. I had to break it in half so you could see everything. If you locate the starter in pic 1, you will see a yellow wire that runs from the starter to the TIPM. The TIPM is shown in pic 2. What you need to do is check that wire and where it attaches to the TIPM. However, before you disconnect any of the connectors on the TIPM, disconnect the battery and allow at least 10 minutes to pass before you proceed.

The TIPM is located near the battery and appears as a fuse box on top. Picture 4 below shows it. Again, make sure to disconnect the battery prior to working on this component.

At the TIPM, locate connector C10 which is an 8 pin connector, light gray in color. Disconnect the connector and inspect both the plug and pins in the TIPM for damage or corrosion. You will specifically check pin 8. You will need to reconnect the battery to test for power to the pin. Make sure no power supplies in the box or battery can short. Have a helper turn the key to the start position and check if there is power to pin 8. If there isn't, the TIPM is bad. However, as I mentioned earlier, most times it is a corrosion issue. If a pin is broken on the TIPM, I don't know of anyone who can repair it.

Here is a legend of pins and picture 3 shows the plug.


Harness Family: Engine_Compartment
Cavities: 10
Color: LIGHT GRAY
Gender: MALE
Part Description: 7283-3243-40
Engineering Name: Mod_IPM_1_TIPM6_Gas
Connector No: D3830K
Option: Standard


See Pic 3



Pin Circuit Wire Color Gauge/Size Function Option
K1 N0 NA 0 NO CONNECT
K2 N0 NA 0 NO CONNECT
K3 N0 NA 0 NO CONNECT
K3 T16 YL/OR 18 TRANSMISSION CONTROL OUTPUT CVT
K4 N0 NA 0 NO CONNECT
K5 F343 DB/LG 20 FUSED ASD RELAY OUTPUT
K6 F344 DB/LB 20 FUSED ASD RELAY OUTPUT
K7 C3 DB/YL 20 A/C CLUTCH CONTROL OUTPUT A/C
K7 N0 NA 0 NO CONNECT
K8 T750 YL/GY 16 STARTER RELAY OUTPUT


Here are a few links you may find helpful when testing this.

https://www.2carpros.com/articles/how-to-use-a-test-light-circuit-tester

https://www.2carpros.com/articles/how-to-use-a-voltmeter

https://www.2carpros.com/articles/how-to-check-wiring

I realize this isn't an entry level procedure. However, if you need help, feel free to ask.

Take care,
Joe
Dec 30, 2020 at 5:47 PM (Merged)
Avatar
DANBOW
  • MEMBER
  • 5 POSTS
I have changed relays and repaired all corroded wires in the relay block located behind the left front fender. I have also tried another (used) TIPM with same results. Could I have a bad ignition switch? Can anyone walk me through detailed testing procedures for ECM and TIPM? Unfortunately, I do not have schematics but I do have test lights and meters. Any help would be greatly appreciated.
Dec 30, 2020 at 5:47 PM (Merged)
Avatar
ASEMASTER6371
  • AUTOMOTIVE REPAIR CONTRIBUTOR
  • 52,796 POSTS
Good morning,

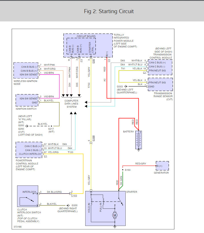
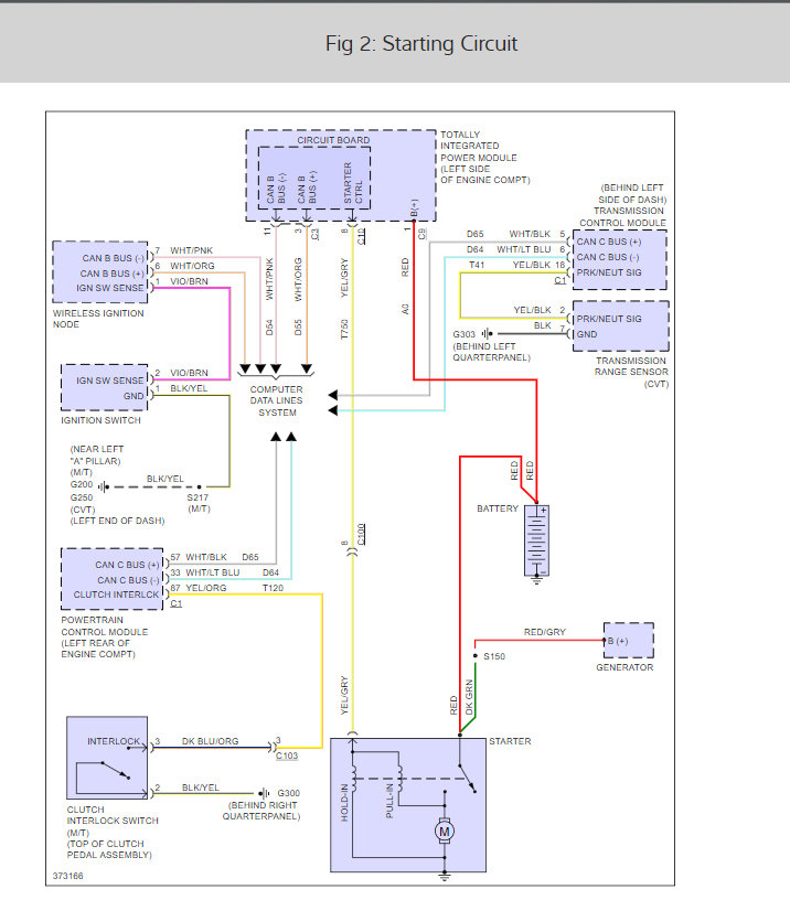
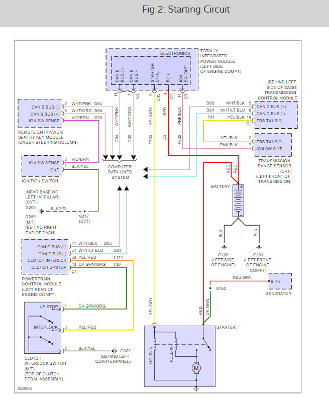
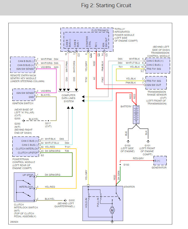
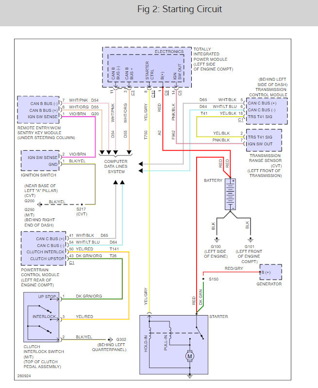
I attached a wiring diagram for you to view. Check the two wires highlighted for power with the key in the start position. We are trying to see if a signal is being sent to the TIPM.

These guides can help us fix it

https://www.2carpros.com/articles/starter-not-working-repair

and

https://www.2carpros.com/articles/car-battery-load-test

Please run down these guides and report back.

Roy
Dec 30, 2020 at 5:47 PM (Merged)
Avatar
DANBOW
  • MEMBER
  • 5 POSTS
Thanks Roy, but I did not receive the attachment?
Dec 30, 2020 at 5:47 PM (Merged)
Avatar
ASEMASTER6371
  • AUTOMOTIVE REPAIR CONTRIBUTOR
  • 52,796 POSTS
Nuts, sorry. I reattached it.

Roy
Dec 30, 2020 at 5:47 PM (Merged)
Avatar
DANBOW
  • MEMBER
  • 5 POSTS
Hi Roy. Sorry for the long response time, I just got home from work. So I am trying to figure out where exactly to check the wires noted. Is this connector shown in schematic sent located at the Ignition Switch or at the TIPM? Thanks!
Dec 30, 2020 at 5:47 PM (Merged)
Avatar
ASEMASTER6371
  • AUTOMOTIVE REPAIR CONTRIBUTOR
  • 52,796 POSTS
TIPM

The pins highlighted need power in the start position.

Roy
Dec 30, 2020 at 5:47 PM (Merged)
Avatar
DANBOW
  • MEMBER
  • 5 POSTS
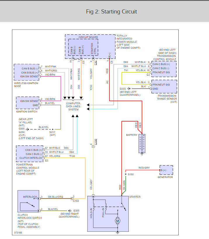
Hi Roy! I determined that the connector shown in schematic is at TIPM (Pic wasn't clear). However, I am not clear if the wires/pins highlighted should be in same connector or across multiples connectors so I tested all wires with same color codes. Test was conducted with key in the start (rotated in full forward) position. Following are the results:
Pink/Blk Wire (14 Gage??) in Gray connector has power;
Pink/Blk wire (16 Gage???) in Blue connector has no power;
Yellow/Gray wire (16 Gage???) in Gray connector has no power.
Any thoughts?
Dec 30, 2020 at 5:47 PM (Merged)
Avatar
ASEMASTER6371
  • AUTOMOTIVE REPAIR CONTRIBUTOR
  • 52,796 POSTS
Those wires are in the same connector at the pin number listed. Look at the pin numbers on the TIPM.

Roy
Dec 30, 2020 at 5:48 PM (Merged)
Avatar
DANBOW
  • MEMBER
  • 5 POSTS
Schematic looks like it calls this the "C" connector? The C-Connector in this vehicle is brown and has no yellow/gray or pink/black wires running to it?
Dec 30, 2020 at 5:48 PM (Merged)
Avatar
ASEMASTER6371
  • AUTOMOTIVE REPAIR CONTRIBUTOR
  • 52,796 POSTS
Okay, check the pink/black off the ignition switch for power..

Then check the wire at the starter.

Looks like the TIPM is the issue.

Roy
Dec 30, 2020 at 5:48 PM (Merged)
Avatar
DRJ232002
  • MEMBER
  • 4 POSTS
I have no crank, turn key and nothing. I jumped the solenoid wire and the starter spins but no fuel and or spark. I really need to know if there are any other relays other than what is in the driver fender. Also, if there are any other start fuses other than what are in the TIPM (Total Integrated Power Module). I have the service manual and am doing test light diagnosis but am stuck. I have an idea that it is the ECM (Engine Control Module) but I wanna know why. It ran fine when parked. We had a thunderstorm roll through middle of the night and next morning....nothing, no crank or nothing.
Dec 30, 2020 at 5:48 PM (Merged)
Avatar
SATURNTECH9
  • AUTOMOTIVE REPAIR CONTRIBUTOR
  • 30,869 POSTS
Hello,

I have seen the TIPM cause this problem but to be sure let's check for power output to the starter solenoid. Here is a wiring diagram so you can see how the starter wiring works, use a test light by following this guide, test the yellow and grey wire

https://www.2carpros.com/articles/how-to-use-a-test-light-circuit-tester

Check out the diagrams (Below). Please let us know what you find. We are interested to see what it is.
Dec 30, 2020 at 5:48 PM (Merged)
Avatar
DRJ232002
  • MEMBER
  • 4 POSTS
Had a Snap-On "Ethos" reader here briefly and it could not communicate with the engine and spit out code- could not communicate with the ECM/PCM (U0100) with a few other codes but that seemed to be the big one. I am about burnt out on it....tried a ton of things. Trying to use the service manual to diagnose. Thing I found out, this car had front end damage at one time and we didn't know that when we bought it. These Calibers are notorious for electrical trouble, especially with previous front end damage. I was checking some of the wires under the battery tray that go into the driver fender. The battery tray is pretty heavy duty....it is almost broke completely in half. I dunno what to do. Gonna have to buck up and tow it in I spose.
Dec 30, 2020 at 5:48 PM (Merged)
Avatar
SATURNTECH9
  • AUTOMOTIVE REPAIR CONTRIBUTOR
  • 30,869 POSTS
This furthers my thought on the bad TIPM here are diagrams and instructions to help you replace it. This unit is plug and play it self initializes.

Check out the diagrams (Below). Please let us know what happens.
Dec 30, 2020 at 5:48 PM (Merged)
Avatar
DRJ232002
  • MEMBER
  • 4 POSTS
I have checked before. Wiring seems to be OK. I am not sure which of the 4 is the main relay though. It has 3 that are supposed to be radiator fan. There are 3 on one side and one alone in the corner on other side. I know the one alone in the corner is a fan relay. Hit it with the test light and the fan started up. They aren't the bigger square ones, they are the smaller rectangular relays.
Dec 30, 2020 at 5:48 PM (Merged)
Avatar
SATURNTECH9
  • AUTOMOTIVE REPAIR CONTRIBUTOR
  • 30,869 POSTS
In the totally integrated power module number 18 40amp is ASD relay contact power feed.Number 23 is 15 amp engine ASD relay feed number 3.Number 26 is 15amp engine ASD relay feed.Number 32 is 30 amp engine ASD control feed 1.
Dec 30, 2020 at 5:48 PM (Merged)
Avatar
DRJ232002
  • MEMBER
  • 4 POSTS
I got a new TIPM for $233.00 and installed it everything is working as it should thanks for your help I love this site.
Dec 30, 2020 at 5:48 PM (Merged)
Avatar
SATURNTECH9
  • AUTOMOTIVE REPAIR CONTRIBUTOR
  • 30,869 POSTS
Nice work, we are here to help, please use 2CarPros anytime
Dec 30, 2020 at 5:48 PM (Merged)
Avatar
STRAILER
  • AUTOMOTIVE REPAIR CONTRIBUTOR
  • 54,144 POSTS
Can I ask if the security light is flashing when you try to crank the engine over? If so here is a guide to help reset the system.

https://www.2carpros.com/articles/how-to-reset-a-security-system

If not this guide will help walk us through how to test the starter system

https://www.2carpros.com/articles/starter-not-working-repair

Please run down these guides and report back.
Dec 30, 2020 at 5:48 PM (Merged)
Avatar
NELSONKENN
  • MEMBER
  • 2 POSTS
Thanks for your detailed explanation. from our finds and your suggestion, the starter is okay with the solenoid, but we are thinking about a fault from the starter wiring circuit as u said. so how can you help to resolve this problem
Thanks,
Nelson.
Dec 30, 2020 at 5:48 PM (Merged)
Avatar
STRAILER
  • AUTOMOTIVE REPAIR CONTRIBUTOR
  • 54,144 POSTS
Can I ask if the security light is flashing? If so here is a guide to help fix it. Here is the starting wiring diagrams so you can see how the system works:

https://www.2carpros.com/articles/how-to-reset-a-security-system

Check out the diagrams (below). Please let us know what you find. We are interested to see what it is.
Dec 30, 2020 at 5:48 PM (Merged)
Avatar
NELSONKENN
  • MEMBER
  • 2 POSTS
have tried it not working. again if i enter the car try to start the head lamps come on steady. i will turn them on but still no crank no start. have done reset but still not working pls help.
Dec 30, 2020 at 5:48 PM (Merged)
Avatar
STRAILER
  • AUTOMOTIVE REPAIR CONTRIBUTOR
  • 54,144 POSTS
It sounds like you have a bad starter. To be sure here is a guide to help us be sure to check the starter wiring and to see if it is getting power to confirm the failure:

https://www.2carpros.com/articles/starter-not-working-repair

Please run down this guide and report back.
Dec 30, 2020 at 5:48 PM (Merged)