Why is my car overheating?

Tiny
LADASHA DANCEBOUND LEMON
  • MEMBER
  • 2005 CHEVROLET IMPALA
  • 3.4L
  • 6 CYL
  • 4WD
  • AUTOMATIC
  • 150,000 MILES
My 2005 chevy impala is running hot. I changed my bypass hose and my thermostat but its still overheating. But, my water pumps looks corroded as well.
Sunday, September 4th, 2016 AT 9:55 AM

1 Reply

Tiny
SQM
  • MECHANIC
  • 6,383 POSTS
Hello,

Your engine can over for several different reasons.

https://www.2carpros.com/articles/symptoms-of-an-overheating-engine

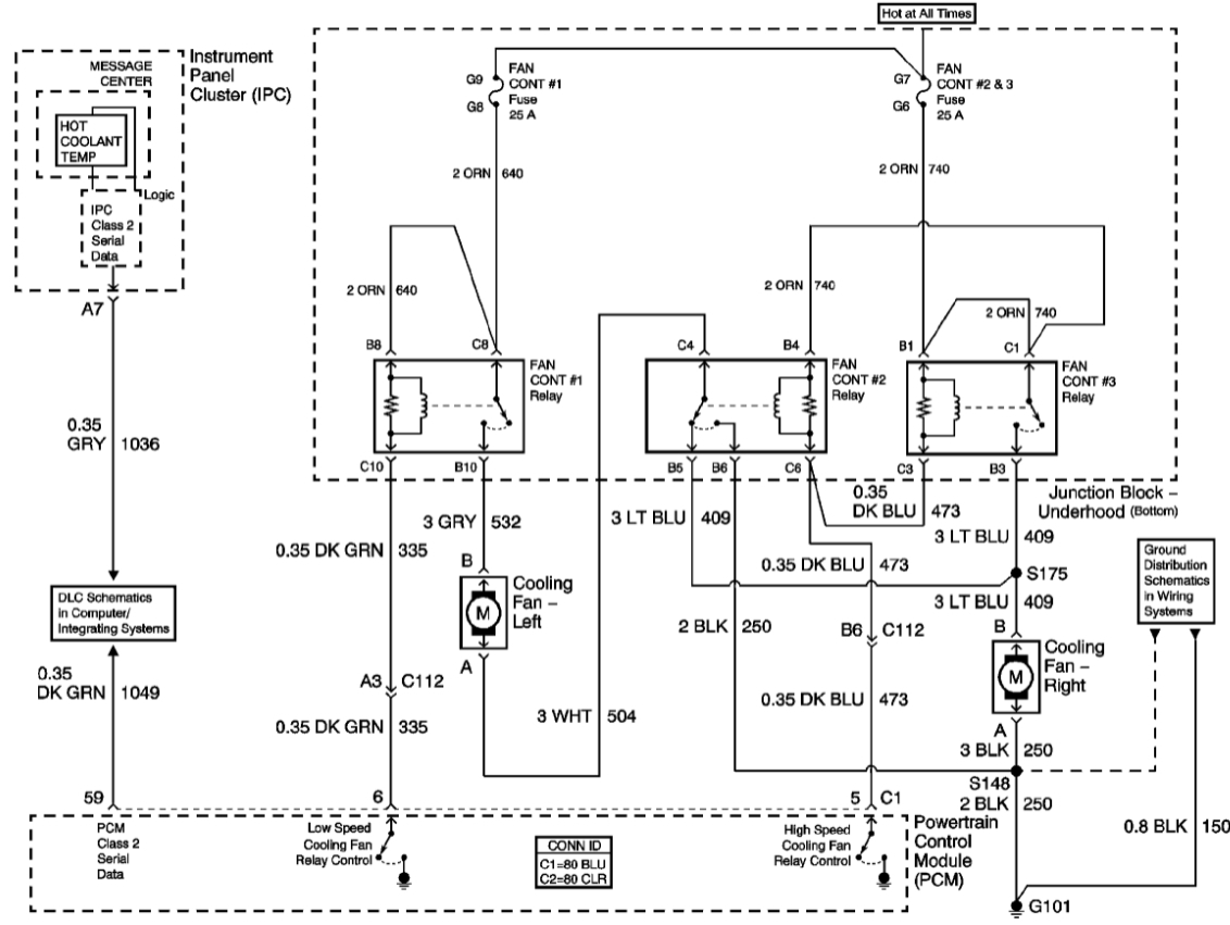
Since you have already replaced the thermostat, check to see if your cooling fan works.
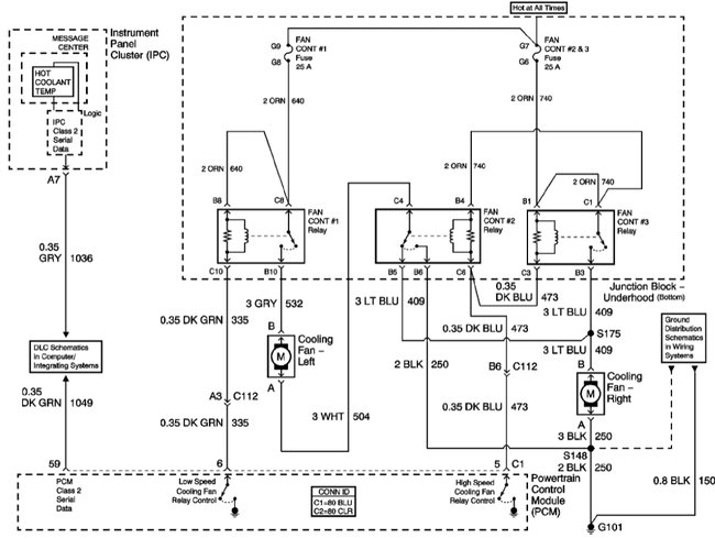
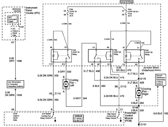
If the fan is not operational the engine will overheat. An faulty can can be caused by a bad fan relay or fan motor. First check the relay, the fan relay is located under the dash fuse box (see diagram below).

https://www.2carpros.com/articles/how-an-electric-cooling-fan-works
https://www.2carpros.com/articles/replace-electric-fan-motor

Other reason of course the water pump.
If the water pump does not circulate the coolant properly the engine will overheat as well.

https://www.2carpros.com/articles/water-pump
https://www.2carpros.com/articles/symptoms-of-a-bad-water-pump
https://www.2carpros.com/articles/water-pump-replacement

I have attached the cooling fan as well as the water pump replacement procedure for your reference.

Please let me know of any questions.

Thank you.
Was this
answer
helpful?
Yes
No
Wednesday, August 4th, 2021 AT 7:09 PM

Please login or register to post a reply.