My car is overheating driving cross country?

Tiny
FAVILA
  • MEMBER
  • 2005 CHEVROLET IMPALA
  • 122,057 MILES
I just replaced the water pump and radiator on my car about a month and a half ago. It started overheating once again. Do you think it might be the thermostat?
Saturday, September 15th, 2012 AT 5:37 PM

1 Reply

Tiny
SQM
  • MECHANIC
  • 6,383 POSTS
Hello,

It could be the thermostat.
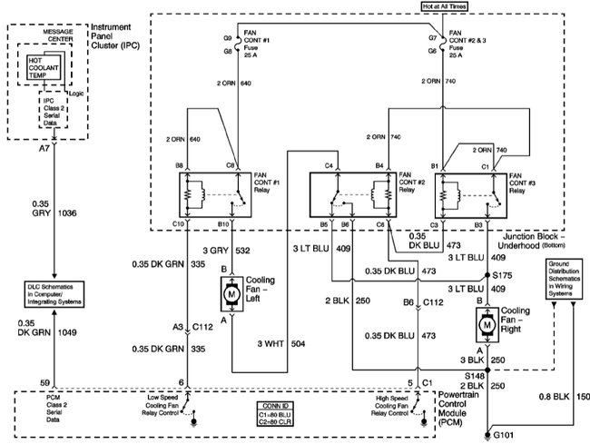
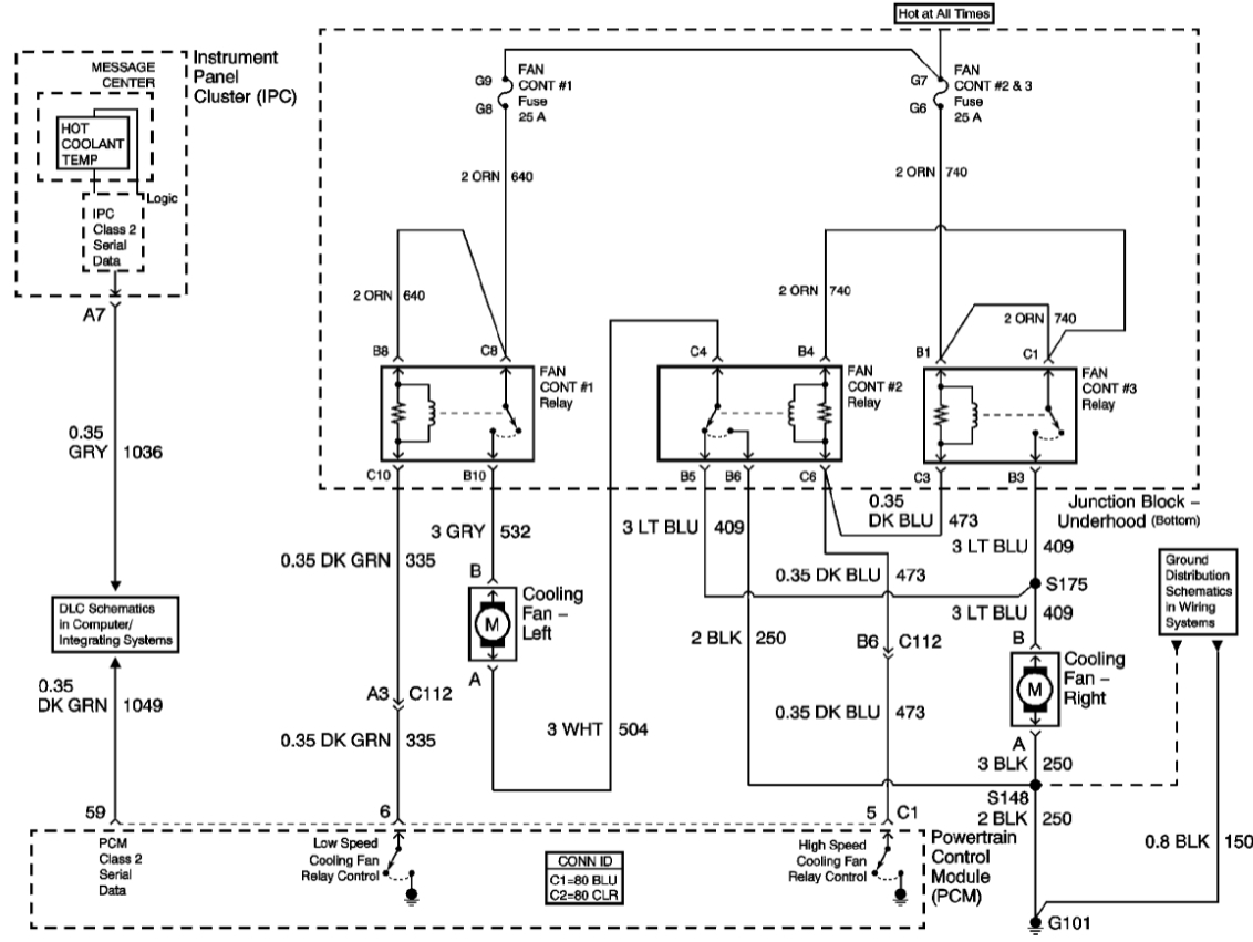
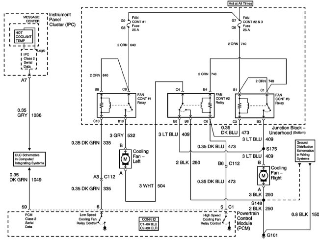
Another possibility is the cooling fan. First check to see if the cooling fan comes on when the engine is running at operating temperature. If the fan is operational then it could be the thermostat.
This vehicle is equipped with 2 cooling fans. Many times you will only have 1 functional fan and when that happens the engine will overheat.
A fan can be in operational due to a bad fan motor or fan relay. It can also be impacted by a coolant temperature sensor.
The fan relay is located under the hood in the junction box (see diagram).

You might find these articles helpful:

https://www.2carpros.com/articles/how-an-electric-cooling-fan-works
https://www.2carpros.com/articles/replace-electric-fan-motor

https://www.2carpros.com/articles/how-an-engine-thermostat-works
https://www.2carpros.com/articles/replace-thermostat

Remember to only work on the cooling system when the engine is cold.

I have attached diagrams for your reference.

Please let me know of any questions.

Thank you.
Was this
answer
helpful?
Yes
No
Saturday, August 14th, 2021 AT 11:40 PM

Please login or register to post a reply.