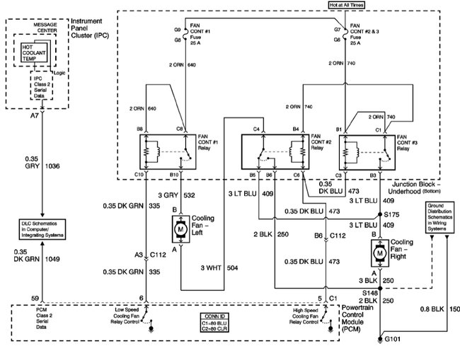
Monday, December 16th, 2013 AT 6:33 PM
I just had the water pump and thermostat replaced but my car still overheats. It takes about 3 minutes of driving at overheating that the pump kicks on and the temp lowers less than a quarter of the way. Then the temp spikes again and the hot coolant warning light comes on. Need to know what I need to have investigated next.

















