Tuesday, June 7th, 2022 AT 6:43 AM
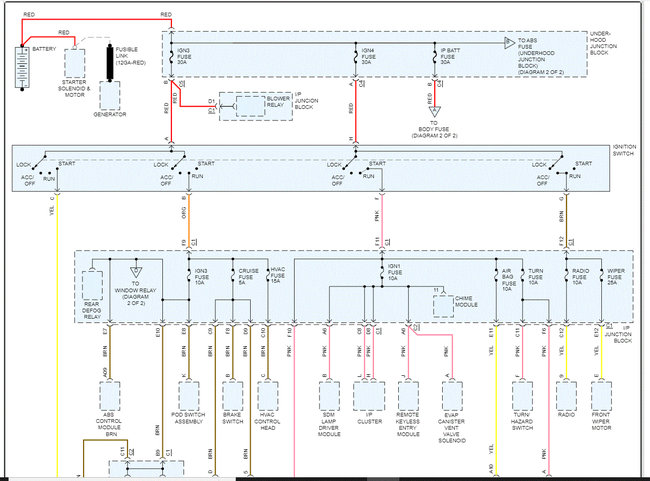
Transmission only has reverse and seems to take off in high gear. We tested solenoids and there all good. We checked fuses under the hood there okay but seems like there is no power to them. We are stumped on what to check or replace next. Could it be a bad PCM? Also seems there is no power at plug that goes to solenoid. Any help would be appreciated.





