Transmission not shifting to last gear

Tiny
BLESSING EWOBOR
  • MEMBER
  • 2015 TOYOTA COROLLA
  • 4 CYL
  • 2WD
  • AUTOMATIC
  • 235,343 MILES
Hello, good evening. The transmission is shifting well but it won't shift to the last gear. When the vehicle is moving at certain speed and brake is applied, someone will feel a sudden jerk as if a vehicle hit it from behind. I scanned the vehicle the only code that is found on its memory is P0500 (vehicle speed sensor A). I have replaced the sensor, the problem still persists.
Could it has caused by solenoid or problem in the transmission?
Saturday, October 30th, 2021 AT 3:28 PM

23 Replies

Tiny
KASEKENNY
  • MECHANIC
  • 18,907 POSTS
This is most likely a speed sensor but if this code continues then we need to run through the testing that I am attaching below.

This code is going to cause shifting issues and it sounds like the ECM is causing a down shift/jerking or a failure to engage the torque converter for overdrive.

https://www.2carpros.com/articles/how-to-check-wiring

https://www.2carpros.com/articles/how-to-use-a-voltmeter

https://www.2carpros.com/articles/abs-wheel-speed-sensor-test

The only thing we can do at this point is run through this testing and make sure we fix this code before we move onto a solenoid or torque converter issue.
Was this
answer
helpful?
Yes
No
Sunday, October 31st, 2021 AT 4:48 PM
Tiny
BLESSING EWOBOR
  • MEMBER
  • 754 POSTS
Thank you sir, let me go through them.
Was this
answer
helpful?
Yes
No
Sunday, October 31st, 2021 AT 7:36 PM
Tiny
KASEKENNY
  • MECHANIC
  • 18,907 POSTS
Sounds good. Let us know how it turns out. Thanks for the update.
Was this
answer
helpful?
Yes
No
Monday, November 1st, 2021 AT 6:12 AM
Tiny
BLESSING EWOBOR
  • MEMBER
  • 754 POSTS
The article is better compared to the previous ones, kudos.
Was this
answer
helpful?
Yes
No
Tuesday, November 2nd, 2021 AT 8:32 PM
Tiny
BLESSING EWOBOR
  • MEMBER
  • 754 POSTS
Good morning, Sir,
the vehicle speed sensor. Is it the one at the wheel (abs) or at the transmission?
Was this
answer
helpful?
Yes
No
Tuesday, November 2nd, 2021 AT 8:39 PM
Tiny
KASEKENNY
  • MECHANIC
  • 18,907 POSTS
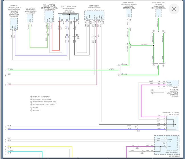
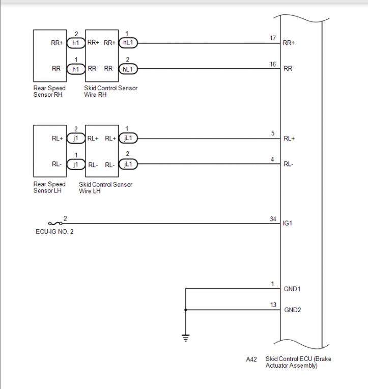
Great question. They did not do a good job with remaining clear on this, as most all vehicles have a single sensor called a vehicle speed sensor. However, this is not talking about this single sensor (if equipped on this vehicle which I don't think it is). What they are saying is the vehicle speed signal is coming from the ABS module after it takes the 4-wheel speed signals and gets an average which will be the vehicle speed signal.

Take a look at the first attachment below where the ABS/Skid control is getting 4 arrows pointing to it from the "speed sensors, " these are the four-wheel speed signals which gets turned into a single signal which is the vehicle speed signal.
Was this
answer
helpful?
Yes
No
Wednesday, November 3rd, 2021 AT 7:22 AM
Tiny
BLESSING EWOBOR
  • MEMBER
  • 754 POSTS
Thank you, sir,
The four pulse signal, does it mean that each of the signal from the sensor on the wheel represent a pulse?
Was this
answer
helpful?
Yes
No
Friday, November 5th, 2021 AT 12:01 AM
Tiny
BLESSING EWOBOR
  • MEMBER
  • 754 POSTS
From the Images sent earlier, referencing the first one, on the hint at point 3, does it mean that if a sensor is short or has issue with its circuit, will affect the entire performance of the combination meter (speedometer), ECU or the entire performance of the vehicle?
Was this
answer
helpful?
Yes
No
Friday, November 5th, 2021 AT 12:36 AM
Tiny
BLESSING EWOBOR
  • MEMBER
  • 754 POSTS
What could be used to check the pulse signal?
Was this
answer
helpful?
Yes
No
Friday, November 5th, 2021 AT 1:49 AM
Tiny
BLESSING EWOBOR
  • MEMBER
  • 754 POSTS
Good afternoon, sir, I was reading one of the articles "https://www.2carpros.com/articles/automatic-transmission-problems", it seems that there is little error when addressing stuck in park.
"Nine times out of then the problem will be a fuse, control solenoid or brake light switch". The then supposed to be ten. I don't know if I am right, I just observed
Was this
answer
helpful?
Yes
No
Friday, November 5th, 2021 AT 5:39 AM
Tiny
KASEKENNY
  • MECHANIC
  • 18,907 POSTS
I am attaching a guide to test the speed sensors. This is the best way to test each sensor individually. If you are going to test the combined pulses, then you really need a scan tool to just monitor the calculated speed.

https://www.2carpros.com/articles/abs-wheel-speed-sensor-test

As for if one sensor is not reading correctly, it can affect the performance but normally the ABS will see that one wheel is not the same speed as the others and ignore it so that the speedometer and odometer are not off.

Thanks for picking that up. I will review it and make the changes. Thanks
Was this
answer
helpful?
Yes
No
Friday, November 5th, 2021 AT 11:44 AM
Tiny
BLESSING EWOBOR
  • MEMBER
  • 754 POSTS
Thank you sir.
Was this
answer
helpful?
Yes
No
Friday, November 5th, 2021 AT 1:46 PM
Tiny
BLESSING EWOBOR
  • MEMBER
  • 754 POSTS
Good morning, sir,
The pulse signal, can it be observed using oscilloscope?
Was this
answer
helpful?
Yes
No
Friday, November 5th, 2021 AT 6:11 PM
Tiny
KASEKENNY
  • MECHANIC
  • 18,907 POSTS
Yes. In fact, that would be the best tool to monitor them.

I don't have a known good pattern on your specific vehicle, but you would need to monitor each speed sensor and then the one that is faulty would stand out.

I am attaching a pattern from a standard speed sensor so I am sure your vehicle will look the same.
Was this
answer
helpful?
Yes
No
Saturday, November 6th, 2021 AT 8:01 AM
Tiny
BLESSING EWOBOR
  • MEMBER
  • 754 POSTS
Thank you, sir.
Sir I sincerely apologize that I disturb too much.
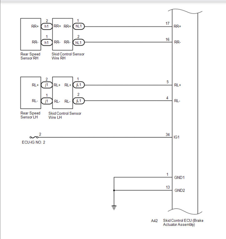
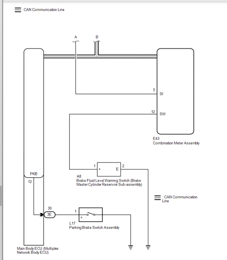
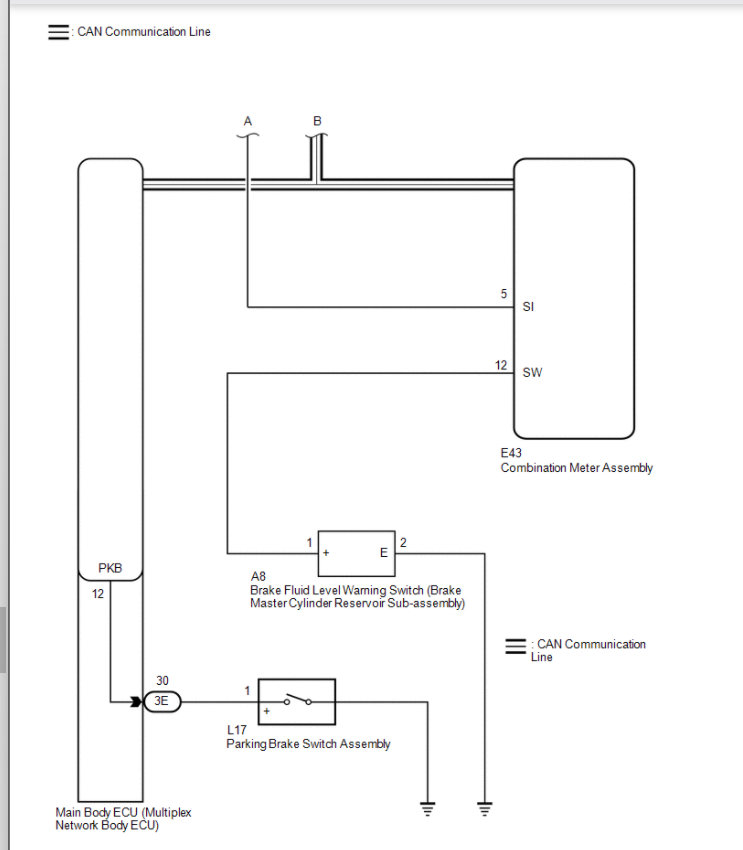
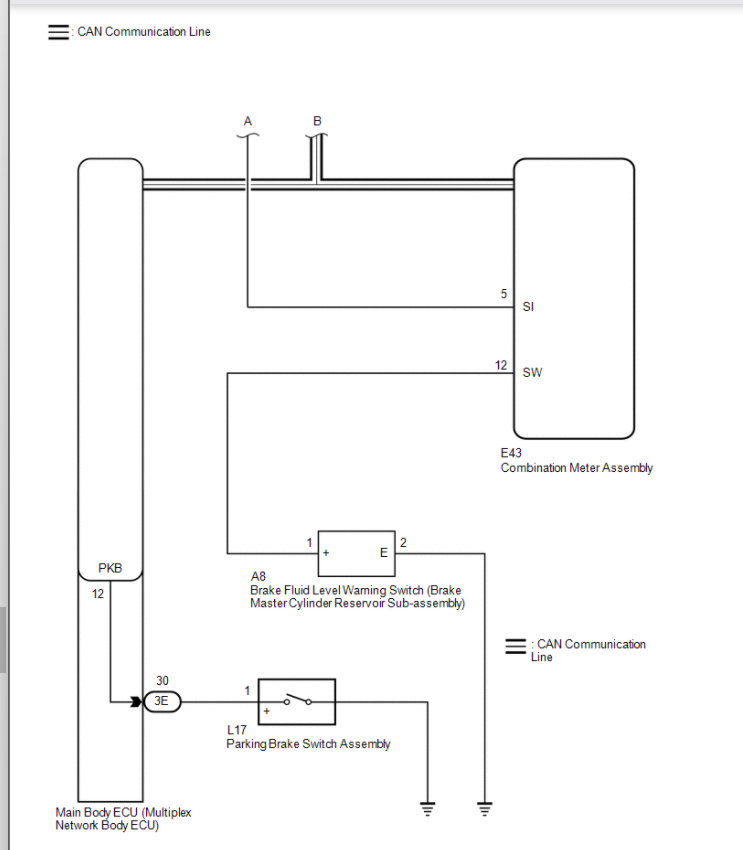
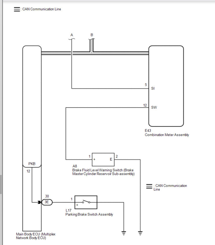
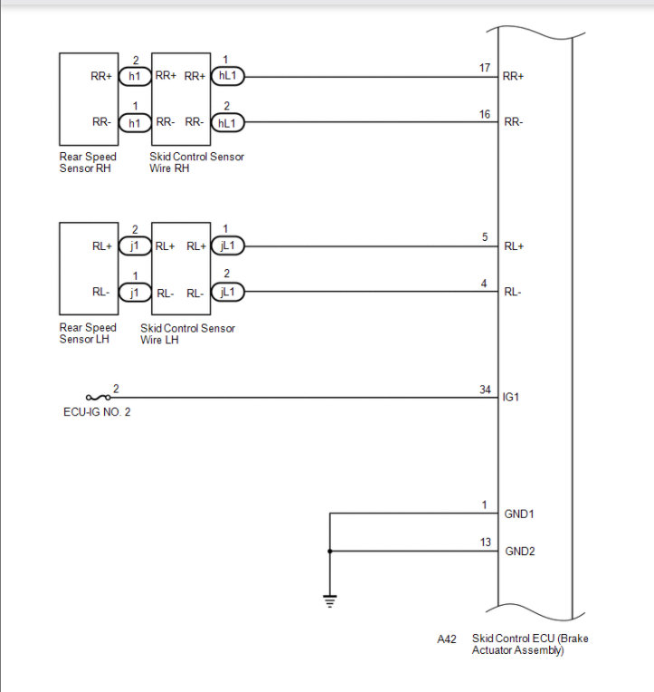
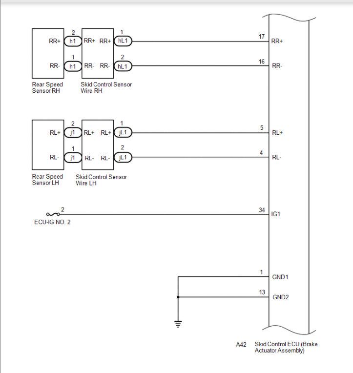
Could I have circuit diagram displaying from the sensor to the ABS, ECU to the combination meter to the engine ECU.
Sincerely apologize again.
Was this
answer
helpful?
Yes
No
Saturday, November 6th, 2021 AT 12:54 PM
Tiny
KASEKENNY
  • MECHANIC
  • 18,907 POSTS
No problem. This is why we are here.

I am attaching the diagrams that are specific to this system. However, these signals are on what are called CAN communication networks.

Here is a guide that talks about these networks in case you need it:

https://www.2carpros.com/articles/can-scan-controller-area-network-easy

Basically, the signals are given directly to the ABS, then they are sent to the combination via this bus network, then the combination meter decodes this message and then codes it again to send it to the ECM where it is able to decode it as well.

While that diagram showed it as a linear progression that is a little misleading. Meaning it does not go from one to another. The ABS sends this out on the network so the Combination and PCM get the message basically at the same time.

Take a look at this and let us know if you need more info.
Was this
answer
helpful?
Yes
No
Saturday, November 6th, 2021 AT 3:08 PM
Tiny
KASEKENNY
  • MECHANIC
  • 18,907 POSTS
You are welcome. Let us know how you make out and for continuing to use 2CarPros.
Was this
answer
helpful?
Yes
No
Sunday, November 7th, 2021 AT 5:57 AM
Tiny
BLESSING EWOBOR
  • MEMBER
  • 754 POSTS
Good morning, sir,
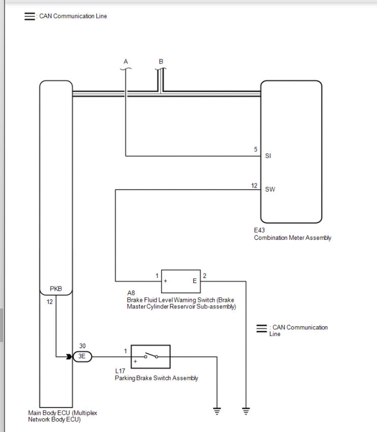
Sir, in the diagram sent, it does not show the exact wires that are responsible for the communication.
Was this
answer
helpful?
Yes
No
Monday, November 8th, 2021 AT 2:27 AM
Tiny
KASEKENNY
  • MECHANIC
  • 18,907 POSTS
Sorry. You are correct. I didn't notice that. These are going to be the network lines, so I am attaching the entire diagram for the CAN network which includes these modules and the pins in the connector they are.
Was this
answer
helpful?
Yes
No
Monday, November 8th, 2021 AT 9:07 AM
Tiny
BLESSING EWOBOR
  • MEMBER
  • 754 POSTS
Thank you sir, I will get back to you.
Was this
answer
helpful?
Yes
No
Wednesday, November 17th, 2021 AT 5:14 AM

Please login or register to post a reply.