Transmission malfunction

Tiny
WALTER2017
  • MEMBER
  • 2009 BMW 528
  • 3.0L
  • 6 CYL
  • 2WD
  • AUTOMATIC
  • 80,000 MILES
Cannot move gears. It is stuck in the parking gear.
Friday, October 27th, 2017 AT 6:29 AM

5 Replies

Tiny
KHLOW2008
  • MECHANIC
  • 41,814 POSTS
Hi Walter,

The shift interlock system has malfunctioned resulting in the gear shift being locked. Check if the brake lights are working. If not, it could be a blown fuse or a bad brake switch. Worse of the problem would be a faulty interlock solenoid/module.

K H Low
Was this
answer
helpful?
Yes
No
Friday, October 27th, 2017 AT 7:16 AM
Tiny
WALTER2017
  • MEMBER
  • 3 POSTS
  • 2009 BMW 525
  • 2.0L
  • 6 CYL
  • 4WD
  • AUTOMATIC
  • 85,000 MILES
This morning when I started the engine I saw a message of transmission malfunction may be resolved with restarting the car, but restarting it did not help. I cannot change gears, just to neutral. Any advice? Thank you
Was this
answer
helpful?
Yes
No
+1
Friday, October 27th, 2017 AT 2:44 PM (Merged)
Tiny
MHPAUTOS
  • MECHANIC
  • 31,937 POSTS
You need to first check oil level and see if your transmission will set codes. Post any codes here for further assistance.
Was this
answer
helpful?
Yes
No
+1
Friday, October 27th, 2017 AT 2:44 PM (Merged)
Tiny
WALTER2017
  • MEMBER
  • 3 POSTS
P2720 pressure control solenoid, control circuit low.
Was this
answer
helpful?
Yes
No
Saturday, October 28th, 2017 AT 9:36 AM
Tiny
KEN L
  • MASTER CERTIFIED MECHANIC
  • 55,177 POSTS
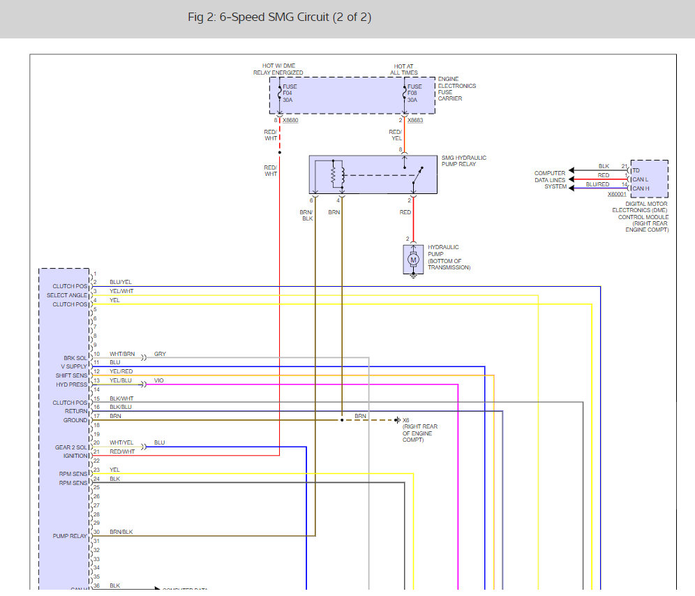
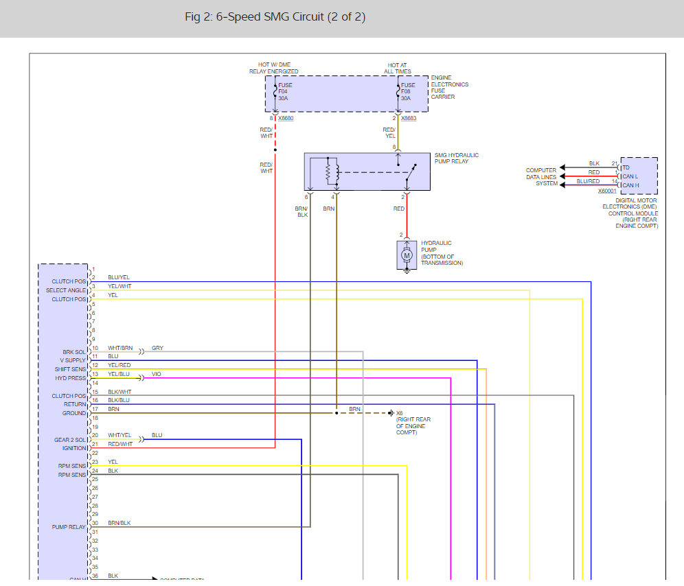
There are several fuses and a hydraulic pump relay that can go out which will cause the problem you are describing.

Here are some guides that will help you get the job done:

https://www.2carpros.com/articles/how-to-check-a-car-fuse

and

https://www.2carpros.com/articles/how-to-check-an-electrical-relay-and-wiring-control-circuit

Check out the diagrams (below).

Please let us know what happens.

Cheers, Ken
Was this
answer
helpful?
Yes
No
+1
Monday, October 30th, 2017 AT 12:55 PM

Please login or register to post a reply.