Transmission will not shift?

Tiny
RICHARDSMAX
  • MEMBER
  • 6 POSTS
Haven’t changed Revolution Sensor (will when it comes in) on the ECU issue when a motor mount shorts it can fry the ECU and if water gets under the gasket under the IAC it will fry out a ECU also-ask me how I know! I’ve read in Maxima forums to bypass the water inlet/exit lines on the IAC to “bypass”this problem and I’ve found out that the Stealership sells a bypass piece so the water doesn’t go in/out the IAC although the Check Engine light does come on TBC. Thanks Ken
Was this
answer
helpful?
Yes
No
Tuesday, August 4th, 2020 AT 5:38 PM (Merged)
Tiny
KEN L
  • MASTER CERTIFIED MECHANIC
  • 55,291 POSTS
Okay got ya, I am not sure how engine mounts can effect the electrical unless the ground strap between the engine and frame is missing. Let me know when you get the new sensor in.
Was this
answer
helpful?
Yes
No
Tuesday, August 4th, 2020 AT 5:38 PM (Merged)
Tiny
DAVID*EAVD
  • MEMBER
  • 1 POST
  • 2000 NISSAN MAXIMA
  • 3.0L
  • 6 CYL
  • 2WD
  • AUTOMATIC
  • 132,000 MILES
When the car warms up and the weather is warm; 60 degrees or above sometimes the transmission will not change out of Low Gear. I had this same problem with a 2001 Maxima in 2017. Luckily found a shop that was familiar with the problem and was able to fix in 2-3 hours. Cost was $351.00 in August of 2017. That shop is out of business and I cannot find a shop that is familiar with this problem. I've learned that if I park and turn off the engine and let the systems cool down a bit. I can start the car and the transmission changes perfectly. But it does seem the issue is becoming More frequent. Can you help me or refer me to a repair shop in my area (Central N.C).
Was this
answer
helpful?
Yes
No
Tuesday, August 4th, 2020 AT 5:38 PM (Merged)
Tiny
RICHARDSMAX
  • MEMBER
  • 6 POSTS
Hey Ken-got the sensor in a few minutes ago-an going to drop transmission pan and change the filter first-clean the magnet(s) and anything else. Quite some time ago I flushed the transmission and a large amount of “metal’ stucked to the end of the sensor-so before shorting out another one-I’ll do this other maintenance first. This Gen Maxima has “liquid filled” motor mounts-when you go faster electricity does something and firms up the mount-and when they tear it shorts out something (so I was told) that’s what fried the ECU? OR the IAC issue but I have no clue-you’re the Master Tec TBC Thanks
Was this
answer
helpful?
Yes
No
Tuesday, August 4th, 2020 AT 5:38 PM (Merged)
Tiny
KASEKENNY
  • MECHANIC
  • 18,907 POSTS
I have seen this issue a number of times in other Nissan's. Normally it is the valve body is the issue. This would actually line up pretty close to the price that you paid to fix the other vehicle.

The valve body is what controls the direction of the pressurized fluid so that each gear is engaged properly. The fact that you shut it off and it starts operating properly points towards the solenoids or valves inside the unit as they are "resetting" when the pressure is relieved when you turn the engine off.

If it were me, I would take the valve body out and check the valve operation but just moving them in the bore to see if they are sticking.

As for a shop in NC, I am familiar with the area and there is a franchise that is all over down there called Christian Brothers. They are very well run shops and would recommend them over any other.

Here is the process of how to replace the valve body in case you need it.

Let me know if you have questions. Thanks
Was this
answer
helpful?
Yes
No
Tuesday, August 4th, 2020 AT 5:38 PM (Merged)
Tiny
KEN L
  • MASTER CERTIFIED MECHANIC
  • 55,291 POSTS
Okay, new one to me :) let me know if the sensor fixes it
Was this
answer
helpful?
Yes
No
Tuesday, August 4th, 2020 AT 5:38 PM (Merged)
Tiny
JACKY MAY
  • MEMBER
  • 6 POSTS
  • 2000 NISSAN MAXIMA
  • 3.0L
  • 6 CYL
  • 2WD
  • AUTOMATIC
  • 169,000 MILES
My car stays in second gear doesn't slip just starts off in second and will not shift.
Was this
answer
helpful?
Yes
No
Tuesday, August 4th, 2020 AT 5:38 PM (Merged)
Tiny
ASEMASTER6371
  • MECHANIC
  • 52,796 POSTS
Good morning,

Are there any codes stored in the system?

https://www.2carpros.com/articles/automatic-transmission-problems

When was the last time yo changed the fluid and filter in the transmission?

https://www.2carpros.com/articles/how-to-service-an-automatic-transmission

Is the check engine light on? If it is, do you know the codes?

This sounds like it could be valve body related but need information at this point.

Roy
Was this
answer
helpful?
Yes
No
Tuesday, August 4th, 2020 AT 5:38 PM (Merged)
Tiny
JACKY MAY
  • MEMBER
  • 6 POSTS
It said shift solenoid a an b check engine is on. I changed fluid and screen soon as I got it because it stayed in second gear from the start when I bought it a year ago.
Was this
answer
helpful?
Yes
No
Tuesday, August 4th, 2020 AT 5:38 PM (Merged)
Tiny
ASEMASTER6371
  • MECHANIC
  • 52,796 POSTS
It said?

I need the code numbers so I can look them up and see what the fault code indicates.

Roy
Was this
answer
helpful?
Yes
No
Tuesday, August 4th, 2020 AT 5:38 PM (Merged)
Tiny
JACKY MAY
  • MEMBER
  • 6 POSTS
Stored code p0120.
Pending codes p1320 and p1760.
Was this
answer
helpful?
Yes
No
Tuesday, August 4th, 2020 AT 5:38 PM (Merged)
Tiny
ASEMASTER6371
  • MECHANIC
  • 52,796 POSTS
Okay, the 120 is for the throttle position sensor. This does control sifting and shift points for the transmission. You will need a scan tool to monitor the actual voltage when accelerating up and down.

The 1320 is for the engine side. It refers to possible coil issues.

The 1760 is for the over run solenoid in the valve body. It is possible that this is the issue of the throttle position sensor could be it as well.

You will need a scan tool that can read the transmission and activate the solenoids to see if they are working.

Roy

COMPONENT DESCRIPTION
The throttle position sensor responds to the accelerator pedal movement. This sensor is a kind of potentiometer which transforms the throttle position into output voltage, and emits the voltage signal to the ECM. In addition, the sensor detects the opening and closing speed of the throttle valve and feeds the voltage signal to the ECM.

Idle position of the throttle valve is determined by the ECM receiving the signal from the throttle position sensor. This sensor controls engine operation such as fuel cut. On the other hand, the "Wide open and closed throttle position switch", which is built into the throttle position sensor unit, is not used for engine control.
Was this
answer
helpful?
Yes
No
Tuesday, August 4th, 2020 AT 5:38 PM (Merged)
Tiny
JOHNNY MICHAEL TAYLOR
  • MEMBER
  • 1 POST
  • 2000 NISSAN MAXIMA
  • 3.0L
  • V6
  • FWD
  • AUTOMATIC
  • 250,000 MILES
Sometimes you can be driving along and maybe make a quick stop like at a stop sign and when you take back off the transmission will not shift out of low gear tries but does not. It is like it does not have any other gears. Then you can pull off the road and shut it off for a minute maybe as long as five no more than ten minutes take back off and works fine until the next time. The traction control light is on and one that says slip, what could be the problem?
Was this
answer
helpful?
Yes
No
Tuesday, August 4th, 2020 AT 5:38 PM (Merged)
Tiny
HMAC300
  • MECHANIC
  • 48,601 POSTS
Have this scanned for codes by a mechanic traction control may have some thing to do with it like a sensor bad. Slip means it reads it's slipping and trying to apply traction control so it can change gears. With you turning key off then on and it seems to be okay then it sounds like an electrical problem.
Was this
answer
helpful?
Yes
No
Tuesday, August 4th, 2020 AT 5:38 PM (Merged)
Tiny
ASEMASTER6371
  • MECHANIC
  • 52,796 POSTS
Did you respond? I got an email and nothing showed up.

Roy
Was this
answer
helpful?
Yes
No
Tuesday, August 4th, 2020 AT 5:38 PM (Merged)
Tiny
JACKY MAY
  • MEMBER
  • 6 POSTS
I have a new TPS and a new mass flow sensor. I read that could be the problem from 2CarPros.
Was this
answer
helpful?
Yes
No
Tuesday, August 4th, 2020 AT 5:38 PM (Merged)
Tiny
ASEMASTER6371
  • MECHANIC
  • 52,796 POSTS
Okay, can you monitor the operation with a scan tool?

Is the code still active? The 120 code?

Roy
Was this
answer
helpful?
Yes
No
Tuesday, August 4th, 2020 AT 5:38 PM (Merged)
Tiny
JACKY MAY
  • MEMBER
  • 6 POSTS
Yes, but I don't have a scan tool. I will have to take it to a garage.
Was this
answer
helpful?
Yes
No
Tuesday, August 4th, 2020 AT 5:38 PM (Merged)
Tiny
ASEMASTER6371
  • MECHANIC
  • 52,796 POSTS
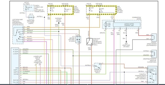
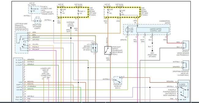
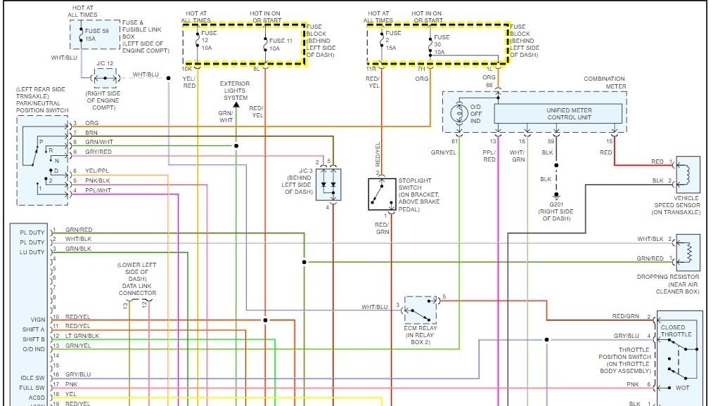
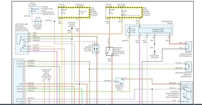
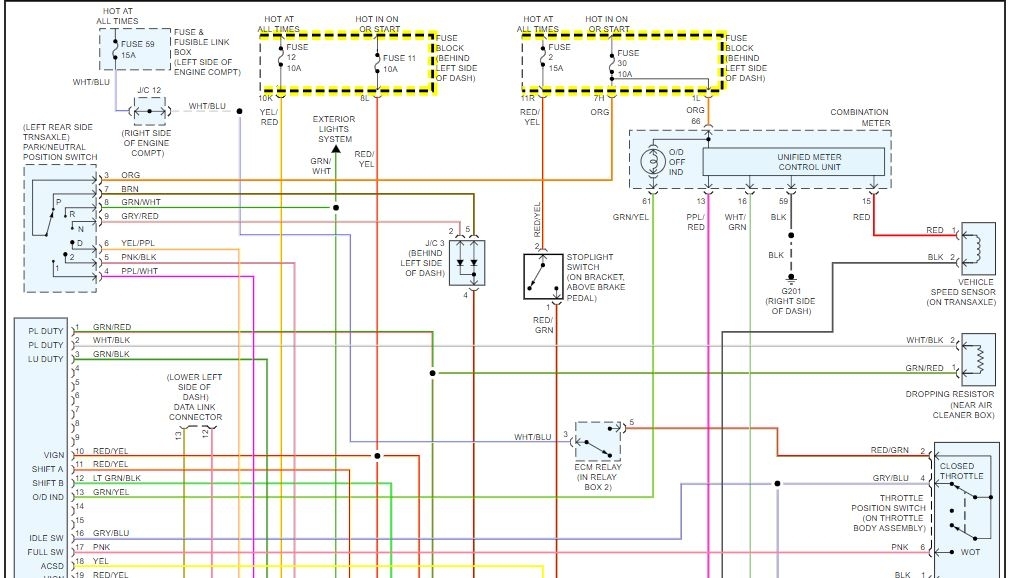
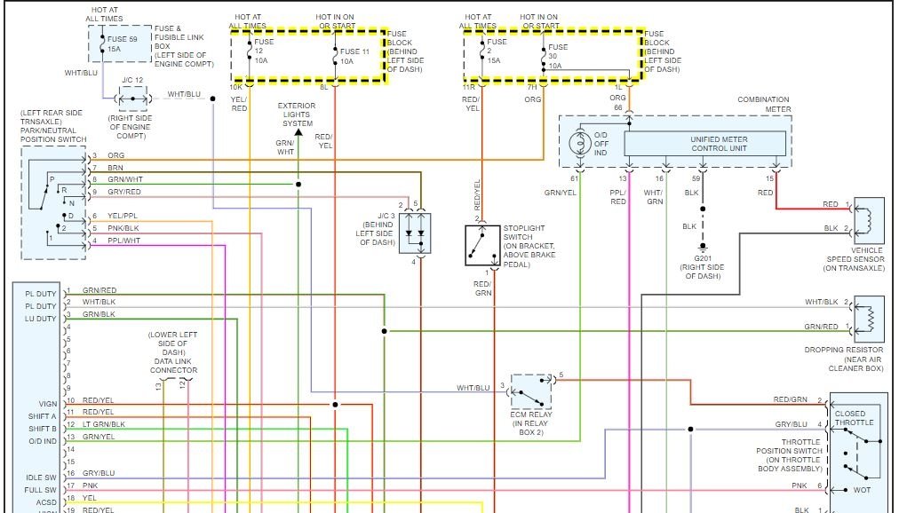
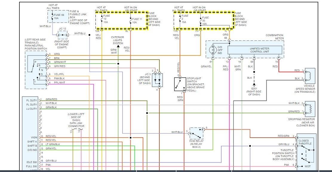
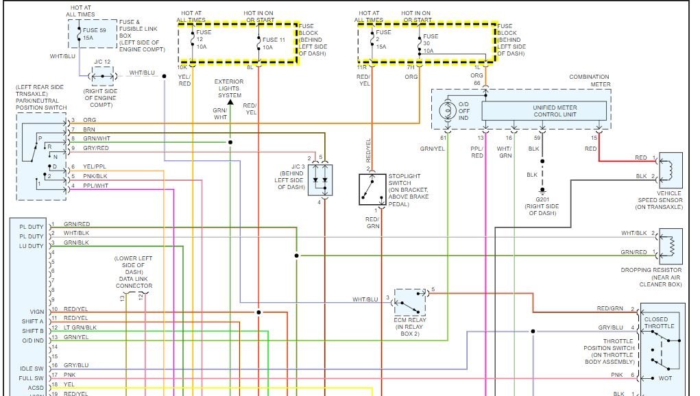
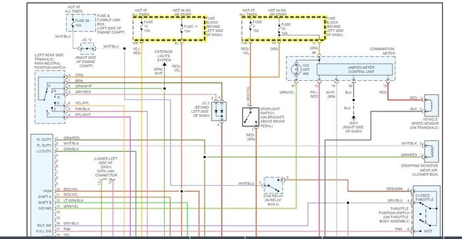
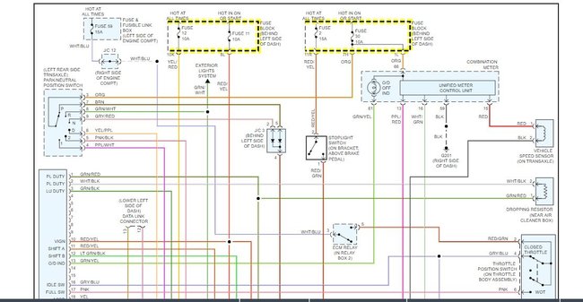
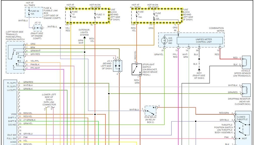
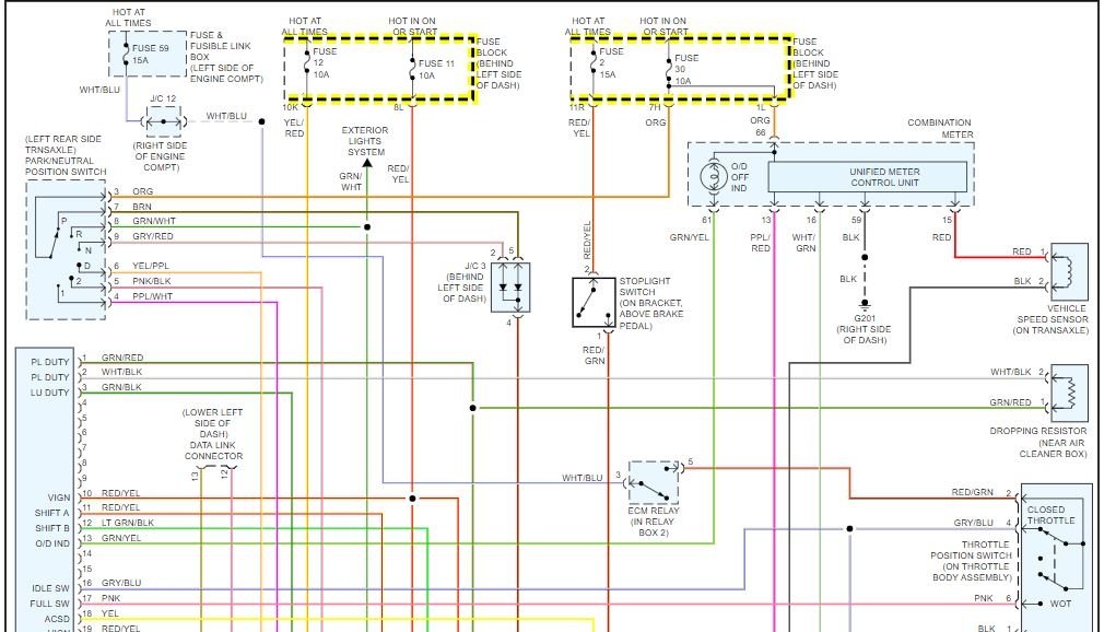
If the code is still active, the TPS was not the issue. It is most likely a wiring issue.

I attached a wiring diagram for you. Verify the fuses are good that I highlighted. This is not a visual test but is a voltage test.

https://www.2carpros.com/articles/how-to-check-a-car-fuse

Roy

Was this
answer
helpful?
Yes
No
+1
Tuesday, August 4th, 2020 AT 5:38 PM (Merged)
Tiny
JACKY MAY
  • MEMBER
  • 6 POSTS
Thank you, I will do what you said. Hope that's the problem.
Was this
answer
helpful?
Yes
No
Tuesday, August 4th, 2020 AT 5:38 PM (Merged)

Please login or register to post a reply.