Fuse panel and wiring diagrams

Tiny
CHEVYCAMPERMAN
  • MEMBER
  • 2006 TOYOTA RAV4
Engine Mechanical problem 4 cyl Four Wheel Drive Automatic 65000 miles

So my check engine light, VSC light and 4x4 light all came on at the same time. I changed the gas cap and the lights went on, a week later all the lights are now back on. I'm trying to figure out what is wrong and causing this.
Friday, December 4th, 2009 AT 5:20 PM

11 Replies

Tiny
KEN L
  • MASTER CERTIFIED MECHANIC
  • 55,440 POSTS
Hello,

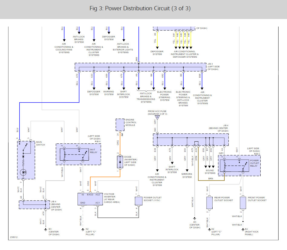
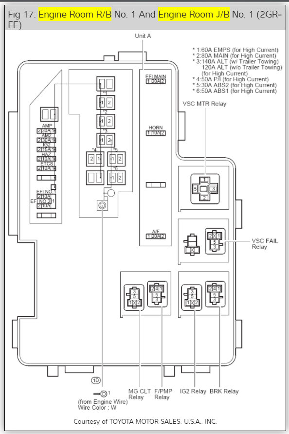
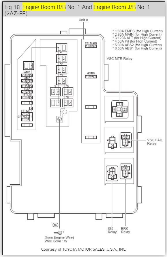
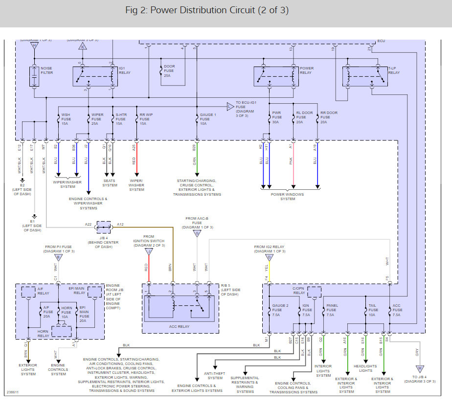
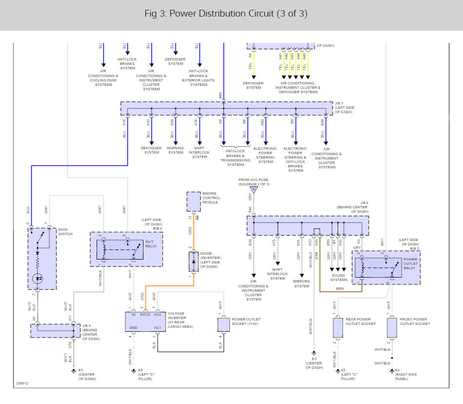
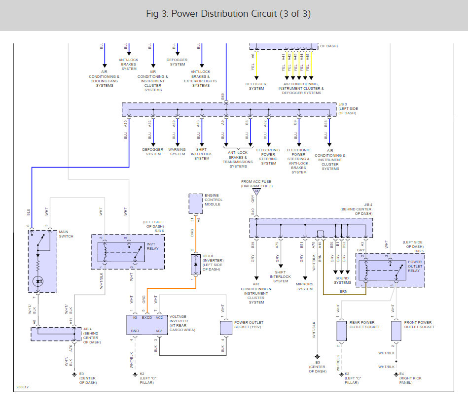
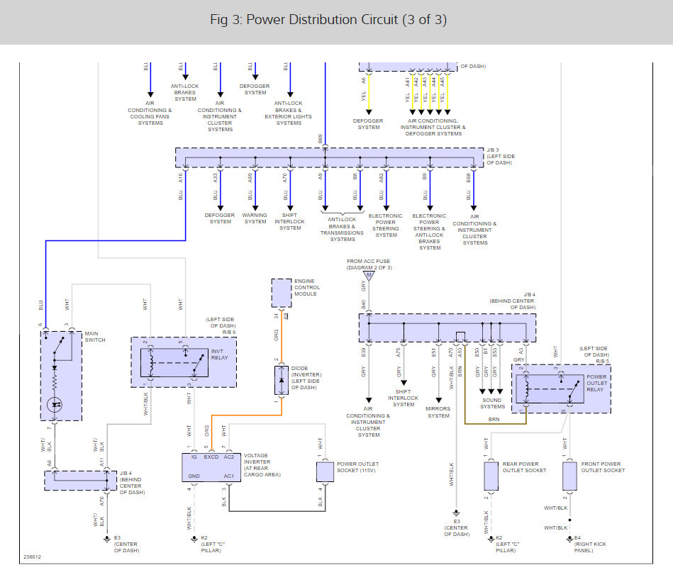
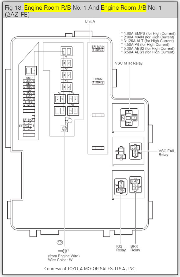
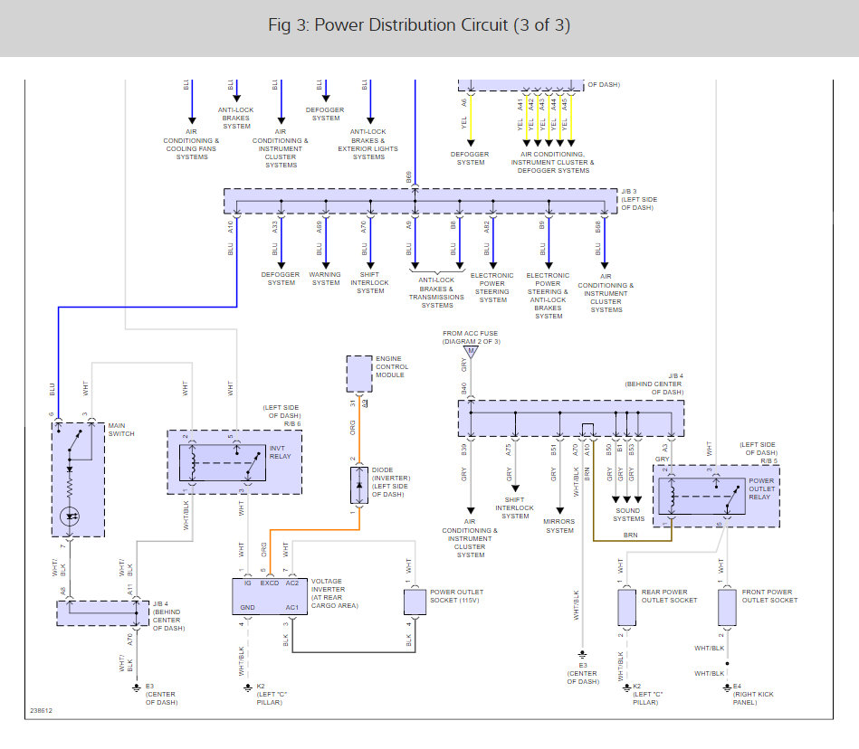
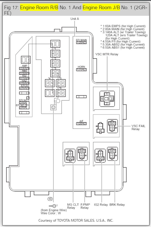
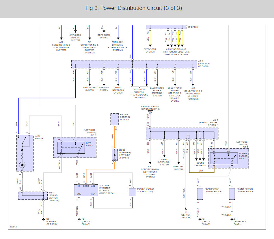
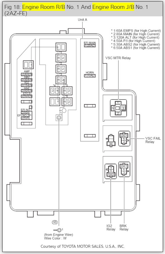
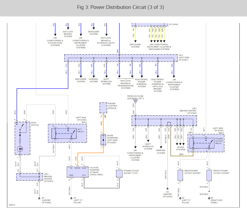
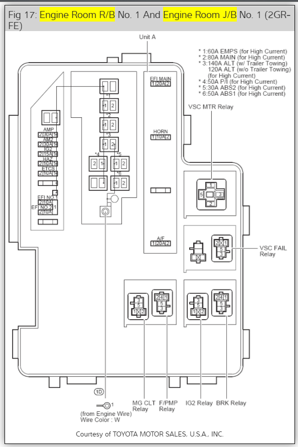
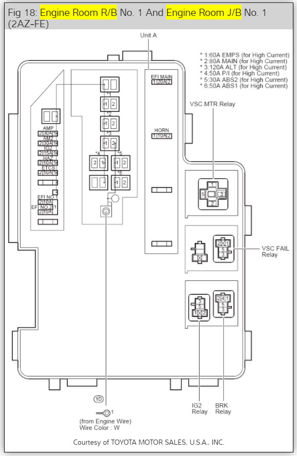
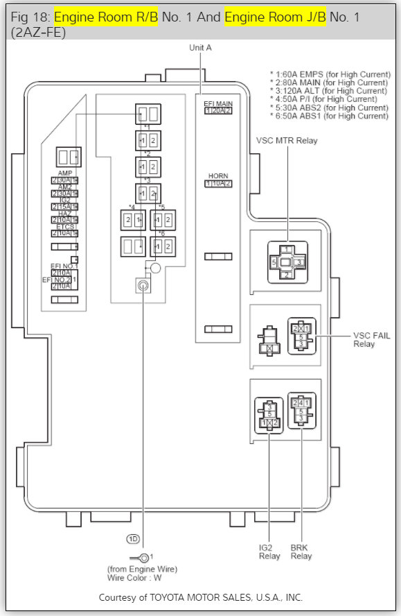
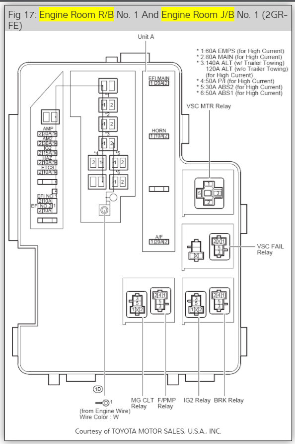
It sounds like you have a main relay that is going out IGN2, IGN1 or power relay that is out, Here is a power distribution wiring diagram so you can see what I am talking about. It must be one of these because some many system are affected.

Also lets run the codes to see what comes up.

https://www.2carpros.com/articles/checking-a-service-engine-soon-or-check-engine-light-on-or-flashing

Here is a guide to help confirm the failure.

https://www.2carpros.com/articles/how-to-check-an-electrical-relay-and-wiring-control-circuit

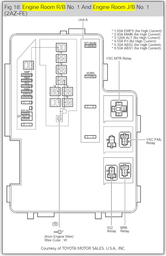
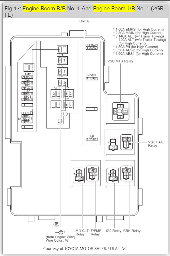
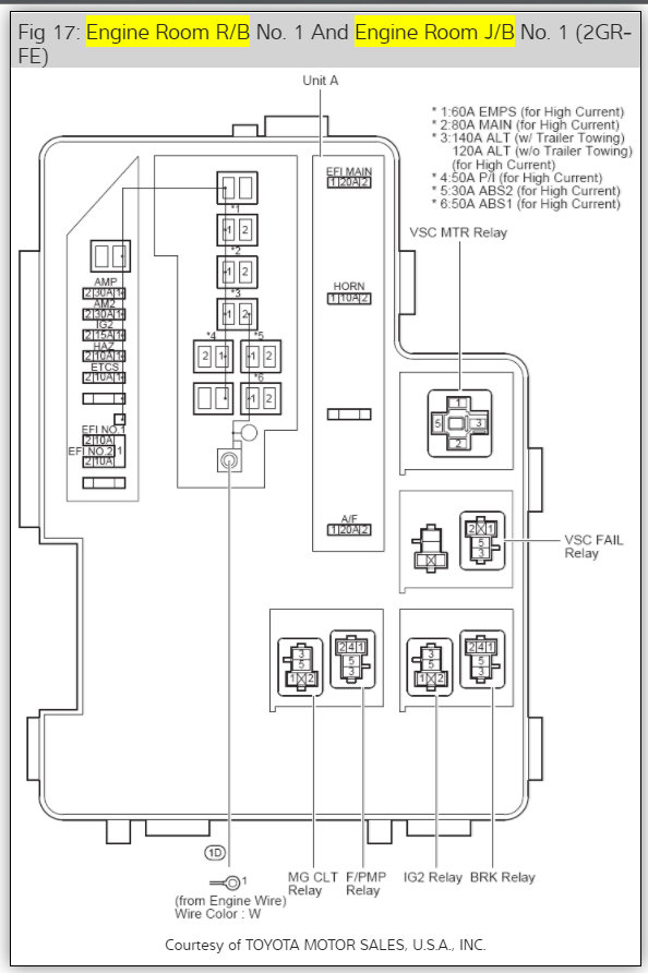
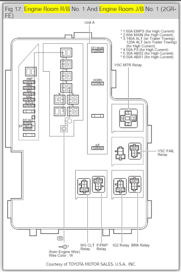
Here are the power diagrams and fuse panel location and diagrams

Check out the diagrams (Below)

Please let us know what you find. We are interested to see what it is.

Cheers, Ken
Was this
answer
helpful?
Yes
No
Monday, October 22nd, 2018 AT 7:07 PM
Tiny
ROBIN FOSS
  • MEMBER
  • 3 POSTS
  • 2006 TOYOTA RAV4
  • 52,000 MILES
I have managed to seperate the top from the bottom but somehow the top part has to come apart in order to access the bolt from the bottom to replace the fuse link.
Was this
answer
helpful?
Yes
No
Monday, December 30th, 2019 AT 5:36 PM (Merged)
Tiny
RASMATAZ
  • MECHANIC
  • 75,992 POSTS
You need to remove the entire power distribution box
Was this
answer
helpful?
Yes
No
Monday, December 30th, 2019 AT 5:36 PM (Merged)
Tiny
ROBIN FOSS
  • MEMBER
  • 3 POSTS
How do you remove the distribution box
Was this
answer
helpful?
Yes
No
+2
Monday, December 30th, 2019 AT 5:36 PM (Merged)
Tiny
ROBIN FOSS
  • MEMBER
  • 3 POSTS
I am desperate at this point and I do not have the money to tow my car in and then pay $100/hr to toyota to replace a fuse. If you can please please help me I would be extremely grateful. I am at my wits end.
Was this
answer
helpful?
Yes
No
Monday, December 30th, 2019 AT 5:36 PM (Merged)
Tiny
MHPAUTOS
  • MECHANIC
  • 31,937 POSTS
The box should be held in with a few 10mm bolts, with the box loose you should be able to see under the box to access the bolts that secure the master fuse.
Was this
answer
helpful?
Yes
No
Monday, December 30th, 2019 AT 5:36 PM (Merged)
Tiny
SRBZ
  • MEMBER
  • 30 POSTS
  • 2001 TOYOTA RAV4
  • 12,000 MILES
A friend of mine has a Rav4 and the driver's window wouldn't go up.

I thought it might be a poor switch connection, or at least I could power the wire to the window motor to make it go up.

I took out master switch assembly, took it apart, saw the circuit board, and figured it wasn't fixable.

I then thought I would jump from the hot lead to various pins on the plug until I got the one for the drivers window.

I found the hot lead, and was touching it from one plug on the switch plug to another to see if I could put the window up.
I found power on the second row from the right and when I put it to the top left I heard a pop like a fuse blowing from under the dash.

Now none of the windows work : (, but the power door locks do.

I looked online and various boards say there is a circuit breaker, a fuse, or something but no info on where it is.

I did find a 40 amp relay/fuse in the compartment behind the panel by your left knee that was blown, but replacing that didn't make a difference.

What might have tripped or blown and where is it, so I can get the windows working again?

Thank you
Was this
answer
helpful?
Yes
No
Monday, December 30th, 2019 AT 5:36 PM (Merged)
Tiny
ASEMASTER6371
  • MECHANIC
  • 52,796 POSTS
The 40 is it but you may have damaged the master switch byond working now. Re check for power to the connector.

Roy
Was this
answer
helpful?
Yes
No
Monday, December 30th, 2019 AT 5:36 PM (Merged)
Tiny
SRBZ
  • MEMBER
  • 30 POSTS
The master switch was out and not connected when I tried to jump the pins on the harness plug.
I'll check power to the harness connector and report back
Was this
answer
helpful?
Yes
No
Monday, December 30th, 2019 AT 5:36 PM (Merged)
Tiny
SRBZ
  • MEMBER
  • 30 POSTS
I got a used master switch.

Installed. That did not work.

There is 12v at the 40 amp fuse.(The top right relay/fuse in the fuse panel behind the door by your left knee.)

Checked for power at harness.
I tested between the two pins that caused the short; the top left and second from the right. Orientation with the locking area up and the two rows of pins.
There was 300 mV. That was the most voltage between any two pins.

So it seems like there is some voltage but not enough.

What next?

Thanks
Was this
answer
helpful?
Yes
No
-1
Monday, December 30th, 2019 AT 5:37 PM (Merged)
Tiny
ASEMASTER6371
  • MECHANIC
  • 52,796 POSTS
Ok, we needs to get 12 volts there. You said the 40 was hot in the box. Did you check both sides of that fuse for 12 volts?

Roy
Was this
answer
helpful?
Yes
No
Monday, December 30th, 2019 AT 5:37 PM (Merged)

Please login or register to post a reply.