Friday, January 17th, 2014 AT 6:33 AM
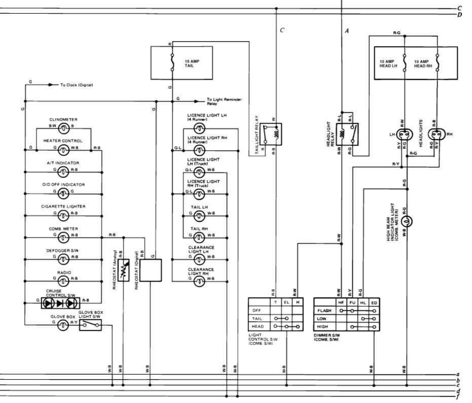
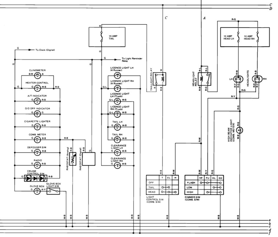
Lower beam head lights and instrument penal lights not working, I shorted them when fixing lower side bulb connection. I looked but could not locate the fuse box position. Checked the bulbs seem OK Checked all the fuses located in the two boxes under the hood all OK. Is there another fuse box somewhere else for these lights?










