Door locks not working (with windows)?

Tiny
RASMATAZ
  • MECHANIC
  • 75,992 POSTS
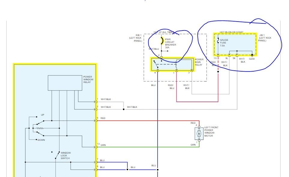
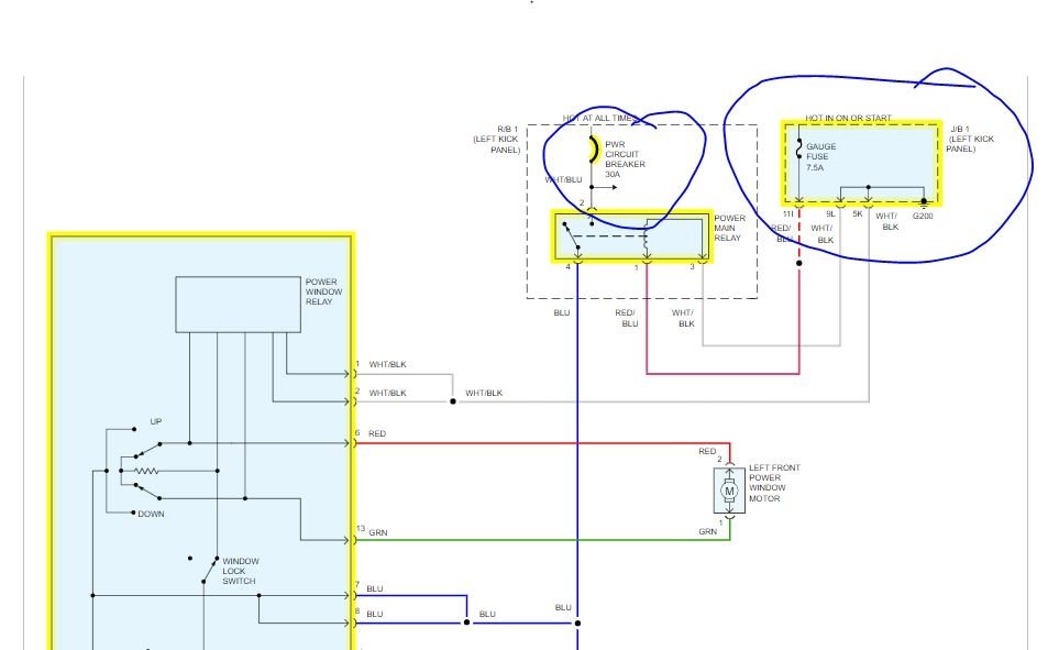
For door locks/windows -check power fuse 30qmp and gauge fuse 10amp in the J/B #1 left side of instrument panel. If okay check the main relay same location
Was this
answer
helpful?
Yes
No
Thursday, December 17th, 2020 AT 12:20 PM (Merged)
Tiny
SPRAVECEK
  • MEMBER
  • 2 POSTS
I will donate if we can find the problem. All of my fuses are fine. Unless its a relay that im not sure how to check
Was this
answer
helpful?
Yes
No
-2
Thursday, December 17th, 2020 AT 12:20 PM (Merged)
Tiny
RASMATAZ
  • MECHANIC
  • 75,992 POSTS
Are both fuse as mentioned earlier are okay if so do below

Find the main relay on fuse/relay block no.2 on left inner fender panel. Swap it with a like relay or replace it. Did it work? No do below

Now open the drivers door panel at the master switch check for power at the blue wire, turn key On. Do you have it-let me know
Was this
answer
helpful?
Yes
No
-1
Thursday, December 17th, 2020 AT 12:20 PM (Merged)
Tiny
TIMOTHY J RADA
  • MEMBER
  • 21 POSTS
  • 1989 TOYOTA CAMRY
  • 2.5L
  • V6
  • 2WD
  • AUTOMATIC
  • 135,000 MILES
Since I purchased the car the windows and the power locks have not done anything. I don't know where to begin to look. I don't know what to look for. Any advice on this and diagrams whatever could help me. Thank you
Was this
answer
helpful?
Yes
No
Thursday, December 17th, 2020 AT 12:20 PM (Merged)
Tiny
ASEMASTER6371
  • MECHANIC
  • 52,796 POSTS
Good morning,

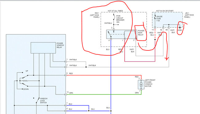
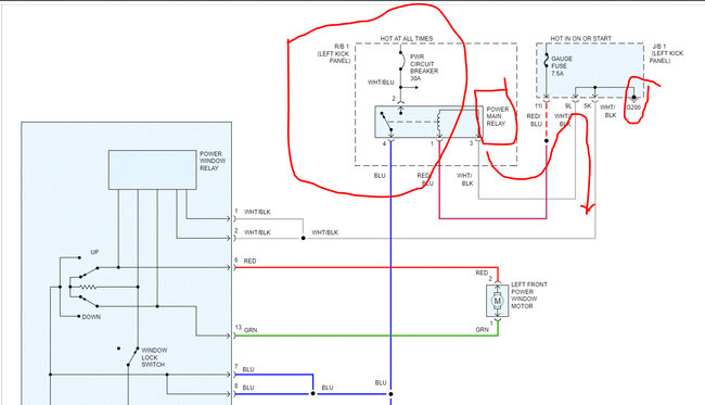
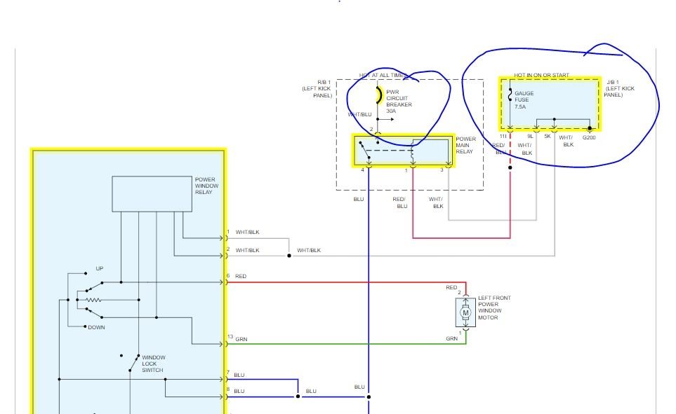
I attached the wiring diagrams for both areas. They are both powered off the same breaker in the fuse block. Verify power on both sides of the circuit breaker with the key in the on position.

https://www.2carpros.com/articles/how-to-check-a-car-fuse

https://www.2carpros.com/articles/how-to-check-wiring

Roy
Was this
answer
helpful?
Yes
No
Thursday, December 17th, 2020 AT 12:20 PM (Merged)
Tiny
JACOBANDNICKOLAS
  • MECHANIC
  • 110,192 POSTS
Hi,

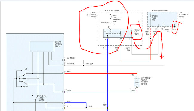
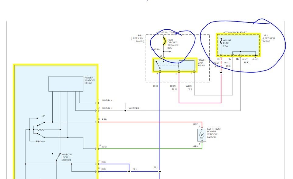
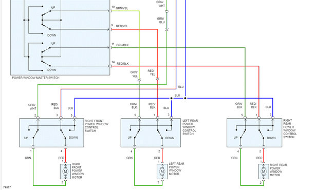
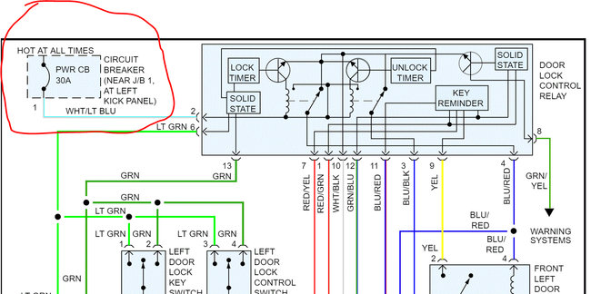
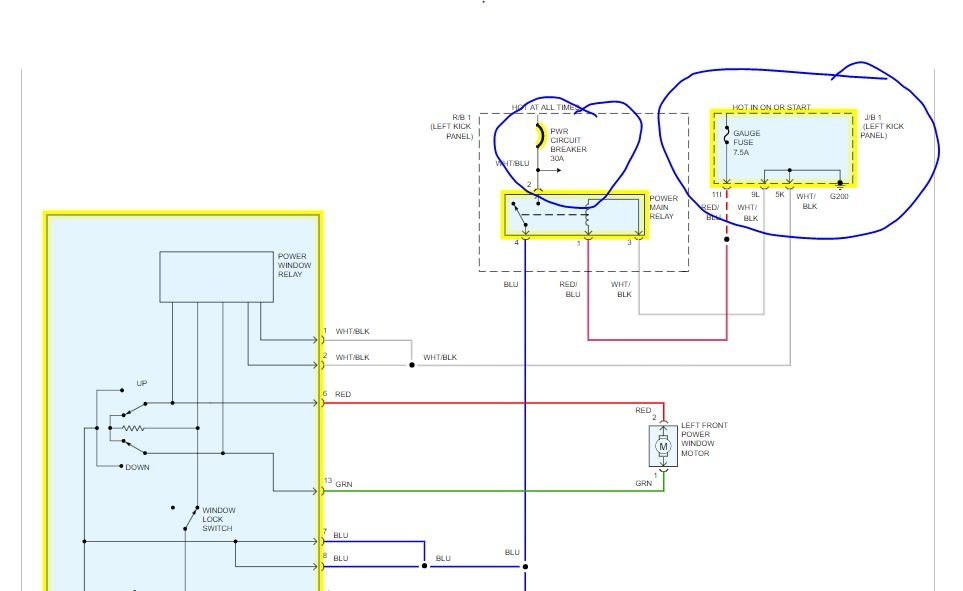
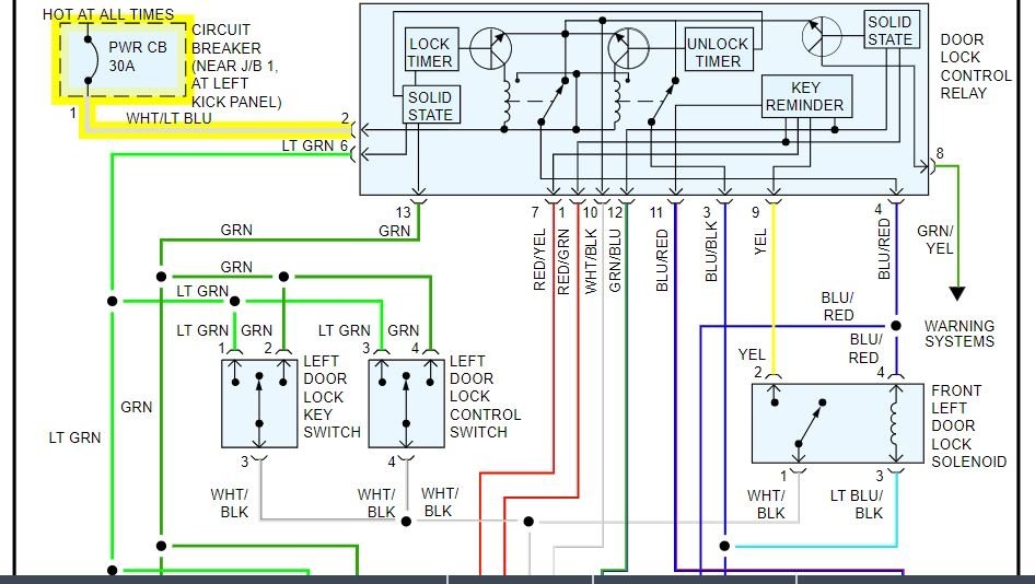
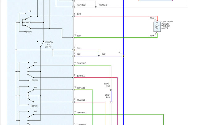
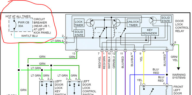
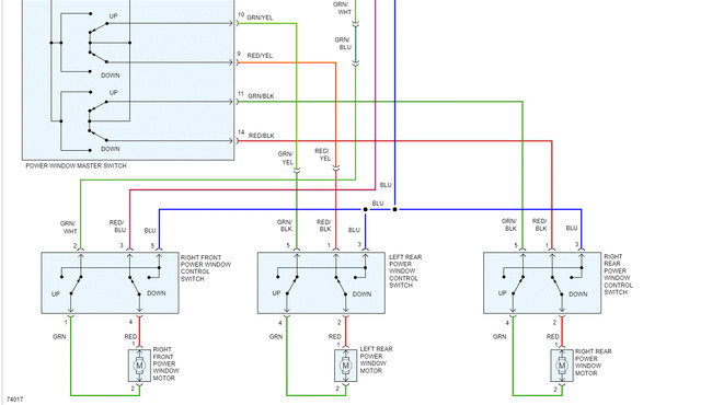
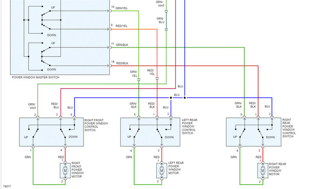
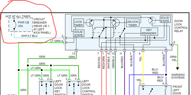
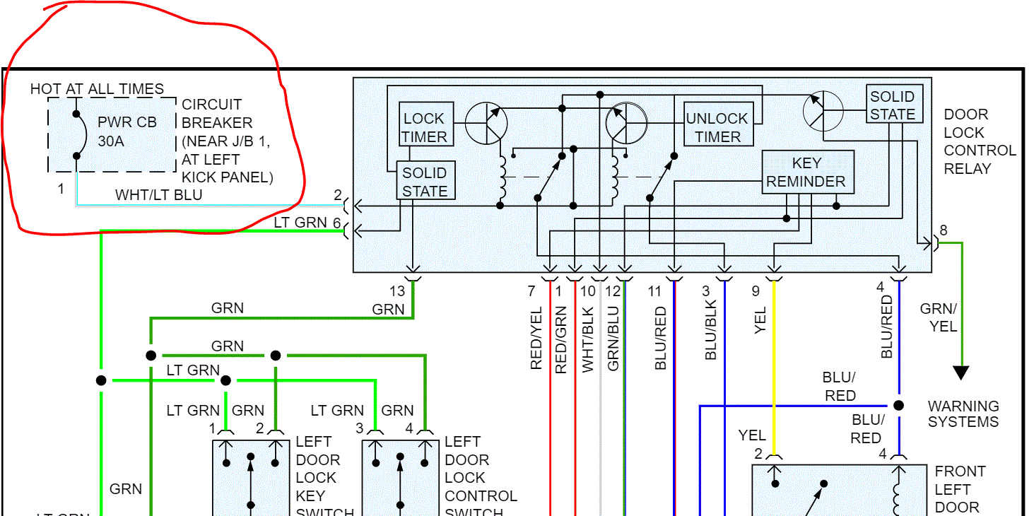
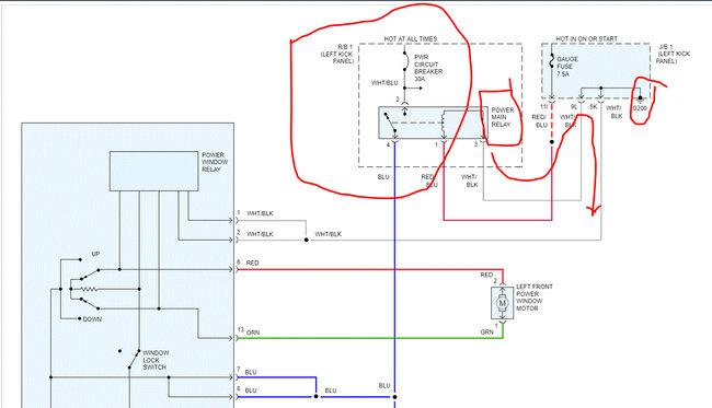
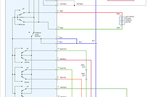
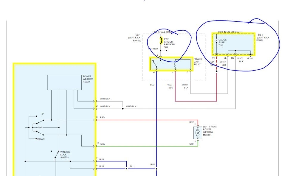
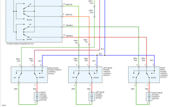
I have attached a few pics below of the wiring schematics. The first three pertain to the windows. Picture 4 shows power for the locks. Since none of them are working, the first thing you need to confirm is there is power from the circuit breakers. For the windows, you need to check for power to the blue wire and the white/black wire. As far as the locks, the white/light blue wire should always have power.

Here are a few links you may find helpful:

https://www.2carpros.com/articles/how-to-use-a-test-light-circuit-tester

https://www.2carpros.com/articles/how-to-use-a-voltmeter

https://www.2carpros.com/articles/how-to-check-wiring

If there is power, check to make sure the grounds indicated are good.

Take care,
Joe
Was this
answer
helpful?
Yes
No
Thursday, December 17th, 2020 AT 12:20 PM (Merged)

Please login or register to post a reply.