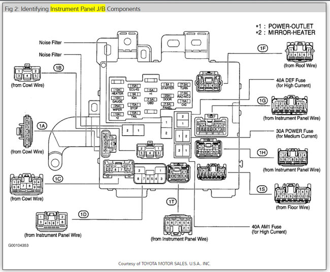
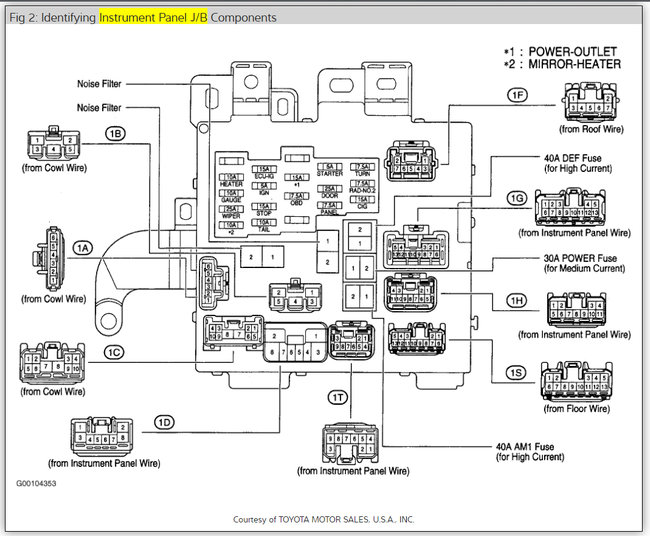
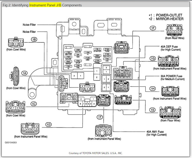
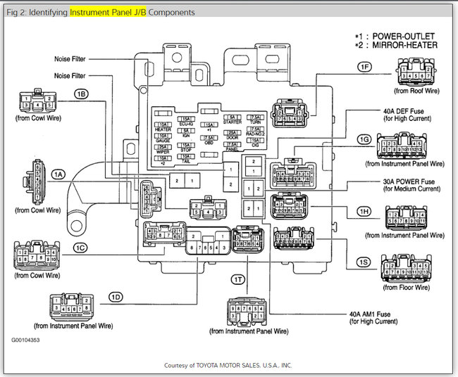
However, if I keep pushing lock/unlock/lock the drivers door will stop responding, but the other three doors will operate properly. Then, if I push lock/unlock repeatedly 4-5 times then the passenger door will stop responding. The back doors will always work properly.
The main problem is that sometimes in the afternoon (it seems to be correlated to heat because the problem is always worse in the afternoons) the drivers side door will not work at all. When I use the key fob I will think I'm locking all the doors and the drivers side door will remain unlocked. Or when I try to unlock the vehicle with the fob all the doors will unlock except the drivers side.
Thursday, March 22nd, 2007 AT 7:55 AM























