No crank, code P180C

Tiny
MALLYBOY
  • MEMBER
  • 2011 CHEVROLET EQUINOX
  • 2.4L
  • 4 CYL
  • 2WD
  • AUTOMATIC
  • 87,457 MILES
When I turn the Ignition on, the dashboard will come On but when I crank the whole light will go off and accessory relay will be clicking as you attempt to crank, I have check power to terminal 87 and there is B+ voltage and check ground terminal 85 and there was ground. Checked the control side of the relay by connecting test lamp to terminal 86 and 85 and turn ignition on and the light illuminates. What could be the problem is it the ECM?
Attached the picture of scan report.
Friday, October 1st, 2021 AT 11:43 PM

41 Replies

Tiny
KASEKENNY
  • MECHANIC
  • 18,907 POSTS
Yes. This can be the control module but before we get too far, we should run through the testing for these codes.

Here are a couple guides that will take us through the basics on this testing:

https://www.2carpros.com/articles/how-to-check-wiring

The U0100 is telling us that we have a communication issue which could be causing the fuel pump issue as well.

https://www.2carpros.com/articles/can-scan-controller-area-network-easy

However, the only way we are going to know for sure is to turn through this testing and find out where we get.

I suspect you will have an ECM issue, but I would not replace that until this testing points there as well because that is costly to base that only on the info we have so far.

Please let me know what questions you have, and we can go from there. Thanks
Was this
answer
helpful?
Yes
No
Saturday, October 2nd, 2021 AT 5:26 PM
Tiny
MALLYBOY
  • MEMBER
  • 338 POSTS
When I turn the Ignition on, the dashboard will come On but when I hold the at key start position, the whole light will go off and accessory relay will be clicking, this is where I am concerned, I want the vehicle to be turning over first before going to fuel pressure sensor diagnosis.
Was this
answer
helpful?
Yes
No
Sunday, October 3rd, 2021 AT 2:22 AM
Tiny
KASEKENNY
  • MECHANIC
  • 18,907 POSTS
I understand. I suspect you have an ECM issue. So, the fact that you have these codes, I would run through that testing to see if it leads you to an ECM issue.

So, if this code takes you to a replacing the ECM, then you know you have to replace it for this code and that will most likely fix the issue you are wanting to start with.

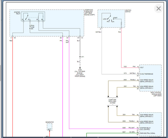
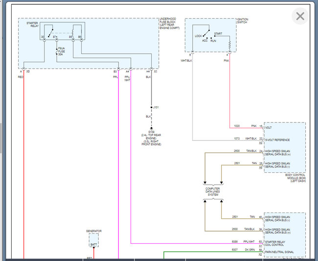
However, you also have the U0100. Take a look at the first page of that diagnosis. This is telling you that you have an issue with the ignition and B+ circuit. This fits what you are seeing as well.

So, if you look at the circuit testing this code is having you verify that you are getting power and ground at the module that is setting this code. This code is telling you that this module is not communicating.

When you add that to what you are seeing, I suspect the ECM has failed.

So basically, the best thing to do is chase the problems that you have codes for and not ignore them because it is telling you that this is an issue.

You can go through this and verify that the ECM is the issue for just the starting issue, but you are going to have to monitor the communication network with a specific scan tool.

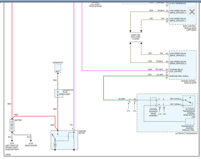
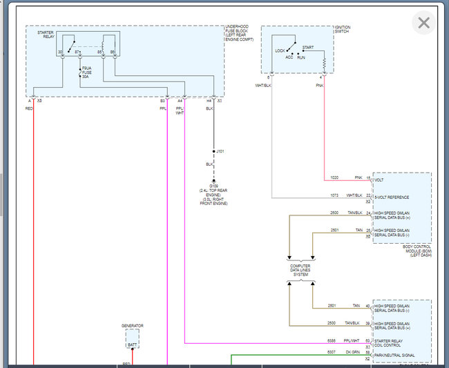
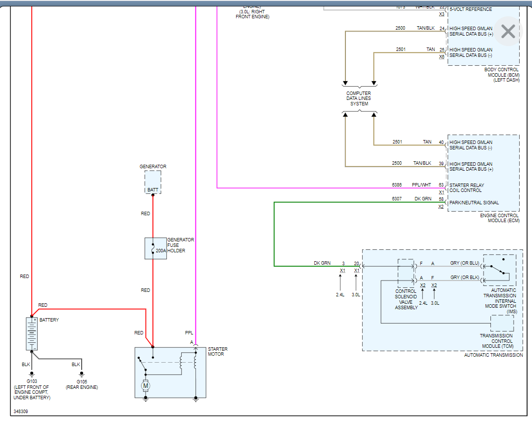
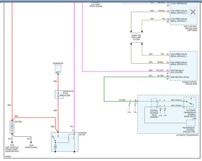
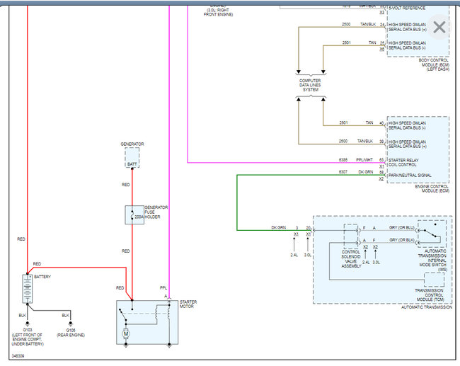
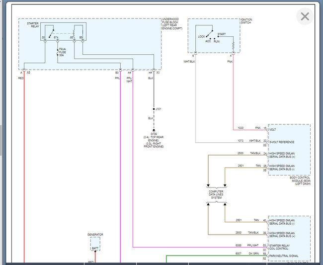
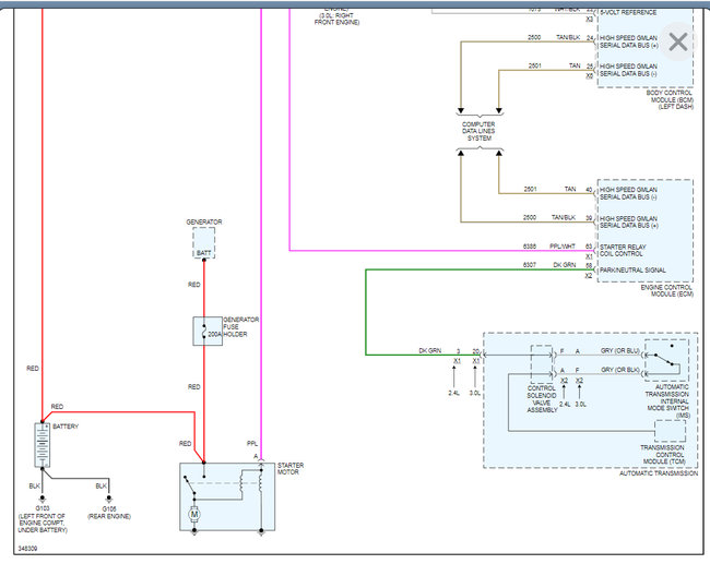
If you look at the wiring diagram below, you will see that when you turn the key to start, it sends that voltage to the ECM, then the ECM communicates with the BCM which would keep the dash on and that the engine is starting. This is the point you are getting all these issues.

This points directly to the ECM; however, I would want a little more info, so I don't replace the ECM for no reason. Which brings me back to the other codes. If the other codes, have you replace the ECM as well, then you know it is not a waste if it doesn't fix this starting issue as well.

If it doesn't then we have a bus communication issue and those are not the easiest to diagnosis without a scan tool that can monitor bus inputs.

This is just the approach that I would take but I understand if you want to go after the starting issue so let me know what questions you have about either direction. Thanks
Was this
answer
helpful?
Yes
No
Sunday, October 3rd, 2021 AT 7:13 AM
Tiny
MALLYBOY
  • MEMBER
  • 338 POSTS
I have just finished the resistance test now and the results are as follows:
1. On the communication circuit: I set my multimeter on resistance mode, I put the positive lead on connector x6 terminal: 24 of body control module and x1 terminal:39 wire color-tan of ECM connector; there was no resistance. Again, I put on the connector x6 terminal 25 of body control module and x1 terminal:40 of ECM, there was no resistance showing that this is the reason why the code: u0100 is coming up.
2. I removed the starter relay and positive lead on connector x1 terminal:63 of ECM and terminal:85 of starter relay. There was resistance. Then I put on the terminal:86 of starter relay and to negative battery cable testing for ground, there was resistance, I put on terminal: 87 still holding on the negative cable, the multimeter still beeping, I said no there's a problem, I change from negative to positive battery cable and still check terminals: 86, 87 and 30 starter relay and all are beeping on the multimeter showing that there's short to voltage on the under-hood fuse box. What do you think?
Was this
answer
helpful?
Yes
No
Monday, October 4th, 2021 AT 8:43 AM
Tiny
KASEKENNY
  • MECHANIC
  • 18,907 POSTS
Couple questions on the U0100. Did you unhook the connectors from the ECM and BCM and check the resistance from end to end? If so, was the resistance 0 or was it infinite resistance (OL)?

0 ohms is different then no resistance or infinite resistance.

Also, these two modules are not directly connected through these wires. They are connected through the EBCM and TCM. So, if you have an open circuit then that would be due to the modules not communicating. It is very possible that you have an open circuit on one of the circuit boards, but this would require more investigation.

If you have continuity from battery positive to pin 86 and 87 then you do have a short. If the key was off, then 87 should not have continuity to battery positive as this is the path to ground for the switch side of the relay.

So, it sounds like you are onto the issue with the fuse block.
Was this
answer
helpful?
Yes
No
Tuesday, October 5th, 2021 AT 2:22 PM
Tiny
MALLYBOY
  • MEMBER
  • 338 POSTS
Yeah, I check it and it was OL.
I even check from DLC to ECM and there was no continuity but from DLC to BCM, there was continuity showing BCM is the main module that handles communication instead of ECM.

Also, these two modules are not directly connected through these wires, since the wires are not directly connected together, how do I know if the BCM sends start command to ECM? Because this is where the problem lies?
Was this
answer
helpful?
Yes
No
Wednesday, October 6th, 2021 AT 11:23 PM
Tiny
KASEKENNY
  • MECHANIC
  • 18,907 POSTS
The reason you had no connection from the DLC to the ECM is because the DLC is connected to the BCM and then the BCM facilitates communication with all the other modules.

Unfortunately, the way we are going to have to check this system effectively is to scan the communication network and find out what modules are not communicating.

Here is a video that shows how to do this:

https://www.youtube.com/watch?v=InIlnsjOVFA

Doing the continuity check on this network will only work if you are checking the wiring from module to module. Basically, just the wiring between modules is good for this.

There is one other check that we can do without the scan tool and that is checking termination resistance. This is done by disconnecting the battery and then check the resistance at the DLC on pin 6 to 14. This network requires two modules to be what are called terminating modules and that creates the ability to communicate on this network.

If this resistance is not correct, then you will have communication issues. Let us know what this is, and we can go from there. Thanks
Was this
answer
helpful?
Yes
No
Friday, October 8th, 2021 AT 10:30 AM
Tiny
MALLYBOY
  • MEMBER
  • 338 POSTS
Thank you so much for your concern. I have discovered the problem; ECM is the problem of not stating. From the design, when the ignition switch is turned to start position, BCM will send a message to ECM notifying it that crank has been requested then ECM confirms that transmission is in park or neutral, before it finally sends 12v to control circuit of starter relay. The 12v signal is missing. I used multimeter and set it dc mode and then turn ignition on it reads 0.123mv, I used test-lamp and probe to control terminal of the relay and ground it. It did not illuminate, then I connected a wire on terminal 85 of starter relay and jumper it to terminal 85(BCM) of crank/run relay, as I turned the ignition on, it began to crank, and the dashboard light did not off again. So the ECM will be replaced and program.
Was this
answer
helpful?
Yes
No
Friday, October 8th, 2021 AT 12:15 PM
Tiny
KASEKENNY
  • MECHANIC
  • 18,907 POSTS
Wow. Great info. That will surely help others in the future. Thanks for coming back and letting us know what you found. Thanks for using 2CarPros.
Was this
answer
helpful?
Yes
No
Friday, October 8th, 2021 AT 3:07 PM
Tiny
MALLYBOY
  • MEMBER
  • 338 POSTS
Thank you once again. Please I need your help, I am a mechanic/electrician based in Nigeria, I normally gets all these American vehicles to repair but my problem is that my scanner does not have access to bi-directional control. I am using Bluedriver and OBDbdlink mx+, only code reader. I want to know if I can get DRB111 the recommended scanner for Chrysler, Dodge, Fiat, etc, to help me both programming and actuation test. At affordable rate, even if you will duplicate it on another HDD, I will pay?
Was this
answer
helpful?
Yes
No
Friday, October 8th, 2021 AT 11:09 PM
Tiny
KASEKENNY
  • MECHANIC
  • 18,907 POSTS
We will need to get a new post started on this issue just because it is not related to this one but in short, I suspect you would be better off using an aftermarket tool that can do all that the DRB can do.

Basically, the DRB is obsolete and those that are available to buy, if they break then there is no repair process for them.

Plus, there are many aftermarket options that will do the same things.

I don't know what will be available in your country so you will need to do some research.

The best option would be to use the OEM replacement tool. Again, I don't know the availability of this in your country, but I know they offer it to the aftermarket at a fair price.

Here is a video from the OEM that will introduce you to it:

https://youtu.be/nmD5wafPUss

If you need more info, please get a new post started on this one and we will see what we can find. Thanks
Was this
answer
helpful?
Yes
No
Saturday, October 9th, 2021 AT 6:50 AM
Tiny
MALLYBOY
  • MEMBER
  • 338 POSTS
The problem with other scanner is their inability to read programming code, the dealer code is always difficult for most scanners to read. Making the repair of Chrysler difficult. I have witnessed this more than three times on Dodge Caravan 2002 and 2003, so I am following the instructions on All Data factory diagram, but which scanner do you suggest in particular?
Was this
answer
helpful?
Yes
No
Sunday, October 10th, 2021 AT 5:06 AM
Tiny
KASEKENNY
  • MECHANIC
  • 18,907 POSTS
This does not relate to this topic so we are getting into some detail that may help others that have the same questions. If we don't start a new post, then those that would benefit from this will never find these Chrysler specific questions under a question about a Chevrolet.

Let's get a new post started on this scan tool question and we can figure out the best option for you in your situation.

https://www.2carpros.com/questions/new

Thanks
Was this
answer
helpful?
Yes
No
Sunday, October 10th, 2021 AT 9:40 AM
Tiny
MALLYBOY
  • MEMBER
  • 338 POSTS
Hello!

I have succeeded to purchase another ECM 2 days back, but the problem now is that after plugging the ECM connectors, I try to connect scanner to program it and it says ECM/TCM not equipped, I removed it and put the old ECM and it still says ECM/TCM not equipped, what actually be the cause of this? Your assistance and contributions will be highly appreciated.
Thanks once again.
Was this
answer
helpful?
Yes
No
Tuesday, November 16th, 2021 AT 6:09 PM
Tiny
KASEKENNY
  • MECHANIC
  • 18,907 POSTS
Looks like we still have a network issue. When you checked the resistance of wires from the BCM to the ECM and had no resistance means we have an open circuit between these two connectors.

So, you need to go to the BCM X6 pin 25 and the brake module pin 13. We need to make sure we have about a half ohm of resistance. Then we need to do the same from the brake module to the power steering. Then power steering to the TCM. Finally, from the TCM to the ECM.

These modules are what are called daisy chained. Meaning if one has an issue then all others behind it will not communicate. So, if the ECM/TCM is the issue we need to make sure the wiring from the power steering to the TCM is in intact unless you are not able to communicate with the other modules as well.
Was this
answer
helpful?
Yes
No
Wednesday, November 17th, 2021 AT 5:21 PM
Tiny
MALLYBOY
  • MEMBER
  • 338 POSTS
We need to make sure we have about a half ohm of resistance.
How do I do this test and what value is half an ohm?
Can I used test-lamp to check these communication circuit with ignition on?
Or can I use Multimeter set to ohm range to do the test?
Was this
answer
helpful?
Yes
No
Thursday, November 18th, 2021 AT 2:37 PM
Tiny
KASEKENNY
  • MECHANIC
  • 18,907 POSTS
Correct. You need to use a multimeter set to ohms.

Then you disconnect the connectors at both modules and connect the meter leads at both ends of the circuit. This guide talks about how to do this:

https://www.2carpros.com/articles/how-to-use-a-voltmeter

Basically, you are just testing the single wire and if you have less than a half ohm of resistance then the wire is intact. If it is OL or high resistance, then that means you have an issue with that wire between these two points.
Was this
answer
helpful?
Yes
No
Thursday, November 18th, 2021 AT 2:42 PM
Tiny
MALLYBOY
  • MEMBER
  • 338 POSTS
1. Again what value can mean a half ohm?
2. I want to check the ECM fuses 20, 42, 53 and how the circuit move from fuse box I cannot communicate with radio or nav via scanner to read any codes to ECM I cannot communicate with radio or nav via scanner to read any codes, In case there is open circuit within the fuse box?
Was this
answer
helpful?
Yes
No
Thursday, November 18th, 2021 AT 3:12 PM
Tiny
KASEKENNY
  • MECHANIC
  • 18,907 POSTS
I don't understand what you mean when you are looking for a value of a half ohm. The meter will show 0.5 ohms or less, if that is what you mean?

Good idea about the fuses. However, the best way to tell if they are okay is just go to that circuit on the ECM connector and check for power.

If you have power at the ECM then the fuse and fuse panel are fine.
Was this
answer
helpful?
Yes
No
Friday, November 19th, 2021 AT 2:21 PM
Tiny
MALLYBOY
  • MEMBER
  • 338 POSTS
I have checked the communication lines from end to end of modules and it has resistance. I also set the multimeter on ohm scale to check the communication lines and it was giving me 0.8 to 0.9 ohms. I remember that this vehicle started this problem immediately after replacing the steering assembly. And when I connect scanner, I remember that the scanner says BCM: equipped, electronic brake control module: equipped, power steering module: not equipped, TCM: not equipped and finally ECM: not equipped. So, it might be possible that power steering was where the communication line problem started and affected TCM and ECM, either there was no power-to-power steering module or no battery voltage or ground to it, I will do voltage test tomorrow.
Was this
answer
helpful?
Yes
No
Monday, November 22nd, 2021 AT 12:54 PM

Please login or register to post a reply.