Replaced with aftermarket exact replacement
Replaced plug( pigtail that goes to switch) with one cut out of an exact model at junk yard
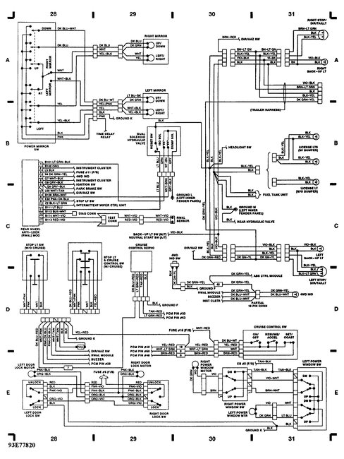
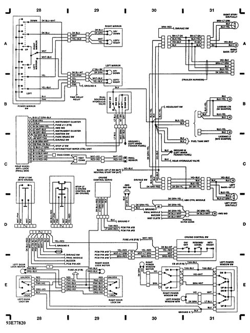
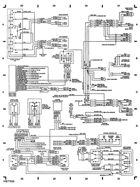
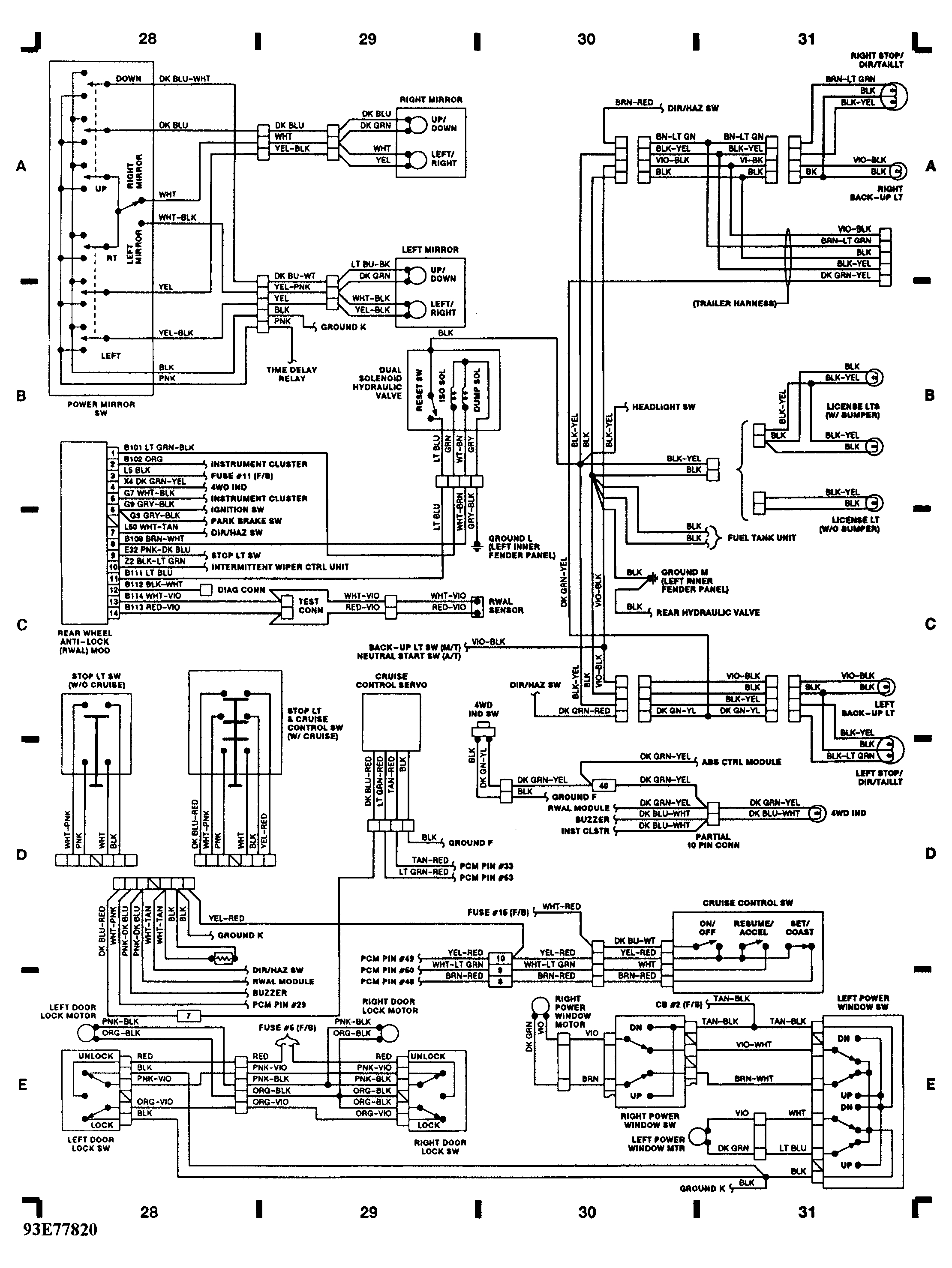
Inspected the tail lights area for broken wires
Turn signals, brake lights, and headlights all work fine
If I gently and barely pull out knob on light switch just before it goes into position for park lights The park lights illuminate but go off soon a sits into position and do not work when headlights are on. The bright and dim switch work fine its on the column while switch is on the dash
The tail lights at one time would come on with park lights when barely pulled out but Now No tail lights period
Fuses have all been pulled and the fuses at the relay under the hood has been checked as well
I am most definitely going to test power from headlight switch and from fuse panel. The Dash Lights, parking lights and taillights are what's not working ( when I barely pull my light switch back but into the on position it causes the park lights to come on and radio light to dim does this additional info help narrow down the issue.
Meant to say I pull knob back but not into the on position, then the park and dash lights illuminate and the radio light dims.
This is a Brand New Switch,
The Original Had Multiple issues then finally went completely out the pigtail(plug) had melted on The Green wire in the center of the switch.
I changed That plug as well,
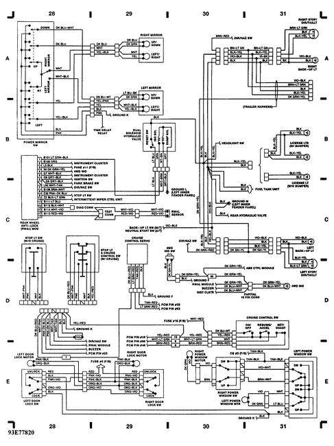
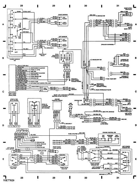
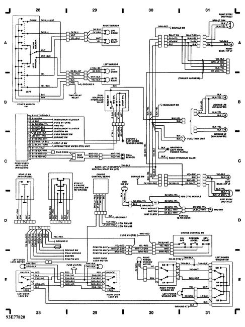
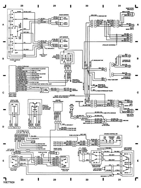
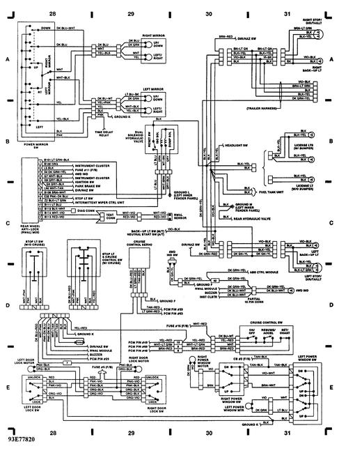
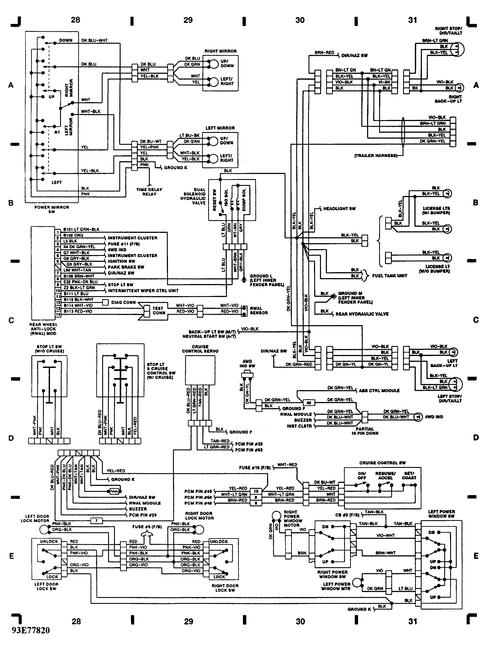
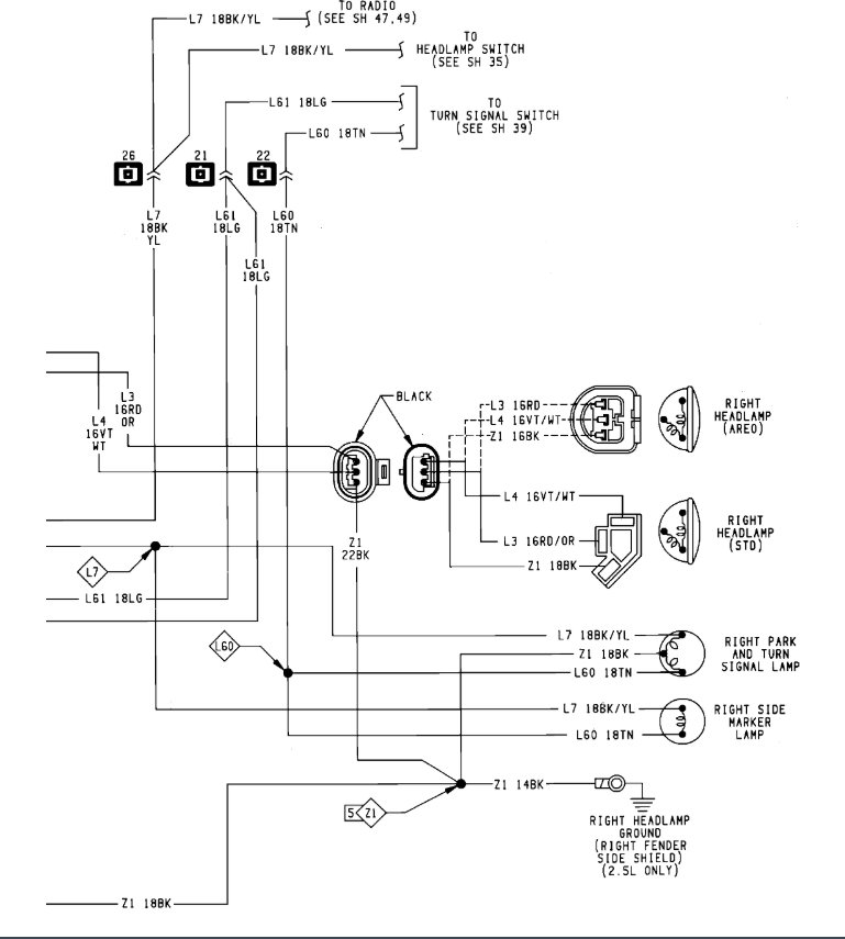
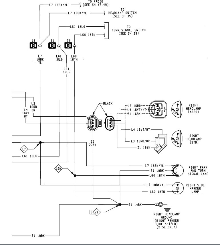
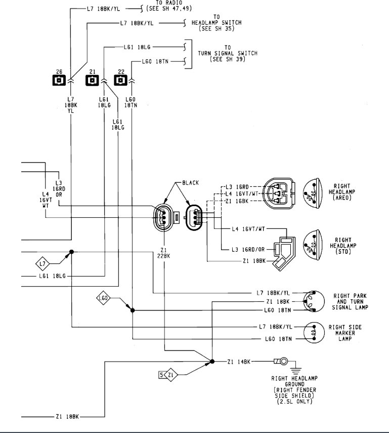
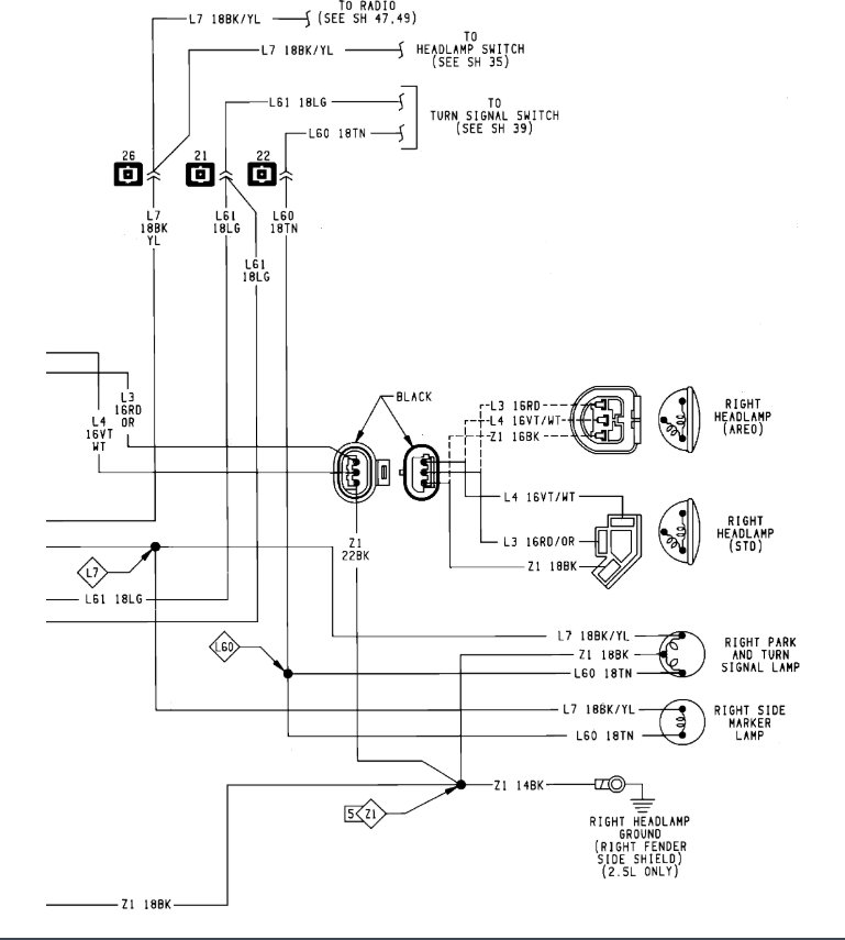
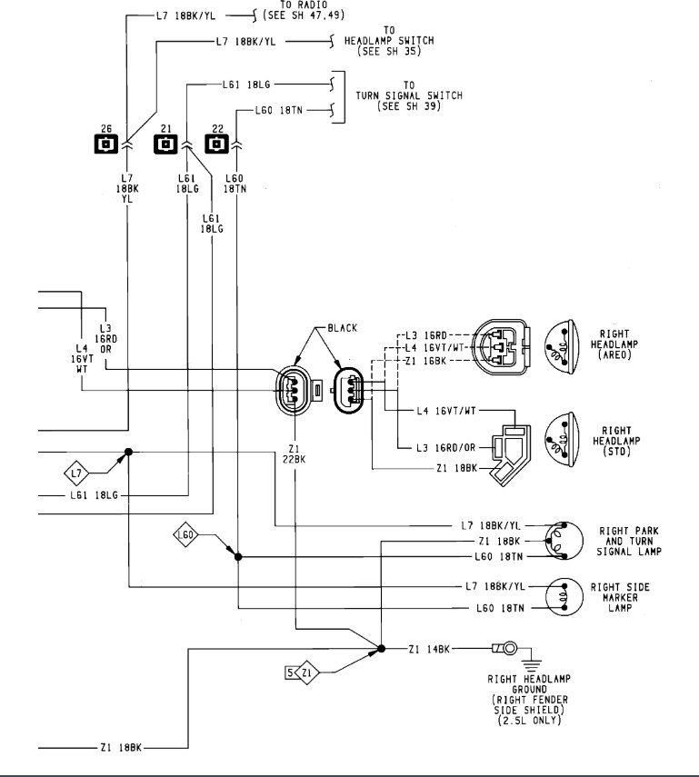
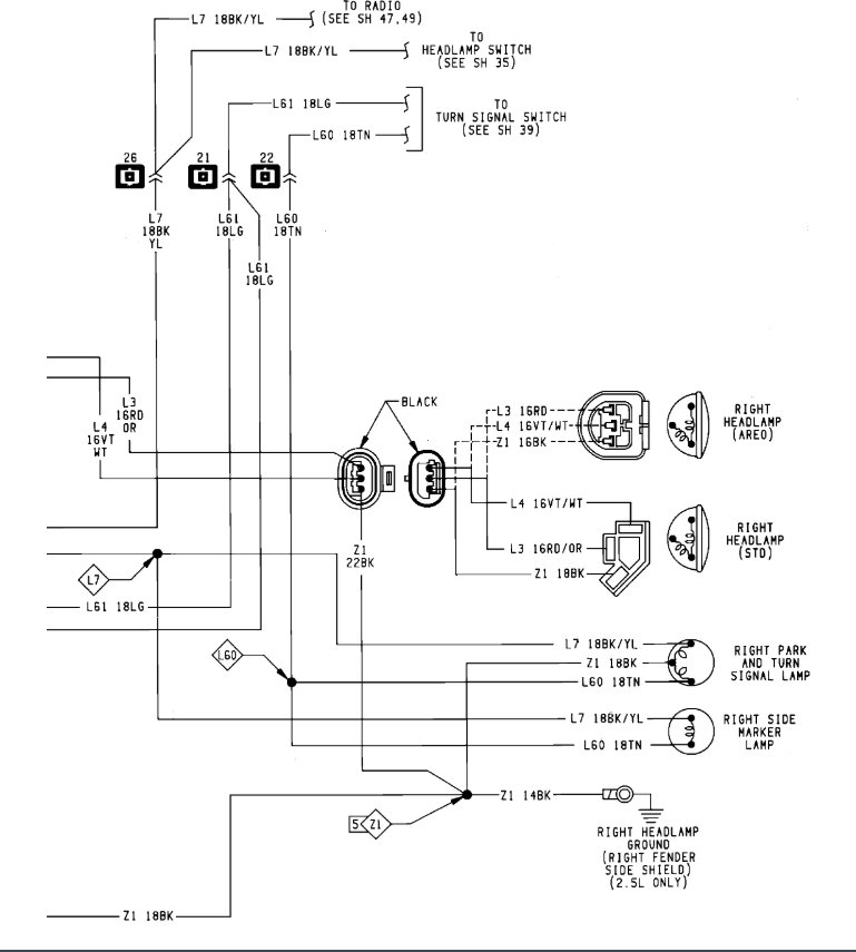
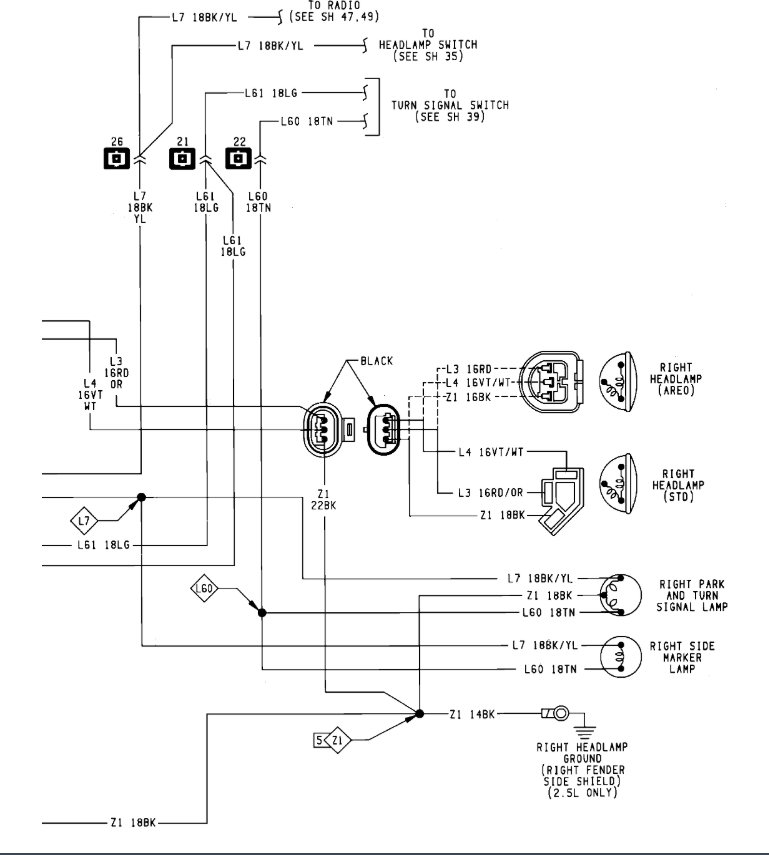
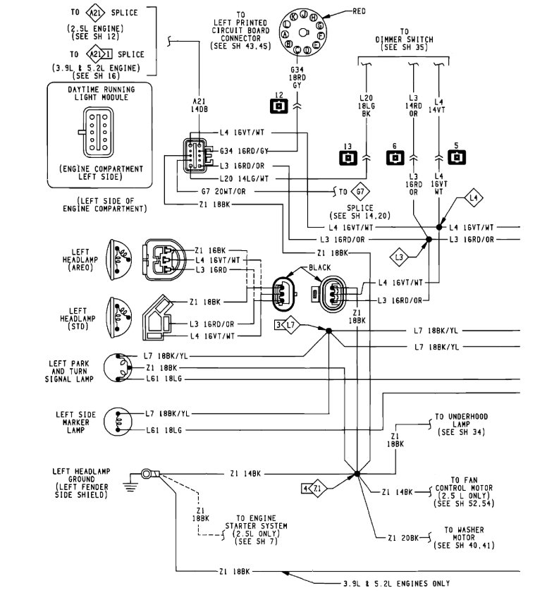
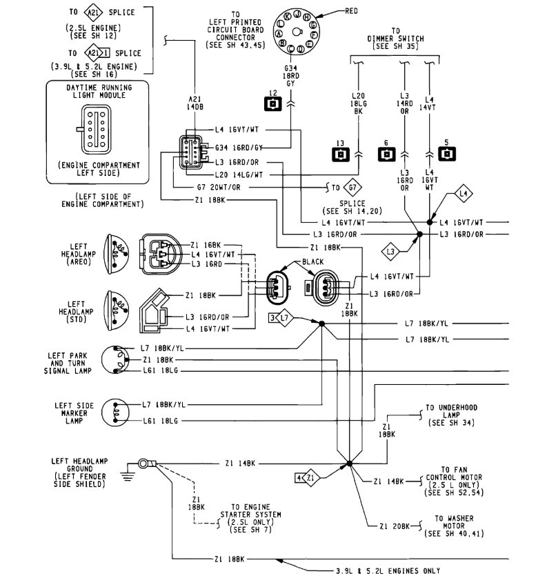
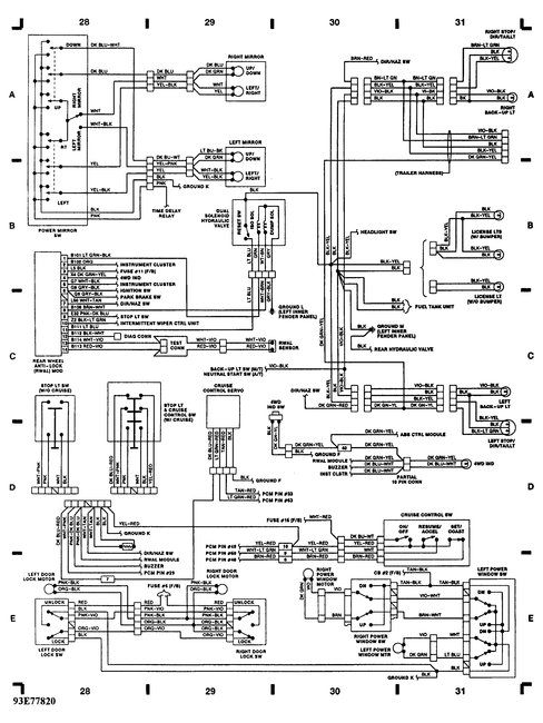
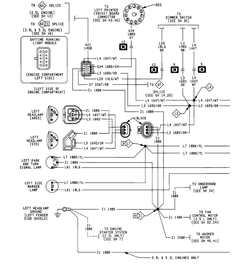
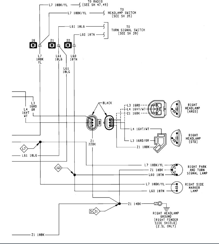
I would Like to know what Color wires go to what and where The grounds are for each tail light, license plate illumination lights, dash lights, and front parking lights.
I am Thinking Ground (s) are Bad. Maybe a Hot Wire is broken somewhere to tail lights and again come Tuesday I am gonna try a known good switch from the junkyard it came from their yard truck same place pig tail came from to verify same issue and eliminate switch and plug as culprits
Are The Turn signals, Brake lights, and Tail lights all The same Ground?
Brake and turns work just not running lights.
2. I got a tester light to illuminate from Black w/ yellow wire to ground on switch, on tail lights that same color goes to near every light back there too
3. Could the loss of ground be stopping lights from working in normal parking light position and maybe grounding when its not in its actual position a si barely pull knob out?
I work long hours friday-saturday-sunday-monday so please hang in there till this issue is resolved I will post the corrective steps that was taken to get full resolution for others as well
Thursday, March 6th, 2014 AT 2:26 PM











